|
|
(21), (22) Заявка: 2004115468/28, 24.05.2004
(24) Дата начала отсчета срока действия патента:
24.05.2004
(43) Дата публикации заявки: 01.01.2000
(46) Опубликовано: 20.06.2006
(56) Список документов, цитированных в отчете о поиске:
ЕР 0344545 А2, 06.12.1989. JP 2013003 А, 17.01.1990. JP 7099698 А, 11.04.1995. US 6148088 А, 14.11.2000. RU 2181932 С1, 27.04.2002. RU 2098923 С1, 10.12.1997.
Адрес для переписки:
123100, Москва, Шмидтовский проезд, 17,кв.14, Г.В.Крылову
|
(72) Автор(ы):
Фомин Юрий Станиславович (RU)
(73) Патентообладатель(и):
Фомин Юрий Станиславович (RU)
|
(54) УСТРОЙСТВО ДЛЯ УСТРАНЕНИЯ ТЕРМОКОМПРЕССИИ ГРОМКОГОВОРИТЕЛЯ
(57) Реферат:
Изобретение относится к технике звуковоспроизведения. Технический результат изобретения заключается в устранении термокомпрессии громкоговорителя, снижении искажений, улучшении микродинамики звуковоспроизведения. Устройство для устранения термокомпрессии громкоговорителя содержит громкоговоритель, включающий не менее одной динамической головки, усилитель мощности, имеющий инвертирующий и неинвертирующий входы и выход, не менее одной режектирующей цепи коррекции, цепь компенсации индуктивности катушки головки громкоговорителя и резистор отрицательной обратной связи. Динамическая головка громкоговорителя подключена одним выводом к выходу усилителя, а вторым – к инвертирующему входу усилителя. Режектирующая цепь коррекции соединена параллельно громкоговорителю и состоит из последовательно соединенных резистора, конденсатора и катушки. Цепь компенсации индуктивности катушки головки громкоговорителя также соединена параллельно громкоговорителю и состоит из последовательно соединенных резистора и конденсатора. Резистор обратной связи соединен одним выходом с инвертирующим входом указанного усилителя, а вторым – с общим проводом. Громкоговоритель, режектирующие цепи коррекции, цепь компенсации индуктивности катушки и резистор образуют цепь отрицательной обратной связи усилителя. Усилитель в такой конфигурации образует генератор тока для громкоговорителя, режектирующих цепей и цепи компенсации. 2 з.п. ф-лы, 6 ил.
Изобретение относится к технике звуковоспроизведения и может быть использовано в активных акустических системах, содержащих усилитель и не менее одной динамической головки громкоговорителя.
Наиболее близким техническим решением к заявляемому объекту является звуковоспроизводящий агрегат, содержащий усилитель мощности, охваченный отрицательной обратной связью по току и имеющий большое выходное сопротивление, и динамический громкоговоритель (патент России 2098923, кл. H 04 R 3/04, 1997).
Недостатками известного технического решения являются:
1. В случае использования нескольких полос (динамических головок) необходимо применение нескольких усилителей и полосовых электронных фильтров перед каждым усилителем.
2. В известном устройстве не учтено то, что для динамического громкоговорителя, запитанного от усилителя с ненулевым выходным сопротивлением, характерна значительная дополнительная нелинейность амплитудно-частотной характеристики (АЧХ) звукового давления, вызываемая тем, что выходное сопротивление усилителя и импеданс динамической головки образуют частотно зависимый делитель, и АЧХ повторяет характер импеданса.
Техническим результатом изобретения является устранение термокомпрессии громкоговорителя, снижение искажений и улучшение микродинамики звуковоспроизведения.
Для достижения указанного технического результата в устройстве, содержащем усилитель мощности, имеющий инвертирующий вход и выход, и громкоговоритель, усилитель имеет дополнительный инвертирующий вход, а устройство дополнительно содержит режектирующую цепь коррекции, состоящую из последовательно соединенных резистора, конденсатора и катушки, которая соединена параллельно указанному громкоговорителю, цепь компенсации индуктивности катушки головки громкоговорителя, состоящую из последовательно соединенных резистора и конденсатора, также соединенную параллельно указанному громкоговорителю, и резистор обратной связи, соединенный одним выводом с инвертирующим входом указанного усилителя, а вторым – с общим проводом, причем громкоговоритель включает в себя динамическую головку, подключенную одним выводом к выходу усилителя, а вторым – к инвертирующему входу усилителя, громкоговоритель, режектирующая цепь коррекции, цепь компенсации индуктивности катушки головки громкоговорителя и резистор обратной связи образуют цепь отрицательной обратной связи для усилителя, а усилитель является для динамической головки источником тока.
Громкоговоритель может включать две или более динамические головки и две или более цепи фильтров, причем каждая из указанных головок одним выводом подключена к одной из указанных цепей фильтров, а вторым – к инвертирующему входу указанного усилителя. Устройство может содержать дополнительно одну или больше указанных режектирующих цепей, настроенных на частоты максимумов модуля импеданса указанного громкоговорителя или на частоты выбросов АЧХ указанного громкоговорителя.
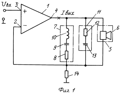
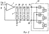
На фиг.1 изображен общий вид предлагаемого устройства; на фиг.2 – вариант реализации предлагаемого устройства с многополосным громкоговорителем и дополнительными режектирующими цепями; на фиг.3 – зависимости звукового давления, развиваемого громкоговорителем, от подводимого напряжения при питании его от обычного усилителя; на фиг.4 – зависимости звукового давления, развиваемого громкоговорителем, от подводимого напряжения при питании его от усилителя тока; на фиг.5 – типовая зависимость модуля импеданса однополосного громкоговорителя от частоты, амплитудно-частотная характеристика громкоговорителя при питании его от обычного усилителя и амплитудно-частотная характеристика громкоговорителя при питании его от усилителя тока; на фиг.6 – типовая зависимость модуля импеданса трехполосного громкоговорителя от частоты, амплитудно-частотная характеристика такого громкоговорителя по звуковому давлению при отсутствии режектирующих цепей и цепи компенсации индуктивности катушки головки громкоговорителя и амплитудно-частотная характеристика при подключении режектирующих цепей и цепи компенсации индуктивности катушки головки громкоговорителя.
Устройство для устранения термокомпрессии громкоговорителя (фиг.1) содержит усилитель мощности 1, имеющий инвертирующий 2 и неинвертирующий 3 входы и выход 4; громкоговоритель 5, содержащий динамическую головку 6; режектирующую цепь коррекции 7, состоящую из последовательно соединенных резистора 8, конденсатора 9 и катушки 10; цепь компенсации индуктивности катушки головки громкоговорителя 11, состоящую из последовательно соединенных резистора 12 и конденсатора 13; резистор обратной связи 14. Динамическая головка 6 громкоговорителя 5 подсоединена верхним по схеме выводом к выходу 4 усилителя мощности 1, а нижним – к его инвертирующему входу 2 и верхнему по схеме выводу резистора 14. Нижний вывод резистора 14 подсоединен к общему проводу. Режектирующая цепь коррекции 7 подсоединена параллельно головке 6 громкоговорителя 5, цепь компенсации индуктивности катушки головки громкоговорителя 11 также подсоединена параллельно головке 6.
В обычном пассивном громкоговорителе, включающем в себя одну или несколько динамических головок и цепи фильтров, при подведении к динамическим головкам электрической мощности происходит нагрев катушек динамических головок и растет их сопротивление, при этом чем больше подводимая мощность, тем больше нагрев катушек и тем больше растет сопротивление. Так как громкоговоритель питается от усилителя, который обладает малым выходным сопротивлением и является поэтому усилителем напряжения, то если бы катушки не меняли свое сопротивление при нагреве, звуковое давление, развиваемое громкоговорителем, было бы пропорционально напряжению, а электрическая мощность, подводимая к громкоговорителю, и акустическая мощность, выделяемая громкоговорителем, были бы пропорциональны квадрату напряжения на выходе усилителя. Но из-за нагрева катушек при больших мощностях подводимая к громкоговорителю мощность растет медленнее, чем квадрат напряжения, а звуковое давление медленнее напряжения. Это явление называется термокомпрессией. Термокомпрессия приводит к ограничению динамического диапазона громкоговорителя сверху.
На практике термокомпрессия выражается в слабой различимости разности уровней громких звуков, воспроизводимых динамической головкой.
Устройство для устранения термокомпрессии громкоговорителя в случае применения многополосного громкоговорителя (фиг.2) содержит трехполосный громкоговоритель 30, включающий в себя динамические головки 31, 32 и 33. Каждая головка воспроизводит свою полосу частот.
Громкоговоритель 30 одной из своих клемм 37 подключен к выходу 4 усилителя 1, а второй клеммой 38 – к инвертирующему входу 2 и резистору 14. Второй вывод резистора подсоединен к общему проводу.
К каждой динамической головке громкоговорителя подключена своя цепь фильтра: к головке 31 подключена цепь 34, к головке 32 подключена цепь 35, к головке 33 подключена цепь 36. Своими вторыми выводами все три головки соединены с клеммой 38 громкоговорителя. Входы фильтров 34, 35 и 36 соединены с клеммой 37 громкоговорителя 30.
Параллельно громкоговорителю 30 к клеммам 37 и 38 подсоединены режектирующие цепи коррекции 7, 28 и 29 и цепь коррекции индуктивности катушки 11.
На фиг.3 показан график зависимости звукового давления (р), развиваемого громкоговорителем, от входного напряжения усилителя (Uвх) при питании громкоговорителя от обычного усилителя, т.е. усилителя напряжения. Вертикальная ось – ось звукового давления р, а горизонтальная ось – ось входного напряжения Uвх. График 15 показывает звуковое давление, которое развивалось бы громкоговорителем, если бы не было нагрева катушек, а график 16 – звуковое давление, развиваемое реальным громкоговорителем. Область правее напряжения 17 является областью термокомпрессии для реального громкоговорителя.
Если питать громкоговоритель от усилителя не с выходным импедансом, намного меньшим импеданса громкоговорителя, а таким усилителем является обычный усилитель или усилитель напряжения, а от усилителя с выходным импедансом, много большим импеданса головки, т.е. усилителя тока, то выходной ток такого усилителя зависит только от входного напряжения Uвх и не зависит от импеданса нагрузки и, следовательно, от изменения сопротивления катушки из-за нагрева. Если катушка нагревается и ее сопротивление увеличивается, мощность, выделяемая на ней, увеличивается при неизменном входном напряжении усилителя Uвх. Это явление можно назвать термоэкспандированием.
На фиг.4 показан график звукового давления (р), развиваемого громкоговорителем, от входного напряжения усилителя (Uвх) при питании громкоговорителя от усилителя тока. Горизонтальная ось – ось звукового давления р, а горизонтальная ось – ось подводимого напряжения.
График 18 показывает звуковое давление, которое развивалось бы громкоговорителем, если бы не было нагрева катушек, а график 19 – звуковое давление, развиваемое реальным громкоговорителем. Область правее напряжения 20 является областью термоэкспандирования.
На фиг.5. показан график зависимости модуля импеданса 21 динамической головки или однополосного громкоговорителя от частоты и его амплитудно-частотная характеристика по звуковому давлению при работе от обычного усилителя напряжения 22 и при работе от усилителя с большим выходным сопротивлением 23. График импеданса имеет максимум на частоте резонанса головки 24 и подъем после частоты 25, вызванный индуктивностью звуковой катушки. АЧХ громкоговорителя линейна между верхней 24 и нижней 26 частотами среза. Если громкоговоритель питать от источника тока, то АЧХ имеет максимум на резонансной частоте 24 и подъем от частоты 25 до максимальной частоты 27. Таким образом, график АЧХ 23 имеет сходный вид с графиком импеданса 21. Вертикальная ось – ось модуля импеданса |Z| звукового давления р, а горизонтальная ось – ось входного напряжения Uвх.
Устройство работает следующим образом.
Входное напряжение Uвх подается на неинвертирующий вход 3 усилителя 1. Головка 6 громкоговорителя 5 и резистор 14 образуют для усилителя 1 цепь отрицательной обратной связи, а усилитель в таком включении является для головки 6 источником тока, т.е. имеет выходное сопротивление, значительно большее максимума модуля импеданса головки 6.
Чтобы АЧХ громкоговорителя имела требуемый вид – была равномерной, а не имела вид 23, сходный с импедансом, параллельно громкоговорителю подключены корректирующие цепи двух видов: режектирующая цепь коррекции 7 и цепь компенсации индуктивности катушки головки громкоговорителя 11. Цепи 7 и 11 тоже входят в цепь обратной связи усилителя 1 вместе с громкоговорителем 5 и резистором 14.
Цепь 7 уменьшает общий импеданс нагрузки усилителя 1 на частоте резонанса 24 (фиг.4) головки громкоговорителя 6 и устраняет выброс АЧХ на этой частоте за счет того, что ее частота режекции и добротность равны частоте резонанса громкоговорителя и добротности этого резонанса. В случае необходимости можно изменять глубину режекции этой цепи и регулировать завал или подъем АЧХ громкоговорителя в районе частоты 24 (фиг.3), меняя соотношение емкости конденсатора 9, индуктивности катушки 10 и сопротивления резистора 8.
Цепь 11 компенсирует рост импеданса головки после частоты 25 (фиг.3) за счет индуктивности катушки громкоговорителя и соответственно подъем АЧХ громкоговорителя 6 выше частоты 25.
Если АЧХ громкоговорителя имеет спад в области высоких частот, его можно компенсировать неполной компенсацией роста импеданса головки после частоты 25 или вообще не используя цепь 11. При этом данное устройство сохраняет свойство устранения термокомпрессии громкоговорителя.
Компенсация подъемов импеданса происходит за счет ответвления суммарного выходного тока усилителя Iвых (фиг.1) в цепи коррекции и компенсации. Суммарный ток Iвых пропорционален входному напряжению Uвх и не зависит от суммарного импеданса громкоговорителя 5 и цепей 7 и 11.
Устройство для устранения термокомпрессии громкоговорителя в случае использования многополосного громкоговорителя (фиг.2) работает следующим образом.
На фиг.6 показан график зависимости модуля импеданса 39 трехполосного громкоговорителя 30 от частоты и его амплитудно-частотная характеристика по звуковому давлению 40 при отсутствии в устройстве цепей 7, 28, 29 и 11 и АЧХ устройства по звуковому давлению при подключенных цепях 7, 28, 29 и 11.
Импеданс 39 громкоговорителя имеет три максимума: на частоте резонанса 42 басового громкоговорителя 33 и на частотах раздела НЧ-СЧ 43 и СЧ-ВЧ 44, а также подъем выше частоты 45, вызванный индуктивностью катушки ВЧ головки 31. АЧХ 30 также имеет три максимума, соответствующих максимумам импеданса на частотах 42, 43 и 44.
Цепь 7 имеет частоту режекции, равную частоте 42, цепь 28 имеет частоту режекции, равную частоте 43, а цепь 29 имеет частоту режекции, равную частоте 44. Цепь 11 устраняет подъем суммарного импеданса и АЧХ выше частоты 45.
Если АЧХ громкоговорителя или отдельной динамической головки имеет локальный выброс на какой-то частоте, то его можно устранить точно такой же цепью режекции, как цепи 7, 28 или 29, настроенной на эту частоту. Таким образом, количество цепей режекции может быть любым и ими можно управлять суммарной АЧХ устройства по звуковому давлению.
Питание громкоговорителя от источника тока позволяет кроме устранения термокомпрессии снизить искажения и улучшить микродинамику звуковоспроизведения.
Данное устройство позволяет использовать громкоговорители с любым количеством полос и динамических головок и обладает свойством защиты усилителя от короткого замыкания в громкоговорителе, так как выходной ток усилителя не зависит от импеданса нагрузки, которой является громкоговоритель, цепь коррекции и режектирующие цепи.
Формула изобретения
1. Устройство для устранения термокомпрессии громкоговорителя, содержащие усилитель мощности, имеющий инвертирующий вход и выход, и громкоговоритель, отличающееся тем, что усилитель имеет инвертирующий вход, а устройство дополнительно содержит режектирующую цепь коррекции, состоящую из последовательно соединенных резистора, конденсатора и катушки, которая соединена параллельно указанному громкоговорителю, цепь компенсации индуктивности катушки головки громкоговорителя, состоящую из последовательно соединенных резистора и конденсатора, также соединенную параллельно указанному громкоговорителю, и резистор обратной связи, соединенный одним выходом с инвертирующим входом указанного усилителя, а вторым с общим проводом, причем громкоговоритель включает в себя динамическую головку, подключенную одним выводом к выходу усилителя, а вторым к инвертирующему входу усилителя, громкоговоритель, режектирующая цепь коррекции, цепь компенсации индуктивности катушки головки громкоговорителя и резистор обратной связи образуют цепь отрицательной обратной связи для усилителя, а усилитель является для динамической головки источником тока.
2. Устройство по п.1, отличающееся тем, что громкоговоритель включает в себя две или более динамические головки и две или более цепи фильтров, причем каждая из указанных головок одним выводом подключена к одной из указанных цепей фильтров, а вторым к инвертирующему входу указанного усилителя.
3. Устройство по п.2, отличающееся тем, что оно дополнительно содержит одну или более режектирующих цепей, настроенных на частоты максимумов модуля импеданса указанного громкоговорителя или на частоты выбросов АЧХ указанного громкоговорителя.
РИСУНКИ
|
|