|
|
(21), (22) Заявка: 2004135512/09, 06.12.2004
(24) Дата начала отсчета срока действия патента:
06.12.2004
(46) Опубликовано: 20.06.2006
(56) Список документов, цитированных в отчете о поиске:
КУЧИНСКИЙ В.Г. и др. Вопросы проектирования подводных лодок. Электроэнергетические системы. Выпуск 12, ФГУП «ЦКБ МТ «Рубин», 2000, с.44-53. RU 2185701 C1, 20.07.2002. RU 2116897 C1, 10.08.1998. SU 1304165 A1, 15.04.1987. US 2001020789, 13.09.2001.
Адрес для переписки:
346410, Ростовская обл., г. Новочеркасск, п/о 10, а/я 23, ул. Дубовского, 15, Филиал ФГУП “ПКП “ИРИС”, Директору А.П. Темиреву
|
(72) Автор(ы):
Апиков Вадим Рубенович (RU), Давыдов Владимир Николаевич (RU), Никифоров Борис Владимирович (RU), Прасолин Алексей Прокопович (RU), Темирев Алексей Петрович (RU), Лозицкий Олег Евгеньевич (RU), Цветков Алексей Александрович (RU), Луговец Владимир Адольфович (RU), Павлюков Валерий Михайлович (RU)
(73) Патентообладатель(и):
Федеральное государственное унитарное предприятие “Центральное конструкторское бюро морской техники “РУБИН” (RU), Федеральное государственное унитарное предприятие “Производственно-конструкторское предприятие “ИРИС” (RU)
|
(54) СИСТЕМА ЭЛЕКТРОДВИЖЕНИЯ
(57) Реферат:
Изобретение относится к системам электроснабжения электродвигателей привода колес, гребных винтов и других исполнительных механизмов передвижных и транспортных средств, а также их бортовых потребителей. Технический результат заключается в уменьшении потерь электроэнергии на преобразование питающего напряжения, снижении шумов, вибраций, повышении массогабаритных показателей электрических машин и снижении ограничений по скорости вращения генераторов в системе электродвижения. Для этого генератор с выпрямителем и инвертором с системой управления на выходе, питающий приводной электродвигатель, снабжен регулируемой системой возбуждения постоянного тока и дополнительными генераторами с отдельными роторами на общем валу и отдельными статорами с обмотками, на выходе которых установлены выпрямители для питания бортовых потребителей. 1 з.п. ф-лы, 2 ил.
Изобретение относится к электротехнике, в частности к системам электроснабжения электродвигателей привода колес, гребных винтов и других исполнительных механизмов передвижных и транспортных средств, а также их бортовых потребителей.
Известны системы электродвижения кораблей, состоящие из электродвигателя постоянного тока или переменного тока (асинхронные и синхронные), привода гребного винта и источника питания – турбогенератора, или дизель-генератора (Богомолов B.C. Гребные электрические установки: теория и эксплуатация. Калининград, 1988).
Двигатели и генераторы постоянного тока имеют невысокий КПД и низкую надежность из-за наличия щеточно-коллекторного узла, требуют больших затрат на обслуживание и ремонт и ограничены по мощности и скорости вращения ротора. Асинхронные двигатели имеют низкие значения коэффициента мощности и КПД и сложны в управлении. Синхронные двигатели могут иметь высокий коэффициент мощности за счет наличия системы возбуждения, но для ее питания требуется дополнительный источник постоянного тока.
Наиболее близкой по технической сущности к заявляемой является система электродвижения, состоящая из вентильного двигателя с возбуждением от постоянных магнитов на роторе и системы питания и управления, содержащей первичный источник питания, преобразователь постоянного напряжения, сглаживающий дроссель, автономный инвертор тока, систему управления с датчиками положения ротора и частоты вращения. В качестве первичного источника питания используются синхронные генераторы с возбуждением от постоянных магнитов на роторе и с выпрямителями, приводимые во вращение турбинами или дизелями, и аккумуляторные батареи, (Кучинский В.Г., Прасолин А.П., Шишкин Д.Ю. Вопросы проектирования подводных лодок. Электроэнергетические системы. Выпуск 12. ФГУП “ЦКБ МТ “Рубин”, 2000, с.44-53). Недостатком такой системы электродвижения является двойное преобразование электроэнергии, получаемой от первичного источника питания, вначале из постоянного напряжения в постоянное регулируемое по величине, а затем преобразование постоянного напряжения посредством инвертора в переменное для питания электродвигателя. Создается также дополнительный шум и вибрации от непрерывно работающего преобразователя постоянного напряжения, что крайне нежелательно для средств передвижения, к которым предъявляются требования акустической скрытности. Использование постоянных магнитов на роторе приводного электродвигателя и генератора для возбуждения магнитного поля приводит к значительному удорожанию их производства и ремонта, к снижению прочности ротора и, как следствие, к ограничению скорости вращения ротора и полезной мощности на его валу.
Задачей настоящего изобретения является уменьшение потерь электроэнергии на преобразование питающего напряжения, а следовательно, упрощение системы охлаждения, устранение дополнительных шумов и вибраций, повышение массогабаритных показателей электрических машин, снижение ограничений по скорости вращения генераторов в системе электродвижения.
Поставленная задача решается тем, что в известной системе электродвижения, состоящей из приводного электродвигателя и системы питания и управления, содержащей генератор переменного тока с выпрямителем и инвертор с системой управления, генератор снабжен регулируемой системой возбуждения постоянного тока и дополнительными генераторами с отдельными роторами на общем валу и отдельными статорами с обмотками, на выходе которых установлены выпрямители для питания бортовых потребителей.
В предлагаемом варианте исполнения системы электродвижения дополнительные генераторы снабжены регулируемыми системами возбуждения постоянного тока.
Положительный эффект этой системы электродвижения состоит в том, что снабжение генератора регулируемой системой возбуждения постоянного тока позволяет регулировать по величине напряжение генератора на выходе выпрямителя путем изменения тока возбуждения полупроводниковым регулятором, мощность которого составляет примерно 2% от мощности генератора. Таким образом из системы электродвижения исключен преобразователь постоянного напряжения мощностью, равной мощности генератора, что примерно вдвое снизило затраты на преобразование напряжения в предлагаемой системе и значительно уменьшило шумы и вибрации. Применение вместо постоянных магнитов регулируемой системы возбуждения постоянного тока с обычными обмотками позволяет разместить ее вместе с обмоткой якоря на статоре, а безобмоточный ротор позволяет значительно повысить скорость вращения и увеличить полезную мощность генератора. Затраты на изготовление и ремонт генератора с обычными обмотками меньше, чем у генератора с постоянными магнитами.
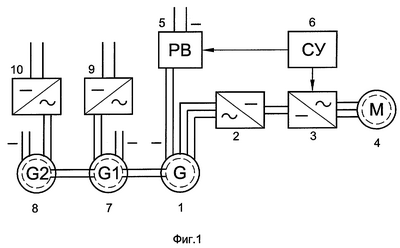
На фиг.1 изображена схема предложенной системы электродвижения плавающего средства.
На фиг.2 изображен вариант схемы предложенной системы электродвижения.
На схемах обозначено: 1 – генератор трехфазного напряжения; 2 – выпрямитель; 3 – инвертор напряжения; 4 – электродвигатель привода гребного винта плавающего средства; 5 – регулятор тока возбуждения генератора; 6 – система управления; 7, 8 – дополнительные генераторы; 9, 10 – выпрямители; 11, 12 – регуляторы токов возбуждения дополнительных генераторов.
В качестве первичного источника питания системы используется трехфазный генератор 1 индукторного типа с обмотками якоря и возбуждения постоянного тока, расположенными на статоре. Генератор 1 приводится во вращение турбиной или дизелем в зависимости от типа корабля. Безобмоточный ротор генератора 1 выполнен из сплошной электротехнической стали заодно с валом, что обеспечивает требуемую механическую прочность при работе с паровыми или газовыми турбинами, вращающимися со скоростями 3000 об/мин и более для достижения больших мощностей. Переменное напряжение обмотки статора генератора 1 поступает на выпрямитель 2 и далее на инвертор напряжения 3, питающий индукторный двигатель 4 импульсами постоянного тока. Обмотка возбуждения генератора 1 питается постоянным током через статический регулятор 5, который изменяет магнитный поток генератора 1 и величину его выходного напряжения, поступающего на вход инвертора 3. Система управления 6 получает информацию от датчиков положения ротора и фазных токов двигателя 4 и по командам с пульта управления в соответствии с заданными алгоритмами работы вырабатывает сигналы управления инвертором 3 и регулятором 5 для изменения скорости и направления вращения ротора двигателя 4 и его мощности. На валу генератора 1 установлены роторы дополнительных однофазных генераторов 7 и 8 индукторного типа, на статорах которых также содержатся обмотки якоря переменного тока и возбуждения постоянного тока. При этом генераторы 7 и 8 через выпрямители 9 и 10 питают бортовые потребители различной мощности. При необходимости регулирования выходных параметров генераторов 7 и 8 их обмотки возбуждения подключаются к постоянному току через дополнительные полупроводниковые регуляторы 11 и 12, которые изменяют магнитный поток генераторов 7 и 8 и величину их выходного напряжения.
Таким образом с помощью регуляторов тока возбуждения осуществляется независимое регулирование величины выходного напряжения каждого генератора, питающего своих потребителей, без использования дополнительных преобразователей напряжения, рассчитанных на полную мощность, что позволяет снизить затраты на создание системы электродвижения и значительно уменьшить шумы и вибрации. Использование электрических машин без обмоток и других активных элементов (постоянных магнитов) на роторе позволяет увеличить прочность ротора, скорость его вращения и мощность генератора.
На основании вышеизложенного и по результатам проведенного нами патентно-информационного поиска считаем, что предлагаемая нами система электродвижения отвечает критериям “Новизна”, “Изобретательский уровень”, “Промышленная применимость” и может быть защищена патентом Российской Федерации.
Формула изобретения
1. Система электродвижения, состоящая из приводного электродвигателя и системы питания и управления, содержащей генератор переменного тока с выпрямителем и инвертор с системой управления, отличающаяся тем, что генератор снабжен регулируемой системой возбуждения постоянного тока и дополнительными генераторами с отдельными роторами на общем валу и отдельными статорами с обмотками, на выходе которых установлены выпрямители для питания бортовых потребителей.
2. Система электродвижения по п.1, отличающаяся тем, что дополнительные генераторы снабжены регулируемыми системами возбуждения постоянного тока.
РИСУНКИ
PC4A – Регистрация договора об уступке патента СССР или патента Российской Федерации на изобретение
Прежний патентообладатель:
Федеральное государственное унитарное предприятие “Центральное конструкторское бюро морской техники “РУБИН”, Федеральное государственное унитарное предприятие “Производственно-конструкторское предприятие “ИРИС”
(73) Патентообладатель:
Закрытое акционерное общество “ИРИС”
Договор № РД0038669 зарегистрирован 18.07.2008
Извещение опубликовано: 27.08.2008 БИ: 24/2008
|
|