|
|
(21), (22) Заявка: 2004126814/09, 06.09.2004
(24) Дата начала отсчета срока действия патента:
06.09.2004
(43) Дата публикации заявки: 20.02.2006
(46) Опубликовано: 20.06.2006
(56) Список документов, цитированных в отчете о поиске:
Справочник по наладке электрооборудования промышленных предприятий. Под ред. ЗИМЕНКОВА М.С. – М.: Энергоатомиздат, 1983, с.237, рис.6.44. RU 2195732 С2, 27.12.2002. RU 2167478 C1, 20.05.2001. SU 974441 A1, 15.11.1982. US 4214290 A, 22.07.1980.
Адрес для переписки:
620017, г.Екатеринбург, Д-17, а/я 696, ООО “Технос”
|
(72) Автор(ы):
Худояров Александр Леонидович (RU), Мурадов Эльхан Шахбаба оглы (RU)
(73) Патентообладатель(и):
Общество с ограниченной ответственностью “Технос” (RU)
|
(54) МОДУЛЬ ОТКЛЮЧЕНИЯ БЫСТРОДЕЙСТВУЮЩЕГО ВЫКЛЮЧАТЕЛЯ
(57) Реферат:
Изобретение относится к электротехнике. Технический результат заключается в повышении быстродействия модуля. Модуль отключения содержит размыкающий контакт, включенный последовательно с удерживающей катушкой быстродействующего выключателя, и конденсатор, параллельно подключенный к размыкающему контакту. Последовательно с размыкающим контактом и конденсатором включен управляемый электронный ключ (УЭК), при поданном напряжении открытый при отсутствии напряжения на размыкающем контакте и закрывающийся при появлении напряжения на размыкающем контакте при его размыкании. 1 з.п. ф-лы, 1 ил.
Изобретение относится к электротехнике, а именно к сильноточным контактным быстродействующим выключателям, имеющим модуль отключения и удерживающимся во включенном положении за счет удерживающего тока.
Такие модули отключения известны, например, из следующих источников: Справочник по наладке электрооборудования промышленных предприятий. Под ред. М.Г.Зименкова, Г.В.Розенберга, Е.М.Феськова. – 3-е изд., перераб. и доп. – М.: Энергоатомиздат, 1983, с.237, рис. 6.44; патент РФ №2195732, 2002 г., кл. Н 01 Н 47/32.
Модуль по патенту №2195732 содержит удерживающую катушку (она же является включающей), зашунтированную диодом, включенным в обратном направлении, и управляемый электронный ключ, соединенный последовательно с катушкой и диодом. Недостатком является большая длительность спадания тока в удерживающей катушке при отключении выключателя за счет наличия диода. Другой недостаток этого модуля состоит в его ненадежности ввиду возможности пробоя электронного ключа.
Наиболее близким аналогом к патентуемому модулю является модуль отключения (Справочник по наладке электрооборудования промышленных предприятий. Под ред. М.Г.Зименкова, Г.В.Розенберга, Е.М.Феськова. – 3-е изд., перераб. и доп. – М.: Энергоатомиздат, 1983, с.237, рис. 6.44).
Этот модуль отключения содержит размыкающий контакт, включенный последовательно с удерживающей катушкой быстродействующего выключателя, и конденсатор, параллельно подключенный к размыкающему контакту.
Скорость спадания тока в данном устройстве зависит от скорости восстановления напряжения на размыкающем контакте. Скорость спадания тока для механического контакта относительно невелика.
Задача, на которую направлено изобретение, состоит в создании унифицированного устройства, обеспечивающего быстрое отключение серии выключателей, удерживающихся во включенном положении за счет тока в удерживающей катушке, и отключающихся при прерывании этого тока.
Технический результат, который обеспечивается изобретением, состоит в ускорении спадания тока в удерживающей катушке, и, в итоге, повышении быстродействия выключателя.
Это достигается тем, что по п.1 формулы изобретения последовательно с размыкающим контактом и конденсатором включен управляемый электронный ключ, при поданном напряжении питания открытый при отсутствии напряжения на размыкающем контакте и закрывающийся при появлении напряжения на размыкающем контакте при его размыкании.
При таком выполнении повышается быстродействие модуля отключения за счет ускорения спадания тока в удерживающей катушке, поскольку скорость восстановления напряжения на управляемом электронном ключе значительно выше, чем при размыкании цепи только размыкающим контактом.
Дополнительным преимуществом патентуемого модуля является повышенная надежность, так как при пробое управляемого электронного ключа размыкающий контакт обеспечит размыкание цепи удерживающей катушки.
Конкретное выполнение модуля отключения представлено в п.2 формулы изобретения, а именно: Модуль отключения быстродействующего выключателя по п.1, отличающийся тем, что управляемый электронный ключ выполнен на транзисторе, первый выходной вывод которого соединен с вторыми выводами размыкающего контакта и конденсатора, второй выходной вывод соединен с минусом источника питания, с входным выводом управляемого электронного ключа соединены первые выводы первого и второго резисторов, образующих делитель напряжения для обеспечения открытого состояния управляемого электронного ключа, второй вывод первого резистора соединен с минусом источника питания, а второй вывод второго резистора соединен с плюсом источника питания, при этом для запирания управляемого электронного ключа при появлении напряжения на размыкающем контакте служит дополнительный транзистор, первый выходной вывод которого соединен с входным выводом управляемого электронного ключа, а второй выходной вывод соединен с минусом источника питания, входной вывод дополнительного транзистора через третий резистор соединен с первыми выводами размыкающего контакта и конденсатора, причем удерживающая катушка первым выводом подключена к плюсу источника питания, а вторым выводом подключена к первым выводам размыкающего контакта и конденсатора.
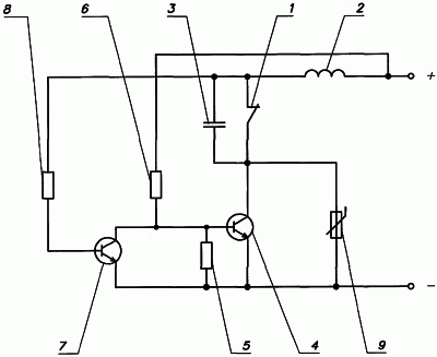
Изобретение поясняется примером выполнения, где на чертеже показана электрическая схема патентуемого модуля отключения быстродействующего выключателя.
Модуль отключения быстродействующего выключателя содержит размыкающий контакт 1, включенный последовательно с удерживающей катушкой 2 быстродействующего выключателя, конденсатор 3, параллельно подключенный к размыкающему контакту 1, и управляемый электронный ключ 4, включенный последовательно с размыкающим контактом 1 и конденсатором 3.
Удерживающая катушка 2 первым выводом подключена к плюсу (+) источника питания, а вторым выводом подключена к первым выводам размыкающего контакта 1 и конденсатора 3.
Управляемый электронный ключ 4 выполнен на транзисторе, первый выходной вывод которого соединен с вторыми выводами размыкающего контакта и конденсатора, а второй выходной вывод соединен с минусом (-) источника питания. С входным выводом управляемого электронного ключа 4 соединены первые выводы резисторов 5 и 6, образующие делитель напряжения для обеспечения открытого состояния управляемого электронного ключа 4. Второй вывод резистора 5 соединен с минусом (-) источника питания, а второй вывод резистора 6 соединен с плюсом (+) источника питания.
Для запирания управляемого электронного ключа 4 при появлении напряжения на размыкающем контакте служит транзистор 7, первый выходной вывод которого соединен с входным выводом управляемого электронного ключа 4, а второй выходной вывод соединен с минусом (-) источника питания. Входной вывод транзистора 7 через резистор 8 соединен с первыми выводами размыкающего контакта и конденсатора. Для ограничения перенапряжений на управляемом электронном ключе 4 между его выходными выводами подключен варистор 9.
Модуль отключения работает следующим образом.
При подаче напряжения от источника питания протекает ток через резисторы 5 и 6. На первом выводе резистора 5 появляется напряжение, за счет которого открывается электронный ключ 4. Ток также начинает протекать по цепи: удерживающая катушка 2 – размыкающий контакт 1 – управляемый электронный ключ 4. При этом напряжение на первых выводах размыкающего контакта и конденсатора отсутствует, поэтому транзистор 7 закрыт. В этом режиме по удерживающей катушке 2 протекает удерживающий ток.
При размыкании размыкающего контакта 1 на первых выводах размыкающего контакта 1 и конденсатора 3 восстанавливается напряжение, которое открывает транзистор 7. Транзистор 7 шунтирует резистор 5, что приводит к значительному снижению напряжения на первом выводе резистора 5 и к закрыванию управляемого электронного ключа 4. При этом ток в цепи: удерживающая катушка 2 – размыкающий контакт 1 – управляемый электронный ключ 4 спадает значительно быстрей, чем при размыкании цепи только размыкающим контактом, как в прототипе.
Таким образом, разработан модуль отключения быстродействующего выключателя, обеспечивающий повышенное быстродействие при отключении выключателя.
Формула изобретения
1. Модуль отключения быстродействующего выключателя, содержащий размыкающий контакт, включенный последовательно с удерживающей катушкой быстродействующего выключателя, и конденсатор, параллельно подключенный к размыкающему контакту, отличающийся тем, что последовательно с размыкающим контактом и конденсатором включен управляемый электронный ключ, при поданном напряжении питания открытый при отсутствии напряжения на размыкающем контакте и закрывающийся при появлении напряжения на размыкающем контакте при его размыкании.
2. Модуль отключения быстродействующего выключателя по п.1, отличающийся тем, что управляемый электронный ключ выполнен на транзисторе, первый выходной вывод которого соединен с вторыми выводами размыкающего контакта и конденсатора, второй выходной вывод соединен с минусом источника питания, с входным выводом управляемого электронного ключа соединены первые выводы первого и второго резисторов, образующих делитель напряжения для обеспечения открытого состояния управляемого электронного ключа, второй вывод первого резистора соединен с минусом источника питания, а второй вывод второго резистора соединен с плюсом источника питания, при этом для запирания управляемого электронного ключа при появлении напряжения на размыкающем контакте служит дополнительный резистор, первый выходной вывод которого соединен с входным выводом управляемого электронного ключа, а второй выходной вывод соединен с минусом источника питания, входной вывод дополнительного транзистора через третий резистор соединен с первыми выводами размыкающего контакта и конденсатора, причем удерживающая катушка первым выводом подключена к плюсу источника питания, а вторым выводом подключена к первым выводам размыкающего контакта и конденсатора.
РИСУНКИ
|
|