|
|
(21), (22) Заявка: 2004131794/11, 01.11.2004
(24) Дата начала отсчета срока действия патента:
01.11.2004
(46) Опубликовано: 20.06.2006
(56) Список документов, цитированных в отчете о поиске:
RU 2239575 С1, 10.11.2004. JP 2001213323, 07.08.2001. RU 2231826 С1, 27.06.2004. RU 2238592 С1, 20.10.2004. RU 2237293 С2, 27.09.2004. RU 10918 U1, 16.08.1999.
Адрес для переписки:
620034, г.Екатеринбург, ул. Колмогорова, 66, УрГУПС, ОНТИ, Л.Б. Никулиной
|
(72) Автор(ы):
Савельев Евгений Олегович (RU)
(73) Патентообладатель(и):
Уральский государственный университет путей сообщения (УрГУПС) (RU)
|
(54) ПЯТИЗНАЧНЫЙ СВЕТОДИОДНЫЙ СВЕТОФОР
(57) Реферат:
Изобретение относится к регулирующим устройствам, устанавливаемым вдоль маршрута следования составов или локомотивов, а именно к светофорам, выполняющим функции индикатора, разрешающего или запрещающего движение поездов по участку пути. В устройстве имеются три светодиодные цепи, в частности зеленого, синего и красного цвета. Светодиодные цепи с помощью контактов трех сигнальных реле могут подключаться к источнику электропитания индивидуально и последовательно. Предусмотрена также возможность попарно-последовательного подключения. В результате в одной конструктивно законченной светодиодной матрице имеют место зеленое, синее, красное, а при определенном суммировании спектров излучения – желтое и белое свечения. Изобретение позволяет уменьшить стоимость светофора и снизить эксплуатационные расходы. 1 ил.
Изобретение относится к регулирующим или предупреждающим устройствам, устанавливаемым вдоль маршрута следования локомотивов или составов, а именно к светофорам, осуществляющим регулирование движением поездов.
Известны светофоры железнодорожного транспорта, в которых в качестве излучающего элемента используются однонитевые лампы накаливания, а показания светофора изменяются посредством переключения в схеме контактами зеленого и желтого сигнальных реле (Системы железнодорожной автоматики и телемеханики: Учебник для вузов /Ю.А.Кравцов, В.Л.Нестеров и др. Под ред. Ю.А.Кравцова. – М.: Транспорт, 1996. – С. 68, рис.4.1). Их недостатком является невысокая надежность работы, что обусловлено довольно частым перегоранием ламп накаливания.
Наиболее близким к предлагаемому является трехзначный светодиодный светофор (RU 2239575, МПК7 B 61 L 5/18, G 08 G 1/095, Н 05 В 37/00. Трехзначный светодиодный светофор /Б.С.Сергеев, Е.О.Савельев. Опубл. 10.11.2004. Бюл. №31.), включающий источник электропитания, контакты двух сигнальных реле, первую светодиодную цепь, состоящую из соединения согласно включенных светодиодов первого цвета и вторую светодиодную цепь, состоящую из соединения согласно включенных светодиодов второго цвета. Для снижения стоимости используются светодиоды различного цвета излучения, а требуемый результирующий цвет излучения, определяющий соответствующее показание светофора, реализуется переключением контактов сигнальных реле. Недостатком этого устройства является отсутствие возможности управления более чем тремя показаниями (красным, зеленым, желтым), следовательно, для белого и синего показаний необходимо иметь отдельные оптические светоизлучающие комплекты, что увеличивает стоимость и повышает эксплуатационные расходы на его обслуживание.
Целью изобретения является уменьшение стоимости и снижение эксплуатационных расходов на его обслуживание.
Указанная цель достигается тем, что в схему дополнительно включают контакты сигнального реле и светодиодную цепь, а пути для протекания электрического тока через светодиодные цепи, вызывающего их свечение, осуществляют при помощи соответствующего включения контактов тройников сигнальных реле.
Сущность изобретения заключается в том, что в схему дополнительно введены третье сигнальное реле и третья светодиодная цепь, состоящая из соединения согласно включенных светодиодов красного цвета, при этом входной вывод светодиодной цепи зеленого цвета подключен к фронтовому контакту первого сигнального реле, выходной вывод которой соединен с тыловым контактом первого сигнального реле и с общим контактом второго сигнального реле, при этом фронтовой контакт второго сигнального реле подключен ко входному выводу второй светодиодной цепи синего цвета, выходной вывод соединен с тыловым контактом второго сигнального реле и с общим контактом третьего сигнального реле, а фронтовой контакт третьего сигнального реле подключен ко входному выводу третьей светодиодной цепи красного цвета, выходной вывод которой соединен с тыловым контактом третьего сигнального реле и с другим полюсом источника электропитания.
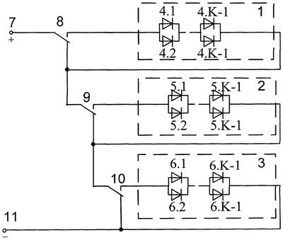
На фигуре представлена схема устройства пятизначного светодиодного светофора.
Устройство содержит первую 1, вторую 2 и третью 3 светодиодные цепи, каждая из которых состоит из соединения светодиодов 4.1,…4.К, 5.1,…5.К, 6.1,…6.К. соответственно зеленого, синего и красного цветов излучения. Общий контакт первого сигнального реле 8 соединен с одним из полюсов источника электропитания 7. Входной вывод первой светодиодной цепи зеленого цвета 1 подключен к фронтовому контакту первого сигнального реле 8, выходной вывод первой светодиодной цепи зеленого цвета 1 соединен с тыловым контактом первого сигнального реле 8 и с общим контактом второго сигнального реле 9. Фронтовой контакт второго сигнального реле 9 подключен ко входному выводу второй светодиодной цепи синего цвета 2, выходной вывод которой соединен с тыловым контактом второго сигнального реле 9 и с общим контактом третьего сигнального реле 10. Фронтовой контакт третьего сигнального реле 10 подключен к входному выводу третьей светодиодной цепи красного цвета 3, выход которой соединен с тыловым контактом третьего сигнального реле 10 и с другим полюсом источника электропитания 11.
Пятизначный светодиодный светофор работает следующим образом.
При замыкании общего и фронтового контактов первого сигнального реле 8 при выключенном состоянии второго 9 и третьего 10 сигнальных реле к первой светодиодной цепи 1 подключаются полюса 7 и 11 источника электропитания. Через светодиоды 4.1,…4.К начинает протекать ток, вызывающий их свечение, то есть при подаче электропитания на первую светодиодную цепь 1 предлагаемое устройство имеет зеленое показание.
При замыкании общего и фронтового контактов второго сигнального реле 9 при выключенном состоянии первого 8 и третьего 10 сигнальных реле ко второй светодиодной цепи 2 подключаются полюса 7 и 11 источника электропитания. Через светодиоды 5.1,…5.К начинает протекать ток, вызывающий их свечение, то есть при подаче напряжения на вторую светодиодную цепь 2 предлагаемое устройство имеет синее показание.
При замыкании общего и фронтового контактов третьего сигнального реле 10 при выключенном состоянии первого 8 и второго 9 сигнальных реле к третьей светодиодной цепи 3 подключаются полюса 7 и 11 источника электропитания. Через светодиоды 6.1,…6. К начинает протекать ток, вызывающий их свечение, то есть при подаче напряжения на третью светодиодную цепь 3 предлагаемое устройство имеет красное показание.
Если первое 8 и третье 10 сигнальные реле находятся во включенном состоянии, а второе сигнальное реле 9 – в выключенном, то через общий и фронтовой контакты 8 первого сигнального реле и через общий и фронтовой контакты 10 третьего сигнального реле источник электропитания подключается к первой 1 и к третьей 3 светодиодным цепям. Через светодиоды 4.1,…4.К и через светодиоды 6.1,…6.К начинает протекать ток, вызывая их совместное, соответственно, зеленое и красное свечение. Суммирование спектров их излучения в одной конструктивно законченной светодиодной матрице определяет желтое свечение светодиодов, что дает желтое показание предлагаемого устройства.
Если первое 8 и третье 10 и второе 9 сигнальные реле находятся во включенном состоянии, то через общий и фронтовой контакты 8 первого сигнального реле, через общий и фронтовой контакты 9 второго сигнального реле, через общий и фронтовой контакты 10 третьего сигнального реле, источник электропитания подключается к первой 1, второй 2 и третьей 3 светодиодным цепям. Через светодиоды 4.1,…4.К, 5.1,…5.К, 6.1,…6.К одновременно начинает протекать ток, вызывая их совместное, соответственно, зеленое, синее и красное свечение. Суммирование спектров их излучения в одной конструктивно законченной светодиодной матрице определяет белое свечение светодиодов, что дает белое показание предлагаемого устройства.
Величины токов через светодиоды ограничиваются внутренним активным и реактивным сопротивлениями источника электропитания и суммой дифференциальных сопротивлений светодиодов в светодиодных цепях. При этом источник электропитания может быть реализован в виде источника стабилизированного тока, величина которого не зависит от величины нагрузки, что обуславливает постоянную величину тока при подключении любого количества светодиодов в светодиодных цепях.
Следовательно, использование предлагаемого устройства позволяет иметь конструктивно лишь одну головку для пяти показаний светофора. Это определяет возможность снижения стоимости светофора, упрощения его эксплуатации и снижения эксплуатационных расходов.
Формула изобретения
Пятизначный светодиодный светофор, содержащий источник электропитания, контакты двух сигнальных реле, первую светодиодную цепь, состоящую из соединения согласно включенных светодиодов зеленого цвета, и вторую светодиодную цепь, состоящую из соединения согласно включенных светодиодов синего цвета, а общий контакт первого сигнального реле соединен с одним из полюсов источника электропитания, отличающийся тем, что в схему дополнительно введены третье сигнальное реле и третья светодиодная цепь, состоящая из соединения согласно включенных светодиодов красного цвета, при этом входной вывод первой светодиодной цепи зеленого цвета подключен к фронтовому контакту первого сигнального реле, а ее выходной вывод соединен с тыловым контактом первого сигнального реле и с общим контактом второго сигнального реле, фронтовой контакт второго сигнального реле подключен к входному выводу второй светодиодной цепи синего цвета, выходной вывод которой соединен с тыловым контактом второго сигнального реле и с общим контактом третьего сигнального реле, а фронтовой контакт третьего сигнального реле подключен к входному выводу третьей светодиодной цепи красного цвета, выходной вывод которой соединен с тыловым контактом третьего сигнального реле и с другим полюсом источника электропитания.
РИСУНКИ
|
|