|
|
(21), (22) Заявка: 2004130522/11, 18.10.2004
(24) Дата начала отсчета срока действия патента:
18.10.2004
(43) Дата публикации заявки: 27.03.2006
(46) Опубликовано: 20.06.2006
(56) Список документов, цитированных в отчете о поиске:
RU 2231826 C1, 27.06.2004. RU 2238592 C1, 20.10.2004. RU 2237293 С2, 27.09.2004. RU 10918 U1, 16.08.1999.
Адрес для переписки:
620034, г.Екатеринбург, ул. Колмогорова, 66, УрГУПС, ОНТИ, Л.Б. Никулиной
|
(72) Автор(ы):
Савельев Евгений Олегович (RU)
(73) Патентообладатель(и):
Уральский государственный университет путей сообщения (УрГУПС) (RU)
|
(54) ПЯТИЗНАЧНЫЙ СВЕТОДИОДНЫЙ СВЕТОФОР
(57) Реферат:
Изобретение относится к регулирующим или предупреждающим устройствам, устанавливаемым вдоль маршрута следования локомотивов или составов и осуществляющим регулирование движением поездов. Для создания пяти цветов излучения светофора используется один источник переменного напряжения. Формирование пути для протекания электрического тока через светодиодные цепи осуществляется при помощи выпрямительных диодов и соответствующего включения контактов тройников сигнальных реле. По сравнению с известными светофорами дополнительно введены контактные группы первого, второго и третьего сигнальных реле, две светодиодные цепи и три выпрямительных диода. В устройстве исключаются потери мощности из-за отсутствия активных резисторов и одновременно с этим имеется возможность исполнения светофора с пятью показаниями – зеленого, красного, синего, желтого и белого в одном оптическом светоизлучающем комплекте, вместо пяти, как это имеет место в существующих линзовых комплектах. Управление показаниями светофора осуществляется при помощи только двух проводников от схемы управления. Изобретение позволяет снизить стоимость светофора и уменьшить эксплуатационные расходы на его обслуживание. 1 ил.
Изобретение относится к регулирующим или предупреждающим устройствам, устанавливаемым вдоль маршрута следования локомотивов или составов, а именно к светофорам, осуществляющим регулирование движением поездов.
Известны светофоры (Системы железнодорожной автоматики и телемеханики: Учебное пособие для вузов /Ю.А.Кравцов, В.Л.Нестеров, Г.Ф.Лекута и др.; Под ред. Ю.А.Кравцова. – М.: Транспорт, 1996. -С. 68, рис.4.1), в которых в качестве излучающего элемента используются лампы накаливания, подключаемые к источникам электропитания через контакты соответствующих сигнальных реле. Недостатком подобных устройств является невысокая надежность работы, обусловленная довольно частым перегоранием нитей ламп накаливания.
Известны также трехзначные светодиодные светофоры (Заявка №2002216988. Трехзначный светодиодный светофор /Б.С.Сергеев, Е.О.Савельев, МПК 7 B 61 L 23/00. Приоритет 09.10.02), у которых для снижения стоимости используются светодиоды различного цвета излучения, а требуемый результирующий цвет излучения, определяющий соответствующее показание светофора, реализуется переключением контактов сигнальных реле. Недостатком этих устройств является невысокая энергетическая эффективность, обусловленная наличием активных резисторов, рассеивающих бесполезную мощность потерь.
Более высокой энергетической эффективностью обладают светодиодные светофоры, у которых потери мощности, вызванные наличием активных резисторов, исключены (RU 2207745, МПК7 Н 05 В 37/00, B 61 L 5/18. Светодиодный светофор /Б.С.Сергеев, С.А.Щиголев, В.В.Наговицын. – Опубл. 27.06.2003. Бюл. №18), а электропитание светодиодных цепей осуществляется путем накопления энергии в индуктивных элементах и ее последующей передачи на светодиоды.
Недостатками этих устройств являются сложность и высокая стоимость, что обусловлено необходимостью применения трансформаторов и генераторов импульсов.
Наиболее близким по технической сущности к предлагаемому является светофор, в котором активные потери мощности также отсутствуют, а в качестве ограничивающего элемента, задающего требуемые нормы тока, протекающего через светодиодные цепи, используется конденсатор переменного напряжения (RU 2231826, МПК 7 G 08 G 1/095. Светодиодный светофор /Е.О.Савельев, Б.С.Сергеев. – Опубл. 27.06.2004. Бюл. №18). Недостатком этого устройства является его высокая стоимость. Это обусловлено тем, что для каждого из показаний светофора (красный, зеленый, синий, белый или желтый) необходимо иметь отдельный оптический светоизлучающий комплект.
Целью изобретения является улучшение экономических показателей светофора, то есть уменьшение стоимости и снижение эксплуатационных расходов на его обслуживание.
Указанная цель достигается тем, что для создания пяти цветов излучения светофора используется один источник переменного напряжения, а формирование пути для протекания электрического тока через светодиодные цепи осуществляется при помощи выпрямительных диодов и соответствующего включения контактов тройников сигнальных реле.
Сущность изобретения заключается в том, что дополнительно введены контактные группы второго и третьего сигнальных реле, вторая и третья светодиодные цепи и три выпрямительных диода, при этом второй входной вывод диодного моста через конденсатор подключен к другому полюсу источника переменного напряжения, а один из его выходных выводов соединен с общим контактом первого сигнального реле, в цепь фронтового контакта первого сигнального реле включена первая светодиодная цепь, тыловой контакт первого сигнального реле подключен к общему контакту второго сигнального реле, к цепи фронтового контакта второго сигнального реле параллельно присоединены вторая светодиодная цепь и через первый выпрямительный диод – общий контакт первого тройника третьего сигнального реле, фронтовой контакт первого тройника третьего сигнального реле подключен к фронтовому контакту второго тройника третьего сигнального реле, через второй выпрямительный диод – к фронтовому контакту первого сигнального реле, через третий выпрямительный диод к тыловому контакту второго тройника третьего сигнального реле, к которому также подключена третья светодиодная цепь, общий контакт второго тройника третьего сигнального реле присоединен к тыловому контакту второго сигнального реле, а к другому выходу диодного моста подключены выходные выводы светодиодных цепей, первая из которых выполнена зеленого цвета, вторая – синего цвета, а третья – красного цвета.
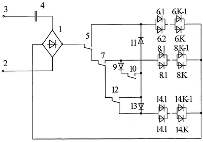
На чертеже представлена схема пятизначного светодиодного светофора. Устройство содержит диодный мост 1, первый входной вывод подключен к полюсу 2 источника переменного напряжения, другой полюс 3 которого через конденсатор 4 соединен со вторым входным выводом диодного моста 1. Один из его выходных выводов соединен с общим контактом первого сигнального реле 5, в цепь его фронтового контакта последовательно включена первая светодиодная цепь зеленого цвета 6.1,…6.К, его тыловой контакт подключен к общему контакту второго сигнального реле 7. К цепи фронтового контакта сигнального реле 7 параллельно присоединены вторая светодиодная цепь синего цвета 8.1,…8.К и через первый выпрямительный диод 9 – общий контакт первого тройника третьего сигнального реле 10. Фронтовой контакт первого тройника третьего сигнального реле 10 подключен через второй выпрямительный диод 11 к фронтовому контакту первого сигнального реле 5, к фронтовому контакту второго тройника третьего сигнального реле 12 и через третий выпрямительный диод 13 – к тыловому контакту сигнального реле 12. К тыловому контакту сигнального реле 12 также подключена третья светодиодная цепь красного цвета 14.1,…14.К. Тыловой контакт второго сигнального реле 7 соединен с общим контактом сигнального реле 12.
Выходы светодиодных цепей 6.1…6.К, 8.1…8.K, 14.1…14.K подключены к другому выходу диодного моста 1.
Пятизначный светодиодный светофор работает следующим образом.
Для зеленого показания светофора необходимо, чтобы сигнальное реле 5 было включено. При замыкании его фронтового контакта от полюсов 3 и 2 на схему подается переменное напряжение. Конденсатор 4 обладает реактивным сопротивлением, которое ограничивает величину переменного тока, протекающего во входной цепи диодного моста 1, и в соответствии с этим формирует величину тока через светодиоды 6.1,…6.К, что определяет излучение светодиодов зеленого цвета.
Для синего показания светофора необходимо, чтобы сигнальные реле 5 и 10, 12 были выключены, а сигнальное реле 7 включено. При замыкании фронтового контакта реле 7 от полюсов 3 и 2 на схему подается переменное напряжение. Конденсатор 4 обладает реактивным сопротивлением, которое ограничивает величину переменного тока, протекающего во входной цепи диодного моста 1, и в соответствии с этим формирует величину тока через светодиоды 8.1,…8.К, что определяет излучение светодиодов синего цвета.
Когда первое 5 и второе 7 и третье 12, 10 сигнальные реле находятся в выключенном состоянии, то через последовательное соединение их тыловых и общих контактов аналогичным образом через светодиоды 14.1,…14.К начинает протекать ток, определяющий красное излучение этих светодиодов.
Когда первое 5 и второе 7 сигнальные реле находятся в выключенном состоянии, а третье сигнальное реле 12, 10 – во включенном, то электрический ток будет одновременно протекать через второй выпрямительный диод 11, светодиоды 6.1,…6.К, определяющие зеленое излучение этих светодиодов, и через третий выпрямительный диод 13, светодиоды 14.1,…14.K, определяющие красное излучение, что обуславливает метамерный желтый цвет результирующего излучения светодиодов.
Когда первое 5 сигнальное реле находится в выключенном состоянии, а второе 7 и третье 12, 10 сигнальные реле – во включенном, то электрический ток будет одновременно протекать через светодиоды 8.1,…8.K, определяющие их синее излучение, через первый выпрямительный диод 9 и через второй выпрямительный диод 11 и светодиоды 6.1,…6.К, определяющие их зеленое излучение, и через третий выпрямительный диод 13, светодиоды 14.1,…14.K, определяющие красное излучение этих светодиодов, что обуславливает метамерный белый цвет результирующего излучения светодиодов.
Спектральный состав метамерных желтого и белого цветов, цветовой температуры, может регулироваться включением в светодиодные цепи светодиодов с цветами, отличными от основных (синий, красный, зеленый).
Требуемая сила света определяется величиной протекающего через конденсатор и светодиодные цепи тока и при заданном напряжении источника переменного напряжения может регулироваться величиной емкости конденсатора 4.
Таким образом, в предлагаемом устройстве сохраняется возможность исключения потерь мощности из-за отсутствия активных резисторов и одновременно с этим сохраняется возможность исполнения светофора с пятью показаниями – зеленого, красного, синего, желтого и белого в одном оптическом светоизлучающем комплекте, вместо пяти, как это имеет место в существующих линзовых комплектах. Кроме того, управление показаниями светофора осуществляется при помощи только двух проводников от схемы управления до предлагаемого устройства. Это снижает стоимость светофора и уменьшает эксплуатационные расходы на его обслуживание.
Формула изобретения
Пятизначный светодиодный светофор, содержащий источник переменного напряжения, конденсатор, первую светодиодную цепь, диодный мост, первый из входных выводов которого соединен с одним из полюсов источника переменного напряжения, контактную группу первого сигнального реле, отличающийся тем, что дополнительно введены контактные группы второго и третьего сигнальных реле, вторая и третья светодиодные цепи и три выпрямительных диода, при этом второй входной вывод диодного моста через конденсатор подключен к другому полюсу источника переменного напряжения, а один из его выходных выводов соединен с общим контактом первого сигнального реле, в цепь фронтового контакта первого сигнального реле включена первая светодиодная цепь, тыловой контакт первого сигнального реле подключен к общему контакту второго сигнального реле, к цепи фронтового контакта второго сигнального реле параллельно присоединены вторая светодиодная цепь и через первый выпрямительный диод – общий контакт первого тройника третьего сигнального реле, фронтовой контакт первого тройника третьего сигнального реле подключен к фронтовому контакту второго тройника третьего сигнального реле, через второй выпрямительный диод – к фронтовому контакту первого сигнального реле, через третий выпрямительный диод к тыловому контакту второго тройника третьего сигнального реле, к которому также подключена третья светодиодная цепь, общий контакт второго тройника третьего сигнального реле присоединен к тыловому контакту второго сигнального реле, а к другому выходу диодного моста подключены выходные выводы светодиодных цепей, первая из которых выполнена зеленого цвета, вторая – синего цвета, а третья – красного цвета.
РИСУНКИ
|
|