|
(21), (22) Заявка: 2004132117/09, 03.11.2004
(24) Дата начала отсчета срока действия патента:
03.11.2004
(46) Опубликовано: 20.06.2006
(56) Список документов, цитированных в отчете о поиске:
SU 546918 A1, 15.02.1977. SU 461432 A1, 25.02.1975. SU 1711212 A1, 07.02.1992. WO 98/43403 A1, 01.10.1998. US 5937036 A, 10.08.1999.
Адрес для переписки:
196128, Санкт-Петербург, ул. Варшавская, 50, ФГУП ЦМКБ “Алмаз”
|
(72) Автор(ы):
Богачев Леонид Алексеевич (RU), Гончаров Александр Васильевич (RU), Иванова Анна Александровна (RU), Иофа Евгений Саулович (RU), Кузмин Алексей Николаевич (RU), Новосельский Борис Наумович (RU), Орлова Елена Константиновна (RU), Сиротин Борис Георгиевич (RU), Талуц Валентина Васильевна (RU), Фролков Юрий Михайлович (RU)
(73) Патентообладатель(и):
Федеральное государственное унитарное предприятие “Центральное морское конструкторское бюро “Алмаз” (RU)
|
(54) УСТРОЙСТВО ДЛЯ СИГНАЛИЗАЦИИ НЕИСПРАВНОСТИ КОНТРОЛИРУЕМОГО ОБЪЕКТА
(57) Реферат:
Изобретение относится к области регулирования и контроля, в частности к устройствам контроля и сигнализации о неисправности контролируемого объекта. Технический результат – повышение надежности сигнализации о неисправности контролируемого объекта. Результат достигается за счет введения в каждом канале контроля объекта модуля автоматического контроля исправности датчика, выполненного определенным образом. 1 ил.
Изобретение относится к устройствам контроля состояния объекта.
Известно устройство контроля состояния объекта по а.с. 461432, содержащее в каждом канале контактные датчики, подключенные к индивидуальным и общему сигнальным блокам.
Известно также устройство для сигнализации о неисправности контролируемого объекта по а.с. 546918 (прототип), содержащее в каждом канале последовательно соединенные контактный датчик, диод и обмотку электромагнитного реле, первые размыкающие контакты которого включены в цепь сигнального элемента, развязывающий диод, вторые выводы обмоток электромагнитных реле и аноды развязывающих диодов всех каналов соответственно объединены, выходное электромагнитное реле, размыкающий контакт которого включен в цепь звукового сигнализатора последовательно с включенными параллельно между собой вторыми размыкающими контактами электромагнитных реле каждого канала, обмотка выходного электромагнитного реле включена в цепь питания через кнопку квитирования, кнопку контроля, при этом обмотка выходного электромагнитного реле подключена к источнику питания через последовательно соединенные диод, замыкающие контакты электромагнитных реле каждого канала, параллельно которым включены последовательно соединенные диод и контактный датчик, вторые выводы электромагнитных реле подключены к шине питания через кнопку контроля.
В более общем виде устройство по а.с. 546918 представляет собой устройство для сигнализации о неисправности контролируемого объекта, содержащее в каждом канале последовательно соединенные датчик и блок сигнализации, подключенный к первому выходу блока световой сигнализатор неисправности объекта, подключенный к второму выходу блока звуковой сигнализатор и подключенную к второму входу блока кнопку квитирования, причем звуковой сигнализатор подключен к выходам блоков сигнализации всех каналов через логический элемент ИЛИ, а выходы световых сигнализаторов неисправности блоков всех каналов подключены к световому сигнализатору исправности объекта через инверсные входы суммирующего логического элемента И, при этом блок сигнализации содержит входное запоминающее устройство, к входу записи которого подключен выход датчика, подключенное выходом через логический элемент ИЛИ параллельно к прямым входам логических элементов И звуковой и световой сигнализации, выход элемента И световой сигнализации подключен через элемент формирования прерывистого сигнала и логический элемент ИЛИ к световому сигнализатору неисправности, к другому входу этого элемента ИЛИ через логический элемент И квитирования сигнала подключен выход датчика, а кнопка квитирования подключена в блоке к входу записи дополнительного запоминающего устройства и через логический элемент ИЛИ параллельно с выходом дополнительного запоминающего устройства эта кнопка подключена к входу сброса входного запоминающего устройства, к прямому входу элемента И квитирования и к инверсным входам элементов И световой и звуковой сигнализации, причем к инверсному входу сброса дополнительного запоминающего устройства подключен выход датчика.
Недостатком устройства по а.с. 546918 является отсутствие автоматического контроля исправности датчиков в процессе эксплуатации устройства.
Датчики, входящие в состав устройства сигнализации и контролирующие состояние объекта, обычно устанавливаются в наиболее труднодоступных зонах объекта и являются наиболее уязвимыми элементами устройства. Отсутствие автоматического контроля исправности датчиков существенно снижает надежность устройства. При этом автоматический контроль исправности датчиков должен быть выполнен таким образом, чтобы у обслуживающего персонала не могло возникнуть ложного впечатления о срабатывании датчиков каналов, а также должен учитывать различные постоянные времени датчиков, контролирующих один и тот же объект (например, при сигнализации о возникновении пожара могут быть одновременно использованы датчики температуры, пламени, дыма, концентрации газов и др., имеющие значительно отличающиеся инерционности срабатывания при контроле их исправности).
Цель изобретения – повышение надежности контроля исправности объекта.
Для этого устройство для сигнализации о неисправности контролируемого объекта в каждом канале содержит модуль автоматического контроля исправности датчика, состоящий из последовательно соединенных входного запоминающего устройства, логического элемента И и выходного запоминающего устройства, а также включающий в себя устройство задержки времени на выходе, подключенное входом к выходу входного запоминающего устройства, выходом подключенное последовательно через дополнительный логический элемент И и дополнительное запоминающее устройство к световому сигнализатору неисправности датчика, при этом выход входного запоминающего устройства подключен также к инверсному входу блокировочного логического элемента И, подключенного вторым прямым входом к выходу датчика и выходом – к входу записи входного запоминающего устройства блока сигнализации, а через логический элемент ИЛИ параллельно с кнопкой ручного включения контроля выход входного запоминающего устройства модуля автоматического контроля подключен к входу контроля датчика, выход выходного запоминающего устройства подключен к световому сигнализатору исправности датчика, а через логический элемент ИЛИ параллельно с выходом дополнительного запоминающего устройства подключен к входу сброса входного запоминающего устройства, при этом в модуле автоматического контроля командный канал автоматического контроля подключен к входу записи входного запоминающего устройства и к инверсному входу сброса выходного запоминающего устройства, к второму, прямому, входу первого элемента И и к второму, инверсному, входу дополнительного элемента И подключен выход датчика, вход сброса дополнительного запоминающего устройства подключен к кнопке квитирования, а выход дополнительного запоминающего устройства подключен в блоке сигнализации к выходу элемента ИЛИ параллельно с выходом входного запоминающего устройства блока сигнализации, причем постоянная времени устройства задержки времени выполнена большей, чем постоянная времени отработки датчика по команде контроля, а время включения командного канала автоматического контроля выполнено большим, чем постоянная времени устройства задержки времени любого из модулей автоматического контроля во всех каналах устройства.
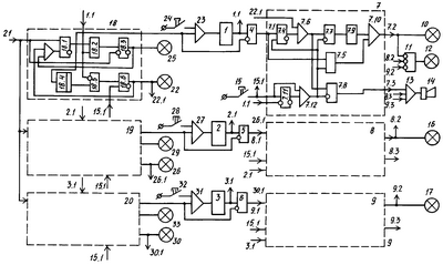
На чертеже изображена функциональная схема устройства.
Источником информации о состоянии контролируемого объекта являются датчики 1, 2, 3.
Датчик 1, 2, 3 через блокировочные логические элементы И 4, 5, 6 подключены к блокам 7, 8, 9 сигнализации, к их входам 7.1, 8.1 и 9.1 соответственно.
Блокировочные элементы И 4, 5, 6 блокируют выход сигнала от датчиков 1, 2, 3 в блоки 7, 8, 9 сигнализации при выполнении автоматического контроля исправности датчиков 1, 2, 3.
Выход световой сигнализации 7.2 блока 7 подключен к световому сигнализатору 10 неисправности установки и к инверсному входу суммирующего логического элемента И 11, к выходу которого подключен световой сигнализатор 12 исправности установки.
Выход звуковой сигнализации 7.3 блока 7 подключен через логический элемент ИЛИ 13 к звуковому сигнализатору 14.
В блоке сигнализации вход 7.1 подключен к входу записи входного запоминающего устройства 7.4 и к логическому элементу И 7.5 квитирования. Сигнал с выхода устройства 7.4 через логический элемент ИЛИ 7.6 поступает на прямые входы логических элементов И 7.7 световой и И 7.8 звуковой сигнализации. Элемент И 7.7 подключен через элемент 7.9 формирования прерывистого сигнала и логический элемент ИЛИ 7.10 к выходу 7.2 световой сигнализации блока 7.
Выход элемента И 7.8 подключен к выходу 7.3 звуковой сигнализации блока 7.
Кнопка 15 квитирования подключена своим выходом 15.1 к второму входу блока 7, к входу записи дополнительного запоминающего устройства 7.11, а параллельно с его выходом через логический элемент ИЛИ 7.12 кнопка 15 подключена к входу сброса входного запоминающего устройства 7.4, к прямому входу элемента И 7.5 и к инверсным входам элементов И 7.7 и 7.8.
Схемы блоков 8 и 9 аналогичны схеме блока 7 и имеют выходы соответственно на световые сигнализаторы 16 и 17 неисправности объекта. Выходы 8.2 и 9.2 блоков 8 и 9 подключены к инверсным входам элемента И 11, а выходы 8.3 и 9.3 – к элементу ИЛИ 13.
Для контроля исправности датчиков в каждый канал включены модули 18,19 и 20 автоматического контроля исправности датчиков 1, 2 и 3 соответственно. К входу модулей 18, 19 и 20 подключен командный канал 21 автоматического контроля.
Модуль 18 содержит последовательно соединенные входное запоминающее устройство 18.1, логический элемент И 18.2 и выходное запоминающее устройство 18.3, а также устройство 18.4 задержки времени на выходе, подключенное через дополнительный логический элемент И 18.5 и дополнительное запоминающее устройство 18.6 к световому сигнализатору 22 исправности датчика 1.
Выход входного запоминающего устройства 18.1 модуля 18 подключен к входу устройства 18.3 задержки времени и через логический элемент ИЛИ 23 параллельно с кнопкой 24 ручного включения контроля подключен к входу контроля датчика 1. Выход устройства 18.1 подключен также к инверсному входу блокировочного элемента И 4.
Выход выходного запоминающего устройства 18.3 подключен к световому сигнализатору 25 исправности датчика 1, а параллельно с выходом дополнительного запоминающего устройства 18.6 выход устройства 18.3 через элемент ИЛИ 18.7 подключен к входу сброса входного запоминающего устройства 18.1.
Выход дополнительного запоминающего устройства 18.6 параллельно с сигнализатором 22 подключен каналом 22.1 к второму входу элемента ИЛИ 7.6 блока сигнализации 7.
К входу сброса дополнительного запоминающего устройства 18.6 модуля 18 подключена каналом 15.1 кнопка квитирования 15.
К второму, прямому, входу элемента И 18.2 и к второму, инверсному, входу элемента И 18.5 модуля 18 подключен канал 1.1 от выхода датчика 1.
Постоянная времени устройства 18.4 задержки времени выполнена большей, чем постоянная времени, необходимого для отработки датчика 1 по команде контроля исправности датчика.
Схемы модулей 19 и 20 полностью идентичны схеме модуля 18.
В модуле 19 выход дополнительного запоминающего устройства, аналога устройства 18.6 модуля 18, подключен к световому сигнализатору 26 неисправности датчика 2 и каналом 26.1 – к блоку 8 сигнализаций, к входу элемента ИЛИ, аналога элемента ИЛИ 7.6 блока 7. Также выход входного запоминающего устройства модуля 19, аналога устройства 18.1, подключен к инверсному входу блокировочного элемента И 5 и через логический элемент ИЛИ 27 параллельно с кнопкой 28 ручного включения контроля подключен к входу контроля датчика 2. Выход выходного запоминающего устройства модуля 19, аналога устройства 18.3, подключен к световому сигнализатору 29 исправности датчика 2.
В модуле 20 световой сигнализатор 30 неисправности датчика 3, логический элемент ИЛИ 31, кнопка 32 ручного включения контроля датчика 3 и световой сигнализатор 33 исправности датчика 3 подключены аналогично таким же элементам, взаимодействующим с модулями 18 и 19.
Время включения командного канала 21 автоматического контроля исправности, подключенного параллельно к входам всех модулей, установлено большим, чем самая большая из постоянных времени элементов задержки времени любого из модулей.
Устройство работает следующим образом.
В исходном состоянии на выходе датчиков 1, 2, 3 сигнал отсутствует.
На инверсных входах суммирующего элемента И 11 отсутствуют сигналы 7.2, 8.2 и 9.2 с выхода блоков 7, 8 и 9 о неисправности контролируемого устройства. Соответственно на выходе И 11 имеется сигнал, включающий световой сигнализатор 12 исправности контролируемого объекта.
На входах ИЛИ 13 отсутствуют сигналы 7.3, 8.3 или 9.3 с выходов блоков 7, 8 или 9, и на звуковой сигнализатор 14 сигнал не поступает.
При срабатывании любого датчика, например датчика 1, сигнал с выхода датчика 1 поступает на вход 7.1 блока сигнализации 7, на вход записи входного запоминающего устройства 7.4 и на вход элемента И 7.5 квитирования. С выхода устройства 7.4 через элемент ИЛИ 7.6 сигнал поступает на прямой вход элемента И 7.7
Т.к. на втором, инверсном, входе И 7.7 нет сигнала 15.1 от кнопки 15 квитирования, с выхода И 7.7 поступает сигнал на элемент 7.9 формирования прерывистого сигнала. С выхода элемента 7.9 через элемент ИЛИ 7.10 сигнал с заданной скважностью включения поступает с выхода 7.2 модуля на световой сигнализатор 10 неисправности и на инверсный вход элемента И 11, блокируя включение светового сигнализатора 12 исправности объекта.
Одновременно сигнал с выхода элемента ИЛИ 7.6 поступает на вход элемента И 7.8. На втором, инверсном, входе И 7.8 также нет сигнала 15.1 от кнопки 15, поэтому от И 7.8 сигнал через выход 7.3 модуля и элемент 13 поступает на звуковой сигнализатор 14 для привлечения внимания оператора.
При нажатии оператором кнопки 15 квитирования (подтверждение, что сигнал о неисправности объекта принят оператором) сигнал 15.1 с ее выхода поступает на вход записи запоминающего устройства 7.11 и через элемент ИЛИ 7.12 параллельно с сигналом с выхода устройства 7.11 поступает на инверсные входы И 7.7 и 7.8, на вход И 7.5 и на вход сброса устройства 7.4.
Если сигнал с выхода датчика 1 сохраняется, на выходе И 7.5 появляется постоянный сигнал, который через ИЛИ 7.10 и выход 7.2 блока поступает на световой сигнализатор 10 и инверсный вход И 11. При этом сигнализатор 10 включается постоянным свечением, а световой сигнализатор 12 гаснет.
Выходы элементов И 7.7 и 7.8 блокируются с поступлением на инверсные входы этих элементов сигнала от И 7.12.
Элемент 7.9 и звуковой сигнализатор 14 отключаются.
После исчезновения сигнала неисправности объекта сигнал с выхода датчика 1 снимается, при этом поступает сигнал на вход сброса запоминающего устройства 7.11.
Сигнал с выхода И 7.5 снимается, световой сигнализатор 10 отключается, световой сигнализатор 12 включается.
Схема приходит в исходное состояние.
Если после квитирования сигнала от датчика 1 произойдет срабатывание датчика 2 (3), схема блока 8 (9) сработает аналогично. При этом включится прерывистым светом сигнализатор 16 (17) и повторно включится через ИЛИ 13 звуковой сигнализатор 14.
При квитировании кнопкой 15 сигнала от датчика 2 (3) сигнализатор 16 (17) включается непрерывным свечением, звуковой сигнал отключается.
При ручном контроле исправности датчика 1 (2, 3) оператор кнопкой 24 (28, 32) через ИЛИ 23 (27, 31) подает сигнал на вход контроля датчика 1 (2, 3). Оператор удерживает кнопку нажатой до появления на выходе датчика 1 (2, 3) сигнала, аналогичного сигналу фактического срабатывания датчика. Схема блока 7 (8, 9) срабатывает, как при фактическом срабатывании датчика.
Сигнал автоматического контроля исправности датчиков 1, 2, 3 поступает на входы модулей 18, 19, 20 одновременно по каналу 21 с заданной периодичностью.
Работу модулей 18, 19, 20 рассмотрим на примере работы модуля 18.
Сигнал канала 21 поступает на вход записи входного запоминающего устройства 18.1 и с его выхода поступает на инверсный вход блокировочного элемента И 4, блокируя поступление сигнала от датчика 1 в блок 7, и через ИЛИ 23 сигнал поступает на вход контроля датчика 1.
Одновременно в модуле 18 сигнал с выхода устройства 18.1 поступает на вход И 18.2 и на вход устройства 18.4 задержки времени, контролирующего время отработки датчика 1 по сигналу контроля его исправности.
При срабатывании датчика 1 до истечения постоянной времени устройства 18.4 сигнал с выхода датчика 1 поступает на вход И 18.2 и на инверсный вход И 18.5.
Сигнал с выхода И 18.2 поступает на вход записи выходного запоминающего устройства 18.3 модуля 18, включающего сигнализатор 25 исправности датчика и через ИЛИ 18.7 подающего сигнал на вход сброса устройства 18.1.
Сигнализатор 25 включен до тех пор, пока на инверсный вход сброса устройства 18.3 поступает сигнал автоматического контроля по каналу 21.
Если за время уставки постоянной времени устройства 18.4 сигнал от датчика 1 не поступит, сигнал с выхода устройства 18.4 через И 18.5 (на его инверсном входе нет сигнала 1.1 с выхода датчика 1) поступит на вход записи дополнительного запоминающего устройства 18.6, а с его выхода – на сигнализатор 22 неисправности датчика, а также через ИЛИ 18.7 на вход сброса входного запоминающего устройства 18.1 и по каналу 22.1 – на вход ИЛИ 7.6 блока сигнализации 7.
Схема блока сигнализации отрабатывает аналогично тому, как она отрабатывает при фактическом срабатывании датчика.
В исходное положение схема переводится нажатием кнопки 15 квитирования по каналу 15.1, при этом сигнал подается как в блок 7, так и на вход сброса устройства 18.6.
Применение предложенного устройства повышает надежность контроля исправности контролируемого объекта.
Формула изобретения
Устройство для сигнализации неисправности контролируемого объекта, содержащее в каждом канале датчик, контролирующий состояние объекта, блок сигнализации, к первому выходу которого подключен световой сигнализатор неисправности объекта, причем к выходам блоков сигнализации всех каналов через первый логический элемент ИЛИ подключен звуковой сигнализатор, а выходы световых сигнализаторов неисправности всех каналов подключены к световому сигнализатору исправности объекта через инверсные входы суммирующего логического элемента И, при этом в каждом канале блок сигнализации содержит подключенное к первому входу блока входом записи входное запоминающее устройство, подключенное выходом через второй логический элемент ИЛИ к прямым входам логических элементов И звуковой и световой сигнализации, выход элемента И световой сигнализации подключен через элемент формирования прерывистого сигнала и третий логический элемент ИЛИ к первому выходу блока сигнализации, к другому входу третьего элемента ИЛИ через логический элемент И квитирования сигнала подключен первый вход блока сигнализации, второй вход которого, соединенный с кнопкой квитирования, подключен в блоке к входу записи дополнительного запоминающего устройства и через четвертый логический элемент ИЛИ параллельно с выходом этого дополнительного запоминающего устройства – к входу сброса входного запоминающего устройства, к прямому входу элемента И квитирования и к инверсным входам элементов И световой и звуковой сигнализации, причем к инверсному входу сброса дополнительного запоминающего устройства подключен выход датчика, отличающееся тем, что устройство в каждом канале содержит модуль автоматического контроля исправности датчика, состоящий из последовательно соединенных входного запоминающего устройства, первого логического элемента И и выходного запоминающего устройства, а также включающий в себя устройство задержки времени на выходе, подключенное входом к выходу входного запоминающего устройства, выходом – последовательно через дополнительный логический элемент И и дополнительное запоминающее устройство к световому сигнализатору неисправности датчика, при этом в устройстве выход входного запоминающего устройства упомянутого модуля подключен также к инверсному входу блокировочного логического элемента И, подключенного вторым – прямым – входом к выходу датчика и выходом – к первому входу блока сигнализации, выход выходного запоминающего устройства упомянутого модуля подключен к световому сигнализатору исправности датчика, а через пятый логический элемент ИЛИ параллельно с выходом дополнительного запоминающего устройства – к входу сброса входного запоминающего устройства модуля, при этом в модуле автоматического контроля командный канал автоматического контроля подключен к входу записи входного запоминающего устройства и к инверсному входу сброса выходного запоминающего устройства, к второму – прямому – входу первого элемента И и к второму – инверсному – входу дополнительного элемента И подключен выход датчика, вход сброса дополнительного запоминающего устройства подключен к кнопке квитирования, а выход дополнительного запоминающего устройства упомянутого модуля подключен в блоке сигнализации к входу второго элемента ИЛИ параллельно с выходом входного запоминающего устройства блока сигнализации, причем выход входного запоминающего устройства модуля автоматического контроля предназначен для подачи на датчик через шестой логический элемент ИЛИ, к которому подключена также кнопка ручного включения контроля, сигнала, обеспечивающего появление на выходе датчика сигнала, аналогичного сигналу фактического срабатывания датчика, а постоянная времени устройства задержки времени выполнена большей, чем постоянная времени срабатывания датчика по сигналу командного канала автоматического контроля, время включения которого больше чем постоянная времени устройства задержки времени любого из модулей автоматического контроля во всех каналах устройства.
РИСУНКИ
Другие изменения, связанные с зарегистрированными изобретениями
Изменения:
Зарегистрирован переход исключительного права без заключения договора Дата и номер государственной регистрации перехода исключительного права: 11.03.2010/РП0000599 Патентообладатель: Открытое акционерное общество “Центральное морское конструкторское бюро “Алмаз” Прежний патентообладатель: Федеральное государственное унитарное предприятие “Центральное морское конструкторское бюро “Алмаз”
Номер и год публикации бюллетеня: 17-2006
Извещение опубликовано: 27.04.2010 БИ: 12/2010
|