|
|
(21), (22) Заявка: 2004138142/28, 27.12.2004
(24) Дата начала отсчета срока действия патента:
27.12.2004
(46) Опубликовано: 20.06.2006
(56) Список документов, цитированных в отчете о поиске:
SU 1000962 A1, 28.02.1983. SU 1764012 A1, 23.09.1992. SU 1236394 A1, 07.06.1986. US 5377104 А, 27.12.1994.
Адрес для переписки:
125009, Москва, а/я 184, ППФ “ЮС”, В.В. Курьянову (для И.Я. Чеботаревой)
|
(72) Автор(ы):
Чеботарева Ирина Яковлевна (RU), Рожков Михаил Владимирович (RU), Тагизаде Теймури Тагиевич (RU), Ерохин Геннадий Николаевич (RU)
(73) Патентообладатель(и):
Чеботарева Ирина Яковлевна (RU), Рожков Михаил Владимирович (RU), Тагизаде Теймури Тагиевич (RU), Ерохин Геннадий Николаевич (RU)
|
(54) СПОСОБ МИКРОСЕЙСМИЧЕСКОГО МОНИТОРИНГА ПРОСТРАНСТВЕННОГО РАСПРЕДЕЛЕНИЯ ИСТОЧНИКОВ ЭМИССИИ И РАССЕЯННОГО ИЗЛУЧЕНИЯ И УСТРОЙСТВО ДЛЯ ЕГО ОСУЩЕСТВЛЕНИЯ
(57) Реферат:
Изобретение относится к геофизике и может быть использовано для локализации источников и мониторинга их пространственного распределения и параметров излучения. Способ включает регистрацию волнового шумового сейсмического поля с составляющей излучения от эмиссионных или рассеивающих источников сейсмоприемниками, установленными в пунктах наблюдения. Используют трехкомпонентные или однокомпонентные сейсмоприемники. О наличии источников эмиссии и/или рассеянного излучения судят с учетом величины 95%-го доверительного интервала значений оценки яркости изобретения для волнового поля, представленного случайной диффузной помехой S, величина доверительного интервала определяется временем накапливания сигналов и числом каналов регистрации. Производят оценку S пространственного распределения яркости изображения, которая отражает трехмерное распределение мощности излучения эмиссионных и рассеивающих источников. Критерий присутствия источника эмиссионного и/или рассеянного излучения в среде – превышение величины абсолютного значения S в точке опроса величины доверительного интервала S, |S| S. Устройство содержит К приемных каналов, каждый из которых выполнен из преобразователя сигналов, усилителя, аналого-цифрового преобразователя, блока предварительной обработки и передачи данных. Устройство имеет процессор когерентной обработки сигналов, регистрирующее устройство, блок расчета временных задержек, блок расчета углов выхода сейсмического луча, блок управления, блок детектирования, вход которого подсоединен к выходу когерентного процессора, а выход – к входу регистрирующего устройства. Технический результат: повышение разрешающей способности, чувствительности детектирования, повышение достоверности результатов. 2 н. и 7 з.п. ф-лы, 4 ил.
Изобретение относится к эмиссионной сейсмической томографии и может использоваться для локализации источников и мониторинга их пространственного распределения и параметров излучения.
Заявленные способ и устройство предназначены для локализации и отображения пространственного распределения источников эмиссионного излучения (акустическая эмиссия напряженных конструкций, вулканический тремор, сейсмическая эмиссия земной коры и т.п.) и/или вторичного переизлучения, возникающего в результате рассеяния на неоднородностях (зоны повышенной пористости и трещиноватости, скоростные неоднородности, разномасштабные разломные нарушения, шероховатые границы и т. п.) шумоподобных волновых полей, таких как микросейсмические колебания, кода-волны землетрясений или взрывов, излучение мощных приповерхностных техногенных источников, и может быть использовано для оконтуривания коллекторов пористого и трещинного типов, областей формирования разрывов сплошности (при гидроразрыве), мониторинга процесса скольжения бортов разломов (тектонически активных или искусственно активированных в процессе разработки месторождения) по эффекту сейсмической эмиссии, для локации бурового инструмента и определения скорости проходки, для трехмерного оконтуривания по рассеянному излучению контрастных по скорости включений, жидкостно- и газонаполненное ловушек, а также камер, образующихся при разработках геотехнологическими методами, для мониторинга процесса перемещения флюида по трещинам, подводящим каналам и фильтрации в поровых коллекторах, для контроля состояния покрышки и состояния полости в местах расположения подземных газохранилищ с целью обнаружения каналов утечки газа и оценки степени разрушенности покрышки, для поиска полезных ископаемых, для прогноза землетрясений и др. В способе используется микросейсмический мониторинг – технология геофизических исследований, не требующая использования мощных источников сейсмического зондирующего сигнала, таких как взрывы, вибраторы, пневматические пушки, а использующая постоянно существующие слабые сейсмические волновые поля искусственного или естественного происхождения, такие как микросейсмический шум, микроземлетрясения, кода землетрясений и взрывов, вулканический тремор, сейсмическая эмиссия, техногенный шум различного происхождения.
Известен способ и устройство для сейсмического мониторинга по отраженному излучению подземных зон (гидрокарбонатных резервуаров в процессе разработки или подземных газохранилищ) с использованием нескольких одновременно работающих вибраторов и синхронизирующим устройством для контроля излучения вибраторов посредством ортогональных сигналов (синусоид, случайных серий, вейвлетов, построенных на базе полиномов Лежандра) (Патентная заявка США №2002/0191490, G 01 V 1/28, опубл. 2002 г.).
Устройство включает несколько локальных устройств, состоящих из вибратора, сейсмической регистрирующей антенны, локального устройства сбора и обработки данных, центрального контролирующего и синхронизирующего устройства для одновременного контроля сигналов вибраторов. Вибраторы на поверхности одновременно излучают ортогональные сигналы, суммарное волновое поле регистрируется с помощью сейсмоприемников, установленных в скважинах, затем производится дискриминация вкладов каждого источника-вибратора с целью получения индивидуальной сейсмограммы, которая была бы получена, если бы работал только один из используемых источников. Для реконструкции изображения подземной структуры полученные сейсмограммы обрабатываются затем по стандартной методике вертикального профилирования.
Ограничениями известного способа являются:
– необходимость строгого контроля формы зондирующего сигнала;
– из-за влияния обертонов, сильной зависимости затухания от частоты ортогональных сигналов, отсутствия фильтрации по поляризации объемных волн при предобработке и особенности методики вертикального профилирования метод имеет низкую разрешающую способность, слабую достоверность и информативность;
– метод высокозатратен, так как требует использования нескольких одновременно работающих дорогостоящих источников зондирующего сигнала.
Известен способ и устройство для визуализации в режиме реального времени посредством пассивного мониторинга процесса формирования трещины гидроразрыва на нефтяных разработках и процесса подземного захоронения опасных отходов (Патент США №5377104, G 01 V 1/00, опубл. 1994 г.).
Закачка рабочей жидкости или жидких отходов под давлением, превышающим минимальное главное напряжение в горном массиве, генерирует слабые сейсмические сигналы, связанные с микроземлетрясениями, гипоцентры которых соответствуют локализации и геометрии развивающейся зоны гидроразрыва. Известное устройство рабочей станции для визуализации в режиме реального времени посредством пассивного мониторинга процесса формирования трещины гидроразрыва состоит из средства для определения точной скорости распространения сейсмического сигнала в среде (например, с использованием стандартных методик с применением перфорационных взрывов), средств для закачки растворов в зону формирования гидроразрыва, средства для организации и установки группы с высоким разрешением сейсмических сенсоров с высокой чувствительностью, средства для связи сенсоров с автоматической системой, организованной на компьютерной базе, для накапливания сейсмических данных и обработки их в режиме реального времени с целью автоматического детектирования событий, идентификации фаз, определения амплитуд и времен вступлений, локализации гипоцентров микроземлетрясений известным методом с учетом координат точек регистрации и скорости распространения сейсмического сигнала в среде, автоматического расчета тензора сейсмического момента, определения механизма источника и ориентация азимута каждого микроразрыва, средства анимационной визуализации источников, микрособытий в режиме реального времени с отображением механизма источника и ориентации микроразрыва, отображения спрогнозорованной геометрии трещины гидроразрыва и сравнения с текущей реальной геометрией.
Основным ограничением известного способа является необходимость предварительного детектирования сигналов, их идентификации, определения амплитуд и времен вступления фаз на каждом канале. Используемая стандартная методика локализации с такой необходимой предобработкой уменьшает чувствительность метода, а также резко снижает точность и надежность при работе с очень слабыми сигналами.
Наиболее близким к предлагаемому способу пассивного мониторинга пространственного распределения источников эмиссии и рассеянного излучения является известный способ сейсмической разведки, включающий регистрацию волнового сейсмического поля сейсмоприемниками, установленными в пунктах наблюдения и образующими площадную расстановку с заданным шагом расстановки в зависимости от длины волны регистрируемых сейсмических волн, обработку полученных сейсмоприемниками сигналов, по которой судят об эмиссионных свойствах среды и о наличии в исследуемой области среды неоднородностей и их конфигурации. (Патент РФ №1000962, G 01 V 1/00, опубл. 1983 г.).
В этом способе в качестве источников эмиссии некогерентного излучения используются естественные и/или искусственные шумовые поля, а расстояния между равномерно расположенными пунктами наблюдений выбирают не превышающими 1,5 длин регистрируемых сейсмических волн. При обработке сейсмических данных используются однокомпонентные записи.
Ограничениями известного способа являются:
– появление из-за использования однокомпонентных сейсмоприемников в реконструируемом изображении пространственного распределения источников эмиссии некогерентного излучения интенсивных артефактов, связанных с наличием в анализируемом волновом поле смеси волн с различной поляризацией, распространяющихся с разными скоростями. Это создает ошибки опознавания источников при интерпретации результатов и снижает точность оценок характеристик излучения в различных типах волн;
– в известном способе критерием распознавания источника является согласие результатов определения численной когерентной оценки для скоростей продольных и поперечных волн. Такого рода критерий заведомо упускает возможность локации источников, излучающих преимущественно один тип волн;
– из-за расположения сейсмоприемников на дневной поверхности повышается уровень поверхностной помехи, и, таким образом, пропорционально, в несколько десятков раз, уменьшается чувствительность метода.
– при численной реконструкции изображения используется квадратичная когерентная мера, которая эквивалентна линейной комбинации корреляторов 2-го порядка, вследствие чего способ имеет низкую разрешающую способность и помехоустойчивость.
Наиболее близким к предлагаемому устройству для пассивного мониторинга пространственного распределения источников эмиссии некогерентного излучения является устройство, содержащее К приемных каналов, каждый из которых выполнен из преобразователя сигналов, усилителя, аналого-цифрового преобразователя, блока памяти, соединенных последовательно, при этом вход К-го преобразователя сигналов служит входом К-го приемного канала, процессор, К входов которого соответственно подсоединены к соответствующему выходу К-го приемного канала и выполненный на основе интегратора, регистрирующее устройство, подсоединенное входом данных к выходу данных процессора, блок расчета временных задержек, выполненный с К выходами, каждый из которых соответственно подсоединен к управляющему входу соответствующего блока памяти К-го приемного канала, блок управления, выполненный с К+1 выходами запуска, К из которых соответственно подсоединены к управляющим входам аналого-цифровых преобразователей К-ых приемных каналов, а один выход запуска – выход задания координат соединен с управляющим входом блока расчета временных задержек и с управляющим входом регистрирующего устройства (Патент РФ №2087909, G 01 N 29/14, опубл. 1997 г.).
Ограничениями известного устройства являются:
– возможность появления в реконструируемом пространственном отображении источников паразитических визуализации при исследовании сред, в которых волновое поле является суперпозицией волн с различной поляризацией, распространяющихся с разными скоростями (например, волны в твердом теле, в коре Земли). Невозможность получения отображения источников отдельно в каждом типе волн, при этом отображения в различном типе волн могут отличаться, а характер различия поставляет информацию о механизме генерации сигнала;
– отображение эмиссионных источников в известном устройстве реконструируется с помощью коррелятора 4-го порядка. Величина порядка коррелятора не изменяется, что не позволяет регулировать ее с учетом обеспечения заданного пространственного разрешения и в зависимости от степени зашумленности исходных данных. Это ухудшает разрешающую способность и существенно снижает помехоустойчивость;
– возможность отображения источников волнового поля, вызванного чисто случайной помехой из-за отсутствия критерия значимости обрабатываемых результатов;
– кроме того, известное устройство кроме локализации источников некогерентного излучения не позволяет дополнительно определить параметры, характеризующие излучения.
Решаемая предложенным изобретением задача – повышение эффективности и улучшение качества пассивного сейсмического мониторинга, обеспечение возможности оперативного (в режиме реального времени) отображения пространственного распределения источников эмиссионного или рассеянного излучения внутри среды и на ее поверхности, локализации источников, прослеживания их миграции и возможности дополнительной оценки параметров излучения: мощности, спектра, тензора сейсмического момента, снижение затрат при проведении работ за счет использования в качестве зондирующего сигнала бесплатных естественных или техногенных волновых полей.
Технический результат, который может быть получен при осуществлении способа, – повышение разрешающей способности, чувствительности детектирования, повышение помехоустойчивости, возможность реконструкции изображений эндогенных источников и оценка параметров излучения в выбранном типе волн, повышение достоверности результатов.
Технический результат, который может быть получен при выполнении устройства, – повышение разрешающей способности, помехоустойчивости, измерение и расчет параметров излучения, возможность проведения мониторинга в режиме реального времени, возможность проведения мониторинга только для источников сигналов с выбранным типом поляризации сигналов, исключение отображения источников, вызванных чисто случайной шумовой волновой помехой.
Для решения поставленной задачи с достижением технического результата в предложенном способе пассивного мониторинга пространственного распределения источников эмиссии и рассеянного излучения, включающем регистрацию волнового шумового сейсмического поля сейсмоприемниками, установленными в пунктах наблюдения и образующими площадную расстановку с заданным шагом расстановки в зависимости от длины волны регистрируемых волн шумового сейсмического поля, обработку полученных данных, по которой судят об эмиссионных свойствах среды и о наличии рассеивающих неоднородностей, согласно изобретению используют однокомпонентные или трехкомпонентные сейсмоприемники, а шаг расстановки сейсмоприемников задают не менее длины волны регистрируемых волн волнового шумового сейсмического поля, при этом апертура L установки сейсмоприемников в пунктах наблюдения выбирается не менее

где Н – максимальная глубина исследований,
– скорость сейсмической волны,
f0 – основная частота излучения,
t – среднеквадратичные флуктуации времени прихода сигнала,
для реконструкции изображения среды в точках опроса производят расчет оценки S, которая позволяет получить пространственное распределение яркости в изображении, отражающее распределение мощности излучения из соответствующего элементарного объема вокруг точки опроса,


где К – число сейсмоприемников,
Т – число независимых временных отсчетов временной реализации: T=2Ft, где F – граничная частота, t – длина временного окна накапливания сигналов,
Bj – суммарный нелинейный луч приемной группы (N-th root beam),

N 1 – параметр нелинейности луча приемной группы,
i – временная задержка на i-канале, соответствующая годографу сейсмической волны, излучаемой из точки опроса,
fji – мгновенная амплитуда волнового шумового сейсмического поля при использовании однокомпонентных приемников или составляющая мгновенной амплитуды волнового шумового сейсмического поля с выбранным направлением поляризации на i-канале в j-момент времени при использовании трехкомпонентных приемников, где проекции на соответствующие направления определяются как

где – проекции мгновенной амплитуды волнового шумового сейсмического поля на радиальное, поперечное вертикальное и поперечное горизонтальное направление соответственно;
– регистрируемые мгновенные амплитуды волнового шумового сейсмического поля на трехкомпонентных сейсмографах: UD – вертикальная компонента, EW и NS – горизонтальные компоненты с направлением восток-запад и север-юг соответственно;

где i – угол выхода сейсмического луча,
i – его азимут,
о наличии источников эмиссии или вторичного, рассеянного излучения судят с учетом величины S – 95%-доверительного интервала значений оценки S для волнового поля, представленного случайной диффузной помехой, S определяет величину порога детектирования, при этом критерий присутствия источника эмиссионного излучения в среде – превышение величины абсолютного значения S в точке опроса величины доверительного интервала S,
, где

формируют изображение среды, распределение яркости которого отражает трехмерное распределение мощности излучения эмиссионных и рассеивающих источников.
Возможны дополнительные варианты осуществления способа, в которых целесообразно, чтобы:
– при площадной расстановке сейсмоприемники располагали в скважинах на глубине 5-50 м;
– сейсмоприемники располагали на разных глубинах для создания пространственно-распределенной трехмерной системы пунктов наблюдений;
– регистрацию волнового шумового сейсмического поля осуществляли разнесенными подгруппами сейсмоприемников, при этом формируют трехмерное изображение среды с построением изображений среды сначала по отдельным подгруппам, а затем компоновку одного результирующего изображения посредством почленного перемножения соответствующих трехмерных матриц распределений интенсивности излучения.
Для решения поставленной задачи в предложенном устройстве для пассивного мониторинга пространственного распределения источников эмиссии и рассеянного излучения, содержащем К приемных каналов, каждый из которых выполнен из преобразователя сигналов, усилителя, аналого-цифрового преобразователя, соединенных последовательно, при этом вход К-го преобразователя сигналов служит входом К-го приемного канала, блок памяти, процессор, предназначенный для когерентной обработки сигналов, вход которого соединен с выходом блока памяти, регистрирующее устройство, блок расчета временных задержек, выход которого соединен с первым управляющим входом блока памяти, блок управления, один выход запуска которого – выход задания координат соединен с управляющим входом блока расчета временных задержек и с управляющим входом регистрирующего устройства, согласно изобретению в каждый из К приемных каналов введен блок предварительной обработки и передачи данных, вход которого соединен с выходом аналого-цифрового преобразователя, а выход К-го блока предварительной обработки и передачи данных служит выходом К-го приемного канала, при этом блок памяти выполнен с К входами данных, которые соответственно соединены с выходами соответствующего К-го приемного канала, введены блок детектирования и блок расчета порога детектирования, при этом вход данных блока детектирования подсоединен к выходу данных процессора, а его выход данных соединен с входом данных регистрирующего устройства, блок управления исполнен в виде контроллера, выполненного с К+2 выходами запуска, из которых К выходов запуска соответственно по одному подсоединены к управляющему входу блока предварительной обработки и передачи данных для каждого из К приемных каналов, один выход запуска – упомянутый выход задания координат, и второй выход запуска – выход задания временного окна накапливания сигнала, второй выход запуска соединен со вторым управляющим входом блока памяти, с вторым информационным входом процессора и с управляющим входом блока расчета порога детектирования, выход которого подсоединен к управляющему входу блока детектирования.
Возможны дополнительные варианты выполнения устройства, в которых целесообразно, чтобы:
– регистрирующее устройство было выполнено из синтезатора изображения и из дисплея, соединенных последовательно, при этом управляющий вход синтезатора изображения служит управляющим входом регистрирующего устройства, а его вход данных – входом данных регистрирующего устройства;
– каждый из К приемных каналов был выполнен с возможностью регистрации трех компонент объемных волн Р, SV, SH, для этого каждый из К приемных каналов выполнен из трех параллельных электрических цепей, каждая из которых выполнена из преобразователя сигналов, усилителя, аналого-цифрового преобразователя, соединенных последовательно, блок предварительной обработки и передачи данных снабжен двумя дополнительными входами, и каждый один из выходов трех параллельных электрических цепей соответственно подсоединен к одному из трех соответствующих входов блока предварительной обработки и передачи данных, введены дополнительный процессор, выполненный обеспечивающим преобразование системы координат в соответствующей точке приема к локальной системе координат, и блок расчета углов выхода сейсмического луча, вход процессора подсоединен к выходу блока памяти через дополнительный процессор, управляющий вход блока расчета углов выхода сейсмического луча подсоединен к первому выходу запуска блока управления, а выход блока расчета углов выхода сейсмического луча подсоединен к первому управляющему входу дополнительного процессора, блок управления снабжен третьим выходом запуска – выходом задания типа проекции локальных координат, который соединен со вторым управляющим входом дополнительного процессора;
– были введены межканальный интегратор, предназначенный для расчета линейного луча приемной группы, блок вычисления параметров излучения, дополнительный синтезатор изображения, соединенные последовательно, и коммутатор потока данных, предназначенный для отключения процессора и передачи данных на вход межканального интегратора, вход коммутатора потока данных соединен с выходом дополнительного процессора, один выход коммутатора потока данных соединен с входом процессора, а второй его выход – с входом межканального интегратора, блок управления снабжен четвертым выходом запуска, подсоединенным к управляющему входу коммутатора потока данных, а выход дополнительного синтезатора изображения соединен с входом дисплея;
– дополнительно были введены по меньшей мере n устройств для пассивного мониторинга пространственного распределения источников эмиссии и рассеянного излучения, где n 1, и выполненных идентичными, регистрирующее устройство выполнено из синтезатора изображения и из дисплея, соединенных последовательно, синтезатор изображения снабжен дополнительным блоком памяти и выполнен с n входами с возможностью синтеза изображения для каждого из n устройств и синтеза результирующего изображения.
Указанные преимущества, а также особенности настоящего изобретения поясняются лучшими вариантами его выполнения со ссылками на прилагаемые чертежи.
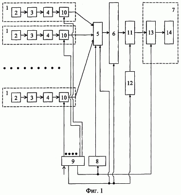
Фиг.1 изображает обобщенную функциональную схему устройства.
Фиг.2 – то же, что фиг.1 при выполнении приемного канала с возможностью обработки трех компонент.
Фиг.3 – то же, что фиг.2, с возможностью вычисления параметров, характеризующих излучение.
Фиг.4 – вариант выполнения устройства на фиг.1 при необходимости реконструкции изображений источников эмиссии некогерентного излучения, расположенных на большой глубине и на большом удалении от подгрупп сейсмоприемников.
Поскольку заявленный способ реализуется при функционировании устройства, то его описание приведено в разделе описания работы устройства.
Устройство для микросейсмического мониторинга пространственного распределения источников эмиссии и рассеянного излучения (фиг.1) содержит К приемных каналов 1, каждый из которых выполнен из преобразователя 2 сигналов, усилителя 3, аналого-цифрового преобразователя 4 (АЦП), соединенных последовательно. Вход К-го преобразователя 2 сигналов служит входом К-го приемного канала 1. Устройство имеет блок 5 памяти и процессор 6, предназначенный для когерентной обработки сигналов. Вход процессора 6 соединен с выходом блока 5 памяти. Устройство содержит регистрирующее устройство 7 и блок 8 расчета временных задержек, выход которого соединен с первым управляющим входом блока 5 памяти. Блок 9 управления содержит несколько выходов запуска, первый выход запуска блока 9 – выход задания координат соединен с управляющим входом блока 8 расчета временных задержек и с управляющим входом регистрирующего устройства 7.
В каждый из К приемных каналов 1 введен блок 10 предварительной обработки и передачи данных, вход которого соединен с выходом АЦП 4, а выход К-го блока 10 предварительной обработки и передачи данных служит выходом К-го приемного канала 1. В отличие от ближайшего аналога блок 5 памяти не включен в каждый из К приемных каналов 1, а выполнен в виде единого функционального узла. Блок 5 памяти выполнен с К входами данных, которые соответственно соединены с выходами соответствующего К-го приемного канала 1. В устройство также введены блок 11 детектирования и блок 12 расчета порога детектирования. Вход данных блока 11 детектирования подсоединен к выходу данных процессора, а его выход данных соединен с входом данных регистрирующего устройства 7. Блок 9 управления исполнен в виде контроллера, выполненного с К+2 выходами запуска. К выходов запуска блока 9 соответственно по одному подсоединены к управляющему входу блока 10 предварительной обработки и передачи данных для каждого из К приемных каналов 1. Первый выход запуска блока 9 – упомянутый выход задания координат, подсоединенный к блоку 8 и регистрирующему устройству 7. Второй выход запуска блока 9 – выход задания временного окна накапливания сигнала. Второй выход запуска блока 9 соединен со вторым управляющим входом блока 5 памяти, со вторым информационным входом процессора 6 и с управляющим входом блока 12 расчета порога детектирования. Выход блока 12 подсоединен к управляющему входу блока 11 детектирования.
Регистрирующее устройство 7 (фиг.1) может быть выполнено различным образом. Например, регистрирующее устройство 7 может быть выполнено из синтезатора 13 изображения и из дисплея 14, соединенных последовательно. При этом управляющий вход синтезатора 13 служит управляющим входом регистрирующего устройства 9, а его вход данных подсоединен к выходу данных блока 11 детектирования.
Работает устройство (фиг.1) следующим образом.
При реконструкции пространственного распределения источников эмиссионного и рассеянного сейсмического излучения преобразователи 2 сигналов являются электродинамическими преобразователями. Их размещают на поверхности или с небольшим заглублением на 5-50 метров в виде площадной расстановки с апертурой L, которая выбирает не менее величины, определяемой формулой

где Н – максимальная глубина исследований, – скорость сейсмической волны, f0 – основная частота излучения, t – среднеквадратичные флуктуации времени прихода сигнала. Шаг расстановки выбирается не менее длины волны регистрируемых сейсмических волн. Количество преобразователей 2, т.е. число точек регистрации, выбирается не менее 7. Сейсмические сигналы от эмиссионных источников или областей рассеяния сейсмического излучения достигают преобразователей 2, где они преобразуются в электрические сигналы, которые после усиления в усилителях 3 поступают в АЦП 4, где происходит преобразование электрических сигналов в цифровые коды, которые поступают на входы блоков 10 предварительной обработки и передачи данных. В блоках 10 сигналы подвергаются фильтрации и формируются потоки данных с требуемой частотой оцифровки, по сигналу с выхода запуска блока 9 управления – контроллера производится реализации механизмов запуска формирования пакетов данных для передачи по линиям связи (в частности, в рамках стандартов Ethernet как по проводным, так и по беспроводным линиям связи, по сериальным линиям связи при помощи модемов, с поддержкой IP-протокола и без). Механизм запуска формирования пакетов данных может инициализироваться не только от внешнего устройства, по уровню сигнала, но и по таймеру, по функции, запрограммированной в блоке или по иному алгоритму. Отдельной стрелкой на фиг.1 у блока 9 управления – контроллера показана возможность его внешнего запуска вручную или от других вспомогательных устройств.
Блоки 10 (фиг.1) предварительной обработки и передачи данных могут быть выполнены различными способами. Например, в простейшем случае, каждый из блоков 10 может быть реализован следующим образом. Каждый из блоков 10 состоит из блока фильтров и блока формирования пакетов данных (на фиг.1 не показаны), соединенных последовательно. Вход блока фильтров подсоединен к выходу АЦП 4, а выход блока – формирования пакетов данных является выходом приемных каналов 1. К выходов запуска блока 9 управления – контроллера подсоединены к соответствующим К управляющим входам блоков формирования пакетов данных, которые являются управляющими входами блоков 10. Работает блок 10 предварительной обработки и передачи данных следующим образом. Данные с АЦП 4 передаются на блок фильтров, который преобразует высокочастотные данные в данные с требуемой для эксперимента частотой (например, 100 или 500 Гц). Затем сигналы с выхода блока фильтров поступают на вход блока формирования пакетов, который по сигналу с К-го выхода запуска блока 9 управления – контроллера формирует пакеты (блоки определенного размера и структуры) из потоков данных для передачи по каналам связи.
Сформированные пакеты данных по линиям связи поступают на соответствующие входы блока 5 памяти, где происходит их запоминание. Уровень заполнения информационной емкости блока 5 памяти, необходимый для начала проведения обработки сигналов, задается с выхода задания временного окна накапливания сигнала блока 9. Длина необходимой временной выборки задается формулой

где Т0 – длина временной выборки (число независимых временных отсчетов временной выборки), F – граничная частота, К – число приемных каналов 1, 0 – порог выделения по энергетическому отношению сигнал/помеха, L – апертура, – средняя скорость распространения сигнала. После заполнения блока 5 памяти до необходимого уровня, соответствующего указанной длине временной выборки Т0, в блоке 5 памяти начинается обработка накопленных сигналов. При этом с первого выхода блока 9 управления последовательно выдаются значения координат трехмерной сетки сканирования, по которой опрашивается исследуемая область среды. С первого выхода задания координат сигналы одновременно поступают на управляющий вход блока 8 расчета временных задержек и управляющий вход синтезатора 13 изображения. В блоке 8 расчета временных задержек происходит вычисление задержек сигналов i для каждого К-го приемного канала 1, где i – номер приемного канала 1, в соответствии с годографом сейсмической волны, излучаемой из точки опроса среды в точку расположения преобразователя 2. Годограф сейсмической волны вычисляется по стандартным методикам согласно используемой скоростной модели среды – равномерной, двумерной или трехмерной (Сейсмическая томография. Под ред. Нолета. М: “Мир”, 1990, стр.109-144). Значения i передается с выхода блока 8 расчета временных задержек на первый управляющий вход блока 5 памяти, в результате на его выходе информация, соответствующая i-каналу, выводится с задержкой i.
Задержанные сигналы fij( i), где j – номер временного отсчета, для каждого приемного канала 1 подаются на вход данных процессора 6, информация о величине временного окна Т=Т0-L/ и также передается со второго выхода задания временного окна накапливания сигнала блока 9 на второй информационный вход процессора 7, где производится вычисление значения оценки яркости изображения среды в точке опроса согласно формулам



Величина S характеризует эмиссионные или рассеивающие свойства среды в точке сканирования. В частности, при =1 и сферической диаграмме направленности излучения в источнике S K , где – отношение мощности сигнала у поверхности к мощности поверхностной помехи.
Одновременно информация о величине временного окна Т=Т0-L/ и передается со второго выхода задания временного окна накапливания сигнала блока 9 на вход блока 12 расчета порога детектирования, где рассчитывается величина порога детектирования

значение которой с выхода блока 12 расчета порога детектирования передается на вход блока 11 детектирования, где значения S обнуляются, если , и остаются неизменными, если . Значения когерентной меры S в точке опроса, совпадающей с источником, могут быть как положительными, так и отрицательными, в зависимости от диаграммы направленности излучения в источнике.
Выходной сигнал блока 11 детектирования подается на вход синтезатора 13 изображения, на второй вход которого поступает информация о текущих координатах точки опроса от первого выхода запуска из блока 9 управления.
На выходе синтезатора 13 изображения получают трехмерное распределение значимых источников излучения, которое может отображаться на экране дисплея 14 в виде горизонтальных или вертикальных сечений, либо трехмерного изображения с возможностью вращения. Численное значение координат источников может отображаться на экране и/или заноситься в отдельный файл данных.
В ранее известном устройстве эмиссионные отображение эмиссионных источников реконструируется с помощью коррелятора 4-го порядка. Предлагаемое устройство отличается тем, что при численной реконструкции изображения используется процесс формирования нелинейного луча приемной группы (N-th root beamforming), который по своей сути является суммой всех возможных для К приемных каналов 1 комбинаций корреляторов N-го порядка, но более экономичен с точки зрения объема необходимых вычислений, чем прямой расчет всех корреляционных функций. Использование корреляторов более высокого порядка позволяет улучшить разрешающую способность и существенно повысить помехоустойчивость, при этом число К приемных каналов 1 выбирают не менее порядка коррелятора. Величина порядка коррелятора регулируется путем изменения значений N, увеличиваясь до значения, необходимого для обеспечения заданного пространственного разрешения, и в зависимости от степени зашумленности исходных данных. Опыт работы с реальными сильно зашумленными данными показывает, что использование корреляторов 5-8 порядка позволяет в несколько раз улучшить пространственную разрешенность и чувствительность метода и, таким образом, повысить надежность детектирования источника сигнала.
В устройстве (фиг.2) каждый из К приемных каналов выполнен с возможностью регистрации трех компонент объемных волн Р, SV, SH, для этого каждый из К приемных каналов выполнен из трех параллельных электрических цепей, каждая из которых выполнена из преобразователя 2 сигналов, усилителя 3, АЦП 4, соединенных последовательно. Каждая из трех параллельных электрических цепей соответственно служит для регистрации вертикальной компоненты (цепь А) и двух горизонтальных компонент волнового поля (цепь Б и В).
Блок 10 предварительной обработки и передачи данных снабжен двумя дополнительными входами, и каждый один из выходов трех параллельных электрических цепей А, Б, В соответственно подсоединен к одному из трех соответствующих входов блока 10. Введены дополнительный процессор 15, выполненный обеспечивающим преобразование системы координат в соответствующей точке приема к локальной системе координат. Введен блок 16 расчета углов выхода сейсмического луча. Вход процессора 6, предназначенного для когерентной обработки сигналов, подсоединен к выходу 5 блока памяти через дополнительный процессор 15. Управляющий вход блока 16 расчета углов выхода сейсмического луча подсоединен к первому выходу запуска блока 9 управления – к выходу задания координат. Выход блока 16 расчета углов выхода сейсмического луча подсоединен к первому управляющему входу дополнительного процессора 15. Блок 9 управления (контроллер) снабжен третьим выходом запуска – выходом задания типа проекции локальных координат, который соединен со вторым управляющим входом дополнительного процессора 15.
Работает устройство (фиг.2) следующим образом.
Каждый приемный канал 1 состоит из трех параллельных электрических цепей (A), (Б), (В), каждая из которых начинается с преобразователя 2 сигналов с регистрацией вертикальной (А) и двух горизонтальных компонент волнового поля (Б) и (B). Затем следуют работающие аналогично предыдущей схеме (фиг.1) усилители 3 и АЦП 4. Далее сигналы цепочек (А), (Б), (В) поступают на соответствующие входы блоков 10 предварительной обработки и передачи данных. Из блоков 10 предварительной обработки и передачи данных сигналы поступают в блок 5 памяти, а затем в дополнительный процессор 15, производящий преобразование системы координат в соответствующей точке приема к локальной системе координат, связанной с осями поляризации объемных волн Р, SV и SH. С первого выхода задания координат блока 9 выдается значение координат точки опроса на управляющий вход блока 16 расчета углов выхода сейсмического луча, которые вычисляются по стандартным методикам согласно используемой скоростной модели среды – равномерной, двумерной или трехмерной (Сейсмическая томография. Под ред. Нолета. М: “Мир”, 1990, стр.109-144). Результат подается на дополнительный процессор 15, и туда же подаются сигналы с третьего выхода запуска блока 9 – выхода задания типа проекции локальных координат. В соответствии с заданием, присланным из блока 9, дополнительный процессор 15 переключается на режим вычисления временной выборки для определенной локальной проекции Р, SV или SH и поставляет необходимые информационные сигналы в процессор 6. На выходе дополнительного процессора 15 получается сдвинутая по времени в соответствии с годографом сигнала проекция сигнала fij( i). Проекции на соответствующие направления рассчитываются по формулам где – проекции мгновенной амплитуды волнового шумового сейсмического поля на радиальное, поперечное вертикальное и поперечное горизонтальное направление соответственно; – регистрируемые мгновенные амплитуды на трехкомпонентных сейсмографах: UD – вертикальная компонента, EW и NS – горизонтальные компоненты с направлением восток-запад и север-юг соответственно;

где i – угол выхода сейсмического луча, i – его азимут (Количественная сейсмология. К.Аки, П.Ричардс. М: “Мир”, 1983, стр.114-115).
Далее работа устройства (фиг.2) осуществляется аналогично устройству (фиг.1). В результате при помощи синтезатора 13 регистрирующего устройства реконструируется изображение источников в различном типе волн.
Таким образом, в устройстве (фиг.2) вместо однокомпонентных приемников используются трехкомпонентные и производится вращение осей системы координат с целью преобразования записей в каждой точке приема к локальной системе координат, связанной с осями поляризации объемных волн Р, SV и SH (Количественная сейсмология. К.Аки, П.Ричардс. М: “Мир”, 1983, стр.114-115), в результате чего на входные каналы подаются только волны с выбранным типом поляризации. Это позволяет избавиться от паразитических наводок, которые могут быть ошибочно проинтерпретированы как источники, а также получить отображения источников отдельно в каждом типе волн, при этом отображения в различном типе волн могут отличаться, и характер отличия поставляет информацию о механизме генерации сигнала.
В устройство (фиг.3) введены межканальный интегратор 17, предназначенный для расчета линейного луча приемной группы (N=1), блок 18 вычисления параметров излучения, дополнительный синтезатор 19 изображения, соединенные последовательно, и коммутатор 20 потока данных. Коммутатор 20 предназначен для отключения процессора 6 и передачи данных на вход межканального интегратора 17. Вход коммутатора 20 соединен с выходом дополнительного процессора 15. Первый выход коммутатора 20 потока данных соединен с входом процессора 6, а второй его выход – с входом межканального интегратора 17. Блок 9 управления снабжен четвертым выходом запуска, подсоединенным к управляющему входу коммутатора 20. Выход дополнительного синтезатора 19 изображения соединен с входом дисплея 14 регистрирующего устройства 7.
Работает устройство (фиг.3) следующим образом.
Это устройство используется в случае, когда кроме локализации эндогенных источников необходима оценка параметров излучения, которая, как известно, поставляет информацию о процессах генерации сейсмического излучения и состоянии прилегающих областей среды.
В устройство добавлен коммутатор 20 потока данных, переключающий устройство из режима формирования отображения пространственного распределения источников сейсмического излучения, осуществляемого процессором 6, в режим формирования усиленного сигнала из выбранной области среды. После проведения локализации источника, по сигналу с четвертого выхода запуска блока 9 управления коммутатор 20 отключает первый выход и переключает устройство по второму выходу коммутатора в режим формирования усиленного сигнала из выбранной области среды, при этом проекция сигнала fji( i) на направление Р, SV или SH с введенными временными задержками поступает на вход межканального интегратора 17 для расчета линейного луча приемной группы. На выходе межканального интегратора 17 вычисляется временная реализация которой вследствие фокусировки на область источника сигнал усилен в раз. Затем информационный сигнал поступает в блок 18 вычисления параметров излучения, который производит по известным математическим выражениям соответствующий расчет параметров, характеризующих излучение, например мощности, спектра, тензора сейсмического момента. Блок 18 может быть снабжен памятью и при необходимости использования одновременно трех проекций сигнала Р, SV или SH, накапливает информацию. Далее результаты обработки из блока 18 поступают на дополнительный синтезатор 19 изображения и затем на дисплей 14.
В устройство (фиг.4) дополнительно введены по меньшей мере n устройств для микросейсмического мониторинга пространственного распределения источников эмиссии и рассеянного излучения, где n 1, и выполненных идентичными ранее описанному устройству (фиг.1). Регистрирующее устройство выполнено из синтезатора 13 изображения и из дисплея 14, соединенных последовательно. Синтезатор 13 снабжен дополнительным блоком 21 памяти и выполнен с n входами с возможностью синтеза изображения для каждого из n устройств и синтеза результирующего изображения.
Работает устройство (фиг.4) следующим образом.
При необходимости реконструкции изображений источников, расположенных на большой глубине или на большом удалении из-за невозможности установить приемную группу над источником, в соответствии с изображенной на фиг.4 функциональной схемой приемная группа разбивается на подгруппы, что позволяет сохранить высокий уровень корреляции сигнала внутри подгруппы и в тоже время улучшить пространственную разрешенность за счет мониторинга с разных точек обзора. В этом случае точки регистрации (места расположения преобразователей 2, фиг.1) располагаются в виде площадной расстановки, образующей несколько подгрупп, расположенных с разных сторон от исследуемой области. Для этого случая для каждой подгруппы используются индивидуальные блок 5 памяти, процессор 6, предназначенный для корреляционной обработки сигналов, блок 11 детектирования; информация с выходов блоков 11 детектирования каждого из n устройств поступает в синтезатор 13 изображения с памятью, в котором для каждой подгруппы n устройств формируется свое изображение. Затем в синтезаторе 13 синтезируется результирующее изображение, например, посредством перемножения матричных значений индивидуальных изображений, полученных по подгруппам. Для этого в дополнительном блоке 21 памяти накапливаются индивидуальные изображения, полученные на выходе n-го устройства, и из них в синтезаторе 13 формируется общее изображение, например, точно так же, как в ближайшем аналоге, путем перемножения.
В предложенном способе для одного из вариантов выполнения устройства (фиг.2) используются трехкомпонентные сейсмоприемники и проекция амплитуд на направление поляризации заданного типа объемных волн, что позволяет реконструировать изображение распределения эмиссионных и/или рассеивающих источников отдельно в каждом типе волн. Это устраняет ошибки опознавания источников при интерпретации результатов, повышает достоверность результата и точность оценок характеристик излучения в различных типах волн. Изображение распределения источников в различных типах волн и характеристики излучения могут существенно отличаться, при этом информация о характере отличия используется для определения механизма генерации сигнала. Например, если источник визуализируется в продольных волнах и не виден при реконструкции изображения в поперечных волнах, то излучение генерируется как результат флуктуации давления, не связано со сдвиговыми деформациями и, наиболее вероятно, является результатом процессов, связанных с жидкой и газообразной фазой.
Кроме того, в предложенном способе площадная система наблюдений располагается с небольшим заглублением относительно поверхности (5-50 м), что позволяет в несколько десятков раз снизить уровень поверхностной помехи и, таким образом, пропорционально, в несколько десятков раз, увеличить чувствительность метода. Использование же пространственно-распределенной трехмерной системы наблюдений с сейсмоприемниками, расположенными в скважинах, позволяет снизить уровень поверхностной помехи на несколько порядков, при этом также существенно улучшается пространственная разрешенность и точность определения координат источника.
При численной реконструкции изображения используется нелинейный луч приемной группы (N-th root beam), который позволяет улучшить разрешающую способность метода и существенно повысить его помехоустойчивость. Величина порядка нелинейности регулируется, увеличиваясь до значения, необходимого для обеспечения заданного пространственного разрешения, и в зависимости от степени зашумленности исходных данных. Из опыта применения способа к обработке реального сильно зашумленного экспериментального материала (сейсмические записи первых вступлений волн от землетрясений с большим искажением за счет прохождении сигнала в Земной коре с сильно неоднородной структурой при большом разнесении сейсмических станций) следует, что при значениях N=5 удается улучшить отношение значения главного максимума к уровню фона с 2 dB (при N=1) до 18 dB (при N=5) и обеспечить надежное детектирование источника.
Наиболее успешно заявленный способ микросейсмического мониторинга пространственного распределения источников эмиссии и рассеянного излучения и устройство для его осуществления промышленно применимы:
1) Для локации бурового инструмента в трехмерном пространстве и определения скорости проходки.
В месте контакта горной породы и породоразрушающего инструмента (долота) генерируется широкополосный сейсмический сигнал, локальные максимумы спектра которого связаны как с процессом формирования трещин и разрушением горной породы (истиранием, резанием или скалыванием в зависимости от типа долота), так и с собственными частотами колебаний породоразрушающего инструмента. По характерному смещению максимумов в спектре излучения и изменению скорости проходки оценивается относительное изменение прочности разбуриваемых пород и, при необходимости, вносятся коррекции в процесс бурения.
2) Для оконтуривания коллекторов пористого и трещинного типов, областей формирования разрывов сплошности (при гидроразрыве), мониторинга процесса скольжения бортов разломов (тектонически активных или искусственно активированных в процессе разработки месторождения) по эффекту сейсмической эмиссии – появлению высокочастотного (>1 Гц) сейсмического излучения как реакции энергонасыщенной среды на изменение напряженного состояния. Причиной вариаций напряженного состояния являются как природные фоновые процессы (лунно-солнечные приливы, микросейсмические бури, волны от удаленных и местных землетрясений, тектонические напряжения и пр.), так и техногенное воздействие (отбор нефти и газа, закачка или отбор растворов и воды и пр.). Механизм генерации сейсмоэмиссионного излучения связан с процессом возникновения и развития трещин при разрушении пород и нелинейным трением в процессе перестройки трещиноватой и раздробленной структуры. Положение максимумов спектра излучения несет информацию о характерных размерах неоднородностей среды. Распределение интенсивности источников эмиссионного излучения на начальных стадиях формирования гидроразрыва отражает пространственное распределение областей концентрации напряжений и зон ослабленной прочности, что позволяет проводить коррекцию процесса закачки при формировании трещины. После формирования гидроразрыва метод позволяет провести трехмерное оконтуривание сформировавшейся трещинной области гидроразрыва по эмиссионному излучению на стадии релаксации напряженного состояния.
3) Для трехмерного оконтуривания по рассеянному излучению жидкостно- и газонаполненых ловушек, а также камер, образующихся при разработках геотехнологическими методами (разработка месторождений калийной и каменной соли, подземная выплавка серы, выщелачивание металлов, подземная газификация угля). Зондирующим сигналом служат постоянно присутствующие естественные шумовые поля – сейсмический шум, штормовые микросейсмы, кода-волны удаленных или местных землетрясений, а также техногенные источники – излучение бурового инструмента или добычных агрегатов, перфарационные взрывы, излучение мощных приповерхностных источников.
4) Для мониторинга процесса перемещения флюида по трещинам, подводящим каналам и фильтрации в поровых коллекторах по эмиссионному излучению, являющемуся следствием флуктуации давления. С такой целью способ может быть использован для контроля процесса закачки и отбора жидкости и газа в подземных резервуарах, а также для геофизического мониторинга магматических резервуаров в зонах расположения активных вулканов.
5) Для контроля состояния покрышки и состояния полости в местах расположения подземных газохранилищ с целью обнаружения каналов утечки газа и оценки степени разрушенности покрышки.
6) Для определения центра распространения возмущения при анализе пространственно-временного распределения волн возмущения различных геофизичесих полей, таких как уровня грунтовых вод, их температуры, степени минерализации и соотношения концентраций растворимых веществ, интенсивности и состава подпочвенных газов и глубинных газовых эманации, а также технологических показателей, например, характеризующих состояние месторождений, таких как дебит скважин, плотность нефти, температура и пластовое давление. Подобного рода информация может быть использована для прогноза места тектонических землетрясений и оползней, для мониторинга магматических полостей и подводящих каналов в зонах вулканической активности, для разработки стратегии эксплуатации газовых, нефтяных, геотермальных и месторождений других полезных ископаемых.
Формула изобретения
1. Способ пассивного мониторинга пространственного распределения источников эмиссии и рассеянного излучения, включающий регистрацию волнового шумового сейсмического поля сейсмоприемниками, установленными в пунктах наблюдения и образующими площадную расстановку с заданным шагом расстановки в зависимости от длины волны регистрируемых волн шумового сейсмического поля, обработку полученных данных, по которой судят об эмиссионных свойствах среды и о наличии рассеивающих неоднородностей, отличающийся тем, что используют однокомпонентные или трехкомпонентные сейсмоприемники, а шаг расстановки сейсмоприемников задают не менее длины волны регистрируемых волн волнового шумового сейсмического поля, при этом апертура L установки сейсмоприемников в пунктах наблюдения выбирается не менее

где Н – максимальная глубина исследований;
v – скорость сейсмической волны;
f0 – основная частота излучения;
t – среднеквадратичные флуктуации времени прохода сигнала,
для реконструкции изображения среды в точках опроса производят расчет оценки S, которая позволяет получить пространственное распределение яркости в изображении, отражающее распределение мощности излучения из соответствующего элементарного объема вокруг точки опроса,


где К – число сейсмоприемников;
Т – число независимых временных отсчетов временной реализации:
Т=2Ft, где F – граничная частота, t – длина временного окна накапливания сигналов;
Bj – суммарный нелинейный луч приемной группы (N-th root beam);

N 1 – параметр нелинейности луча приемной группы;
i – временная задержка на i – канале, соответствующая годографу сейсмической волны, излучаемой из точки опроса;
fji – мгновенная амплитуда волнового шумового сейсмического поля при использовании однокомпонентных приемников или составляющая мгновенной амплитуды волнового шумового сейсмического поля с выбранным направлением поляризации на i – канале в j – момент времени при использовании трехкомпонентных приемников, где проекции на соответствующие направления определяются как где – проекции мгновенной амплитуды волнового шумового сейсмического поля на радиальное, поперечное вертикальное и поперечное горизонтальное направление соответственно; – регистрируемые мгновенные амплитуды волнового шумового сейсмического поля на трехкомпонентных сейсмографах: UD -вертикальная компонента, EW и NS – горизонтальные компоненты с направлением восток-запад и север-юг соответственно;
где i – угол выхода сейсмического луча, i – его азимут,
о наличии источников эмиссии или вторичного рассеянного излучения судят с учетом величины s – 95% – доверительного интервала значений оценки S для волнового поля, представленного случайной диффузной помехой, s определяет величину порога детектирования, при этом критерий присутствия источника эмиссионного излучения в среде – превышение величины абсолютного значения S в точке опроса величины доверительного интервала s,
где 
формируют изображение среды, распределение яркости которого отражает трехмерное распределение мощности излучения эмиссионных и рассеивающих источников.
2. Способ по п.1, отличающийся тем, что при площадной расстановке сейсмоприемники располагают в скважинах на глубине 5-50 м.
3. Способ по п.2, отличающийся тем, что сейсмоприемники располагают на разных глубинах для создания пространственно-распределенной трехмерной системы пунктов наблюдений.
4. Способ по п.1, отличающийся тем, что регистрацию волнового шумового сейсмического поля осуществляют разнесенными подгруппами сейсмоприемников, при этом формируют трехмерное изображение среды с построением изображений среды сначала по отдельным подгруппам, а затем компоновку одного результирующего изображения посредством почленного перемножения соответствующих трехмерных матриц распределений интенсивности излучения.
5. Устройство для пассивного мониторинга пространственного распределения источников эмиссии и рассеянного излучения, содержащее К приемных каналов, каждый из которых выполнен из преобразователя сигналов, усилителя, аналого-цифрового преобразователя, соединенных последовательно, при этом вход К-го преобразователя сигналов служит входом К-го приемного канала, блок памяти, процессор, предназначенный для когерентной обработки сигналов, вход которого соединен с выходом блока памяти, регистрирующее устройство, блок расчета временных задержек, выход которого соединен с первым управляющим входом блока памяти, блок управления, один выход запуска которого – выход задания координат – соединен с управляющим входом блока расчета временных задержек и с управляющим входом регистрирующего устройства, отличающееся тем, что в каждый из К приемных каналов введен блок предварительной обработки и передачи данных, вход которого соединен с выходом аналого-цифрового преобразователя, а выход К-го блока предварительной обработки и передачи данных служит выходом К-го приемного канала, при этом блок памяти выполнен с К входами данных, которые соответственно соединены с выходами соответствующего К-го приемного канала, введены блок детектирования и блок расчета порога детектирования, при этом вход данных блока детектирования подсоединен к выходу данных процессора, а его выход данных соединен с входом данных регистрирующего устройства, блок управления исполнен в виде контролера, выполненного с К+2 выходами запуска, из которых К выходов запуска соответственно по одному подсоединены к управляющему входу блока предварительной обработки и передачи данных для каждого из К приемных каналов, один выход запуска – упомянутый выход задания координат, и второй выход запуска – выход задания временного окна накапливания сигнала, второй выход запуска соединен со вторым управляющим входом блока памяти, с вторым информационным входом процессора и с управляющим входом блока расчета порога детектирования, выход которого подсоединен к управляющему входу блока детектирования.
6. Устройство по п.5, отличающееся тем, что регистрирующее устройство выполнено из синтезатора изображения и из дисплея, соединенных последовательно, при этом управляющий вход синтезатора изображения служит управляющим входом регистрирующего устройства, а его вход данных – входом данных регистрирующего устройства.
7. Устройство по п.5, отличающееся тем, что каждый из К приемных каналов выполнен с возможностью регистрации трех компонент объемных волн Р, SV, SH, для этого каждый из К приемных каналов выполнен из трех параллельных электрических цепей, каждая из которых выполнена из преобразователя сигналов, усилителя, аналого-цифрового преобразователя, соединенных последовательно, блок предварительной обработки и передачи данных снабжен двумя дополнительными входами и каждый один из выходов трех параллельных электрических цепей соответственно подсоединен к одному из трех соответствующих входов блока предварительной обработки и передачи данных, введены дополнительный процессор, выполненный обеспечивающим преобразование системы координат в соответствующей точке приема к локальной системе координат, и блок расчета углов выхода сейсмического луча, вход процессора подсоединен к выходу блока памяти через дополнительный процессор, управляющий вход блока расчета углов выхода сейсмического луча подсоединен к первому выходу запуска блока управления, а выход блока расчета углов выхода сейсмического луча подсоединен к первому управляющему входу дополнительного процессора, блок управления снабжен третьим выходом запуска – выходом задания типа проекции локальных координат, который соединен со вторым управляющим входом дополнительного процессора.
8. Устройство по п.7, отличающееся тем, что введены межканальный интегратор, предназначенный для расчета линейного луча приемной группы, блок вычисления параметров излучения, дополнительный синтезатор изображения, соединенные последовательно, и коммутатор потока данных, предназначенный для отключения процессора и передачи данных на вход межканального интегратора, вход коммутатора потока данных соединен с выходом дополнительного процессора, один выход коммутатора потока данных соединен с входом процессора, а второй его выход – с входом межканального интегратора, блок управления снабжен четвертым выходом запуска, подсоединенным к управляющему входу коммутатора потока данных, а выход дополнительного синтезатора изображения соединен с входом дисплея.
9. Устройство по п.5, отличающееся тем, что дополнительно введены по меньшей мере n устройств для пассивного мониторинга пространственного распределения источников эмиссии и рассеянного излучения, где n 1, и выполненных согласно п.5, регистрирующее устройство выполнено из синтезатора изображения и из дисплея, соединенных последовательно, синтезатор изображения снабжен дополнительным блоком памяти и выполнен с n входами с возможностью синтеза изображения для каждого из n устройств и синтеза результирующего изображения.
РИСУНКИ
|
|