| На основании пункта 3 статьи 13 Патентного закона Российской Федерации от 23 сентября 1992 г. № 3517-I патентообладатель обязуется передать исключительное право на изобретение (уступить патент) на условиях, соответствующих установившейся практике, лицу, первому изъявившему такое желание и уведомившему об этом патентообладателя и федеральный орган исполнительной власти по интеллектуальной собственности, – гражданину РФ или российскому юридическому лицу. |
|
(21), (22) Заявка: 2005108087/28, 22.03.2005
(24) Дата начала отсчета срока действия патента:
22.03.2005
(46) Опубликовано: 20.06.2006
(56) Список документов, цитированных в отчете о поиске:
Журавлев Э.Н. Методы и средства измерений высоких напряжений постоянного тока и их метрологическое обеспечение. – М.: Машиностроение, 1982, с.45-55. RU 2086996 C1, 10.08.1997. SU1109690 A1, 23.08.1984. JP 2000310660 A, 11.07.2000. US 6166553 A, 26.12.2000.
Адрес для переписки:
442960, Пензенская обл., г. Заречный, ул. Ленина, 66, кв.51, Д.И. Нефедьеву
|
(72) Автор(ы):
Нефедьев Дмитрий Иванович (RU)
(73) Патентообладатель(и):
Нефедьев Дмитрий Иванович (RU)
|
(54) УСТРОЙСТВО ДЛЯ КАЛИБРОВКИ ВЫСОКОВОЛЬТНЫХ ДЕЛИТЕЛЕЙ ПОСТОЯННОГО НАПРЯЖЕНИЯ
(57) Реферат:
Изобретение относится к измерительной технике и предназначено для калибровки высоковольтных делителей постоянного напряжения в широком диапазоне измеряемых величин. Технический результат – повышение точности. Для достижения данного результата устройство содержит регулируемый источник постоянного напряжения, электростатический киловольтметр, переключатели, эталонный высоковольтный делитель постоянного напряжения, выполненный в виде батарей сухих элементов с возможностью отключения части сухих элементов и изменения его коэффициента деления. При этом определение коэффициентов деления эталонного и калибруемого высоковольтных делителей постоянного напряжения производится при помощи двухрядного компаратора напряжений, к зажимам первого ряда которого подключено выходное плечо эталонного высоковольтного делителя постоянного напряжения в виде батареи сухих элементов, а к зажимам второго ряда двухрядного компаратора напряжений – выходное плечо калибруемого высоковольтного делителя постоянного напряжения. 1 ил.
Изобретение относится к электроизмерительной технике и предназначено для калибровки высоковольтных делителей постоянного напряжения в широком диапазоне измеряемых величин.
Известно устройство для калибровки высоковольтных делителей постоянного напряжения, содержащее источник постоянного напряжения, калибруемый высоковольтный делитель постоянного напряжения с возможностью замыкания части его резистивных элементов, вспомогательную измерительную цепь в виде многодекадного низковольтного делителя постоянного напряжения высокой точности и добавочного резистора на рабочее напряжение невысокой точности, подключенную параллельно калибруемому делителю постоянного напряжения, и нулевой индикатор [1].
Недостаток этого устройства заключается в сложности изготовления многодекадных низковольтных делителей постоянного напряжения высокой точности, а также в необходимости замыкания части резистивных элементов калибруемого высоковольтного делителя постоянного напряжения, что не всегда обеспечивается его конструктивным исполнением.
Известно устройство (прототип) для калибровки высоковольтных делителей постоянного напряжения, содержащее регулируемый источник постоянного напряжения, эталонный высоковольтный делитель постоянного напряжения, выполненный на основе высоковольтной и низковольтной батарей сухих элементов, параллельно которому посредством переключателя подключен калибруемый высоковольтный делитель постоянного напряжения, электростатический киловольтметр и устройство сравнения.
Недостаток известного устройства (прототипа) заключается в не вполне корректном определении отношения напряжений батарей сухих элементов, так как не учитывается возможное появление токов утечек на элементах батарей, находящихся под высоким напряжением. Кроме этого, калибруемый высоковольтный делитель постоянного напряжения должен иметь специальную конструкцию – низковольтное плечо делителя должно обеспечивать возможность регулировки коэффициента деления калибруемого высоковольтного делителя постоянного напряжения.
Задача, на решение которой направлено заявляемое изобретение, заключается в разработке технического решения, которое обеспечивает упрощение процесса калибровки эталонного высоковольтного делителя постоянного напряжения в виде батарей сухих элементов при рабочем напряжении и снижение погрешности, обусловленной токами утечки.
Эта задача решена в результате того, что в устройстве для калибровки высоковольтных делителей постоянного напряжения, содержащем регулируемый источник постоянного напряжения, эталонный высоковольтный делитель постоянного напряжения, выполненный на основе высоковольтной и низковольтной батарей сухих элементов, параллельно которому посредством переключателя подключен калибруемый высоковольтный делитель постоянного напряжения, электростатический киловольтметр и устройство сравнения, определение коэффициентов деления эталонного и калибруемого высоковольтных делителей постоянного напряжения производится при помощи двухрядного компаратора напряжений, к зажимам первого ряда которого подключено выходное плечо эталонного высоковольтного делителя постоянного напряжения в виде батареи сухих элементов, а к зажимам второго ряда двухрядного компаратора напряжений подключено выходное плечо калибруемого высоковольтного делителя постоянного напряжения, при этом эталонный высоковольтный делитель постоянного напряжения выполнен с возможностью отключения части сухих элементов и изменения его коэффициента деления.
Упрощение процесса поверки эталонного высоковольтного делителя постоянного напряжения в виде батарей сухих элементов и снижение его погрешности обеспечивается в результате того что калибровка эталонного высоковольтного делителя постоянного напряжения производится при рабочем напряжении, и в процессе калибровки не требуется производить большое количество измерений, равное количеству сухих элементов в эталонном высоковольтном делителе постоянного напряжения. При этом процесс калибровки эталонного высоковольтного делителя постоянного напряжения совмещен с процессом определения коэффициента деления калибруемого высоковольтного делителя постоянного напряжения.
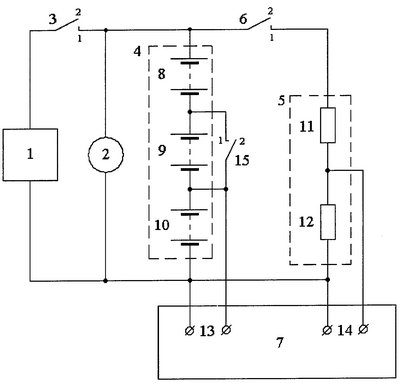
На чертеже приведена схема устройства для калибровки высоковольтных делителей постоянного напряжения.
Устройство для калибровки высоковольтных делителей постоянного напряжения содержит регулируемый источник постоянного напряжения 1, электростатический киловольтметр 2, переключатель 3, обеспечивающий отключение регулируемого источника постоянного напряжения 1 от измерительной схемы, эталонный высоковольтный делитель постоянного напряжения 4, выполненный в виде батарей сухих элементов, калибруемый высоковольтный делитель постоянного напряжения 5, переключатель 6, обеспечивающего отключение эталонного высоковольтного делителя постоянного напряжения 4 от калибруемого высоковольтного делителя постоянного напряжения 5, и двухрядный компаратор напряжения 7.
Эталонный высоковольтный делитель постоянного напряжения 4 содержит высоковольтное плечо 8, замыкаемое плечо 9 и выходное (низковольтное) плечо 10, при этом отношение напряжений батарей сухих элементов замыкаемого плеча 9 и выходного (низковольтного) плеча 10 ориентировочно равно 10:1 (в данном случае знать точные значения отношений напряжений плеч 8, 9, 10 не требуется). Калибруемый высоковольтный делитель постоянного напряжения 5 содержит высоковольтное плечо 11 и выходное (низковольтное) плечо 12.
Выходное плечо 10 эталонного высоковольтного делителя постоянного напряжения 4 подключено к зажимам 13 первого ряда двухрядного компаратора напряжений 7, а выходное плечо 12 калибруемого высоковольтного делителя постоянного напряжения 5 подключено к зажимам 14 второго ряда двухрядного компаратора напряжений 7. Коммутация элементов эталонного высоковольтного делителя постоянного напряжения 4 осуществляется при помощи переключателя 15.
Напряжение на батарее сухих элементов выходного (низковольтного) плеча 10 эталонного высоковольтного делителя постоянного напряжения 4 равно номинальному значению напряжения выходного (низковольтного) плеча 12 калибруемого высоковольтного делителя постоянного напряжения 5. Напряжение выходного (низковольтного) плеча 10 эталонного высоковольтного делителя постоянного напряжения 4 не должно превышать входного напряжения двухрядного компаратора напряжения 7.
Работа устройства для калибровки высоковольтных делителей постоянного напряжения заключается в следующем.
Собирается схема в соответствии с чертежом, при этом переключатель 3 устанавливается в положение “1”, переключатели 6, 15 – в положение “2”. При помощи электростатического киловольтметра 2 измеряется напряжение на эталонном высоковольтном делителе постоянного напряжения 4, и при помощи двухрядного компаратора напряжения 7 измеряется напряжение на выходном (низковольтном) плече 10 эталонного высоковольтного делителя постоянного напряжения 4.
На первом этапе измерений переключатели 3, 6 устанавливаются в положение “1”, переключатель 15 – в положение “2”. От регулируемого источника постоянного напряжения 1 на схему подается напряжение, равное напряжению эталонного высоковольтного делителя постоянного напряжения 4, и регулируется таким образом, чтобы напряжение на выходном (низковольтном) плече 10 эталонного высоковольтного делителя постоянного напряжения 4 было равно напряжению, измеренному двухрядным компаратором напряжения 8. Падение напряжения на выходном (низковольтном) плече 12 калибруемого высоковольтного делителя постоянного напряжения 5 измеряется при помощи двухрядного компаратора напряжения 7. При этом выполняется равенство:

где
U8, U9, U10 – напряжение соответственно батарей сухих элементов 9, 10, 11 эталонного высоковольтного делителя постоянного напряжения 4;
R11, R12 – сопротивления соответственно высоковольтного плеча 11 и выходного (низковольтного) плечо 12 калибруемого высоковольтного делителя постоянного напряжения 5;
U13-1 и U14-1 – показания соответственно первого 13 и второго 14 рядов двухрядного компаратора напряжения 7.
Уравнение (1) можно представить в виде:

где:
К5 – коэффициент деления калибруемого высоковольтного делителя постоянного напряжения 5;
1=U13-1/U14-1 – отношение показаний первого 13 и второго 14 рядов двухрядного компаратора напряжений 7.
На втором этапе измерений производится отключение батареи сухих элементов 9 эталонного высоковольтного делителя постоянного напряжения 4 (переключатель 15 устанавливается в положение “1”). От регулируемого источника постоянного напряжения 1 на схему подается такое напряжение, при котором падение напряжения на выходном (низковольтном) плече 10 эталонного высоковольтного делителя постоянного напряжения 4 осталось бы неизменным. При этом выполняется новое равенство:

где:
U8 и U10 – напряжение соответственно батарей сухих элементов 9, 11 эталонного высоковольтного делителя постоянного напряжения 4;
R11, R12 – сопротивления соответственно калибруемого высоковольтного делителя постоянного напряжения 5.
Уравнение (3) можно представить в виде:

где:
2=U13-2/U14-2 – отношение показаний первого 13 и второго 14 рядов двухрядного компаратора напряжений 7.
На третьем этапе измерений приводится определение коэффициента преобразования эталонного высоковольтного делителя постоянного напряжения 4, составленного из плеч 9 и 10, методом автономной (независимой) поверки. При этом выполняется равенство:

где:
3 – коэффициент преобразования эталонного высоковольтного делителя постоянного напряжения 4, составленного из плеч 9 и 10, определенный способом независимой (автономной) поверки.
Уравнение (5) можно представить в виде:

Решая совместно уравнения (2), (4), (6), находим коэффициент деления К5 калибруемого высоковольтного делителя постоянного напряжения 5 по полученным значениям 1, 2, 3:

Коэффициент деления К4 эталонного высоковольтного делителя постоянного напряжения 4, исходя из выражений (7) и (1), равен:

Таким образом, предложенное техническое решение упрощает процесс поверки эталонного высоковольтного делителя постоянного напряжения, выполненного в виде батарей сухих элементов, и снижает его погрешности. При этом не требуется долговременная стабильность сухих элементов, так как поверка эталонного высоковольтного делителя постоянного напряжения совмещена с калибровкой высоковольтного делителя постоянного напряжения, низковольтное выходное плечо которого выполнено постоянным.
Источники информации
1. Журавлев Э.Н. Методы и средства измерений высоких напряжений постоянного тока и их метрологическое обеспечение. – М.: Машиностроение, 1982. – С.40-41.
2. Журавлев Э.Н. Методы и средства измерений высоких напряжений постоянного тока и их метрологическое обеспечение. – М.: Машиностроение, 1982. – С.45-55.
Формула изобретения
Устройство для калибровки высоковольтных делителей постоянного напряжения, содержащее регулируемый источник постоянного напряжения, эталонный высоковольтный делитель постоянного напряжения, выполненный на основе высоковольтной и низковольтной батарей сухих элементов, параллельно которому посредством переключателя подключен калибруемый высоковольтный делитель постоянного напряжения, электростатический киловольтметр и устройство сравнения, отличающееся тем, что эталонный высоковольтный делитель постоянного напряжения на основе батарей сухих элементов выполнен с возможностью отключения части сухих элементов и изменения коэффициента деления эталонного высоковольтного делителя постоянного напряжения, устройство сравнения выполнено в виде двухрядного компаратора напряжений, при этом выходное плечо эталонного высоковольтного делителя постоянного напряжения в виде батареи сухих элементов подключено к первому ряду двухрядного компаратора напряжений, а выходное плечо калибруемого высоковольтного делителя постоянного напряжения подключено ко второму ряду двухрядного компаратора напряжений.
РИСУНКИ
|