|
|
(21), (22) Заявка: 2005100996/02, 18.01.2005
(24) Дата начала отсчета срока действия патента:
18.01.2005
(46) Опубликовано: 20.06.2006
(56) Список документов, цитированных в отчете о поиске:
RU 2223505 C1, 10.02.2004. RU 2204111 С2, 10.05.2003. DE 2754420 B2, 13.06.1979. SU 888143 А, 07.12.1981. DE 33337001 A1, 04.04.1985.
Адрес для переписки:
426067, г.Ижевск, ул. Т. Барамзиной, 34, Институт прикладной механики УрО РАН
|
(72) Автор(ы):
Афанасьева Наталья Юрьевна (RU), Афанасьев Владимир Александрович (RU), Веркиенко Юрий Всеволодович (RU), Казаков Виктор Степанович (RU), Коробейников Вячеслав Васильевич (RU)
(73) Патентообладатель(и):
Институт прикладной механики УрО РАН (RU)
|
(54) УСТРОЙСТВО ДЛЯ ОПРЕДЕЛЕНИЯ ВНЕШНЕБАЛЛИСТИЧЕСКИХ ПАРАМЕТРОВ МЕТАТЕЛЬНОГО ЭЛЕМЕНТА С ПОМОЩЬЮ ФОТОЛИНЕЕК И СВЕТОВЫХ ЭКРАНОВ
(57) Реферат:
Изобретение относится к области определения внешнебаллистических параметров (координат, скорости и углового положения метательных элементов – пуль и снарядов) при стрельбе прямой наводкой по вертикальным преградам (мишеням) и может использоваться при экспериментальном определении пробивной способности пуль и снарядов и качества брони в процессе их отработки или контроля при изготовлении. Технический результат – одновременное автоматическое определение с повышенной точностью внешнебаллистических параметров метательного элемента: скорости, координат пролета и углов нутации и прецессии. Устройство содержит два параллельных световых экрана для определения скорости полета и прогнозирования времени обнуления двух пар фотолинеек, и считывания информации с первой пары фотолинеек в момент пересечения серединой метательного элемента световых экранов этой пары фотолинеек и после выхода метательного элемента из световых экранов второй пары фотолинеек с этих фотолинеек. В устройстве обеспечивается измерение моментов времени входа метательного элемента в световые экраны для измерения скорости и моментов выхода из них и вычисление моментов времени пересечения серединой метательного элемента световых экранов, использование которых при определении скорости и координат пролета исключает погрешность из-за нутации и прецессии. По координатам середин теней на второй паре фотолинеек определяют с помощью угломерно-базового метода координаты пролета метательного элемента. По совпадениям координат границ теней на первых и вторых парах фотолинеек определяют знаки углов наклона; по ширине полных теней на вторых фотолинейках, знакам углов наклона, координатам пролета с помощью теневых характеристик (зависимостей ширины теней от углов наклона) определяют углы наклона оси метательного элемента и углы прецессии и нутации. 7 ил.
Изобретение относится к области определения внешнебаллистических параметров (координат, скорости и углового положения метательных элементов – пуль и снарядов) при стрельбе прямой наводкой по вертикальным преградам (мишеням) и может использоваться при экспериментальном определении пробивной способности пуль и снарядов и качества брони в процессе их отработки или контроля при изготовлении.
Известны способ и аппаратура для определения углов нутации и прецессии, определяющих угловое положение метательного элемента (пули или снаряда) по характеру пробоины в специально обработанных (прокаленных) экранах из бумаги или картона [Ермолаев С.И., Комаров Л.Б., Чурбанов Е.В. Внешняя баллистика. – Л.: ВМАКВ им. А.М.Крылова, 1958. – 688 с.]. Пробоина имеет овальную (эллипсовидную) форму. Угол наклона овала является углом прецессии . Угол нутации функционально зависит от отношения большого диаметра овала d1 к малому диаметру d2. Зависимость может быть заранее вычислена по чертежу или определена экспериментально по тени элемента на экран в плоскопараллельном потоке света.
Недостатками способа являются ручные измерения, затраты времени на установку и снятие экранов, необходимость замены расходных материалов после каждого выстрела и повышенная опасность из-за необходимости выхода в огневой коридор для снятия и установки экранов. Кроме того, при углах нутации примерно до 5-ти градусов отношение диаметров практически равно единице и, следовательно, угол нутации менее 5-ти градусов не регистрируется.
Известны способ и аппаратура для определения углов нутации и прецессии, определяющих угловое положение метательного элемента по наклону проекций на вертикальную и горизонтальную плоскости [Вердин Г.Д., Родин А.А. Прикладная баллистика. Методы и средства баллистических измерений. М.: Машиностроение, 1975. – 232 с. Баркан С.А. и др. Полигонные испытания боеприпасов артиллерии. – М.: Воениздат, 1958. – 630 с.]. Способ основан на фотографировании метательного элемента двумя скоростными камерами с двух взаимно перпендикулярных направлений. Для получения фотографий элемента используется метод фотографирования с засветкой фотобумаги или фотопленки двумя импульсными точечными источниками света.
Недостатками метода являются необходимость синхронизации момента вспышки, трудоемкость получения фотоснимков, расход материалов и ручная обработка фотоснимков.
Известна световая мишень [Патент РФ №2213320, класс МКИ F 41 J 5/02, Бюл. №27, 27.09.2003 /Авт. Афанасьева Н.Ю., Веркиенко Ю.В., Казаков В.С., Коробейников В.В. по заявке №2002116940/02 от 24.06.2002.] с определением скорости измерением временного интервала между последовательным пересечением метательным элементом (пулей или снарядом) двух параллельных световых экранов (световых плоскостей), образованных с помощью протяженных линейных источников света (излучения), расположенных по одну сторону от снопа траекторий, и оптически связанных с ними оптико-электронных преобразователей, расположенных по другую сторону от снопа траекторий. Недостатком является то, что устройство не позволяет определять угловое положение метательного элемента.
Наиболее близким аналогом является устройство для измерения перемещения, скорости, ускорения и темпа движения объекта [Патент РФ №2223505, кл. G 01 Р 3/68, Бюл. №4 от 10.02.2004 по заявке №2002116945 от 24.06.2002], содержащее источник света, флажок, связанный с подвижным объектом, фотолинейку (например, ПЗС – линейный прибор с зарядовой связью), электронный блок и вычислитель, позволяющие с большой частотой фиксировать положение тени флажка на фотолинейке при его перемещении. Недостатком устройства является невозможность непосредственного использования его для определения углового положения метательного элемента и определение только одной (на прямой) координаты, а не двух координат (на плоскости).
Задача изобретения заключается в устранении ручной обработки, исключении расходных материалов, исключении выхода операторов в огневой коридор до и после проведения стрельбы, обеспечении одновременного определения при каждом выстреле скорости, координат пролета и углового положения метательного элемента (углов нутации и прецессии).
Задача решается тем, что устройство содержит систему световых экранов. Два первых световых экрана параллельны, образованы линейными протяженными излучателями и расположенными по другую сторону от снопа траекторий и оптически связанными с излучателями оптико-электронными преобразователями. Два вторых световых экрана параллельны двум первым, расположены за первыми по направлению стрельбы в одной плоскости (совмещены) и образованы двумя взаимно перпендикулярными излучателями и расположенными в одной плоскости по другую сторону от снопа траекторий и оптически связанными с излучателями камерами с фотолинейками, два третьих световых экрана расположены за двумя вторыми и образованы теми же вторыми излучателями и камерами с фотолинейками, установленными рядом с камерами двух вторых световых экранов по направлению стрельбы. В устройстве обеспечивается фиксация моментов времени входа метательного элемента в два первых световых экрана и моментов выхода из них, вычисление моментов времени пролета серединой метательного элемента двух первых световых экранов, скорости полета и прогноза времени подлета ко вторым совмещенным световым экранам для обнуления фотолинеек всех камер, вычисление времени пролета серединой метательного элемента вторых совмещенных световых экранов и определение границ теней на двух первых фотолинейках, прогноза времени вылета метательного элемента из двух третьих световых экранов и определение границ теней на двух вторых фотолинейках, определение середин теней на двух вторых фотолинейках и координат пролета по угломерно-базовому способу, определение по совпадению границ теней на первых и вторых фотолинейках знаков углов наклона метательного элемента и определение углов наклона, углов нутации и прецессии по координатам пролета, знакам углов наклона и ширине теней на вторых фотолинейках с помощью заранее вычисленных или построенных экспериментально теневых характеристик, соответствующих метательному элементу.
Технический результат – исключение расходных материалов (специально обработанных бумаги или картона, фотопленки или фотобумаги и химических реактивов для проявления и закрепления); безопасность (операторы не выходят в огневой коридор); автоматизация измерений и обработки результатов; сокращение времени подготовки к испытаниям и получения результатов; повышение точности определения внешнебаллистических параметров (скорости, координат пролета и углов, характеризующих угловое положение метательного элемента) и повышение информативности испытаний за счет одновременного определения всех внешнебаллистических параметров при одном выстреле.
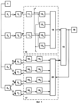
На фиг.1 изображена схема устройства для определения внешнебаллистических параметров метательного элемента с помощью фотолинеек и световых экранов; на фиг.2 показаны углы, определяющие угловое положение метательного элемента; на фиг.3 показана схема оптико-электронного преобразователя; на фиг.4 – световые экраны, образованные излучателями, оптико-электронными преобразователями и камерами с фотолинейками; на фиг.5 – углы, определяющие переход от системы координат метательного элемента к системе координат огневого коридора и обратно; на фиг.6 – образование тени с границами y’1, y’2 на фотолинейке по тени с границами y1, y2 метательного элемента; на фиг.7 – схема к определению координат (y, z) угломерно-базовым методом с помощью фотолинеек.
Устройство содержит блок питания излучателей 1; линейные протяженные излучатели 2i, i=1…4; оптико-электронные преобразователи 31, 32, образующие совместно с излучателями два первых параллельных, перпендикулярных направлению стрельбы световых экрана 41, 42; камеры с фотолинейками 51, 52, установленные в одной плоскости напротив взаимно перпендикулярных, установленных в этой же плоскости излучателей 22 24 и образующие совместно с ними два вторых совмещенных световых экрана 61, 62; камеры с фотолинейками 71, 72, установленные рядом с камерами 51, 52 по направлению стрельбы и образующие с излучателями 23, 24 два третьих световых экрана 81, 82, расположенные за двумя вторыми по направлению стрельбы; коаксильные линии связи 9; блок согласующих и пороговых устройств 10 с согласующими усилителями 112, 112 и пороговыми устройствами (компараторами) с прямыми входами 121, 122 и инверсными входами 131, 132; схему ИЛИ 14; ЭВМ 15 с устройством отображения информации 16; мультиплексор 17 с усилителями-формирователями 18i, i=1…4 (компараторами для формирования бинарного кода) и устройствами запоминания бинарных кодов 19i, и схемой управления 20. Выход схемы ИЛИ 14 связан с входом прерываний ЭВМ 15. Вход схемы управления 20 мультиплексора 17 связан с выходом ЭВМ 15. Управляющие выходы схемы управления 20 мультиплексора 17 связаны с входами фотолинеек 5i, 7i, информационный выход схемы управления 20 мультиплексора 17 связан с входом ЭВМ 15, выходы устройств запоминания 19i связаны с информационными входами схемы управления 20 мультиплексора 17.
Приемник (оптико-электронный преобразователь) 3i (фиг.3) имеет прямоугольную щелевую диафрагму перед объективом (линзой) 21, в фокальной плоскости которой (на фокусном расстоянии или меньшем до 0,5 ‘) расположена чувствительная площадка фотоприемника (фотодиода) 22, выход которого соединен с входом усилителя фототока 23. Выходы усилителей фототока коаксиальными линиями связи 9 соединены с входами согласующих устройств 11.
Математическая сущность изобретения заключается в следующем. Метательный элемент (например, пуля или снаряд) представляет собой тело вращения, с которым связана система координат Х2Y2Z2, ось Х2 которой совпадает с осью вращения, ось Y2 перпендикулярна оси Х2 и лежит в вертикальной плоскости, проходящей через ось Х2, а ось Z2 образует с осями Х2, Y2 правую тройку (фиг.2, 5). Зададим профиль метательного элемента в плоскости X2Y2. Он задается уравнением

где L – длина метательного элемента.
Тогда уравнение поверхности вращения есть

С огневой трассой (тира или полигона) связана прямоугольная система координат XYZ, ось Х которой горизонтальна и направлена по направлению стрельбы, ось Y вертикальна, а ось Z образует с ними правую тройку. Угловое положение метательного элемента (система координат X2Y2Z2) характеризуется углами , * или *, , показанными на фиг.2, 5. Для перехода от системы координат тира XYZ к системе координат метательного элемента X2Y2Z2 нужно сделать поворот на угол относительно оси Y (получается система X1Y1Z1), а затем – на угол * относительно оси Z1 (получается система X2Y2Z2). В случае определения координат поверхности вращения в системе XYZ сделаем поворот в обратном направлении, т.е. сначала на угол – *, а затем на угол – около соответствующих осей. В результате получим

где М – матрицы вращения вокруг соответствующей оси, причем

где s2=sin , c2=cos , s3=sin , c3=cos .
От системы координат тира XYZ перейдем к связанной с координатами точки пролета через световой экран фотолинеек системе координат XCYCZC путем поворота на угол относительно оси X, где y, z – координаты точки пролета в системе XYZ, начало которой выбрано в точке центрального проектирования объектива камеры фотолинейки (фиг.6). Тогда в системе координат XCYCZC имеем

где матрица вращения вокруг оси X на угол равна

Для нахождения тени метательного элемента на вертикальной фотолинейке рассмотрим второе уравнение из (5)

и найдем экстремальные точки (границы тени) в плоскости XCYC, образуемые поверхностью вращения (2) в диапазоне х2 согласно (1). Если задано аналитическое выражение функции (x2), то можно получить аналитическое выражение границ yC1, yC2. Если аналитическое выражение не задано, то границы можно определить экспериментально по тени метательного элемента, наклоненного на углы , в потоке плоскопараллельных лучей света под углом .
В частности, в случае тонкого метательного элемента (тонкого стержня длиной L) получим

В случае тупого метательного элемента (цилиндр длиной L и диаметром 2R) получим

Теневая характеристика (9) близка к характеристике тупой пули.
Согласно оптической схеме фиг.6 в случае относительно малого углового размера метательного элемента т.е. в случае   0 имеем

где h’B – длина тени на вертикальной фотолинейке.
В случае тени на горизонтальной линейке следует в теневой характеристике ( , , ) поменять аргументы y, z и , местами и заменить угол на , т.е.

Для определения координат пролета метательного элемента (y, z) воспользуемся угломерно-базовым способом. Найдем середину тени на вертикальной и горизонтальной линейках

и согласно фиг.7 получим


где Dy, Dz – расстояния от начала координат мишени до центров проектирования камер с фотолинейками согласно фиг.7.
Скорость полета метательного элемента раньше определялась по времени пролета фиксированной базы. Для повышения точности измеряются моменты времени входа метательного элемента tвх1, tвх2 в параллельные световые экраны 41, 42 и моменты времени выхода tвых1, tвых2 из них. После этого вычисляются моменты времени t1, t2 пересечения световых экранов серединой метательного элемента

и скорость

где S – расстояние между параллельными световыми экранами 41, 42.
Для определения углов наклона метательного элемента решается система уравнений (10), (11) относительно , при измеренных длинах теней hг, hв, определенных знаках углов наклона и вычисленных по (13), (14) координатах пролета y, z. Затем вычисляются углы нутации и прецессии согласно фиг.2, из которой



Таким образом, способ и устройство обеспечивают определение внешнебаллистических параметров: скорости, координат пролета и углов, определяющих угловое положение оси метательного элемента ( , или углов нутации и прецессии ).
Устройство работает следующим образом.
При полете метательный элемент последовательно пересекает световые экраны 41, 42, образованные линейными протяженными излучателями 21, 22 и оптически связанными с ними оптико-электронными преобразователями 31, 32, световые экраны 61, 62, образованные излучателями 23, 24 и оптически связанными с ними камерами с фотолинейками 51, 52, световые экраны 81, 82, образованные излучателями 23, 24 и оптически связанными с ними камерами с фотолинейками 71, 72. При пересечении первых световых экранов 21, 22 часть светового потока, падающего от излучателей на фотоприемники оптико-электронных преобразователей, затеняется и на выходах усилителей фототоков формируются электрические импульсы, передние фронты которых соответствуют моментам входа метательного элемента в световые экраны, а задние фронты – моментам выхода метательного элемента из световых экранов. Эти сигналы по коаксиальным линиям связи 9 поступают на входы усилителей-формирователей 111, 112 блока формирующих и пороговых устройств 10, а с выходов усилителей-формирователей 111, 112 – на входы пороговых устройств (компараторов) с прямыми входами 121, 122 и с инверсными входами 131, 132. Электрические сигналы с выходов компараторов объединяются по схеме ИЛИ 14 и с выхода поступают на вход прерывания ЭВМ 15. По сигналам прерывания фиксируются состояния таймера ЭВМ и коды времени, соответствующие моментам входа tвх1, tвх2 метательного элемента в световые экраны и моментам выхода tвых1, tвых2 из них, и записываются в память ЭВМ. После записи последнего кода вычисляются средние значения соответствующие прохождению через экраны середины метательного элемента, вычисляется скорость полета (S расстояние между световыми экранами 11, 12), вычисляется время подлета метательного элемента к световым экранам 61, 62, равное (S1 – расстояние между экраном 42 и совмещенными экранами 61, 62, L – длина метательного элемента), вычисляется время прохождения серединой метательного элемента совмещенных световых экранов 61, 62, вычисляется время (с гарантией) вылета метательного элемента из световых экранов 81, 82, равное где S2 – расстояние между экраном 42 и камерами 71, 72. В момент времени tn по сигналу управления с выхода ЭВМ 15, поступающему на вход схемы управления 20 мультиплексора 17, с управляющих выходов схемы 20 поступают серии сдвигающих импульсов на входы всех фотолинеек 5i и 7i. Число сдвигающих импульсов равно количеству ячеек фотолинеек. В результате информация с фотолинеек выталкивается без запоминания, ячейки таким образом обнуляются, и начинается процесс накопления информации. В момент времени tc аналогично по управляющему сигналу с выхода ЭВМ 15 от схемы управления 20 мультиплексора 17 серии сдвигающих импульсов поступают на входы фотолинеек 51, 53. Бинарные коды с выходов компараторов 181, 183 запоминаются в устройстве 191, 193. В момент времени tв аналогично по управляющему сигналу с выхода ЭВМ 15 в мультиплексоре 17 формируются серии сдвигающих импульсов, поступающих на входы фотолинеек 71, 72. Аналогичным образом в устройствах запоминания 192, 194 запоминаются бинарные коды состояния фотолинеек 71, 72. После запоминания коды всех устройств запоминания 19i с информационного выхода мультиплексора 17 поступают на информационный вход ЭВМ 15. В ЭВМ производится анализ кодов, и по переходам из 0 в 1 и наоборот из 1 в 0 определяются границы теней на фотолинейках и их координаты, соответствующие номерам ячеек перехода кодов из 0 в 1 и наоборот. Затем осуществляется сравнение верхних (левых) и нижних (правых) границ теней линеек 51 и 71, линеек 52 и 72. Совпадающие границы определяют знаки углов наклона метательного элемента. После определения знаков углов наклона используются координаты границ теней только на фотолинейках 71, 72, на которых были сформированы “полные” тени. Теперь по (13), (14) в ЭВМ вычисляются координаты пролета метательного элемента (y, z). После этого для определения углов наклона решается система уравнений (10), (11) и, наконец, вычисляются углы нутации и прецессии по формулам (17)-(19). В завершение результаты выводятся на устройство отображения 16.
Формула изобретения
Устройство определения углового положения метательного элемента, содержащее световые экраны, линейные излучатели и расположенные по другую сторону от снопа траекторий оптически связанные с ними оптико-электронные преобразователи и камеры с фотолинейками, блок питания излучателей, коаксиальные линии связи, согласующие и пороговые устройства световых экранов, схему ИЛИ, усилители-формирователи сигналов фотолинеек, ЭВМ и устройство отображения информации и отличающееся тем, что два световых экрана с оптико-электронными преобразователями перпендикулярны направлению стрельбы, две камеры с фотолинейками установлены в одной плоскости с двумя взаимно перпендикулярными излучателями, расположенными по другую сторону от снопа траекторий, две камеры с фотолинейками расположены рядом с первыми со смещением по направлению стрельбы и оптически связаны с взаимно перпендикулярными излучателями, выходы согласующих устройств соединены дополнительно со входами пороговых устройств с инверсными входами, выходы которых соединены с входами схемы ИЛИ, выходы усилителей-формирователей сигналов фотолинеек соединены со входами запоминающих устройств, управляющие выходы мультиплексора соединены с управляющими входами фотолинеек, информационные выходы мультиплексора соединены с входом ЭВМ, а управляющий вход мультиплексора соединен с выходом ЭВМ.
РИСУНКИ
MM4A – Досрочное прекращение действия патента СССР или патента Российской Федерации на изобретение из-за неуплаты в установленный срок пошлины за поддержание патента в силе
Дата прекращения действия патента: 19.01.2007
Извещение опубликовано: 10.09.2008 БИ: 25/2008
|
|