|
|
(21), (22) Заявка: 2004135016/06, 01.12.2004
(24) Дата начала отсчета срока действия патента:
01.12.2004
(46) Опубликовано: 20.06.2006
(56) Список документов, цитированных в отчете о поиске:
Политехнический словарь./ Под ред. Артоболевского. – М.: Советская энциклопедия, 1977, с.15. RU 2027865 C1, 27.01.1995. SU 989234 A1, 15.01.1983. RU 2166644 С2, 10.05.2000. RU 2169272 С2, 20.06.2001. US 5136848 А, 11.08.1992. DE 4344118 А, 29.06.1995.
Адрес для переписки:
113054, Москва, ул. М. Пионерская, 12/3, МГИЭМ, каф. ТСЭ, Е.Н. Ивашову
|
(72) Автор(ы):
Василенко Николай Васильевич (RU), Федуро Михаил Иванович (RU), Ивашов Евгений Николаевич (RU), Гармашов Виктор Александрович (RU), Гришин Виктор Владиславович (RU), Пивень Владимир Валентинович (RU), Чепиков Олег Николаевич (RU), Колпаков Дмитрий Евгеньевич (RU), Щепанский Денис Владимирович (RU), Попеляев Аркадий Владиславович (RU)
(73) Патентообладатель(и):
Василенко Николай Васильевич (RU)
|
(54) СПОСОБ АВТОМАТИЧЕСКОГО РЕГУЛИРОВАНИЯ ТЕХНОЛОГИЧЕСКИМИ ПРОЦЕССАМИ В ПРЯМОТОЧНЫХ КОТЛОАГРЕГАТАХ
(57) Реферат:
Изобретение относится к области управления энергосистемами, а более конкретно к способам автоматического регулирования технологическими процессами в прямоточных котлоагрегатах. В основу изобретения положена задача обеспечить надежное автоматическое регулирование технологическими процессами в прямоточных котлоагрегатах при обеспечении их нормальной работы в постоянно и переменно регулируемом диапазоне нагрузок и обеспечить участие прямоточных котлоагрегатов в первичном регулировании частоты электрического тока энергоблоков при изменении мощности и частоты тока в сети ЕЭС России. Эта задача решается тем, что в способ добавляют автоматическое регулирование механизмом управления клапаном турбины, частотой в энергосистеме, давлением пара в турбине и активной мощностью, причем управляющий сигнал от измерителя частоты подают на главный регулятор через регулятор частоты, управляющий сигнал от которого подают на механизм управления клапаном турбины, а регулирование давлением пара в турбине и активной мощностью осуществляют подачей управляющих сигналов от главного регулятора, затем поддерживают регулирование активной мощностью энергоблока в пределах до 20% от номинальной мощности прямоточных котлоагрегатов. 1 ил.
Изобретение относится к области управления энергосистемами, а более конкретно к способам автоматического регулирования технологическими процессами в прямоточных котлоагрегатах.
Известен способ автоматического регулирования технологическими процессами в прямоточных котлоагрегатах, включающий автоматическое поддержание частоты электрического тока в энергосистеме в пределах допустимых техническим требованиям [1] за счет регулирования впуска энергоносителя в турбину.
Недостатком аналога является невозможность обеспечения надежного автоматического регулирования технологическими процессами в прямоточных котлоагрегатах.
Наиболее близким по технической сущности и достигаемому результату является способ автоматического регулирования технологическими процессами в прямоточных котлоагрегатах, включающий автоматическое регулирование питания котла, тепловой нагрузки, первичного воздуха, впрыска, общего воздуха и разрежения в топке посредством подачи управляющих сигналов от главного регулятора [2].
Недостатком прототипа является невозможность обеспечения надежного автоматического регулирования технологическими процессами в прямоточных котлоагрегатах при обеспечении их нормальной работы в постоянно и переменно регулируемом диапазоне нагрузок и отсутствии возможности участия прямоточных котлоагрегатов в первичном регулировании частоты электрического тока энергоблоков, при увеличении частоты тока в ЕЭС России за пределы заданных диапазонов стабильности.
В основу изобретения положена задача обеспечить надежное автоматическое регулирование технологическими процессами в прямоточных котлоагрегатах при обеспечении их нормальной работы в постоянно и переменно регулируемом диапазоне нагрузок и обеспечить участие прямоточных котлоагрегатов в первичном регулировании частоты электрического тока энергоблоков при изменении мощности и частоты тока в сети ЕЭС России.
Эта задача решается тем, что в способ автоматического регулирования технологическими процессами в прямоточных котлоагрегатах, включающий автоматическое регулирование питания котла, тепловой нагрузки, первичного воздуха, впрыска, общего воздуха и разрежения в топке посредством подачи управляющих сигналов от главного регулятора, добавляют автоматическое регулирование механизмом управления клапаном турбины, частотой в энергосистеме, давлением пара в турбине и активной мощностью, причем управляющий сигнал от измерителя частоты подают на главный регулятор через регулятор частоты, управляющий сигнал от которого подают на механизм управления клапаном турбины, а регулирование давлением пара в турбине и активной мощностью осуществляют подачей управляющих сигналов от главного регулятора, затем поддерживают регулирование активной мощностью энергоблока в пределах до 20% от номинальной мощности прямоточных котлоагрегатов.
Введение в способ автоматического регулирования технологическими процессами в прямоточных котлоагрегатах автоматического регулирования механизмом управления клапаном турбины, частотой в энергосистеме, давлением пара в турбине и активной мощностью обеспечивает надежное автоматическое регулирование технологическими процессами в прямоточных котлоагрегатах, обеспечивает их нормальную работу в постоянно и переменно регулируемом диапазоне нагрузок и обеспечивает возможность участия прямоточных котлоагрегатов в первичном регулировании частоты энергоблоков, при изменении мощности и частоты в сети ЕЭС России, а также регулирование активной мощности энергоблока в пределах до 20% от номинальной.
Сопоставительный анализ заявляемого способа автоматического регулирования технологическими процессами в прямоточных котлоагрегатах и прототипа показывает, что предлагаемое техническое решение соответствует критериям “патентоспособная новизна”, “изобретательский уровень”, “промышленная применимость”.
Сравнение заявляемого решения не только с прототипом, но и с другими техническими решениями в данной области техники позволило выявить совокупность признаков, отличающих заявляемое техническое решение от прототипа, что позволяет сделать вывод о соответствии критерию “существенные отличия”.
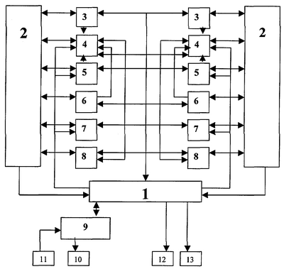
Сущность способа поясняется чертежом, где показана схема автоматического регулирования технологическими процессами в прямоточных котлоагрегатах.
Схема автоматического регулирования технологическими процессами в прямоточных котлоагрегатах содержит главный регулятор 1, котлоагрегат 2, регулятор первичного воздуха 3, регулятор тепловой нагрузки 4, регулятор питания котла 5, регулятор впрыска 6, регулятор общего воздуха 7, регулятор разрежения в топке 8, регулятор частоты 9. Причем все регуляторы 3, 4, 5, 6, 7, 8, 9 электрически связаны с главным регулятором 1. Механизм управления клапаном турбины 10 и измеритель частоты 11 связаны с регулятором частоты 9, а регулятор давления пара в турбине 12 и регулятор активной мощности энергоблока 13 электрически связаны с главным регулятором 1.
Способ автоматического регулирования технологическими процессами в прямоточных котлоагрегатах реализуется следующим образом.
Сигналы от регуляторов первичного воздуха 3, тепловой нагрузки 4, питания котла 5, впрыска 6, общего воздуха 7, разрежения в топке 8 и частоты 9 поступают на главный регулятор 1. А от главного регулятора 1 подают управляющие сигналы на регуляторы 3, 4, 5, 6, 7, 8, 9, тем самым обеспечивая предварительное автоматическое регулирование технологическими процессами в прямоточных котлоагрегатах. Затем управляющий сигнал от измерителя частоты 11 подают на главный регулятор 1 через регулятор частоты 9. Управляющий сигнал от регулятора частоты 9 подают на механизм управления клапаном турбины 10, а регулирование давлением пара в турбине и активной мощностью осуществляют подачей управляющих сигналов от главного регулятора 1 на регуляторы давления пара в турбине 12 и регуляторы активной мощности энергоблока 13 в пределах до 20% от номинальной мощности прямоточных котлоагрегатов, тем самым обеспечивают окончательное автоматическое регулирование технологическими процессами в прямоточных котлоагрегатах.
Применение предложенного способа позволяет осуществить надежное автоматическое регулирование технологическими процессами в прямоточных котлоагрегатах и обеспечивать их нормальную работу в постоянно и переменно регулируемом диапазоне нагрузок при изменении частоты тока в сети, что расширяет возможности участия энергоблоков в первичном регулировании частоты электрического тока ЕЭС России.
Источники информации
1. Политехнический словарь. Под ред. И.И.Артоболевского. – М.: Советская энциклопедия, 1977, стр.15 (автоматическое регулирование частоты) (аналог).
2. Политехнический словарь. Под ред. И.И.Артоболевского. – М.: Советская энциклопедия, 1977, стр.15 (автоматическое регулирование напряжения) (прототип).
Формула изобретения
Способ автоматического регулирования технологическими процессами в прямоточных котлоагрегатах, включающий автоматическое регулирование питания котла, тепловой нагрузки, первичного воздуха, впрыска, общего воздуха и разрежения в топке посредством подачи управляющих сигналов от главного регулятора, отличающийся тем, что в способ добавляют автоматическое регулирование механизмом управления клапаном турбины, частотой в энергосистеме, давлением пара в турбине и активной мощностью, причем управляющий сигнал от измерителя частоты подают на главный регулятор через регулятор частоты, управляющий сигнал от которого подают на механизм управления клапаном турбины, а регулирование давлением пара в турбине и активной мощностью осуществляют подачей управляющих сигналов от главного регулятора, затем поддерживают регулирование активной мощностью энергоблока в пределах до 20% от номинальной мощности прямоточных котлоагрегатов.
РИСУНКИ
MM4A – Досрочное прекращение действия патента СССР или патента Российской Федерации на изобретение из-за неуплаты в установленный срок пошлины за поддержание патента в силе
Дата прекращения действия патента: 02.12.2006
Извещение опубликовано: 20.06.2008 БИ: 17/2008
|
|