|
(21), (22) Заявка: 2004119537/28, 29.06.2004
(24) Дата начала отсчета срока действия патента:
29.06.2004
(43) Дата публикации заявки: 10.12.2005
(46) Опубликовано: 20.06.2006
(56) Список документов, цитированных в отчете о поиске:
DE 20319640 U1, 18.02.2004. RU 33206 U1, 10.10.2003. WO 02/052190 A1, 04.07.2002. RU 2001135536 А, 20.07.2003. RU 14632 U1, 10.08.2000.
Адрес для переписки:
111123, Москва, ул. 1-я Владимирская, 10А, строение 1, офис №5 “ООО Научно-технический центр ОПТОНИКА”, В.Н. Маркову
|
(72) Автор(ы):
Марков Валерий Николаевич (RU)
(73) Патентообладатель(и):
Марков Валерий Николаевич (RU)
|
(54) СВЕТОДИОДНАЯ ЛАМПА С РАСПРЕДЕЛЕННЫМ ПОЛИХРОМАТИЧЕСКИМ СВЕТОВЫМ ПОТОКОМ
(57) Реферат:
Изобретение относится к источникам света с распределенным по длине световым потоком и может найти применение в управляемых световых знаках, маркерах, элементах рекламно-информационных устройств и аварийных сигнализациях. Светодиодная лампа с полихроматическим световым потоком содержит прозрачный плафон, светодиоды с различным спектром излучения, распределенные вдоль плафона, источник электрического питания и контроллер, регулирующий величину тока светодиодов. Лампа разделена на зоны свечения, светодиоды вставлены в тело плафона так, что их световые потоки проходят внутрь плафона, причем в сечении каждой зоны плафона установлено несколько светодиодов. Технический результат – повышение равномерности светораспределения по длине лампы, уменьшение веса, упрощение монтажа. 13 з.п. ф-лы, 23 ил.
Заявленное изобретение относится к источникам света с распределенным по длине световым потоком и может найти применение в качестве управляемого светового знака, маркера, элемента рекламно-информационного устройства, осветительного устройства или аварийной сигнализации.
Известна лампа с распределенным световым потоком, описанная в патенте США № 4375966, “Световая полоса и метод ее изготовления (Strip lights and method of making same)”, МКИ F 21 V 15/00, НКИ 362/240, опубл. 15.04.1983.
Лампа выполнена в виде пустотелого, прозрачного плафона. Внутри плафона установлены с распределением по его длине световые приборы. Плафон, в свою очередь, установлен в коробчатый корпус, который является держателем лампы.
Недостаток известного технического решения заключается в том, что в нем применены лампы накаливания, что приводит к нагреву плафона. Лампы накаливания имеют невысокий срок службы и чувствительны к ударам и вибрациям. Кроме того, для установки ламп требуется специальное приспособление, что усложняет ее производство и монтаж и удорожает изделие. Известную лампу невозможно изгибать в процессе монтажа, что ограничивает область ее применения.
Более близкой по технической сущности и принятой за прототип является светодиодная лампа с распределенным полихроматическим световым потоком, описанная в патенте США № 6361186, МПК F 21 V 21/00 “Лампа-имитатор неоновой трубки на основе светодиодов (Simulated neon light using LED,s)”, НКИ 362/249, опубл. 26.03.2002 г.
Известная лампа состоит из плафона в виде полупрозрачной пустотелой трубки, установленной на коробчатом корпусе. Внутри корпуса вдоль его длины расположены светодиоды с различными спектрами излучения. Плафон имеет кромки, которые входят в соответствующие выступы в корпусе. Корпус является держателем плафона. Светодиоды в нем подключены к контроллеру, регулирующему их суммарный цвет, яркость свечения и его цикличность за счет изменения токов светодиодов и очередности их включения.
Недостаток известной светодиодной лампы заключается в высокой трудоемкости изготовления и высокой стоимости изделия. Получение равномерного по величине и цвету свечения лампы затруднено. Кроме того, монтаж известной лампы сопряжен с определенными трудностями.
Задачами, решаемыми данным изобретением, являются: снижение трудоемкости изготовления, уменьшение стоимости изделия и веса, упрощение монтажа, обеспечение более равномерного по длине светораспределения, улучшение видимости, повышение декоративных свойств лампы. Кроме того, ставится задача расширения диапазона применения изделия.
Поставленная задача решается за счет того, что в светодиодной лампе с распределенным полихроматическим световым потоком, содержащей прозрачный плафон, светодиоды с различным спектром излучения, распределенные вдоль плафона, источник электрического питания и контроллер, регулирующий величину тока светодиодов, согласно изобретению светодиоды вставлены в тело плафона так, что их световые потоки проходят в плоскости сечения плафона, причем в каждом сечении установлено несколько светодиодов.
В варианте технического решения плафон выполнен пустотелым, светодиоды установлены по периметру плафона, а в полость плафона введена только излучающая часть светодиодов.
В варианте технического решения плафон выполнен из сплошного материала.
В варианте технического решения в торцы плафона вставлены светодиоды так, что их световые потоки направлены внутрь плафона.
В варианте изобретения сечение плафона имеет круглую форму.
В варианте изобретения сечение плафона имеет форму многогранника.
В варианте технического решения сечение плафона имеет форму прямоугольника.
В варианте технического решения сечение плафона выполнено в виде полусферы.
В варианте технического решения плафон имеет V-образные поперечные вдавливания на стороне, противоположной светодиодам, расположенным в данном сечении.
В варианте изобретения внешняя поверхность плафона содержит рифления, идущие вдоль его поверхности.
В варианте технического решения внутренняя поверхность пустотелого плафона выполнена с рифлениями, идущими вдоль его поверхности.
В варианте технического решения поверхность плафона подвергнута операции матирования.
В варианте технического решения внешняя поверхность плафона выполнена окрашенной в определенный цвет, например голубой.
Наличие нескольких светодиодов, установленных в одном сечении, позволяет увеличить яркость лампы и ее декоративные свойства. При этом сокращается технологический процесс изготовления лампы, снижается ее стоимость, упрощается монтаж и повышается равномерность светового потока по длине. Кроме того, расстояние между светодиодами можно увеличить, что дополнительно снижает стоимость изделия. Лампу можно изгибать в процессе монтажа настолько, насколько это позволяет материал, из которого выполнен плафон, что расширяет диапазон ее применения.
Выполнение плафона пустотелым, в полость которого введены излучающие части светодиодов, снижает потери на светопередачу и способствует повышению яркости свечения лампы.
Выполнение плафона из сплошного материала обеспечивает высокую прочность лампы.
Наличие в торцах плафона лампы светодиодов, световые потоки которых направлены внутрь плафона, повышает яркость и равномерность свечения по длине и дает возможность улучшить ее декоративные свойства за счет большего разнообразия оттенков цвета.
Круглая форма сечения плафона является привычной для потребителя и относительно проста в изготовлении.
Использование плафона с сечением в форме многогранника расширяет диапазон применения лампы.
Плафон с сечением в форме прямоугольника удобен для монтажа и прост в изготовлении.
Выполнение сечения плафона в виде полусферы дает возможность снизить массу плафона.
V-образные вдавливания на стороне, противоположной светодиодам, расположенным в данном сечении плафона, обеспечивают большую равномерность светораспределения за счет того, что образованные вдавливанием поверхности, являясь естественными рефлекторами, частично направляют световой поток внутрь плафона.
Рифление внешней поверхности плафона лампы обеспечивает большую равномерность ее свечения.
Рифление внутренней поверхности пустотелого плафона дает возможность создавать дополнительные световые эффекты за счет специфических отражательных свойств поверхности.
Матирование поверхности плафона лампы также способствует равномерности распределения ее светового потока.
Наличие различных вариантов исполнения плафона делает лампу практически универсальной.
Наличие окраски внешней поверхности плафона в определенный цвет, например голубой, позволяет расширить спектр излучения лампы.
Изобретение иллюстрируется чертежами.
На фиг.1 показана светодиодная лампа, поперечное сечение.
На фиг.2 имеется вариант исполнения плафона лампы с полостью внутри.
На фиг.3 изображена светодиодная лампа, вид сбоку.
На фиг.4 нарисован поперечный разрез плафона, выполненного в виде прямоугольника, со светодиодами.
На фиг.5 представлен поперечный разрез плафона, выполненного в виде прямоугольника с внутренней полостью и со светодиодами, проходящими внутрь полости.
На фиг.6 дан поперечный разрез плафона с внутренней полостью со светодиодами, установленными внутри полости.
На фиг.7 изображен поперечный разрез светодиодной лампы, в которой плафон выполнен пустотелым в виде полусферы.
На фиг.8 представлена лампа, в которой плафон выполнен сплошным в виде полусферы.
На фиг.9 показана лампа, в торцы плафона которой вставлены светодиоды.
На фиг.10 изображена торцевая поверхность круглого плафона лампы со светодиодами.
На фиг.11 приведена торцевая поверхность плафона лампы, выполненного в виде многоугольника.
На фиг.12 нарисован плафон лампы с V-образными вдавливаниями на его поверхности.
На фиг.13 показано сечение сплошного плафона лампы круглой формы с V-образными вдавливаниями.
Фиг.14 демонстрирует сечение плафона круглой формы и с полостью внутри с V-образными вдавливаниями.
На фиг.15 изображено сечение плафона круглой формы с внешней рифленой поверхностью.
На фиг.16 показано сечение пустотелого плафона лампы с рифлениями на внешней и внутренней его поверхностях.
На фиг.17 дан вариант принципиальной электрической схемы лампы, в которой светодиоды в группах имеют одинаковый спектр излучения.
На фиг.18 изображен вариант принципиальной электрической схемы, в которой светодиоды в группах имеют различный спектр излучения.
На фиг.19 представлена диаграмма возможных изменений напряжений генераторов в зависимости от времени.
На фиг.20 имеется вариант принципиальной многопроводной электрической схемы с дешифраторами.
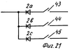
На фиг.21 показана электрическая схема включения групп светодиодов.
На фиг.22 изображена принципиальная электрическая схема с дешифраторами и быстродействующей микропроцессорной системой управления.
На фиг.23 представлена диаграмма следования импульсов для схемы фиг.22.
Общие для всех фигур элементы обозначены одинаково.
Светодиодная лампа с распределенным полихроматическим световым потоком выполнена следующим образом. В прозрачный плафон 1, который одновременно выполняет функции светопровода, (фиг.1) установлены светодиоды 2 с различным спектром излучения. Сечение плафона 1 имеет круглую форму, например, в виде овала или окружности. Он выполнен из сплошного материала. Светодиоды 2 вставлены в тело плафона-светопровода 1 так, что их световые потоки направлены внутрь плафона. В каждом сечении плафона установлено несколько (показано 3) светодиодов. При этом лампа оказывается разделенной на зоны свечения. Каждая зона определяется сочетанием световых потоков от светодиодов, расположенных в соседних сечениях плафона 1. Тыльная сторона светодиодов вместе с выходными клеммами, подводящими питание проводами и коммутационными элементами заклеена изолирующей лентой 3 или залита изолирующим составом. Крепление плафона к поверхности 4 производится с помощью стяжек 5 с лапами 6. Под тело плафона введена пружинящая подкладка 7. Один из торцов лампы снабжен контактным разъемом для подключения внешнего источника электропитания (не показан). В качестве материала плафона может быть использован винипласт, полиакрилат или другой прозрачный полимер.
В варианте технического решения плафон 1 выполнен пустотелым с внутренней полостью 8 (фиг.2). Светодиоды 2 установлены так, что излучающая часть светодиодов входит внутрь полости 8 плафона 1. Стяжки 5 расположены на определенном расстоянии вдоль плафона 1 (фиг.3). Крепление к поверхности 4 осуществляется с помощью винтов или шурупов, проходящих в отверстия лап 6 (не обозначены).
В варианте технического решения сечение плафона 1 имеет форму прямоугольника фиг.4. При этом светодиоды 2 установлены в нижней части плафона и также введены в его тело. Все остальные детали конструкции и способы крепления аналогичны фиг.1-3.
В варианте технического решения плафон-светопровод 1 с прямоугольным сечением снабжен полостью 8 (фиг.5), а светодиоды, установленные в его нижней области, входят в полость своей излучающей частью так же, как и на фиг.2. Остальные элементы конструкции и способы крепления к поверхности аналогичны фиг.1-3.
В варианте изобретения сечение плафона 1 имеет форму многогранника и он также может быть выполнен из сплошного материала или иметь внутреннюю полость со светодиодами, входящими внутрь полости, аналогично фиг.2, 5. Светодиоды установлены в грани, противоположные светящей поверхности плафона (не показано).
В варианте технического решения светодиоды 2 расположены на платах 9 и вместе с платами установлены внутрь полости 8 плафона 1 (фиг.6). Снизу платы установлены элементы коммутации и управления 10 светодиодами. Платы между собой сочленены пластинами (не показаны). При этом сечение плафона может быть выполнено круглым, овальным, прямоугольным или в виде многогранника.
В варианте технического решения сечение плафона 1 выполнено в виде полусферы с полостью 8 (фиг.7). Светодиоды 2 размещены на платах 11. Платы со светодиодами установлены на внутренней поверхности корпуса 12, выполненного в виде П-образного швеллера, между полками 13. Полусфера плафона располагается между полками 13 швеллера и накрывает светодиоды сверху. После установки полусферы полки 13 развальцовываются для закрепления плафона 1 внутри корпуса 12. Возможен вариант заделки промежутка между полками 13 и плафоном 1 с помощью эпоксидных смол или специальных герметиков. К внешней поверхности 4 корпус 12 крепится с помощью внешних полок 14, расположенных параллельно внутренней его поверхности, винтами, шурупами или с помощью клея.
В варианте технического решения плафон в виде полусферы выполнен сплошным (фиг.8), а светодиоды 2 вставлены внутрь полусферы со стороны его плоской части. Для этого в теле плафона выполняются соответствующие выемки. При этом остальные элементы лампы выполнены аналогично фиг.7.
В варианте технического решения в торцы плафона 1 вставлены светодиоды 15 с различным спектром излучения так, что их световые потоки направлены внутрь плафона вдоль его оси (фиг.9). Фиг.10 и 11 дают представление об установке светодиодов в торцевые поверхности для круглого сечения плафона-светопровода 1 (фиг. 10) и для многогранного (фиг.11). Причем вариант с торцевыми светодиодами одинаково пригоден как для сплошного плафона, так и для светопровода с внутренней полостью. В первом случае светодиоды 15 введены своей излучающей частью внутрь тела светопровода 1 (в соответствующие выемки), а во втором случае они располагаются на торцевых поверхностях и светят внутрь полости 8. При этом не имеет значения форма сечения плафона. В любом случае тыльная сторона торцевых светодиодов 15 вместе с подводящими проводами заливается эпоксидной смолой или заклеивается водонепроницаемой клейкой лентой. Один из торцов лампы также снабжен контактным разъемом для подключения лампы к системе электроснабжения (не показан).
В варианте технического решения плафон 1 имеет V-образные поперечные вдавливания 16 (фиг.12-14) на светящей поверхности, на стороне, противоположной светодиодам 2, расположенным в данном сечении. Эти вдавливания, при виде сбоку (фиг.12), напоминают циссоиду или полукубическую параболу с острой впадиной (точкой возврата), располагающейся над светодиодами, и ветвями, плавно вписывающимися по сторонам и во внешнюю поверхность тела плафона, параллельную его оси симметрии. Во всех вариантах исполнения плафона возможна организация таких вдавливаний вне зависимости того, полый плафон или сплошной (фиг.13, 14). Форма сечения плафона также может быть различной, например многогранной или прямоугольной, овальной или в виде окружности.
В варианте технического решения поверхность плафона лампы имеет продольные борозды (рифления) 17 (фиг.15). Рифления могут выполняться вне зависимости от формы сечения и вида исполнения корпуса (сплошной или пустотелый, с вдавливаниями или без них).
В варианте технического решения внутренняя поверхность полости 8 пустотелого плафона снабжена рифлениями (продольными бороздками) 18 (фиг.16). При этом возможно выполнение рифлений как на внутренней, так и на внешней стороне плафона 1.
В варианте технического решения внешняя поверхность плафона выполнена матированной.
В варианте технического решения внешняя поверхность плафона выполнена окрашенной в определенный цвет, например голубой.
В варианте электрической схемы (фиг.17) все светодиоды разделены на группы с определенным спектром излучения. Каждая группа подключается к соответствующему генератору. Так светодиоды 2′ с красным спектром излучения подключаются к генератору 19, светодиоды с зеленым спектром 2” подключаются к генератору 20, а светодиоды с синим спектром 2”’ к генератору 21. В свою очередь светодиоды 15 также распределены на группы с различной цветностью соответственно 15′, 15”, 15”’ и подключаются соответственно к генераторам 22, 23, 24. Спектр излучения светодиодов 15 может отличаться от спектра излучения светодиодов 2, например иметь цвет желтый, голубой и оранжевый. Количество светодиодов может быть увеличено за счет введения дополнительных светодиодов со спектрами излучения, отличными от перечисленных. Генераторы соединены с контроллером 25, выполненным на основе микропроцессора. Вся система подключена к цепи питания через преобразователь напряжения (не показан) и имеет общий выключатель 26.
В варианте принципиальной электрической схемы светодиоды 2 и 15, группы светодиодов состоят из элементов, имеющих различный спектр излучения. Светодиоды в группах соединены по последовательно параллельным схемам. Каждая группа электрически соединена с одним из генераторов 19-24 (фиг.19). Количество групп ограничено числом генераторов и требуемой цветовой гаммой излучения. Напряжение генераторов изменяется по случайному закону и может задаваться микропроцессорной системой по определенной программе. В качестве примера на фиг.19 диаграмма напряжений генераторов распределена следующим образом. Для генератора 19 эта диаграмма обозначена цифрой 27, для генератора 20 цифрой 28, для генератора 21 цифрой 29, для генератора 22 цифрой 30, для генератора 23 цифрой 31, для генератора 24 цифрой 32. Графики изменения напряжений могут отличаться от представленных на фиг.19.
В варианте исполнения электрической схемы светодиоды, расположенные в каждом сечении 2а, 2b, 2с и 15d, 15e и т.д., снабжены дешифраторами соответственно 33а, 33d, 33с и т.д. Дешифраторы через общие шины 34 и 35 соединены с микропроцессором 36. Источники света каждого сечения соединены с генераторами переменного напряжения, расположенными в общем блоке питания 37. От генераторов отходят провода 38, 39, 40 и 41, питающие светодиоды каждого сечения. Количество проводов зависит от спектрального состава светодиодов. Например, если в каждом сечении установлены светодиоды с красным 2′, зеленым 2”, синим 2”’ и желтым 2”” спектрами излучения, а в торцевых частях 15′, 15” и т.д., то число проводов соответственно увеличивается. Общий провод обозначен цифрой 42. Каждый набор светодиодов данного сечения снабжен ключевым элементом, который включается по сигналам дешифратора. Ключевые элементы 43, 44, 45 (фиг.21) включают соответственно наборы светодиодов 2а, 2b и 2с. Аналогично выполнены и схемы включения торцевых светодиодов 15. В качестве ключевых элементов могут быть использованы, например, транзисторы. Число таких ключевых элементов соответствует числу наборов светодиодов.
В варианте исполнения принципиальной электрической схемы блок управления с микропроцессором 36 (фиг.22) структурно сочленен с генератором переменного напряжения (не обозначен). Светодиоды 2 каждого сечения плафона и торцевые светодиоды 15 также имеют дешифраторы 33а, 33b, 33с и т.д. Дешифраторы электрически соединены с микропроцессором 36 шинами 34 и 35. Связь с генератором осуществляется с помощью проводов 38 и 39.
Импульсы напряжения распределены по проводам 28, 39 (фиг.23), по которым идет набор импульсов напряжения 46. Импульсы походят с высокой частотой, а их сочетание и амплитуда задаются программой микропроцессора 36.
Светодиодная лампа с распределенным полихроматическим световым потоком действует следующим образом. Световой поток от светодиодов 2 (фиг.1, 2, 3, 4, 5, 7, 8), отражаясь от внутренней поверхности, распространяется вдоль плафона 1. При этом светодиоды прочно закреплены внутри плафона, а сам плафон обеспечивает распространение светового потока в окружающее пространство. Наличие нескольких светодиодов в одном сечении плафона открывает большие возможности по светораспределению и формированию цветовых параметров лампы. Так, часть светодиодов может быть выключена в той или иной области лампы, а сочетание их световых потоков с учетом различного спектра излучения позволит создавать целую гамму цвета, распределенную по длине.
Если плафон-светопровод 1 выполнен из сплошного материала (фиг.1, 4, 8, 13), то его прочность повышена. Большинство материалов, из которого предполагается выполнение плафона, допускают его изгиб на определенном радиусе, что значительно облегчает монтаж лампы и обеспечивает возможность придания ей определенной конфигурации. Если плафон 1 выполнен с внутренней полостью 8 (фиг.2, 5, 6, 7, 14, 15), то снижается материалоемкость изделия, однако при изгибе возможна деформация лампы. В то же время потери светового потока в таком плафоне будут меньше. Различие в форме сечения плафона 1 (фиг.1, 4, 5, 11) позволяет расширить диапазон применения лампы, в определенных случаях облегчает ее монтаж. В частности, если форма сечения плафона имеет прямоугольную форму (фиг.4, 5), то установка светодиодов в него облегчена. Удобна с этой точки зрения и форма сечения плафона в виде многогранника (фиг.11). В варианте, когда светодиоды вставлены внутрь полости 8 плафона 1 (фиг.6), обеспечивается лучшая герметичность изделия. Такая конструкция лампы хороша для особых условий эксплуатации, т.е. при повышенной влажности окружающей среды и при повышенных требованиях к безопасности. Особо следует выделить варианты, в которых плафон-светопровод выполнен в виде полусферы (фиг.7, 8). Этот тип конструкции удобен и при установке светодиодов, при монтаже и способствует снижению материалоемкости изделия.
Применение торцевых светодиодов 15 (фиг.9, 10, 11) дает возможность расширить гамму возможных сочетаний световых потоков и обеспечивает большую равномерность распределения светового потока по длине лампы.
Если в плафоне 1 имеются V поперечные вдавливания (фиг.12, 13, 14), то в этом случае световой поток будет распределяться вдоль зон лампы более равномерно. Это связано с тем, что указанные вдавливания выполняют роль рефлекторов, отражаясь от которых световой поток будет частично распределяться вдоль плафона. Рифления (фиг.15, 16) выполняют две функции. С одной стороны, они структурируют световой поток, распределяя его вдоль плафона, с другой стороны, они обеспечивают некоторый декоративный эффект, поскольку продольные полосы будут украшать лампу.
В случае, когда внешняя поверхность плафона выполнена окрашенной в определенный цвет, например голубой, красный или какой-либо другой, позволит расширить диапазон применения лампы. Это связано с тем, что внешняя окраска позволит корректировать спектральный состав суммарного потока излучения.
Если светодиоды 2 и 15 распределены на группы с определенным спектром излучения согласно фиг.17, то при изменении напряжения отдельных генераторов по закону, показанному, например, на фиг.19, будет изменяться суммарный световой поток. Результирующий цвет будет зависеть от компонент цвета. В результате будет наблюдаться плавно изменяющаяся по цвету и по световому потоку светящая поверхность плафона 1. Эти изменения будут происходить синхронно по всей поверхности.
Если светодиоды распределены на группы по варианту согласно фиг.18, то в этом случае изменяющаяся расцветка лампы будет более разнообразной. Все зоны поверхности плафона 1 будут расцвечиваться по-разному, что создаст красочный эффект калейдоскопической игры цвета и света по всей длине лампы.
Наличие микропроцессорной системы 36 (фиг.20) позволяет включать и выключать светодиод по требуемому закону, заданному программой. Расцветка лапы будет иметь еще более разнообразный характер. Микропроцессор 36 подает кодированные команды по шинам 34, 35 на включение светодиодов того или иного сечения или торцевых светодиодов и светодиодов каждого спектра излучения. Дешифраторы 33 считывают сигнал, подготавливают к включению тот или иной комплект светодиодов 2 и 15 данного сечения или платы и включают запрограммированный набор светодиодов данного сечения или платы (ключевые элементы 43, 44, 45). При этом общий световой поток и цвет каждой зоны плафона 1 зависит от количества включенных светодиодов и их спектра излучения.
Применение быстродействующего микропроцессора, сочлененного с генератором (фиг.22), позволяет включать генератор на короткое время. По шинам 34, 35 проходят кодированные импульсы на включение того или иного сечения и код включения того или иного светодиода в каждом конкретном сечении или в торцах плафона. Дешифраторы по кодированному сигналу открывают каналы на прием импульсов от генератора. Время прохождения импульсов исчисляется тысячными долями секунды. При этом на короткое время вспыхивают и гаснут светодиоды с определенным спектром излучения. При наличии большого числа импульсов, проходящих с большой частотой, глаза человека воспринимают общий световой поток лапы как слитный. Световой поток будет определяться суммарным составом включенных светодиодов 2. Установленная мощность генератора может быть снижена, поскольку время работы генератора уменьшается. К тому же, в схеме используется лишь один генератор импульсов. В этом варианте обеспечивается бесконечная и не повторяющаяся гамма красок, распространенная по всей длине лампы. Таким образом, предлагаемая светодиодная лампа с полихроматическим световым потоком в отличие от известных ламп такого типа обладает новыми качественными характеристиками, позволяющими повысить ее декоративные свойства и расширить диапазон ее применения.
Формула изобретения
1. Светодиодная лампа с полихроматическим световым потоком, содержащая прозрачный плафон, светодиоды с различным спектром излучения, распределенные вдоль плафона, источник электрического питания и контроллер, регулирующий величину тока светодиодов, отличающаяся тем, что лампа разделена на зоны свечения, светодиоды вставлены в тело плафона так, что их световые потоки проходят внутрь плафона, причем в сечении каждой зоны плафона установлено несколько светодиодов.
2. Светодиодная лампа по п.1, отличающаяся тем, что плафон выполнен пустотелым, светодиоды установлены по периметру плафона, а в полость плафона введена только излучающая часть светодиодов.
3. Светодиодная лампа по п.1, отличающаяся тем, что плафон выполнен из сплошного материала.
4. Светодиодная лампа по п.1 или 2, отличающаяся тем, что в торцы плафона вставлены светодиоды так, что их световые потоки направлены внутрь плафона.
5. Светодиодная лампа по п.1 или 2, отличающаяся тем, что сечение плафона имеет круглую форму.
6. Светодиодная лампа по п.1 или 2, отличающаяся тем, что сечение плафона имеет форму многогранника, а светодиоды установлены в грани, противоположные светящей поверхности плафона.
7. Светодиодная лампа по п.2, отличающаяся тем, что светодиоды расположены на платах и вместе с платами установлены внутрь полости плафона вместе с элементами коммутации и управления.
8. Светодиодная лампа по п.1 или 2, отличающаяся тем, что сечение плафона имеет форму прямоугольника.
9. Светодиодная лампа по п.1 или 2, отличающаяся тем, что сечение плафона выполнено в виде полусферы.
10. Светодиодная лампа по п.1 или 2, отличающаяся тем, что плафон имеет V-образные поперечные вдавливания на стороне, противоположной светодиодам, расположенным в данном сечении.
11. Светодиодная лампа по п.1 или 2, отличающаяся тем, что внешняя поверхность плафона выполнена с рифлениями, идущими вдоль его поверхности.
12. Светодиодная лампа по п.1 или 2, отличающаяся тем, что внутренняя поверхность пустотелого плафона выполнена с рифлениями, идущими вдоль его поверхности.
13. Светодиодная лампа по п.1 или 2, отличающаяся тем, что поверхность плафона выполнена матированной.
14. Светодиодная лампа по пп.1 и 2, отличающаяся тем, что внешняя поверхность плафона выполнена окрашенной в определенный цвет.
РИСУНКИ
QA4A – Сведения о заявлении обладателя патента Российской Федерации или патента СССР на изобретение о предоставлении любому лицу права на использование изобретения (открытая лицензия) в соответствии с пунктом 2 статьи 13 Патентного закона РФ
(73) Патентообладатель:
Марков Валерий Николаевич
(54) СВЕТОДИОДНАЯ ЛАМПА С РАСПРЕДЕЛЕННЫМ ПОЛИХРОМАТИЧЕСКИМ СВЕТОВЫМ ПОТОКОМ
Номер и год публикации бюллетеня: 34-2005
Адрес для переписки:
111123, Москва, 1-я Владимирская ул., д. 10А, стр. 1, офис № 5, ООО «Научно-технический центр ОПТОНИКА», В.Н. Маркову
Извещение опубликовано: 10.07.2008 БИ: 19/2008
|