|
|
(21), (22) Заявка: 2004136776/06, 16.12.2004
(24) Дата начала отсчета срока действия патента:
16.12.2004
(46) Опубликовано: 20.06.2006
(56) Список документов, цитированных в отчете о поиске:
SU 414465 А, 05.02.1974. SU 1721414 A1, 23.03.1992. RU 2205109 C1, 27.05.2003. GB 2227796 А, 08.08.1990. GB 2280224 А, 25.01.1995. RU 2125171 C1, 20.01.1999.
Адрес для переписки:
119048, Москва, Комсомольский пр-кт, 40, кв.102, Д.А.Савельеву
|
(72) Автор(ы):
Савельев Денис Анатольевич (RU)
(73) Патентообладатель(и):
Савельев Денис Анатольевич (RU)
|
(54) СПОСОБ РАБОТЫ ГАЗОТУРБИННОЙ УСТАНОВКИ
(57) Реферат:
Способ работы газотурбинной установки включает сжатие атмосферного воздуха в компрессоре и его расширение в турбине. Перед расширением в турбине производят уменьшение влагосодержания сжатого воздуха путем охлаждения его до температуры точки росы, соответствующей начальному влагосодержанию, и последующего охлаждения до температуры точки росы, соответствующей конечному влагосодержанию, с отводом теплоты конденсации водяного пара и образующейся при этом воды. Изобретение расширяет функциональные возможности газотурбинных установок, а также повышает их надежность и долговечность. 3 з.п. ф-лы, 2 ил.
Изобретение относится к холодильной технике и двигателестроению и может быть использовано в газотурбинных тепловых насосах и двигателях.
Известен способ работы газотурбинной установки (Патент РФ №2115004), в котором производят последовательное сжатие атмосферного воздуха в компрессоре и его расширение в турбине.
Недостатком этого способа являются узкие функциональные возможности газотурбинных установок, так как они могут либо только преобразовывать тепловую энергию в механическую (двигатели), либо только переносить тепловую энергию с низкого температурного уровня на более высокий температурный уровень за счет механической энергии (тепловой насос). Кроме того, при работе в режиме теплового насоса процесс расширения воздуха в турбине происходит при большом количестве конденсата, что при высоких скоростях потока приводит к быстрому износу турбины и снижает надежность и долговечность газотурбинной установки.
Проблемами, решаемыми данным изобретением, являются расширение функциональных возможностей газотурбинных установок, а также повышение их надежности и долговечности.
Указанные технические проблемы решаются тем, что в способе работы газотурбинной установки, включающем сжатие атмосферного воздуха в компрессоре и его расширение в турбине, перед расширением в турбине производят уменьшение влагосодержания сжатого воздуха путем охлаждения его до температуры точки росы, соответствующей начальному влагосодержанию, и последующего охлаждения до температуры точки росы, соответствующей конечному влагосодержанию, с отводом теплоты конденсации водяного пара и образующейся при этом воды.
Кроме того, степень повышения давления при сжатии атмосферного воздуха устанавливают из условия, что температура точки росы при давлении сжатия превышает температуру воздуха в атмосфере, а отвод теплоты конденсации, соответствующей этому превышению, производят путем передачи ее воздуху, взятому непосредственно из атмосферы.
Кроме того, сжатый воздух перед его расширением в турбине нагревают путем подвода к нему по меньшей мере части теплоты, отведенной от него при охлаждении.
Кроме того, по меньшей мере часть хладопроизводительности газотурбинной установки используют для отвода теплоты конденсации водяного пара.
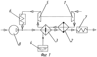
Способ работы газотурбинной установки поясняется чертежами, где изображено:
Фиг.1 – принципиальная схема газотурбинной установки, работающей в режиме теплового насоса;
Фиг.1 – принципиальная схема газотурбинной установки, работающей в режиме двигателя.
Газотурбинная установка работает следующим образом.
При работе газотурбинной установки в режиме теплового насоса атмосферный воздух сжимается в компрессоре 1. После сжатия он поступает в охладитель 2, где его температура понижается до температуры точки росы, соответствующей начальному влагосодержанию воздуха. Далее сжатый воздух поступает в конденсатор 3, где происходит отвод теплоты конденсации водяного пара и образующейся при этом воды, которая поступает в сборник конденсата 4. При этом влагосодержание воздуха уменьшается. Известно, что с уменьшением влагосодержания температура точки росы понижается (см. В.В.Нащекин. Техническая термодинамика и теплопередача. М.: Высшая школа, 1980, стр.216). В связи с этим, температура воздуха в конденсаторе 3 понижается, то есть температура точки росы, соответствующая конечному влагосодержанию, ниже температуры точки росы, соответствующей начальному влагосодержанию. Воздух с уменьшенным влагосодержанием направляется в турбину 5, где расширяется, совершая работу, и, следовательно, охлаждается. Холодный воздух подается потребителю холода 6. Так как температура воздуха на выходе из потребителя холода 6 всегда ниже температуры воздуха в атмосфере, то часть хладопроизводительности теплового насоса, соответствующая разнице между температурами потребителя холода 6 и воздуха в атмосфере, можно использовать для отвода теплоты конденсации водяного пара. В связи с этим воздух направляют в конденсатор 3, где он забирает теплоту конденсации водяного пара, и охладитель 2, где он забирает теплоту охлаждения, и, нагретый, он поступает к потребителю тепла 7.
Известно, что с повышением давления влажного воздуха температура точки росы повышается (см. В.В.Нащекин. Техническая термодинамика и теплопередача. М.: Высшая школа, 1980, стр.211). Следовательно, при определенных степени повышения давления и влагосодержании воздуха в атмосфере в процессе сжатия температура точки росы может превысить температуру воздуха в атмосфере. Это позволяет отводить часть теплоты конденсации водяного пара, соответствующую этому превышению, воздуху, взятому непосредственно из атмосферы, подаваемому в систему вентилятором 8. Это позволяет получать необходимое количество воды из атмосферы с минимальными затратами хладопроизводительности теплового насоса.
При работе газотурбинной установки в режиме двигателя, атмосферный воздух, сжатый в компрессоре 1, охлаждается в рекуператоре 9 и поступает в конденсатор 3. В конденсаторе 3 происходит его дальнейшее охлаждение с отводом теплоты конденсации водяного пара и получаемой при этом воды, которая собирается в сборнике конденсации 4. После конденсатора 3 воздух проходит через рекуператор 9, где нагревается, забирая тепло, отданное им при охлаждении. Далее воздух поступает в камеру сгорания 10, где его температура повышается и направляется в турбину 5. Работа, совершаемая нагретым воздухом при расширении в турбине 5, превышает работу, затраченную на его сжатие в компрессоре 1. Разница работ передается электрогенератору 11. После расширения в турбине 5 воздух поступает потребителю тепла 7.
Степень повышения давления устанавливают из условия, что температура точки росы превышает температуру воздуха в атмосфере, а всю теплоту конденсации водяного пара передают воздуху, взятому непосредственно из атмосферы. Так как температура сжатого воздуха на выходе из конденсатора 3 всегда ниже, чем на входе в конденсатор 3, то процесс конденсации водяного пара может начинаться уже в рекуператоре 9.
Температура воздуха, взятого непосредственно из атмосферы и получившего теплоту конденсации водяного пара, выше температуры воздуха в атмосфере и его, при необходимости, можно также направлять потребителю тепла (на фиг.2 – не показан).
Следует отметить, что при работе газотурбинной установки в режиме теплового насоса, она тоже может снабжаться рекуператором (на фиг.1 не показан) для возврата по меньшей мере части теплоты охлаждения сжатому воздуху после процесса конденсации, что может практически полностью исключить образование конденсата в процессе расширения в турбине.
Таким образом, газотурбинные установки, кроме выполнения своих традиционных функций, позволяют еще получать воду из атмосферы, что существенно расширяет их функциональные возможности.
Кроме того, значительное снижение влагосодержания воздуха перед его расширением в турбине при работе газотурбинной установки в режиме теплового насоса уменьшает количество конденсата, что уменьшает износ турбины и, следовательно, повышает надежность и долговечность газотурбинной установки.
При сочетании двух газотурбинных установок, одна из которых, работает в режиме двигателя, а другая в режиме теплового насоса, реализация данного способа позволяет одновременно получать электроэнергию, тепло, холод и пресную воду из атмосферы, что полностью обеспечивает жизнедеятельность человека в любых климатических условиях.
Формула изобретения
1. Способ работы газотурбинной установки, включающий сжатие атмосферного воздуха в компрессоре и его расширение в турбине, отличающийся тем, что перед расширением в турбине производят уменьшение влагосодержания сжатого воздуха путем охлаждения его до температуры точки росы, соответствующей начальному влагосодержанию, и последующего охлаждения до температуры точки росы, соответствующей конечному влагосодержанию, с отводом теплоты конденсации водяного пара и образующейся при этом воды.
2. Способ работы газотурбинной установки по п.1, отличающийся тем, что степень повышения давления при сжатии атмосферного воздуха устанавливают из условия, что температура точки росы при давлении сжатия превышает температуру воздуха в атмосфере, а отвод теплоты конденсации водяного пара, соответствующей этому превышению, производят путем передачи ее воздуху, взятому непосредственно из атмосферы.
3. Способ работы газотурбинной установки по п.1, отличающийся тем, что сжатый воздух перед его расширением в турбине нагревают путем подвода к нему по меньшей мере части теплоты, отведенной от него при охлаждении.
4. Способ работы газотурбинной установки по п.1, отличающийся тем, что по меньшей мере, часть ее хладопроизводительности используют для отвода теплоты конденсации водяного пара.
РИСУНКИ
|
|