|
(21), (22) Заявка: 2004128283/03, 22.09.2004
(24) Дата начала отсчета срока действия патента:
22.09.2004
(43) Дата публикации заявки: 10.03.2006
(46) Опубликовано: 20.06.2006
(56) Список документов, цитированных в отчете о поиске:
RU 2164591 C1, 27.03.2001. RU 2165015 С2, 10.04.2001. RU 2236568 С1, 20.09.2004. RU 2186954 С2, 19.07.2000. RU 2161243 С1, 27.12.2000. RU 2091569 С1, 27.09.1997. RU 2046181 С1, 20.10.1995. SU 1807209 А1, 07.04.1993. SU 1262026 А1, 07.10.1986. RU 2024741 С1, 15.12.1994. RU 22176 U1, 10.03.2002. RU 25533 U1, 10.10.2002. RU 36436 U1, 10.03.2004. US 4374544 A, 22.02.1983.
Адрес для переписки:
644099, г.Омск, ул. Таубе, 7а, ООО “ОмскСибНА”, В.В.Жильцову
|
(72) Автор(ы):
Жильцов Валерий Васильевич (RU), Котляров Александр Яковлевич (RU), Шендалева Елена Владимировна (RU)
(73) Патентообладатель(и):
Общество с ограниченной ответственностью “НТЦ “ОмскСибНА” (RU)
|
(54) СПОСОБ УПРАВЛЕНИЯ СИСТЕМОЙ ПОДДЕРЖАНИЯ ПЛАСТОВОГО ДАВЛЕНИЯ И УСТРОЙСТВО ДЛЯ ЕГО ОСУЩЕСТВЛЕНИЯ
(57) Реферат:
Изобретение относится к нефтегазодобывающей промышленности и может быть использовано при повышении нефтеотдачи вторичными методами. В способе поддерживают пластового давления в циклическом режиме с помощью основной насосной станции высокой производительности и дополнительной насосной станции малой производительности. Подключают с помощью телеуправляемой аппаратуры нагнетательных скважин к напорной сети на время, необходимое для выполнения ими задания по закачке, без дросселирования потоков. Подают рабочий агент основной насосной станцией во все нагнетательные скважины в течение совместного периода цикла закачки. Прекращают закачку рабочего агента в нагнетательные скважины с большей приемистостью и отключают от напорной сети основную насосную станцию. Подключают к напорной сети дополнительную насосную станцию и осуществляют дозакачку рабочего агента в нагнетательные скважины с меньшей приемистостью. Подачу дополнительной насосной станции регулируют с учетом необходимых объемов дозакачки рабочего агента в каждую нагнетательную скважину и обеспечения работы дополнительной насосной станции в области максимального коэффициента полезного действия. Нагнетательные скважины с выполненным заданием по закачке отключают от напорной сети последовательно, в порядке уменьшения приемистости. В качестве дополнительной насосной станции малой производительности может быть использован насос объемного типа. Способ осуществляется посредством устройства, включающего питающую сеть, основную насосную станцию и дополнительную насосную станцию малой производительности объемного типа, подключенные с помощью запорной арматуры к питающей сети и, через подводящий водовод, к водораспределительному блоку, соединенному посредством напорной сети через отсекающие устройства с запорно-регулирующей аппаратурой нагнетательных скважин. На устье каждой нагнетательной скважины установлены датчики давления и объема закачанной жидкости, связанные каналом передачи информации с кустовым контроллером. Выходы кустового контроллера связаны с входом преобразователя частоты напряжения и входом блока управления запорно-регулирующей аппаратурой, выходы которого соединены с управляющими входами запорно-регулирующей аппаратуры и запорной арматуры. Выход преобразователя частоты напряжения соединен с входом дополнительной насосной станции. Изобретения направлены на снижение обводненности месторождения за счет индивидуального подхода каждой скважины и на снижение энергетических затрат. 2 н. и 1 з.п. ф-лы, 3 ил.
Изобретения относятся к нефтегазодобывающей промышленности и могут быть использованы для управления системой поддержания пластового давления (ППД) при разработке и эксплуатации нефтегазового месторождения.
Известен способ управления системой ППД [1], включающий закачку рабочего агента в циклическом режиме через нагнетательные скважины и отбор нефти через добывающие скважины, объединение малоприемистых скважин в одну группу, закачку рабочего агента насосом высокой производительности во все нагнетательные скважины в период первого полуцикла циклического режима, прекращение закачки рабочего агента насосом высокой производительности и закачку рабочего агента насосом низкой производительности в группу малоприемистых нагнетательных скважин в период второго полуцикла до достижения пластового давления в зоне малоприемистых нагнетательных скважин, равного текущему пластовому давлению на участке разработки.
В известном изобретении недостатком является то, что не определены критерии согласования гидродинамических характеристик нагнетательных скважин, характеристик напорной сети и переключаемых насосов для обеспечения режима энергосбережения при управлении системой ППД.
Наиболее близким по совокупности признаков к заявляемому способу является способ управления системой ППД [2], включающий распределение потоков по нагнетательным скважинам и согласование характеристик сети с характеристиками кустовой нагнетательной станции (КНС), введение телеуправляемых запорных устройств на нагнетательных скважинах, введение программ сбора и обработки данных на диспетчерском пункте, поддержание пластового давления в циклическом режиме работы, подключение каждой скважины к напорной сети на время, необходимое для выполнения ею задания по закачке в течение заданного цикла без дросселирования потока, согласование характеристик сети и КНС путем распределения работы скважин в цикле. Этот способ принят за прототип.
К причинам, препятствующим достижению указанного ниже технического результата при использовании известного способа, относится то, что способ не осуществляет оптимизацию режимов работы КНС путем определения области эффективного согласования гидродинамических характеристик нагнетательных скважин и напорной сети, что ведет к энергетическим потерям. Способ не обеспечивает возможность оптимизации управления системой ППД, так как отсутствует регулирование производительности КНС в широком диапазоне. Способ не обеспечивает заметное снижение обводненности, поскольку использование двух насосных станций в режимах включения и отключения неизбежно приводит к избыточным объемам нагнетания в некоторых скважинах.
Известна система ППД в составе комплекса для добычи нефти [3], включающая нагнетательные скважины, КНС, водораспределительную гребенку, систему управления, телеметрический канал связи.
В известном изобретении КНС имеет узкий диапазон регулирования, коэффициент полезного действия КНС значительно уменьшается при ее работе в режимах, отличных от номинальных. Изобретение не обеспечивает энергосберегающие режимы эксплуатации системы ППД.
Известна автоматизированная система закачки рабочего агента и индивидуального учета объемов закачки в нагнетательную скважину [4], включающая нагнетательные скважины, подводящий водовод, подключенный к общему коллектору кратчайшим расстоянием по прямой, КНС, аппаратуру системы телемеханики, счетчики объема закачанной жидкости, смонтированные на устье каждой нагнетательной скважины. Эта система принята за прототип устройства.
К причинам, препятствующим достижению указанного ниже технического результата, относится то, что данное изобретение не обеспечивает оптимальное управление системой ППД. Отсутствует блок управления производительностью КНС и элементы, позволяющие значительно снизить ее энергопотребление.
Сущность способа заключается в том, что поддерживают пластовое давление в циклическом режиме с помощью основной насосной станции высокой производительности и дополнительной насосной станции малой производительности, обеспечивают согласование характеристик нагнетательной сети с характеристиками основной и дополнительной насосных станций без дросселирования потоков, распределяют работу основной и дополнительной насосных станций и нагнетательных скважин в течение цикла закачки, подключают с помощью телеуправляемой аппаратуры нагнетательные скважины к напорной сети на время, необходимое для выполнения ими задания по закачке, обеспечивают подачу основной насосной станцией рабочего агента во все нагнетательные скважины в течение совместного периода цикла закачки, прекращают закачку основной насосной станцией рабочего агента в нагнетательные скважины с большей приемистостью, отключают от напорной сети основную насосную станцию, подключают к напорной сети дополнительную насосную станцию, обеспечивают дозакачку дополнительной насосной станцией рабочего агента в нагнетательные скважины с меньшей приемистостью, регулируют подачу дополнительной насосной станции с учетом необходимых объемов дозакачки рабочего агента в каждую нагнетательную скважину, обеспечивают работу дополнительной насосной станции в области максимального коэффициента полезного действия, последовательно, в порядке уменьшения приемистости, отключают от напорной сети нагнетательные скважины с выполненным заданием по закачке, в качестве дополнительной насосной станции малой производительности используют насос объемного типа.
Сущность устройства заключается в том, что в устройство, содержащее питающую сеть, основную насосную станцию и дополнительную насосную станцию малой производительности объемного типа, подключенные с помощью запорной арматуры к питающей сети и, через подводящий водовод, к водораспределительному блоку, соединенному посредством напорной сети через отсекающие устройства с запорно-регулирующей аппаратурой нагнетательных скважин, снабженных датчиками давления и объема закачанной жидкости, установленными на устье каждой нагнетательной скважины, кустовой контроллер с каналом передачи информации от датчиков к кустовому контроллеру, дополнительно введен преобразователь частоты напряжения, вход которого соединен с выходом кустового контроллера, второй выход которого подключен к входу блока управления запорно-регулирующей аппаратурой, соединенного своими выходами с управляющими входами запорно-регулирующей аппаратуры и запорной арматуры, выход преобразователя частоты напряжения соединен с входом регулируемой насосной станции малой производительности объемного типа.
При разработке и эксплуатации месторождений для поддержания необходимого пластового давления в продуктивную залежь должно быть подано непрерывно или в циклическом режиме определенное количество рабочего агента. При этом предъявляются требования не только к общему количеству закачанного в пласт агента, но и к количеству агента, закачанного через определенную группу скважин, через отдельные скважины или через различные интервалы пласта одной и той же скважины. В связи с изменением гидравлических сопротивлений на пути от КНС до пласта и величины требуемого пластового давления в зоне нагнетания давление на КНС изменяется во времени. Поэтому от диапазона регулирования производительности КНС наряду с мероприятиями по сокращению гидравлических сопротивлений в нагнетательной сети в значительной степени зависит надежность обеспечения требуемого притока флюида в добывающие скважины, а от изменения коэффициента полезного действия КНС во всем диапазоне регулирования производительности зависит эффективность энергопотребления системы ППД.
Достигаемый технический результат – снижение энергопотребления системой ППД, обеспечение возможности ее оптимального автоматизированного управления, снижение обводненности месторождения.
В предлагаемом способе управления системой ППД:
1) поддерживают пластовое давление в циклическом режиме с помощью основной насосной станции высокой производительности и дополнительной насосной станции малой производительности;
2) согласуют характеристики нагнетательной сети с характеристиками основной и дополнительной насосных станций без дросселирования потоков;
3) распределяют работу основной и дополнительной насосных станций и нагнетательных скважин в течение цикла закачки;
4) подключают с помощью телеуправляемой аппаратуры нагнетательные скважины к напорной сети на время, необходимое для выполнения ими задания по закачке;
5) осуществляют подачу рабочего агента во все нагнетательные скважины в течение совместного периода цикла закачки основной насосной станцией;
6) прекращают закачку основной насосной станцией рабочего агента в нагнетательные скважины с большей приемистостью;
7) отключают от напорной сети основную насосную станцию;
8) подключают к напорной сети дополнительную насосную станцию;
9) осуществляют дозакачку рабочего агента в нагнетательные скважины с меньшей приемистостью дополнительной насосной станцией;
10) регулируют подачу дополнительной насосной станции с учетом необходимых объемов дозакачки рабочего агента в каждую нагнетательную скважину и обеспечения работы дополнительной насосной станции в области максимального коэффициента полезного действия;
11) отключают от напорной сети нагнетательные скважины с выполненным заданием по индивидуальному объему дозакачки последовательно, в порядке уменьшения приемистости;
12) в качестве дополнительной насосной станции малой производительности используют насос объемного типа.
Пункты 10-12 являются новыми отличительными признаками, определяющими достигаемый технический результат.
В устройстве технический результат достигается тем, что введен преобразователь частоты напряжения, вход которого соединен с выходом кустового контроллера, второй выход которого подключен к входу блока управления запорно-регулирующей аппаратурой, соединенного своими выходами с управляющими входами запорно-регулирующей аппаратуры и запорной арматуры, выход преобразователя частоты напряжения соединен с входом регулируемой насосной станции малой производительности объемного типа.
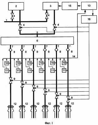
На фиг.1 представлена структурная схема устройства для осуществления способа управления системой ППД; на фиг.2 приведены графики характеристик насосной установки и диаграммы объемов закачки при реализации способа управления системой ППД; на фиг.3 – диаграмма расходов рабочего агента, полученная при моделировании и экспериментальных исследованиях.
Система ППД (фиг.1) содержит питающую сеть 1, основную насосную станцию 2 высокой производительности, дополнительную насосную станцию 3 малой производительности объемного типа, запорную арматуру 4, подводящий водовод 5, водораспределительный блок 6, напорную сеть 7, отсекающие устройства 8, запорно-регулирующую аппаратуру 9, датчики 10 давления, датчики 11 объемного расхода закачанной жидкости, установленные на устье каждой нагнетательной скважины 12, кустовой контроллер 13 канал 14 передачи информации от датчиков 10, 11 к кустовому контроллеру 13, преобразователь 15 частоты напряжения, блок 16 управления запорно-регулирующей аппаратурой 9.
Источником рабочего агента служит питающая сеть 1, подключенная к водоочистной станции (на фиг.1 не показана), подающая воду на основную насосную станцию 2 высокой производительности и дополнительную насосную станцию 3 малой производительности объемного типа. Запорная арматура 4 позволяет подключать и отключать насосные станции 2 и 3 к подводящему водоводу 5 и водораспределительному блоку 6, который через отсекающие устройства 8 подает воду в напорную сеть 7. На устье каждой нагнетательной скважины 12 установлена запорно-регулирующая аппаратура 9, позволяющая в автоматическом режиме подключать нагнетательные скважины 12 к напорной сети 7, датчики 10 давления и датчики 11 объемного расхода закачанной жидкости. Выходные сигналы датчиков 10 и 11 по каналу 14 передачи информации подаются в кустовой контроллер 13, управляющий с помощью блока 16 управления запорно-регулирующей аппаратурой 9, а также с помощью преобразователя 15 частоты напряжения дополнительной насосной станцией 3.
Способ управления системой поддержания пластового давления с помощью устройства осуществляется следующим образом.
Сначала по параметрам пласта и добычи рассчитывают время цикла и объем рабочего агента, закачиваемого в нагнетательные скважины 12 в течение цикла.
По сигналу с первого выхода кустового контроллера 13 происходит переключение электроуправляемой запорной арматуры 4 (“открыть-закрыть”) и подключение к питающей сети 1 основной насосной станции 2. По сигналу со второго выхода кустового контроллера 13 в блоке 16 управления происходит формирование управляющих сигналов для подключения электроуправляемой запорно-регулирующей аппаратуры 9 к напорной сети 7. Основная насосная станция 2 закачивает рабочий агент через водораспределительный блок 6 во все нагнетательные скважины 12 в течение совместного периода цикла закачки без дросселирования. Информация об объеме нагнетаемого рабочего агента и давлении на устье нагнетательных скважин 12 с выходов датчиков 10, 11 по каналу 14 передачи информации подается в кустовой контроллер 13.
При выполнении задания по объему закачки в каждой из группы нагнетательных скважин 12 с большей приемистостью (одной скважины с наибольшей приемистостью) Q1 со второго выхода контроллера 13 через блок 16 управления на запорно-регулирующую аппаратуру 9 (дроссели или задвижки) подается сигнал закрытия и отключения этих нагнетательных скважин от напорной сети 7. По сигналу с первого выхода контроллера 13 происходит переключение запорной арматуры 4, отключение от питающей сети 1 основной насосной станции 2 и подключение к питающей сети 1 дополнительной насосной станции 3 объемного типа, выбор которого обусловлен необходимостью раздельного регулирования производительности насосной станции 3 и давления на ее выходе.
Предварительно определяют необходимый объем Vд дозакачки рабочего агента
Vд=VП-VС,
где VП – плановый объем закачки, осуществляемой за весь цикл;
VC – объем закачки в совместный период цикла.
и темп q дозакачки

где tц – время цикла;
tс – время совместного периода цикла.
С помощью дополнительной насосной станции 3 осуществляют дозакачку рабочего агента в нагнетательные скважины 12 с меньшей приемистостью.
Регулируют подачу дополнительной насосной станции с учетом обеспечения темпа дозакачки рабочего агента q, обеспечивая максимально возможный коэффициент полезного действия (КПД) дополнительной насосной станции 3 при заданном объеме дозакачки.
На фиг.2 показаны реальные характеристики дополнительной насосной станции 3 по потребляемой мощности Р, КПД , а также заданная (сплошные линии) и скорректированная (точечные линии) диаграммы дозакачки в нагнетательные скважины 12 с меньшей приемистостью.
При этом V1 и – объемы дозакачки в 1-ую скважину скважин 12 с меньшей приемистостью заданный и скорректированный соответственно; V2 и – объемы дозакачки во 2-ую скважину скважин 12 с меньшей приемистостью заданный и скорректированный; V2 и – объемы дозакачки в 3-ю скважину скважин 12 с меньшей приемистостью;  1,  2,  3 – увеличение КПД дополнительной насосной станции 3.
Наглядно видно снижение энергетических затрат по дозакачке рабочего агента в скважины 12 с меньшей приемистостью. При этом требуемая производительность (объем дозакачки в единицу времени) не связана с давлением нагрузки (на устье скважин 12) в силу использования насоса объемного типа. Этим достигается возможность увеличения коэффициента охвата, степени воздействия на поровые структуры призабойной зоны нагнетательных скважин 12 с меньшей приемистостью и общего повышения эффективности воздействия на пласт.
При выполнении индивидуального задания по закачке в нагнетательные скважины 12 с меньшей приемистостью отключают их от напорной сети 7. Отключение осуществляют последовательно в порядке уменьшения приемистости и, как следствие, увеличения гидравлического сопротивления системы “дополнительная насосная станция – напорная сеть – нагнетательная скважина”. Дополнительная насосная станция 3 поддерживает повышенное давление на устье нагнетательных скважин 12 с меньшей приемистостью.
На фиг.3 приведена диаграмма расходов рабочего агента, показывающая пример моделирования и реализации способа и устройства с использованием в качестве дополнительной насосной станции 3 объемного типа регулируемой блочно-кустовой насосной станции БКНС 160×400/20 с трехплунжерным насосом НТП-160×20.
Период совместной закачки составил 3,75 суток, объемный расход составил 1205 м3/сут. Скважиной с наибольшей приемистостью является скважина №302. После перекрытия задвижки 9 на устье скважины №302, отключения КНС и подключения БКНС 400/160 к водоводу 5, осуществления дозакачки рабочего агента в оставшиеся скважины 12 в течение 7,05 суток объемный расход составил 565 м3/сут. Затем была отключена скважина №105 и расход составил 365 м3/сут и т.д. Цикл закачки составил 27,75 суток.
Использование способа и устройства обеспечивает снижение энергетических затрат не менее 25-30% за счет отказа от неэффективных режимов работы основной насосной станции 2 и оптимизации режимов работы дополнительной рабочей станции 3, а также снижение обводненности месторождения за счет индивидуального подхода к каждой нагнетательной скважине 12.
Кроме того, изобретения обеспечивают оптимальное автоматизированное управление системой ППД и предоставляют следующие возможности:
– измерение расходов qi и давлений pi на входе в нагнетательные скважины с вычислением объемов закачки wi на местах или в пункте управления;
– построение и ведение характеристик нагнетательных скважин pi(qi) – корректировка, динамика изменений;
– построение и ведение совокупности характеристик сети (нагнетательные скважины, напорная сеть, водоводы, питающая сеть) в координатах P{Q) при числе подключенных (открытых) скважин от n до 1;
– то же по характеристикам основной насосной станции 2 и дополнительной насосной станции 3 в координатах P(Q) как при раздельном, так и при параллельном включении;
– совмещенные характеристики насосных станций 2 и 3 и сети, определение рабочей точки сети.
Источники информации
1. Пат. 2164591 RU, МПК Е 21 В 43/20. Способ разработки нефтяной залежи / Г.Ф.Кандаурова, Р.С.Нурмухаметов, Р.X.Галимов, В.Ф.Федин, С.В.Кандауров (RU). – 2000123801/03; Заявл. 19.09.2000; Опубл.27.03.2001.
2. Пат. 2186954 RU, МПК Е 21 В 43/20. Способ управления системой поддержания пластового давления / В.А.Горбатиков, А.П.Пальянов (RU). – 200119331/03; Заявл. 19.07.2000; Опубл.10.08.2002.
3. Пат. 2165015 RU, МПК Е 21 В 43/40, F 17 D 1/00. Комплекс для добычи нефти / Ю.Н.Макаркин, А.Г.Гусев (RU). – 99113970/06; Заявл. 25.06.1999; Опубл.10.04.2001.
4. Пол. мод. 22176 RU, МПК Е 21 В 43/12. Автоматизированная система закачки рабочего агента и индивидуального учета объемов закачки в нагнетательную скважину / Г.Г.Ганиев, 3.Н.Зиякаев, В.А.Лидер, В.Р.Салихов (RU). – 2001122967/20; Заявл. 16.08.2001; Опубл.10.03.2002.
Формула изобретения
1. Способ управления системой поддержания пластового давления, включающий поддержание пластового давления в циклическом режиме с помощью основной насосной станции высокой производительности и дополнительной насосной станции малой производительности, согласование характеристик нагнетательной сети с характеристиками основной и дополнительной насосных станций без дросселирования потоков, распределение работы основной и дополнительной насосных станций и нагнетательных скважин в течение цикла закачки, подключение с помощью телеуправляемой аппаратуры нагнетательных скважин к напорной сети на время, необходимое для выполнения ими задания по закачке, подачу основной насосной станцией рабочего агента во все нагнетательные скважины в течение совместного периода цикла закачки, прекращение закачки основной насосной станцией рабочего агента в нагнетательные скважины с большей приемистостью, отключение от напорной сети основной насосной станции, подключение к напорной сети дополнительной насосной станции, дозакачку дополнительной насосной станцией рабочего агента в нагнетательные скважины с меньшей приемистостью, отличающийся тем, что подачу дополнительной насосной станции регулируют с учетом необходимых объемов дозакачки рабочего агента в каждую нагнетательную скважину и обеспечения работы дополнительной насосной станции в области максимального коэффициента полезного действия, последовательно, в порядке уменьшения приемистости отключают от напорной сети нагнетательные скважины с выполненным заданием по закачке.
2. Способ по п.1, отличающийся тем, что в качестве дополнительной насосной станции малой производительности используют насос объемного типа.
3. Устройство для осуществления способа по п.1 или 2, включающее питающую сеть, основную насосную станцию и дополнительную насосную станцию малой производительности объемного типа, подключенные с помощью запорной арматуры к питающей сети и через подводящий водовод к водораспределительному блоку, соединенному посредством напорной сети через отсекающие устройства с запорно-регулирующей аппаратурой нагнетательных скважин, снабженных датчиками давления и объема закачанной жидкости, установленными на устье каждой нагнетательной скважины, кустовой контроллер с каналом передачи информации от датчиков к кустовому контроллеру, отличающееся тем, что устройство дополнительно содержит преобразователь частоты напряжения, вход которого соединен с выходом кустового контроллера, второй выход которого подключен к входу блока управления запорно-регулирующей аппаратурой, соединенного своими выходами с управляющими входами запорно-регулирующей аппаратуры и запорной арматуры, выход преобразователя частоты напряжения соединен с входом дополнительной насосной станции.
РИСУНКИ
MM4A – Досрочное прекращение действия патента СССР или патента Российской Федерации на изобретение из-за неуплаты в установленный срок пошлины за поддержание патента в силе
Дата прекращения действия патента: 23.09.2008
Извещение опубликовано: 10.08.2010 БИ: 22/2010
|