|
|
(21), (22) Заявка: 2005105417/03, 28.02.2005
(24) Дата начала отсчета срока действия патента:
28.02.2005
(46) Опубликовано: 20.06.2006
(56) Список документов, цитированных в отчете о поиске:
SU 825784 А1, 30.04.1981. SU 1659599 А1, 30.06.1991. SU 1320352 А1, 30.06.1987. SU 1659598 А1, 30.06.1991. RU 2082855 С1, 27.06.1997. GB 2252642 А, 12.08.1992.
Адрес для переписки:
119991, Москва, Ленинский пр-т, 6, МГГУ, патентный отдел
|
(72) Автор(ы):
Ломакин Михаил Сергеевич (RU), Ромашенков Анатолий Михайлович (RU), Самойленко Александр Михайлович (RU)
(73) Патентообладатель(и):
Московский государственный горный университет (МГГУ) (RU)
|
(54) УСТРОЙСТВО ДЛЯ УПРАВЛЕНИЯ РАБОЧИМ ОБОРУДОВАНИЕМ ЭКСКАВАТОРА-ДРАГЛАЙНА
(57) Реферат:
Изобретение относится к горной промышленности и может быть использовано для управления рабочим оборудованием экскаватора-драглайна. Техническим результатом является повышение производительности экскаватора-драглайна за счет уменьшения времени, необходимого для внедрения ковша в твердый грунт путем увеличения усилия его внедрения. Для этого устройство содержит датчик и задатчик натяжения подъемных канатов, подключенные соответственно к первому и второму входу регулятора натяжения подъемных канатов, ручной задатчик скорости двигателя подъемной лебедки, выход которого и выход регулятора натяжения подъемных канатов подключены ко входам блока выделения наибольшего сигнала управления двигателем, а выход его соединен через блок ограничения скорости подъемных канатов, управляемый выходным сигналом датчика натяжения этих канатов, со входом блока регулирования скорости двигателя. Устройство снабжено датчиком и задатчиком длины подъемных канатов и натяжения тяговых канатов, двумя компараторами и управляемыми ключами, блоком согласования сигналов ручного задатчика скорости и задатчика натяжения подъемных канатов, при этом выходы датчика и задатчика длины подъемных канатов подключены ко входам одного компаратора, выход которого соединен с управляющим входом первого ключа, а выходы датчика и задатчика натяжения тяговых канатов – ко входам другого компаратора, соединенного с управляющим входом второго ключа, причем выход ручного задатчика скорости двигателя подъемной лебедки через первый и второй управляемые ключи и блок согласования сигналов ручного задатчика скорости и задатчика натяжения подъемных канатов подключен к третьему входу регулятора натяжения подъемных канатов. 1 ил.
Изобретение относится к горной промышленности и может быть использовано для управления рабочим оборудованием экскаватора-драглайна.
Известно устройство для управления рабочим оборудованием экскаватора-драглайна, содержащее датчик и задатчик натяжения подъемных канатов, подключенные к регулятору натяжения подъемных канатов, выход которого подключен к одному из входов блока выделения наибольшего сигнала, к другому входу которого подключен ручной задатчик скорости, а его выход подключен ко входу блока регулирования скорости подъемной лебедки [1].
К недостаткам известного устройства следует отнести то, что оно не ограничивает скорость электродвигателя подъемной лебедки при выборе слабины в подъемных канатах, что приводит к значительным динамическим нагрузкам в рабочем оборудовании, механизме и электроприводе подъемной лебедки экскаватора.
Наиболее близким по технической сущности к предлагаемому устройству является устройство для управления рабочим оборудованием экскаватора-драглайна, содержащее датчик и задатчик натяжения подъемных канатов, подключенные соответственно к первому и второму входу регулятора натяжения подъемных канатов, ручной задатчик скорости двигателя подъемной лебедки, выход которого и выход регулятора натяжения подъемных канатов подключены ко входам блока выделения наибольшего сигнала управления двигателем, а выход его соединен через блок ограничения скорости подъемных канатов, управляемый выходным сигналом датчика натяжения этих канатов, со входом блока регулирования скорости двигателя [2]. Это устройство взято нами в качестве прототипа. Данное устройство по сравнению с аналогом позволяет уменьшить динамические нагрузки в подъемных канатах при выборе слабины канатов после посадки ковша на поверхность забоя. Однако это устройство, также как и рассмотренное выше, не позволяет опустить на ковш его упряжь и повысить тем самым усилие внедрения ковша в грунт в начале копания. При разработке твердых грунтов это приводит к увеличению времени внедрения ковша и, следовательно, всего времени копания.
Задача изобретения – повышение производительности экскаватора-драглайна за счет уменьшения времени, необходимого для внедрения ковша в твердый грунт путем увеличения усилия его внедрения.
Это достигается тем, что устройство для управления рабочим оборудованием экскаватора-драглайна, содержащее датчик и задатчик натяжения подъемных канатов, подключенные соответственно к первому и второму входу регулятора натяжения подъемных канатов, ручной задатчик скорости двигателя подъемной лебедки, выход которого и выход регулятора натяжения подъемных канатов подключены ко входам блока выделения наибольшего сигнала управления двигателем, а выход его соединен через блок ограничения скорости подъемных канатов, управляемый выходным сигналом датчика натяжения этих канатов, со входом блока регулирования скорости двигателя, снабжено датчиком и задатчиком длины подъемных канатов и натяжения тяговых канатов, двумя компараторами и управляемыми ключами, блоком согласования сигналов ручного задатчика скорости и задатчика натяжения подъемных канатов, при этом выходы датчика и задатчика длины подъемных канатов подключены ко входам одного компаратора, выход которого соединен с управляющим входом первого ключа, а выходы датчика и задатчика натяжения тяговых канатов – ко входам другого компаратора, соединенного с управляющим входом второго ключа, причем выход ручного задатчика скорости двигателя подъемной лебедки через первый и второй управляемые ключи и блок согласования сигналов ручного задатчика скорости и задатчика натяжения подъемных канатов подключен к третьему входу регулятора натяжения подъемных канатов.
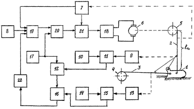
На чертеже представлена блок-схема предлагаемого устройства.
Устройство включает рабочее оборудование в виде ковша 1 с подъемными и тяговыми канатами 2 и 3, тяговую лебедку 4 и подъемную лебедку 5, механически связанную с двигателем 6, который подключен к системе управления скоростью двигателя. Эта система состоит из датчика 7 с задатчиком 8 натяжения подъемных канатов, датчика 9 с задатчиком 10 длины подъемных канатов, выходы которых подключены на входы одного компаратора 11, а его выход – к управляющему входу первого ключа 12, датчика 13 и задатчика 14 натяжения тяговых канатов, выходы которых соединены со входами другого компаратора 15, выход которого подключен к управляющему входу второго ключа 16, ручного задатчика 17 скорости двигателя подъемной лебедки и блока 18 регулирования скорости двигателя подъемной лебедки. При этом датчик 7 и задатчик 8 натяжения подъемных канатов подключены соответственно к первому и второму входу регулятора 19 натяжения подъемных канатов, а его выход и выход ручного задатчика 17 скорости двигателя подъемной лебедки подключены ко входам блока 20 выделения наибольшего сигнала управления скоростью двигателя 6. Выход блока 20 соединен через блок 21 ограничения скорости подъемных канатов, управляемый выходным сигналом датчика 7 натяжения подъемных канатов, со входом блока 18 регулирования скорости двигателя 6 подъемной лебедки. Вторым задающим сигналом для регулятора 19 натяжения подъемных канатов является также выходной сигнал ручного задатчика 17 скорости двигателя, поступающий через последовательно соединенные первый и второй управляемые ключи 12 и 16 и через блок 22 согласования сигналов ручного задатчика скорости 17 двигателя и задатчика 8 натяжения подъемных канатов.
Устройство работает следующим образом.
После посадки ковша 1 на поверхность забоя машинист переводит ручной задатчик 17 скорости двигателя подъемной лебедки в крайнее положение “от себя”, при котором его выходной сигнал принимает максимальное отрицательное значение и поступает через первый, второй управляемые ключи 12, 16 и блок согласования 22 сигналов ручного задатчика 17 скорости двигателя и задатчика 8 к регулятору 19 натяжения подъемных канатов. Параметры блока согласования выбирают так, чтобы при указанном положении ручного задатчика его выходное напряжение компенсировало выходное напряжение задатчика 8 натяжения подъемных канатов, в результате чего сигнал задания для регулятора 19 натяжения подъемных канатов становится равным нулю и его выходной сигнал по алгебраической величине больше выходного сигнала ручного задатчика 17 скорости двигателя подъемной лебедки. Блок 20 выделения наибольшего сигнала выделяет этот сигнал, который через блок 21 ограничения скорости подъемных канатов поступает на вход блока 18 регулирования скорости двигателя подъемной лебедки. Под действием сигнала регулятора натяжения подъемных канатов величина усилия их натяжения устанавливается на заданном уровне, т.е. принимает значение, равное Sп=0. Это значение величины усилия в подъемных канатах соответствует положению упряжи, когда она опущена на ковш, что обеспечивает увеличение усилия внедрения ковша в грунт. В процессе копания осуществляется перемещение ковша 1 по забою под действием тяговой лебедки 4, происходит наполнение ковша и, следовательно, увеличение его веса. При величине усилия Sт в тяговых канатах, равной, например, Sт=0,2 Sт.стоп. (Sт.стоп. – стопорное значение усилия в тяговых канатах), усилие внедрения ковша становится достаточным за счет веса грунта без дополнительного воздействия на ковш веса упряжи. Поэтому выходной сигнал ручного задатчика 17 скорости двигателя подъемной лебедки необходимо отключить от входа регулятора 19 натяжения подъемных канатов. При Sт>0,2 Sт.стоп. выходное напряжение U13 датчика 13 становится больше выходного напряжения U14 задатчика 14 натяжения тяговых канатов. Напряжение на выходе компаратора 15, являющееся управляющим напряжением для второго ключа 16, принимает нулевое значение, ключ 16 размыкается и выходной сигнал ручного задатчика 17 скорости двигателя отключается от входа регулятора 19 натяжения канатов. Сигнал задания для регулятора 19 формируется только задатчиком 8 натяжения подъемных канатов. Этот сигнал задания принимается равным весу упряжи ковша Sп0=Cт.упр. Под действием сигнала регулятора натяжения подъемных канатов упряжь ковша переводится в поднятое положение. После поднятия упряжи ковша машинист переходит на ручное управление процессом копания посредством ручного задатчика 17 скорости двигателя.
Для устранения аварийного режима “срыв” ковша с бровки забоя, который может возникнуть при копании с верхним черпанием при наличии слабины в подъемных канатах, посредством датчика 9 производится измерение длины lп ветви подъемных канатов. При lп<0,95 lп0 (где lп0 – длина ветви подъемных канатов по вертикали до поверхности забоя на уровне стояния экскаватора) выходное напряжение U9 датчика 9 становится больше выходного напряжения U10 задатчика 10 длины подъемных канатов. Напряжение на выходе компаратора 11, являющееся управляющим напряжением для первого ключа 12, принимает нулевое значение, ключ 12 размыкается и выходной сигнал ручного задатчика 17 скорости двигателя отключается от входа регулятора 19 натяжения подъемных канатов. При копании с верхним черпанием сигнал задания для регулятора 19 будет формироваться только задатчиком 8 натяжения подъемных канатов. Под действием этого сигнала задания регулятор натяжения подъемных канатов обеспечивает стабилизацию усилия их натяжения на уровне, равном Sп=Sп0, при котором упряжь ковша будет находиться в поднятом положении, устраняя тем самым возможность срыва ковша с бровки забоя.
Таким образом, изобретение позволяет повысить производительность экскаватора-драглайна за счет уменьшения времени внедрения ковша в грунт.
Источники информации
1. Авт. свидетельство №676694 по кл. E 02 F 3/48, бюл. №28, 1979 г.
2. Авт. свидетельство №825784 по кл. E 02 F 3/48, бюл. №16, 1981 г. (прототип).
Формула изобретения
Устройство для управления рабочим оборудованием экскаватора-драглайна, содержащее датчик и задатчик натяжения подъемных канатов, подключенные соответственно к первому и второму входу регулятора натяжения подъемных канатов, ручной задатчик скорости двигателя подъемной лебедки, выход которого и выход регулятора натяжения подъемных канатов подключены ко входам блока выделения наибольшего сигнала управления двигателем, а выход его соединен через блок ограничения скорости подъемных канатов, управляемый выходным сигналом датчика натяжения этих канатов, со входом блока регулирования скорости двигателя, отличающееся тем, что оно снабжено датчиком и задатчиком длины подъемных канатов и натяжения тяговых канатов, двумя компараторами и управляемыми ключами, блоком согласования сигналов ручного задатчика скорости и задатчика натяжения подъемных канатов, при этом выходы датчика и задатчика длины подъемных канатов подключены ко входам одного компаратора, выход которого соединен с управляющим входом первого ключа, а выходы датчика и задатчика натяжения тяговых канатов – ко входам другого компаратора, соединенного с управляющим входом второго ключа, причем выход ручного задатчика скорости двигателя подъемной лебедки через первый и второй управляемые ключи и блок согласования сигналов ручного задатчика скорости и задатчика натяжения подъемных канатов подключен к третьему входу регулятора натяжения подъемных канатов.
РИСУНКИ
|
|