|
(21), (22) Заявка: 2004135114/09, 01.12.2004
(24) Дата начала отсчета срока действия патента:
01.12.2004
(45) Опубликовано: 20.05.2006
(56) Список документов, цитированных в отчете о поиске:
RU 2234816 C1, 20.08.2004. RU 2019054 C1, 30.08.1994. RU 2020767 C1, 30.09.1994. RU 2013018 C1, 15.05.1994. US 6636570 B1, 21.10.2003. US 6728321 B2, 27.04.2004. US 6735262 B1, 11.05.2004.
Адрес для переписки:
344010, г.Ростов-на-Дону, пр. Соколова, 96, ФГУП “ГКБ “Связь”, зам. директора А.А. Олейникову
|
(72) Автор(ы):
Пархоменко Николай Григорьевич (RU), Боташев Борис Муссаевич (RU)
(73) Патентообладатель(и):
Федеральное государственное унитарное предприятие “Государственное конструкторское бюро аппаратно-программных систем “Связь” (ФГУП “ГКБ “Связь”) (RU)
|
(54) УСТРОЙСТВО ДЛЯ ВОССТАНОВЛЕНИЯ НЕСУЩЕЙ ЧАСТОТЫ СИГНАЛОВ С АМПЛИТУДНО-ФАЗОВОЙ МАНИПУЛЯЦИЕЙ
(57) Реферат:
Изобретение относится к радиотехнике и может быть использовано при когерентной демодуляции сигналов с комбинированной амплитудно-фазовой манипуляцией (АФМ). Технический результат: повышение помехоустойчивости за счет устранения точек ложных захватов по фазе на дискриминационной характеристике. Поставленная цель достигается тем, что в устройство-прототип введены второе постоянное запоминающее устройство и блок вычисления логарифма, причем выходы первого и второго аналого-цифрового преобразователей соединены, соответственно, с первым и вторым входами второго постоянного запоминающего устройства, выход которого соединен с входом блока вычисления логарифма, выход которого соединен со вторым входом перемножителя. 4 ил.
Изобретение относится к радиотехнике и может быть использовано при когерентной демодуляции сигналов с комбинированной амплитудно-фазовой манипуляцией (АФМ).
Известен демодулятор сигналов шестнадцатипозиционной квадратурной амплитудной манипуляции, содержащий первый и второй фазовые детекторы, фильтр, генератор, первый и второй ограничители (см. патент РФ №2013018, МПК 5 Н 04 L 27/22, опубл. БИ №9, 15.05.94 г.) [1].
Недостатком известного демодулятора является его низкая помехоустойчивость, связанная с наличием точки ложного захвата по фазе на его дискриминационной характеристике в окрестности точки  23° (см. [1, фиг.2]). Работа демодулятора в состоянии ложного захвата по фазе, которое в известном устройстве не может быть обнаружено и устранено, приводит к полной потере информации на выходе демодулятора.
Известно также устройство восстановления несущей частоты сигналов шестнадцатипозиционной квадратурной амплитудной манипуляции, содержащее первый и второй фазовые детекторы, первый и второй фильтры нижних частот, фазовращатель и четыре сумматора (см. патент РФ №2019054, МПК 5 Н 04 L 27/34, опубл. в БИ №16, 30.08.94 г.) [2].
Недостаток известного устройства также состоит в его низкой помехоустойчивости, связанной с возможностью полной потери информации из-за наличия ложного захвата по фазе при  
Для устранения самой возможности ложных захватов эмпирическим путем синтезируют такие схемы восстановления несущей частоты, которые не имеют точек ложных захватов по фазе на дискриминационной характеристике.
Общим недостатком такого подхода является следующее. Поскольку такие устройства не соответствуют теоретически оптимальным, т.е. тем, структура которых вытекает из теории оценок параметров сигнала, то такие устройства имеют высокую дисперсию восстановленной несущей в окрестности рабочей точки =0°. Это приводит к низкой помехоустойчивости таких устройств.
Так, известен демодулятор сигналов шестнадцатипозиционной квадратурной амплитудной манипуляции, содержащий два фазовых детектора, фазовращатель, шесть сумматоров и генератор, управляемый напряжением (ГУН) (см. патент РФ №2020767, МПК 5 Н 04 L 27/22, опубл. в БИ №18, 30.09.94 г.) [4]. В известном устройстве происходит восстановление несущей частоты для сигналов шестнадцатипозиционной квадратурной амплитудной манипуляции.
Недостаток известного устройства состоит в его низкой помехоустойчивости, связанной с высокой дисперсией управляющего напряжения на выходе ГУН при =0°, несмотря на то, что известное устройство имеет дискриминационную характеристику по фазе, вообще не имеющую точек ложных захватов.
Рациональным сочетанием высокой помехоустойчивости при =0° и минимальными потерями информации за счет исключения ложных захватов является использование в тех устройствах, которые обладают нежелательными точками ложных захватов, специальных мер по изменению формы дискриминационной характеристики при  0°. Устранение точек ложных захватов в этом случае гарантированно компенсирует по критерию помехоустойчивости некоторое увеличение дисперсии управляющего напряжения при  0°.
Из известных технических решений наиболее близким к заявленному устройству (прототипом) является устройство для восстановления несущей частоты сигналов с амплитудно-фазовой манипуляцией, содержащее первый и второй фазовые детекторы, первый и второй интеграторы, петлевой фильтр, генератор, управляемый напряжением, фазовращатель, первый и второй аналого-цифровые преобразователи, первое постоянное запоминающее устройство, перемножитель, вычитатель и блок вычисления арктангенса, причем первые входы первого и второго фазовых детекторов объединены и являются входом устройства, выходы первого и второго фазовых детекторов соединены со входами, соответственно, первого и второго интеграторов, выход петлевого фильтра соединен со входом генератора, управляемого напряжением, выход которого соединен со вторым входом второго фазового детектора и входом фазовращателя, выход которого соединен со вторым входом первого фазового детектора, выходы первого и второго интеграторов соединены со входами, соответственно, первого и второго аналого-цифровых преобразователей, выход первого аналого-цифрового преобразователя соединен с первым входом блока вычисления арктангенса и первым входом первого постоянного запоминающего устройства, выход второго аналого-цифрового преобразователя соединен со вторым входом блока вычисления арктангенса и вторым входом первого постоянного запоминающего устройства, выход и первый вход перемножителя соединены, соответственно, со входом петлевого фильтра и выходом вычитателя, первый и второй вход которого соединены, соответственно, с выходом блока вычисления арктангенса и выходом первого постоянного запоминающего устройства (см. патент РФ № 234816, МПК(7) H 04 L 27/34, опубл. в БИ №23, 2004 г. [5] – прототип).
Недостатком известного устройства является его низкая помехоустойчивость при восстановлении несущей частоты сигналов с комбинированной амплитудно-фазовой манипуляцией (АФМ), обусловленная наличием точек ложного захвата по фазе на его дискриминационной характеристике.
Известно, что в подавляющем большинстве случаев при восстановлении несущей частоты АФМ сигнала используется получение оценок начальной фазы 0 сигнала по методу максимального правдоподобия [6, с.314], [9, с.90-92].
Из теории оценок известно, что оценкой максимального правдоподобия 0 является такая оценка, которая служит корнем уравнения вида

где – частная производная по параметру ;
ln(х) – натуральный логарифм числа х;
– функция правдоподобия параметра 
(см., например [6, с.288-289, ф.(6.2.10); 7, с.148-149, ф.(8.10)-(8.11); 8, с.234-235, ф.(8.1)-(8.2)]).
В случае наличия в сигнале энергетических манипулируемых параметров функция правдоподобия в уравнении (1) должна быть предварительно усреднена по всем значениям неоцениваемых параметров (в случае сигнала с амплитудной манипуляцией – по всем возможным значениям нормативной амплитуды каждой из сигнальных точек АФМ сигнала) [9, с.92-93, ф.(4.29)].
Таким образом, при решении уравнения правдоподобия необходимо искать такое значение начальной фазы 0, которое доставляет глобальный максимум функции

В силу невозможности достаточно простого аналитического представления функции для произвольного сигнала АФМ синтез схемы восстановления несущей на основе прямого использования выражений (1) и (2) не представляется возможным.
Вместе с тем очевидно, что в устройстве-прототипе не производятся существенные операции над сигналом, предусмотренные выражениями (1) и (2): не производится усреднение оценок начальной фазы по всем возможным значениям нормативной амплитуды входного сигнала и не производится последующее логарифмирование.
Под нормативной амплитудой АФМ сигнала понимается то эталонное значение амплитуды , которое является одним из двух манипулируемых параметров: амплитуды и фазы , соответствующих каждой сигнальной точке Sn АФМ сигнала.
В устройстве-прототипе такие операции не реализуются, а для управления ГУН5 используется сигнал вида

где Аср – средняя амплитуда АФМ сигнала.
При этом входящий в выражение (3) сомножитель Аср не является суммой величин :

Таким образом, в устройстве-прототипе используется упрощенный алгоритм получения дискриминационной характеристики U( 0), что в окрестностях точек 0 0° приводит к вынесению решений, отличных от максимально правдоподобных и, как следствие, к появлению точек ложных захватов на дискриминационной характеристике.
Техническим результатом является повышение помехоустойчивости за счет устранения точек ложных захватов по фазе на дискриминационной характеристике.
Технический результат достигается выполнением следующих операций над сигналом:
– входной АФМ сигнал подвергают квадратурной корреляционной обработке при помощи опорного колебания с выхода ГУН и получают квадратурные сигналы;
– квадратурные сигналы, полученные при корреляционной обработке, подвергают аналого-цифровому преобразованию и получают цифровые синфазный и квадратурный отсчеты;
– по полученным цифровому синфазному и квадратурному отсчетам вычисляют первую оценку фазы как арктангенс отношения квадратурного и синфазного отсчетов;
– используя цифровые синфазный и квадратурный отсчеты как код адреса первого постоянного запоминающего устройства (ПЗУ), на его выходе получают вторую оценку фазы;
– используя цифровые синфазный и квадратурный отсчеты как код адреса второго постоянного запоминающего устройства, на его выходе получают нормативную амплитуду АФМ сигнала;
– подают значение нормативной амплитуды АФМ сигнала на блок вычисления логарифма и получают на его выходе логарифм нормативной амплитуды (ЛНА) АФМ сигнала;
– вычитают из первой оценки фазы вторую оценку фазы, а результат вычитания умножают на логарифм нормативной амплитуды АФМ сигнала;
– сигнал, полученный в результате умножения на логарифм нормативной амплитуды АФМ сигнала, фильтруют в петлевом фильтре и подают как управляющее напряжение на вход ГУН;
– на выходе ГУН получают восстановленную несущую частоту входного АФМ сигнала.
Технический результат достигается тем, что устройство для восстановления несущей частоты сигналов с амплитудно-фазовой манипуляцией содержит первый и второй фазовые детекторы, первый и второй интеграторы, петлевой фильтр, генератор, управляемый напряжением, фазовращатель, первый и второй аналого-цифровые преобразователи, первое постоянное запоминающее устройство, перемножитель, вычитатель и блок вычисления арктангенса, причем первые входы первого и второго фазовых детекторов объединены и являются входом устройства, выходы первого и второго фазовых детекторов соединены со входами, соответственно, первого и второго интеграторов, выход петлевого фильтра соединен со входом генератора, управляемого напряжением, выход которого соединен со вторым входом второго фазового детектора и входом фазовращателя, выход которого соединен со вторым входом первого фазового детектора, выходы первого и второго интеграторов соединены со входами, соответственно, первого и второго аналого-цифровых преобразователей, выход первого аналого-цифрового преобразователя соединен с первым входом блока вычисления арктангенса и первым входом первого постоянного запоминающего устройства, выход второго аналого-цифрового преобразователя соединен со вторым входом блока вычисления арктангенса и вторым входом первого постоянного запоминающего устройства, выход и первый вход перемножителя соединены, соответственно, со входом петлевого фильтра и выходом вычитателя, первый и второй вход которого соединены, соответственно, с выходом блока вычисления арктангенса и выходом первого постоянного запоминающего устройства.
Согласно изобретению в него введены второе постоянное запоминающее устройство и блок вычисления логарифма, причем выходы первого и второго аналого-цифрового преобразователей соединены, соответственно, с первым и вторым входами второго постоянного запоминающего устройства, выход которого соединен со входом блока вычисления логарифма, выход которого соединен со вторым входом перемножителя.
Это позволяет выполнить новые операции над сигналом: при помощи аналого-цифрового преобразования квадратурных сигналов получить информацию о логарифме нормативной амплитуды входного АФМ сигнала и учитывать ее при выполнении основных операций над сигналами. В заявляемом устройстве логарифм нормативной амплитуды входного АФМ сигнала вычисляется по коду адреса второго ПЗУ и в виде множителя участвует в вычислении управляющего напряжения для ГУН. Как будет показано далее, такой учет логарифма нормативной (эталонной) амплитуды АФМ сигнала приводит к формированию дискриминационной характеристики, лишенной точек ложных захватов по фазе, и в итоге – к повышению помехоустойчивости устройства.
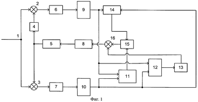
На фиг.1 приведена функциональная схема заявляемого устройства.
На фиг.2 приведен участок сигнальной плоскости АФМ сигнала. При этом на фиг.2 точка соответствует нормативному положению АФМ сигнала на сигнальной плоскости, a Sn – положению, занимаемому вследствие ненулевого фазового рассогласования по несущей частоте.
На фиг.3 показана дискриминационная характеристика заявляемого устройства, на фиг.4 – дискриминационная характеристика прототипа на примере 16-позиционного АФМ-сигнала.
Устройство для восстановления несущей частоты сигналов с амплитудно-фазовой манипуляцией (см. фиг.1) содержит вход 1 устройства, первый и второй фазовые детекторы (ФД) 2 и 3, фазовращатель 4, ГУН 5, первый и второй интеграторы 6 и 7, петлевой фильтр 8, первый и второй аналого-цифровые преобразователи (АЦП) 9 и 10, первое постоянное запоминающее устройство (ПЗУ) 11, второе ПЗУ 12, блок 13 вычисления логарифма, блок 14 вычисления арктангенса, вычитатель 15 и перемножитель 16.
Первые входы первого и второго фазовых детекторов 2 и 3 объединены и являются входом 1 устройства, выходы первого и второго фазовых детекторов 2 и 3 соединены со входами, соответственно, первого и второго интеграторов 6 и 7, выход петлевого фильтра 8 соединен со входом генератора 5, управляемого напряжением, выход которого соединен со вторым входом второго фазового детектора 3 и входом фазовращателя 4, выход которого соединен со вторым входом первого фазового детектора 2.
Выходы первого и второго интеграторов 6 и 7 соединены со входами, соответственно, первого и второго аналого-цифровых преобразователей 9 и 10, выход первого аналого-цифрового преобразователя 9 соединен с первым входом блока 14 вычисления арктангенса и первым входом первого постоянного запоминающего устройства 11.
Выход второго аналого-цифрового преобразователя 10 соединен со вторым входом блока 14 вычисления арктангенса и вторым входом первого постоянного запоминающего устройства 11, выход и первый вход перемножителя 16 соединены, соответственно, со входом петлевого фильтра 8 и выходом вычитателя 15, первый и второй вход которого соединены, соответственно, с выходом блока 14 вычисления арктангенса и выходом первого постоянного запоминающего устройства 11.
Выходы первого и второго аналого-цифрового преобразователей 9 и 10 соединены, соответственно, с первым и вторым входами второго постоянного запоминающего устройства 12, выход которого соединен со входом блока 13 вычисления логарифма, выход которого соединен со вторым входом перемножителя 16.
Устройство работает следующим образом.
Входной АФМ сигнал имеет вид

где и n – соответственно, манипулируемые амплитуда и фаза, соответствующие информационному символу In из последовательности {In},
n(t) – аддитивный белый Гауссовский шум (АБГШ).
Поскольку заявляемое устройство, как будет показано далее, автоматически учитывает амплитуду сигнала АФМ при своем функционировании, то рассмотрение работы устройства для М – позиционного сигнала АФМ – можно провести на примере одной некоторой сигнальной точки (см. фиг.2).
Итак, пусть на вход устройства поступает сигнал АФМ, соответствующий модели (4).
Для простоты предположим, что входной АБГШ отсутствует, т.е. n(t)=0 в формуле (4), но сигнал несущей частоты, формируемый на выходе ГУН 5, имеет некоторое фазовое рассогласование о по отношению к входному АФМ сигналу (4). Таким образом, сигнал на выходе генератора 5 можно представить в виде

После квадратурной корреляционной обработки входного АФМ сигнала при помощи опорного колебания (5) в блоках 2-7 и аналого-цифрового преобразования, на выходах первого АЦП 9 и второго АЦП 10 формируются синфазный и квадратурный цифровые отсчеты Xn и Yn, которые имеют смысл синфазной и квадратурной координат принимаемого АФМ сигнала на сигнальной плоскости (см. фиг.2), обозначенного на плоскости точкой Sn.
Блок 14 вычисления арктангенса формирует на своем выходе сигнал

где Y – сигнал на его первом входе;
Х – сигнал на его втором входе.
Таким образом, на выходе блока 14 формируется первая оценка фазы 1, соответствующая истинной угловой координате расположения точки Sn.
В свою очередь, поступающие на вход первого ПЗУ 11 цифровые отсчеты Xn и Yn имеют смысл кода адреса (являются адресом) информации, хранящейся в первом ПЗУ 11. В первом ПЗУ 11 в соответствии с видом принимаемого М – позиционного АФМ сигнала – хранится информация о нормативном значении угловой координаты для каждой текущей сигнальной точки Sn. Нормативное значение фазы является одним из двух значений манипулируемых параметров, описывающих каждую сигнальную точку Sn (см. фиг.2).
Первое ПЗУ 11 запрограммировано так, что на его выходе формируется 2 для любых значений Xn и Yn, удовлетворяющих условию

При этом 
где и – соответственно, синфазная и квадратурная координаты центральной точки сигнальной области, определяемой выражением (7).
В соответствии с логикой работы первого ПЗУ 11 формируемая на выходе первого ПЗУ 11 вторая оценка фазы 2 является нормативным значением, т.е. тем значением, которое устройство для восстановления несущей приписывает как нормативную угловую координату для всех сигнальных точек Sn, попадающих в зону (7). При этом автоматически учитываются величины проекций текущей сигнальной точки на координатные оси, т.е. реальная (ненормированная) амплитуда входного сигнала.
В соответствии с логикой работы вычитателя 15 на его выходе формируется сигнал

Поступающие на вход второго ПЗУ 12 цифровые отсчеты Xn и Yn являются адресом информации, хранящейся во втором ПЗУ 12. Во втором ПЗУ 12 в соответствии с видом принимаемого М-позиционного АФМ сигнала хранится информация о нормативном (эталонном) значении амплитуды для каждой текущей сигнальной точки Sn.
Второе ПЗУ запрограммировано так, что на его выходе формируется для любых значений Xn и Yn, удовлетворяющих условию (7).
Таким образом, первое ПЗУ 11 и второе ПЗУ 12 для любой сигнальной точки Sn выдают на свои выходы значения нормативных фазы и амплитуды , т.е. эталонных величин, соответствующих точке .
На выходе блока 13 вычисления логарифма формируется сигнал ЛНА

С учетом выражения (9) на выходе перемножителя 16 формируется сигнал U16, поступающий на вход петлевого фильтра 8

При фиксированном 0 математическое ожидание выражения (11) составляет

Из выражения (12) следует, что усреднение сигнала U в петлевом фильтре 8 дает напряжение, математическое ожидание которого U( 0) пропорционально углу рассогласования 0, что позволяет управлять ГУН 5 для достижения 0 0° и, следовательно, когерентно восстанавливать несущую частоту.
Здесь, как и ранее, символом U( 0) обозначен сигнал на входе ГУН 5, т.е. дискриминационная характеристика устройства для восстановления несущей.
По дискриминационной характеристике U( 0) для сигнала КАМ-16, приведенной на фиг.3, видно, что в заявляемом устройстве отсутствуют точки ложных захватов по фазе на дискриминационной характеристике.
Устройство-прототип, как это видно по его дискриминационной характеристике, приведенной на фиг.4, в диапазоне ={-45°; +45°} имеет шесть точек ложных захватов в окрестностях значений : -33; -26; -19; +19; +26 и +33°.
При этом в устройстве-прототипе линейный участок зоны истинного захвата занимает зону {-17°; +17°}, что в 1,6 меньше суммарной величины участков ложных захватов в диапазоне углов от -45 до +45°.
Это определяет низкую помехоустойчивость устройства-прототипа.
Отсутствие на дискриминационной характеристике заявляемого устройства точек ложных захватов по фазе при той же величине линейного участка дискриминационной характеристики {-17°; +17°} обеспечивает заявляемому устройству более высокую помехоустойчивость в сравнении с прототипом.
Источники информации
1. Патент РФ 2013018, МПК 5 Н 04 L 27/22, опубл. в БИ №9, 1994 г.
2. Патент РФ 2019054, МПК 5 Н 04 L 27/34, опубл. в БИ №16, 1994 г.
4. Патент РФ 2020767, МПК 5 Н 04 L 27/22, опубл. в БИ №18, 1994 г.
5. Патент РФ 2234816, МПК 7 Н 04 L 27/34, опубл. в БИ №23, 2004 г. – прототип.
6. Прокис Дж. Цифровая связь. – М.: Радио и связь. – 2000.
7. Котоусов А.С. Теоретические основы радиосистем. – М.: Радио и связь. – 2002.
8. Стиффлер Дж. Дж. Теория синхронной связи. – М.: Связь. – 1975.
9. Радиотехнические системы. / Под ред. Ю.М.Казаринова. – М.: Высш. школа. – 1990.
Формула изобретения
Устройство для восстановления несущей частоты сигналов с амплитудно-фазовой манипуляцией, содержащее первый и второй фазовые детекторы, первый и второй интеграторы, петлевой фильтр, генератор, управляемый напряжением, фазовращатель, первый и второй аналого-цифровые преобразователи, первое постоянное запоминающее устройство, перемножитель, вычитатель и блок вычисления арктангенса, причем первые входы первого и второго фазовых детекторов объединены и являются входом устройства, выходы первого и второго фазовых детекторов соединены со входами соответственно первого и второго интеграторов, выход петлевого фильтра соединен со входом генератора, управляемого напряжением, выход которого соединен со вторым входом второго фазового детектора и входом фазовращателя, выход которого соединен со вторым входом первого фазового детектора, выходы первого и второго интеграторов соединены со входами соответственно первого и второго аналого-цифровых преобразователей, выход первого аналого-цифрового преобразователя соединен с первым входом блока вычисления арктангенса и первым входом первого постоянного запоминающего устройства, выход второго аналого-цифрового преобразователя соединен со вторым входом блока вычисления арктангенса и вторым входом первого постоянного запоминающего устройства, выход и первый вход перемножителя соединены, соответственно со входом петлевого фильтра и выходом вычитателя, первый и второй вход которого соединены соответственно с выходом блока вычисления арктангенса и выходом первого постоянного запоминающего устройства, отличающееся тем, что в него введены второе постоянное запоминающее устройство и блок вычисления логарифма, причем выходы первого и второго аналого-цифрового преобразователей соединены соответственно с первым и вторым входами второго постоянного запоминающего устройства, выход которого соединен со входом блока вычисления логарифма, выход которого соединен со вторым входом перемножителя.
РИСУНКИ
|