|
|
(21), (22) Заявка: 2005115761/06, 25.05.2005
(24) Дата начала отсчета срока действия патента:
25.05.2005
(45) Опубликовано: 20.05.2006
(56) Список документов, цитированных в отчете о поиске:
RU 2212066 C1, 10.09.2003. ГАНЧЕВ Б.Г. и др., Ядерные энергетические установки. Учебное пособие для вузов. – М.: Энергоатомиздат, 1990, с.36-37. SU 1815330 A1, 15.05.1993. RU 714505 A1, 05.02.1980. US 6892540 B1, 27.05.2004.
Адрес для переписки:
107140, Москва, а/я 34, М.Ю. Кудрявцеву
|
(72) Автор(ы):
Кудрявцев Михаил Юрьевич (RU)
(73) Патентообладатель(и):
Кудрявцев Михаил Юрьевич (RU)
|
(54) ЯДЕРНАЯ ЭНЕРГОУСТАНОВКА КУДРЯВЦЕВА И ПАРОВАЯ ТУРБИНА КУДРЯВЦЕВА
(57) Реферат:
Группа изобретений относится к ядерной технике и к энергетике. В ядерной энергоустановке в качестве теплообменников «жидкий металл – газ» использованы несмешивающие теплообменники. Выходы газа из теплообменников соединены со входами газовых турбин. Выходы газа из газовых турбин соединены со входами газа в теплообменники «газ-вода». Паропроводы для подачи полученного пара потребителю подключены к паровым турбинам, снабженным насосами. По крайней мере, одна газовая турбина связана валом с, по крайней мере, одним из этих насосов и/или в паровых турбинах выполнены каналы для греющей среды. Каналы соединены входной стороной с выходом газа из, по крайней мере, одной из газодувок. В качестве газа использованы азот, воздух, гелий, углекислый газ или их смеси. Ядерный реактор снабжен фильтрами для очистки охлажденного в теплообменниках жидкого металла. В направляющем аппарате паровой турбины и/или в рабочих колесах турбины выполнены каналы для греющей среды. В качестве греющей среды использован нагретый газ для промежуточного подогрева пара. При этом входом эти каналы сообщены с выходом газа из, по крайней мере, одной из газовых турбин, а выходом – с входом в газодувку. Данная группа изобретений позволяет повысить до 50% тепловой КПД ядерной энергоустановки. 2 н. и 3 з.п. ф-лы, 2 ил.
Группа изобретений относится к ядерной технике и к энергетике.
Известна ядерная энергоустановка, включающая ядерный реактор, охлаждаемый жидким металлом, несмешивающие теплообменники для испарения воды с помощью этого металла и паровые турбины, движимые полученным паром. При этом в качестве жидкого металла используется натрий (см. патент SU 319142, кл. F 01 К 27/00, 28.10.1971).
Недостатком этой установки при использовании натрия в качестве жидкого металла является высокая химическая активность натрия по отношению к воде, требующая дорогостоящих технических мер по предотвращению и уменьшению последствий аварийного контакта натрия с водой при потере герметичности теплообменников с образованием газообразного водорода во взрывоопасных концентрациях. В этой установке тепловой КПД (коэффициент преобразования тепла ядерного реактора в энергию вращения турбин) не превышает 44% и зависит от мощности, на которой используется установка. Для сохранения теплового КПД на высоком уровне при уменьшении используемой мощности установки с паровыми турбинами в несколько раз (например, при ночном минимуме энергопотребления) целесообразно останавливать часть паровых турбин установки, в том числе вспомогательные паровые турбины, приводящие в движение насосы, например питательные, которыми снабжены паровые турбины. Однако в описанной выше установке допустимая длительность частого пуска паровых турбин из остановленного состояния не позволяет восстановить полную мощность установки за короткое время, например, при переходе от ночного минимума к утреннему максимуму энергопотребления. Поэтому уменьшение мощности в несколько раз при ночном минимуме энергопотребления может выполняться в этой установке только без отключения паровых турбин, что значительно снижает тепловой КПД на минимальной используемой мощности.
Известна паровая турбина, содержащая систему подогрева парового клапана для предотвращения попадания в турбину капель воды (см. авторское свидетельство SU №1815330, кл. F 01 D 1/02, 15.05.1993). Однако в этой турбине, как и в других известных паровых турбинах, пусковой разогрев турбины выполняется подачей пара в турбину. При этом из-за высокой теплоотдачи от пара к элементам турбины возникает неодинаковая степень прогрева различных элементов турбины, определяемая их массой и геометрической формой, а на достаточно холодных элементах турбины возможна конденсация пара. Неодинаковая степень прогрева элементов турбины и необходимость удаления конденсата увеличивают допустимую длительность пуска турбины.
Наиболее близким к изобретению по технической сущности является ядерная энергоустановка, содержащая ядерный реактор, охлаждаемый жидким металлом, например свинцом, теплообменники «жидкий металл-газ» для нагрева промежуточного газового теплоносителя теплом жидкого металла, соединенные с ними газопроводами несмешивающие теплообменники «газ-вода» для нагрева и испарения воды теплом нагретого газа, газодувки для подачи охлажденного газа с выхода теплообменников «газ-вода» на вход теплообменников «жидкий металл-газ» и паропроводы для подачи полученного пара потребителю, при этом используются смешивающие теплообменники «жидкий металл-газ» (см. патент RU Na 2212066, кл. G 21 D 1/00, F 22 В 1/06, 10.09.2003). В этой установке использование свинца в качестве жидкого металла исключает образование газообразного водорода при аварийном контакте жидкого металла с водой, а использование промежуточного газового теплоносителя предотвращает замерзание свинца при аварийном снижении температуры или давления испаряемой воды. Однако использование в этой установке смешивающих теплообменников «жидкий металл-газ», загрязняющих газ парами металла, не позволяет использовать тепловую энергию газа в силовых агрегатах для повышения теплового КПД установки.
В части паровой турбины, как объекта изобретения, наиболее близкой является паровая турбина, снабженная устройством промежуточного подогрева пара теплом греющей среды в процессе расширения пара в турбине, при этом промежуточные подогреватели пара расположены отдельно от турбины и связаны с ней паропроводами (см., Б.Г.Ганчев, Л.Л.Калишевский, Р.С.Демешев и др., под общей редакцией Н.А.Доллежаля, Ядерные энергетические установки, учебное пособие для вузов, Москва, Энергоатомиздат, 1990, стр.36-37). Промежуточный подогрев пара теплом греющей среды в процессе расширения пара в турбине увеличивает тепловой КПД паровой турбины, при этом увеличение теплового КПД тем выше, чем больше раз в процессе расширения в турбине выполняется промежуточный подогрев пара.
Потери на трение пара при перемещении его от турбины до промежуточного подогревателя и обратно, капитальные затраты на промежуточные подогреватели и трубопроводы к ним вынуждают применять промежуточный подогрев пара, как правило, лишь один раз в процессе расширения в турбине. Более частый промежуточный подогрев пара в процессе расширения пара в турбине желателен для повышения теплового КПД установок с паровыми турбинами.
Задачей, на решение которой направлено настоящее изобретение, является повышение теплового КПД ядерной энергоустановки с реактором, охлаждаемым жидким металлом, с сохранением высокого теплового КПД при частом уменьшении используемой мощности этой установки в несколько раз, например по ночам.
Указанная задача решается за счет того, что ядерная энергоустановка содержит ядерный реактор, охлаждаемый жидким металлом, например свинцом, теплообменники «жидкий металл-газ» для нагрева газа теплом жидкого металла, соединенные с ними газопроводами несмешивающие теплообменники «газ-вода» для нагрева и испарения воды теплом нагретого газа, газодувки для подачи охлажденного газа с выхода теплообменников «газ-вода» на вход теплообменников «жидкий металл-газ» и паропроводы для подачи полученного пара к потребителю, при этом в качестве теплообменников «жидкий металл-газ» использованы несмешивающие теплообменники, выходы газа из этих теплообменников соединены со входами газовых турбин, выходы газа из газовых турбин соединены со входами газа в теплообменники «газ-вода», паропроводы для подачи полученного пара к потребителю подключены к паровым турбинам, снабженным насосами, например питательными, при этом по крайней мере одна газовая турбина связана валом с, по крайней мере, одним из этих насосов и/или в паровых турбинах выполнены каналы для греющей среды, соединенные входной стороной с выходом газа из, по крайней мере, одной из газовых турбин, а выходной стороной со входом, по крайней мере, одной из газодувок.
В качестве газа – промежуточного газового теплоносителя – могут быть использованы азот, воздух, гелий, углекислый газ или их смеси.
Ядерный реактор может быть снабжен фильтрами для очистки охлажденного в теплообменниках жидкого металла.
В части паровой турбины, как объекта изобретения, поставленная задача решается за счет того, что паровая турбина содержит устройство промежуточного подогрева пара теплом греющей среды в процессе расширения пара в турбине, расположенное отдельно от корпуса турбины и связанное с ней паропроводами, при этом в направляющем аппарате турбины и/или в рабочих колесах турбины выполнены каналы для греющей среды, в качестве которой использован нагретый газ для промежуточного подогрева пара, при этом входом по крайней мере один из каналов сообщен с выходом газа из, по крайней мере, одной из газовых турбин, а выходом, по крайней мере, один из каналов сообщен со входом в газодувку.
Каналы для греющей среды могут быть последовательно соединены между собой в направлении хода пара в турбине.
В ходе анализа тепловой эффективности ядерных энергоустановок было установлено, что описываемая ядерная энергоустановка с простой газотурбинной схемой и паровым циклом Ренкина позволит достигнуть теплового КПД 50% при нагреве газа в теплообменниках «жидкий металл – газ» до температуры 790К.
Газовые турбины легче запускаются при любой температуре и быстрее принимают нагрузку, чем паровые турбины. Кроме того, в отличие от паровых турбин у газовых проще регулировать мощность изменением давления рабочей среды с сохранением высокого теплового КПД в широком интервале нагрузок. Поэтому использование в описываемой ядерной энергоустановке газовых турбин для привода насосов, например питательных, которыми снабжены паровые турбины, поднимет тепловой КПД установки при частом уменьшении используемой мощности, например по ночам, как за счет более высокого теплового КПД на малой мощности газовых турбин по сравнению с паровыми, так и за счет более быстрого принятия нагрузки насосами, ускоряющего пуск паровых турбин до длительности пуска, позволяющей останавливать на ночь часть паровых турбин, а оставшуюся часть использовать на более высокой мощности, соответствующей более высокому тепловому КПД.
Дополнительный промежуточный подогрев пара в процессе расширения пара в турбине путем подачи промежуточного газового теплоносителя, отработавшего в газовых турбинах, в каналы, выполненные в направляющем аппарате паровой турбины и/или в рабочих колесах паровой турбины, также поднимет тепловой КПД описываемой ядерной энергоустановки. Дополнительный промежуточный подогрев пара будет наиболее эффективным при проходе греющей среды в каналах в направлении хода пара.
Прогрев паровых турбин с помощью промежуточного газового теплоносителя, проходящего по каналам для греющей среды, с минимальными затратами поддержит остановленные паровые турбины в прогретом состоянии и вследствие этого уменьшит длительность пуска паровых турбин до величины, позволяющей останавливать на ночь часть паровых турбин, а оставшуюся часть использовать на более высокой мощности, соответствующей более высокому тепловому КПД.
В ближайшем аналоге ядерной энергоустановки использование промежуточного газового теплоносителя, загрязненного парами радиоактивного металла, в качестве рабочей среды в газовых турбинах и в качестве греющей среды в паровых турбинах затруднено из-за осаждения паров металла на поверхности турбин.
Для использования в качестве газа – промежуточного газового теплоносителя описываемой ядерной энергоустановки – наиболее доступен воздух. Однако в воздухе под действием ионизирующего излучения образуются окислы азота, активизирующие коррозию газового контура. Углекислый газ дороже воздуха, но зато проявляет меньшую коррозионную активность, чем окислы азота. Азот дороже углекислого газа, но проявляет меньшую коррозионную активность, чем углекислый газ. Гелий дороже азота, но, во-первых, химически инертен, а во-вторых, не активируется в теплообменниках «жидкий металл-газ», что облегчает радиационную защиту этих теплообменников от излучения из реактора.
Для очистки жидкого металла от шлаков – продуктов коррозионно-эрозионного разрушения теплообменников «жидкий металл-газ» целесообразно перед входом жидкого металла в активную зону ядерного реактора установить фильтры жидкого металла.
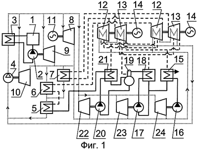
На фиг.1 представлена принципиальная схема ядерной энергоустановки и на фиг.2 представлен схематичный продольный разрез проточной части паровой турбины с показанными условно каналами греющей среды в направляющем аппарате и в рабочих колесах турбины. Цепью точек обозначены пути прохода газа, пунктиром обозначены пути прохода пара.
Ядерная энергоустановка (см. фиг.1) содержит ядерный реактор 1, охлаждаемый жидким металлом, насос 2 для подачи по контуру циркуляции жидкого металла, несмешивающий теплообменник 3 «жидкий металл – газ» для нагрева газа теплом жидкого металла, газодувку 4 для подачи охлажденного газа с выхода несмешивающих теплообменников 5, 6, 7 «газ-вода» на вход теплообменника 3. Выход газа из теплообменника 3 соединен со входом газовых турбин 8, 9, 10. Газовая турбина 8 соединена валом с электрогенератором 11, газовая турбина 9 соединена валом с насосом 2, газовая турбина 10 соединена валом с газодувкой 4. Теплообменник 5 для испарения воды соединен паропроводом с теплообменником 6 для перегрева пара, выход пара из теплообменника 6 соединен со входом ступеней высокого давления 12 паровых турбин. Выход пара из ступеней высокого давления 12 соединен со входом теплообменника 7 для промежуточного подогрева пара, выход пара из теплообменника 7 соединен со входом ступеней низкого давления 13 паровых турбин. Ступени 12 и 13 каждой паровой турбины соединены общим валом со своим электрогенератором 14. Выход пара из ступеней низкого давления 13 соединен с конденсатором 15. Подвод циркуляционной воды в конденсатор 15 соединен с циркуляционным насосом 16. Слив конденсата из конденсатора 15 соединен со входом конденсатного насоса 17. Выход конденсатного насоса 17 соединен со входом конденсата в подогреватель низкого давления 18. Выход подогретого конденсата из подогревателя низкого давления 18 соединен с верхней частью деаэратора 19. Выход деаэрированной воды из деаэратора 19 соединен со входом питательного насоса 20. Выход питательного насоса 20 соединен со входом конденсата в подогреватель высокого давления 21. Выход подогретого конденсата из подогревателя высокого давления 21 соединен со входом воды в теплообменник 5. Выходы газа из газовых турбин соединены со входами газа в теплообменники 5, 6, 7.
Выход газа из теплообменника 3 может быть дополнительно соединен со входом газовых турбин 22, 23, 24. При этом газовая турбина 22 может быть соединена валом с питательным насосом 20, газовая турбина 23 может быть соединена валом с конденсатным насосом 17, газовая турбина 24 может быть соединена валом с циркуляционным насосом 16. Выходы газа из газовых турбин 22, 23, 24 могут быть соединены со входом газа в теплообменники 6, 7.
В ступенях 12, 13 паровых турбин могут быть выполнены каналы для греющей среды, при этом входы каналов могут быть соединены с выходами газовых турбин 8, 9, 10, 22, 23, 24, а выходы каналов могут быть соединены со входом газодувки 4.
В паровой турбине (см. фиг.2), содержащей устройство промежуточного подогрева пара теплом греющей среды в процессе расширения пара 25 в турбине, выполнены каналы 26 для греющей среды в направляющем аппарате 27 турбины и/или в рабочих колесах 28 турбины.
Каналы 26 для греющей среды могут быть последовательно соединены между собой в направлении хода пара 25 в турбине.
Описываемая группа изобретений может быть осуществлена следующим образом.
В ядерном реакторе 1 жидкий металл, например свинец, нагревается до температуры 830К. В несмешивающих теплообменниках 3 «жидкий металл-газ» этот металл охлаждается до 670К и вновь подается в реактор 1 насосом 2. Теплом этого металла в теплообменниках 3 «жидкий металл-газ» нагревается газ, например азот, от температуры 620К до 790К. Нагретый азот направляется в газотурбинную установку с простой замкнутой схемой, где после использования в газовых турбинах 8, 9, 10, 22, 23, 24 азот приобретает температуру 580К. В несмешивающих теплообменниках 5, 6, 7 «газ-вода» азот охлаждается до 460К, отдавая свое тепло воде, испаряемой при давлении 5,5 МПа. Охлажденный азот сжимается газодувкой 4 до степени сжатия р=3, соответствующей температуре 620К, и подается в теплообменники 3 «жидкий металл-газ».
Полученный в теплообменниках 5, 6 «газ-вода» пар с давлением 5,5 МПа и температурой 540К подается в паровые турбины (ступени 12 и 13), снабженные устройством промежуточного подогрева пара теплом азота в процессе расширения пара в турбине, при этом дополнительно к промежуточному подогревателю пара 7, расположенному отдельно от турбин и связанному с ними паропроводами, каждая паровая турбина снабжена промежуточными подогревателями пара, выполненными в виде каналов 26 для азота в направляющем аппарате 27 турбины и/или в рабочих колесах 28 турбины. Часть азота помимо теплообменников 5, 6, 7 «газ-вода» подводится к каналам 26 для промежуточного подогрева пара 25 в процессе расширения в турбине. Этой части азота может быть обеспечен последовательный проход в направлении хода пара 25 в турбине. При этом достигается тепловой КПД паровых турбин не менее 33% и тепловой КПД ядерной энергоустановки не менее 50%.
При остановке одной из паровых турбин в ночное время она остается в прогретом состоянии за счет подачи части азота помимо теплообменников 5, 6, 7 «газ-вода» к каналам 26 этой турбины.
Формула изобретения
1. Ядерная энергоустановка, содержащая ядерный реактор, охлаждаемый жидким металлом, например свинцом, теплообменники «жидкий металл-газ» для нагрева газа теплом жидкого металла, соединенные с ними газопроводами несмешивающие теплообменники «газ-вода» для нагрева и испарения воды теплом нагретого газа, газодувки для подачи охлажденного газа с выхода теплообменников «газ-вода» на вход теплообменников «жидкий металл-газ» и паропроводы для подачи полученного пара к потребителю, отличающаяся тем, что в качестве теплообменников «жидкий металл-газ» использованы несмешивающие теплообменники, выходы газа из этих теплообменников соединены со входами газовых турбин, выходы газа из газовых турбин соединены со входами газа в теплообменники «газ-вода», паропроводы для подачи полученного пара к потребителю подключены к паровым турбинам, снабженным насосами, например питательными, и при этом, по крайней мере, одна газовая турбина связана валом с, по крайней мере, одним из этих насосов и/или в паровых турбинах выполнены каналы для греющей среды, соединенные входной стороной с выходом газа из, по крайней мере, одной из газовых турбин, а входной стороной со входом, по крайней мере, одной из газодувок.
2. Ядерная энергоустановка по п.1, отличающаяся тем, что в качестве газа использованы азот, воздух, гелий, углекислый газ или их смеси.
3. Ядерная энергоустановка по п.1, отличающаяся тем, что ядерный реактор снабжен фильтрами для очистки охлажденного в теплообменниках жидкого металла.
4. Паровая турбина, содержащая устройство промежуточного подогрева пара теплом греющей среды в процессе расширения пара в турбине, расположенное отдельно от корпуса турбины и связанное с ней паропроводами, отличающаяся тем, что в направляющем аппарате турбины и/или в рабочих колесах турбины выполнены каналы для греющей среды, в качестве которой использован нагретый газ для промежуточного подогрева пара, при этом входом, по крайней мере, один из каналов сообщен с выходом газа из, по крайней мере, одной из газовых турбин, а выходом, по крайней мере, один из каналов сообщен со входом в газодувку.
5. Турбина по п.4, отличающаяся тем, что каналы для греющей среды последовательно соединены между собой в направлении хода пара в турбине.
РИСУНКИ
|
|