|
|
(21), (22) Заявка: 2004133657/28, 18.11.2004
(24) Дата начала отсчета срока действия патента:
18.11.2004
(45) Опубликовано: 20.05.2006
(56) Список документов, цитированных в отчете о поиске:
Magnetic imaging in the presence of external fields: Technique and applications (invited). J. Appl. Phys. 79 (8), 1996, р.6441-6446. High field magnetic force microscopy. R.Proksh, E.Runge, P.K.Hansma. J. Appl. Phys. 78 (5), 1995, р.3303-3307. ЕР 0924529 A1, 23.06.1999. US 5939715 А, 17.08.1999. US 5918274 А, 26.06.1999. US 5907096 A, 25.05.1999. WO 02/48682 A1 20.06.2002. RU 2145055 C1, 27.01.2000. RU 2193769 С2 27.11.2002.
Адрес для переписки:
124482, Москва, Зеленоград, корп.317А, а/я 158, ЗАО “НТ-МДТ”, В.А. Быкову
|
(72) Автор(ы):
Быков Виктор Александрович (RU), Быков Андрей Викторович (RU), Костромин Сергей Викторович (RU), Рябоконь Валерий Николаевич (RU), Саунин Сергей Алексеевич (RU)
(73) Патентообладатель(и):
ЗАО “НТ-МДТ” (RU)
|
(54) МАГНИТНО-СИЛОВОЙ МИКРОСКОП С ПЕРЕМЕННЫМ МАГНИТОМ
(57) Реферат:
Изобретение относится к магнитно-силовым сканирующим зондовым микроскопам (МСМ) и может быть использовано для измерения локальных магнитных характеристик образца с нанометровым разрешением во внешнем магнитном поле. Согласно изобретению, магнитно-силовой микроскоп с переменным магнитом содержит блок управления, держатель зондового датчика с зондовым датчиком и держатель образца, установленные с возможностью взаимного перемещения, а также переменный магнит, включающий магнитопровод с полюсными наконечниками. Особенность изобретения состоит в том, что по крайней мере один из полюсных наконечников встроен в держатель образца и по крайней мере один полюсный наконечник пространственно отделен от магнитопровода. Одним из вариантов осуществления изобретения является встраивание в держатель образца пространственно отделенного полюсного наконечника, при этом другой полюсный наконечник установлен таким образом, что зондовый датчик будет расположен между полюсными наконечниками. В другом варианте в держатель образца встроены оба полюсных наконечника, причем оба полюсных наконечника пространственно отделены от магнитопровода. Технический результат изобретения заключается в увеличении разрешения магнитно-силового сканирующего зондового микроскопа с переменным магнитом. 2 з.п. ф-лы, 2 ил.
Изобретение относится к магнитно-силовым сканирующим зондовым микроскопам (МСМ), а более конкретно к устройствам, обеспечивающим измерение локальных магнитных характеристик образца с нанометровым разрешением во внешнем магнитном поле.
Известен АСМ для магнитно-силовых измерений, в котором в магнитное поле сверхпроводящего соленоида практически целиком помещается серийный АСМ [1]. Однако такая конструкция является весьма сложной и дорогостоящей, она не позволяет производить оперативную замену образцов, что сильно ограничивает производительность измерений.
Известен АСМ для магнитно-силовых измерений, в котором образец помещается между полюсами переменного магнита, создающего латеральное магнитное поле [2]. Недостатком такой конструкции является недостаточно большая величина магнитного поля, поскольку величина прикладываемого магнитного поля определяется латеральными размерами образца. Кроме того, такая конструкция не позволяет прикладывать к образцу поле в направлении, перпендикулярном к поверхности образца.
В качестве прототипа выбран АСМ для магнитно-силовых измерений, в котором переменный электромагнит установлен непосредственно под образцом на сканер [3]. Межполюсное поле проникает в образец и создает в нем продольное магнитное поле, которое используется при проведении измерений магнитных характеристик образца.
Недостатками такого устройства являются недостаточно большие точности сканирования и прикладываемые к образцу величины полей, поскольку приложение больших полей требует пропускания больших токов, а это приводит к разогреву электромагнита и соответственно к появлению термических дрейфов образца относительно зондового датчика. Кроме того, такое устройство не позволяет прикладывать поле перпендикулярно к поверхности образца. Дополнительным недостатком для МСМ со сканированием образцом является недостаточно высокая скорость сканирования, поскольку размещение электромагнита на сканере создает весьма существенную весовую нагрузку и во избежание искажений приходится снижать частоту развертки сканирования.
Целью настоящего изобретения является создание МСМ с переменным магнитом, обладающего пониженным термодрейфом, позволяющего использовать его для исследования образцов, находящихся в магнитном поле с широким диапазоном величин и ориентации относительно поверхности образца, а также обладающего повышенной скоростью сканирования.
Технический результат изобретения заключается в увеличении разрешения.
Указанная цель достигается тем, что в магнитно-силовом микроскопе с переменным магнитом, содержащем блок управления, держатель зондового датчика с зондовым датчиком и держатель образца, установленные с возможностью взаимного перемещения, а также переменный магнит, включающий магнитопровод с полюсными наконечниками, по крайней мере один из полюсных наконечников встроен в держатель образца, и по крайней мере один полюсный наконечник пространственно отделен от магнитопровода.
Одним из вариантов осуществления изобретения является встраивание в держатель образца пространственно отделенного полюсного наконечника, при этом другой полюсный наконечник установлен таким образом, что зондовый датчик будет расположен между полюсными наконечниками.
В другом варианте в держатель образца встроены оба полюсных наконечника, причем оба полюсных наконечника пространственно отделены от магнитопровода.
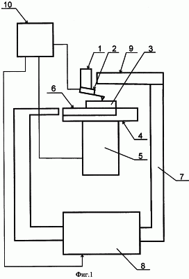
На фиг.1 изображен МСМ с переменным магнитом для приложения поля перпендикулярно поверхности образца.
На фиг.2 изображен МСМ с переменным магнитом для приложения поля вдоль поверхности образца.
Пример выполнения МСМ с переменным магнитом, в котором зондовый датчик располагается между полюсными наконечниками магнитопровода, представлен на фиг.1, где изображены держатель зондового датчика 1 с зондовым датчиком 2, например пьезорезистивным, и образец 3, расположенный на держателе образца 4. Выполнение зондового датчик пьезорезистивным позволяет осуществлять считывание деформаций зондового датчика по току, возможно также считывание и по разности потенциалов, при выполнении его пьезоэлектрическим. Возможно также и использование несколько более сложной системы, оптической, считывающей деформации зондового датчика по величине угла отражения светового луча от поверхности зондового датчика. Взаимное перемещение (под которым понимаются как сканирование, так и подвод и мультиплицирование) держателя образца 4 с образцом 3 и держателя зондового датчика 1 с зондовым датчиком 2 в данном примере обеспечивается с помощью сканера 5, на котором установлен держатель образца 4. В держатель образца 4 встроен первый полюсный наконечник 6, который пространственно отделен от магнитопровода 7. Второй полюсный наконечник (оконечная часть) 9 магнитопровода 7 устанавливается таким образом, что зондовый датчик 2 оказывается расположенным между полюсными наконечниками 6 и 9. Зондовый датчик 2, сканер 5 и соленоид 8 подключены к блоку управления 10. Подробнее базовый состав зондового микроскопа см. в [5, 6]. Такая конструкция позволяет прикладывать к образцу поле перпендикулярно его поверхности.
Продольное поле к образцу может быть приложено с помощью конструкции, изображенной на фиг.2, где изображены держатель зондового датчика 1 с пьезорезистивным зондовым датчиком 2, образец 3, расположенный на держателе образца 11, установленном на сканере 5. В держатель образца 11 встроены пространственно отделенные от магнитопровода третий и четвертый полюсные наконечники 12 и 13 магнитопровода 7.
На фиг.1 и фиг.2 представлены варианты выполнения МСМ, в которых сканирование осуществляется перемещением держателя образца, однако предлагаемое техническое решение для магнитопровода и его полюсных наконечников вполне применимо и для варианта выполнения МСМ, в котором сканирование осуществляется путем перемещения держателя зондового датчика.
МСМ с переменным магнитом (см. фиг.1) работает следующим образом.
По командам от блока управления 10 сканер 5 перемещает держатель образца 4 с образцом 3 относительно зондового датчика 2 таким образом, что зондовый датчик 2, располагающийся между полюсными наконечниками 6 и 9, сканирует магнитную структуру исследуемого участка поверхности образца 3. При этом магнитная структура образца 3 определяется величиной магнитного поля в образце 3, которое задается с помощью соленоида 8, магнитопровода 7 с первым и вторым полюсными наконечниками 6, 9.
Аналогично работает и МСМ с переменным магнитом, создающим в образце поле, направленное вдоль его поверхности (см. фиг.2).
Большое количество задач, решаемых с помощью СЗМ, связано с необходимостью наблюдения поверхности образца в оптический микроскоп, например, для предварительного выбора области измерений. В этом случае располагаемый над зондовым датчиком 2 полюсный наконечник 9 магнитопровода 7 может быть выполнен съемным. При сканировании образцом для обеспечения более высоких скоростей сканирования и уменьшения систематических искажений, связанных с воздействием магнитных сил на полюсные наконечники 6, 12, 13, последние могут располагаться под образцом без касания предметного столика и сканера. Например, в специальных пазах предметного столика или внутри сканера (не показано).
Со средствами создания переменных магнитных полей в исследуемых образцах можно ознакомиться в работе [4], а с работой сканирующих зондовых микроскопов более подробно можно ознакомиться, например, в [5, 6].
Выполнение переменного магнита содержащим пространственно отделенный от магнитопровода полюсный наконечник 6 (см. фиг.1) позволяет снизить термический дрейф образца 3 относительно зондового датчика 2, обусловленный нагревом соленоида 8 и магнитопровода 7, а для МСМ со сканированием образцом также и весовую нагрузку на сканер 5, поскольку он перемещает не весь переменный магнит, а только его часть – полюсный наконечник 6. При встраивании в держатель образца 4 первого полюсного наконечника 6 второй полюсный наконечник 9 устанавливается таким образом, что зондовый датчик 2 с образцом 4 располагаются между полюсными наконечниками 6 и 9, а создаваемое ими поле направлено по отношению к поверхности образца 3 перпендикулярно или под некоторым углом. При этом за счет устранения влияния термодрейфа, обусловленного нагревом соленоида, обеспечивается повышение разрешения.
В конфигурации МСМ, где используется сканирование образцом, такая конструкция также позволяет повысить разрешение за счет снижения искажений, связанных с повышенными весовыми нагрузки на сканер.
Те же соображения относятся и к конструкции (см. фиг.2) с двумя полюсными наконечниками 12 и 13, встроенными в держатель образца 4. Здесь также устраняется обусловленный нагревом соленоида 8 и магнитопровода 7 термодрейф образца 3 относительно зондового датчика 2, а для МСМ со сканированием образцом также снижается весовая нагрузка на сканер 5.
ЛИТЕРАТУРА
1. Development of variable-temperature scanning probe microscope for high magnetic fields. H.Shinigava, T.Takamasu, G.Kido. Physica В 298, 2001, p.580-584.
2. High field magnetic force microscopy. R.Proksh, E.Runge, P.K.Hansma. J.Appl. Phys. 78 (5), 1995, р.3303-3307.
3. Magnetic imaging in the presence of external fields: Technique and applications (invited). J.Appl. Phys. 79 (8), 1996, р.6441-64446.
4. Физические основы и методы получения магнитного поля. Ю.П.Гайдуков. Соросовский образовательный журнал, №4, 1996, стр.97-105.
5. Зондовая микроскопия для биологии и медицины. В.А.Быков и др., Сенсорные системы, т.12, №1, 1998 г., с.99-121.
Формула изобретения
1. Магнитно-силовой микроскоп с переменным магнитом, содержащий блок управления, держатель зондового датчика с зондовым датчиком и держатель образца, установленные с возможностью взаимного перемещения, а также переменный магнит, включающий магнитопровод с полюсными наконечниками, отличающийся тем, что по крайней мере один из полюсных наконечников встроен в держатель образца, и по крайней мере один полюсный наконечник пространственно отделен от магнитопровода.
2. Устройство по п.1, отличающееся тем, что в держатель образца встроен пространственно отделенный полюсный наконечник магнитопровода, при этом другой полюсный наконечник магнитопровода установлен таким образом, что зондовый датчик будет расположен между полюсными наконечниками магнитопровода.
3. Устройство по п.1, отличающееся тем, что в держатель образца встроены оба полюсных наконечника, причем оба полюсных наконечника пространственно отделены от магнитопровода.
РИСУНКИ
|
|