|
|
(21), (22) Заявка: 2004130357/06, 15.10.2004
(24) Дата начала отсчета срока действия патента:
15.10.2004
(45) Опубликовано: 20.05.2006
(56) Список документов, цитированных в отчете о поиске:
RU 2200288 C1, 10.03.2003. RU 2204097 C1, 10.05.2003. RU 2150642 C1, 10.03.2003. RU 2157958 C1, 20.10.2000. SU 1451505 A1, 15.01.1989. EP 0411847 A2, 30.07.1990. DE 3939285 A, 31.05.1990.
Адрес для переписки:
394000, г.Воронеж, пр-кт Революции, 19, ВГТА, отдел СМП
|
(72) Автор(ы):
Шевцов Александр Анатольевич (RU), Дранников Алексей Викторович (RU), Иванов Владимир Владимирович (RU), Крячко Александр Владимирович (RU)
(73) Патентообладатель(и):
Государственное образовательное учреждение высшего профессионального образования Воронежская государственная технологическая академия (RU)
|
(54) СПОСОБ АВТОМАТИЧЕСКОГО УПРАВЛЕНИЯ ПРОЦЕССОМ СУШКИ
(57) Реферат:
Изобретение предназначено для автоматического управления процессом сушки и может быть использовано при автоматизации процесса сушки ячменного солода. Способ заключается в том, что предварительно подогревают влажный продукт потоком отработанного сушильного агента с последующим осушением и охлаждением его. Сушку продукта осуществляют в трех зонах сушки с последующим охлаждением, с использованием теплонасосной установки, выполненной двухступенчатой, причем отработанный сушильный агент после предварительного подогрева влажного продукта последовательно направляют сначала в испаритель второй ступени, затем в испаритель первой ступени теплонасосной установки, а потом в теплообменник-рекуператор, который установлен на потоке сушильного агента между испарителем и конденсатором первой ступени теплонасосной установки, и далее в конденсатор первой ступени теплонасосной установки, причем одну часть его направляют в конденсатор второй ступени теплонасосной установки с последующей подачей в третью зону сушки, другую часть в первую зону сушки, а поток сушильного агента во вторую зону сушки получают путем смешивания части сушильного агента, подаваемого в первую и третью зоны сушки, дополнительно измеряют температуру продукта в зонах сушки и температуру продукта после охлаждения, по полученной информации о температуре продукта в зонах сушки устанавливают расход и температуру сушильного агента, подаваемого в эти зоны путем воздействия на мощности приводов компрессоров первой и второй ступеней теплонасосной установки, привода вентилятора и на соотношение потоков сушильного агента, подаваемого в первую и третью зону сушки. По измеренной температуре продукта после охлаждения устанавливают расход охлаждающего воздуха, подаваемого в теплообменник-рекуператор. Стабилизацию конечной влажности продукта осуществляют путем изменения времени пребывания продукта в сушилке. Изобретение обеспечивает повышение качества и энергетической эффективности процесса сушки. 1 ил.
Изобретение относится к автоматизации технологических процессов и может быть использовано при автоматизации сушки термолабильных продуктов, например зерна.
Известен способ автоматического управления процессом сушки (патент RU №2200288, F 26 В 25/22), в котором предусматривается предварительный подогрев влажного продукта потоком отработанного сушильного агента с последующим осушением и охлаждением его в испарителе и нагревании в конденсаторе теплонасосной установки и подачей в сушилку с образованием замкнутого цикла со сбросом излишней части отработанного сушильного агента или его подпиткой свежим, при этом сушку продукта осуществляют в двух зонах сушки с промежуточным охлаждением в теплообменнике, причем одну часть осушенного и охлажденного сушильного агента в испарителе теплонасосной установки подают на промежуточное охлаждение продукта в теплообменник и затем направляют в замкнутый цикл после предварительного подогрева влажного продукта, а другую часть направляют в конденсатор теплонасосной установки и далее в заданном соотношении подают на вход первой и второй зон сушки, дополнительно измеряют температуру продукта после промежуточного охлаждения в теплообменнике, по которой осуществляют воздействие на соотношение расходов осушенного и охлажденного сушильного агента, подаваемого на промежуточное охлаждение в теплообменник, и направляемого в конденсатор теплонасосной установки, а по измеренным значениям влажности продукта на выходе из зон сушки воздействуют на соотношение расходов сушильного агента, подаваемого после конденсатора теплонасосной установки в эти зоны, при этом его излишнюю часть используют для регенерации секции испарителя.
Однако известный способ имеет ряд существенных недостатков:
– не позволяет вести сушку в переменных режимах, при которых температура и скорость сушильного агента изменяются по времени, что не создает условия для плавного изменения температуры материала по зонам;
– использование одноступенчатой холодильной машины, работающей в режиме теплового насоса, не обеспечивает подготовку сушильного агента более высокого энергетического потенциала с целью реализации высокотемпературной сушки;
– не предусмотрена рекуперация теплоты сушильного агента на потоке между испарителем и конденсатором теплонасосной установки, что не позволяет снизить нагрузку на конденсатор;
– в известном способе влагосодержание сушильного агента, подаваемого на сушку, устанавливают путем коррекции мощности привода компрессора, что может привести к нарушению режима конденсации паров хладагента, а следовательно, к непредвиденному отклонению температуры сушильного агента от заданной;
– имеет место инерционность управления влажностью высушенного продукта по влагосодержанию сушильного агента на входе в сушилку достаточно значительный интервал времени с момента времени получения информации о конечной влажности продукта до момента воздействия на изменение влагосодержания сушильного агента, что может привести к получению некондиционного продукта.
Технической задачей изобретения является снижение удельных энергозатрат и повышение качества высушенного продукта.
Поставленная задача достигается тем, что в способе автоматического управления процессом сушки, предусматривающем предварительный подогрев влажного продукта потоком отработанного сушильного агента с последующие осушением и охлаждением его в испарителе и нагревании в конденсаторе теплонасосной установки и подачей в сушилку с образованием замкнутого цикла со сбросом излишней части отработанного сушильного агента или его подпиткой свежим, путем воздействия на мощность привода вентилятора и стабилизации конечной влажности продукта, а также измерения влажности продукта на выходе из сушилки, новым является то, что сушку продукта осуществляют в трех зонах сушки с последующим охлаждением, с использованием двухступенчатой теплонасосной установки, дополнительно устанавливают теплообменник-рекуператор на потоке сушильного агента между испарителем и конденсатором, причем отработанный сушильный агент после предварительного подогрева влажного продукта последовательно направляют сначала в испаритель второй ступени, затем в испаритель первой ступени теплонасосной установки, а потом в теплообменник-рекуператор, и далее в конденсатор первой ступени теплонасосной установки, при этом одну часть сушильного агента с конденсатора первой ступени направляют в конденсатор второй ступени теплонасосной установки с последующей подачей в третью зону сушки, другую часть в первую зону сушки, а поток сушильного агента во вторую зону сушки получают путем смешивания части сушильного агента, подаваемого в первую и третью зоны сушки, дополнительно измеряют температуру продукта после охлаждения, по полученной информации о температуре продукта в зонах сушки устанавливают расход и температуру сушильного агента, подаваемого в эти зоны путем воздействия на мощности приводов компрессоров первой и второй ступеней теплонасосной установки, привода вентилятора и на соотношение потоков сушильного агента, подаваемого в первую и третью зону сушки, а по измеренной температуре продукта после охлаждения устанавливают расход охлаждающего воздуха, подаваемого в теплообменник-рекуператор, стабилизацию конечной влажности продукта осуществляют путем воздействия на длительность пребывания продукта в сушилке.
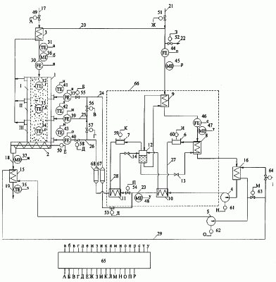
Схема содержит: I, II, III – соответственно первая, вторая и третья зоны сушки; 1 – сушилка; 2 – устройство для выгрузки высушенного продукта; 3 – камера нагрева; 4, 5 – вентиляторы; 6, 7 – компрессор теплонасосной установки соответственно первой и второй ступени; 8, 9 – испаритель соответственно первой и второй ступени; 10, 11 – конденсатор соответственно первой и второй ступени; 12 – промежуточный сосуд; 13, 14 – регулирующие вентили; 15 – теплообменник; 16 – теплообменник-рекуператор; линии: 17 – подачи влажного продукта в сушилку; 18 – отвода высушенного продукта; 19 – отвода охлажденного продукта; 20 – рециркуляции сушильного агента; 21 – подпитки отработанного сушильного агента свежим; 22 – сброса отработанного сушильного агента; 23 – подачи осушенного сушильного агента в конденсатор второй ступени; 24, 25, 26 – подачи осушенного сушильного агента соответственно в I, II, III зонах сушки; 27, 28 – рециркуляции хладоагента соответственно в первой и второй ступенях теплонасосной установки; 29 – линия рециркуляции охлаждающего воздуха; датчики: 30, 31 – расхода и температуры влажного продукта; 32, 33, 34 – температуры продукта соответственно в I, II, III зонах сушки; 35 – температуры охлажденного продукта; 36, 37 – влажности влажного и высушенного продукта; 38, 39, 40 – расхода сушильного агента соответственно в I, II, III зонах сушки; 41, 42, 43 – температуры сушильного агента на входе в I, II, III зонах сушки; 44, 46 – расхода сушильного агента перед испарителем соответственно второй и первой ступени; 45, 47 – влагосодержания сушильного агента перед испарителем соответственно второй и первой ступени; 48 – влагосодержания сушильного агента после конденсатора первой ступени; 49-64 – исполнительные механизмы; 65 – микропроцессор; 66 – двухступенчатая теплонасосная установка; 67, 68 – ресиверы.
Способ сушки осуществляется следующим образом.
Влажный продукт последовательно подают сначала в камеру нагрева 3, где он нагревается за счет тепла отработанного сушильного агента, затем в I, II, III зоны сушки сушилки 1, где его температуру в каждой зоне поддерживают в соответствии с требованиями технологического регламента, и далее направляют с помощью устройства для выгрузки 2 на охлаждение в теплообменник 15.
Отработанный сушильный агент после I, II, III зон сушки последовательно направляют на осушение и охлаждение сначала в испаритель второй ступени 9 теплонасосной установки 66, затем в испаритель первой ступени 8, после чего в теплообменник-рекуператор 16, и далее в конденсатор первой ступени 10 теплонасосной установки 66. После этого одну часть сушильного агента направляют сначала в конденсатор второй ступени 11, и затем в III зону сушки сушилки 1, а другую его часть в I зону сушки, а поток сушильного агента, подаваемого во II зону сушки, получают путем смешивания частей сушильного агента, подаваемых в I и III зоны сушки.
Во избежание технологических сбоев в линиях 24 и 26 установлены ресиверы соответственно 67 и 68.
По информации датчиков о текущих значениях расхода, температуры и влажности влажного продукта в линии 17 после его предварительного подогрева в камере нагрева 3, получаемой соответственно с датчиков 30, 31, 36 микропроцессор 65 по заложенному в него алгоритму устанавливает заданный режим сушки и охлаждения продукта. Причем массовый поток сушильного агента на входе в сушилку 1 устанавливают воздействием на мощность регулируемого привода вентилятора 4 посредством исполнительного механизма 61, а температурный режим сушки устанавливают воздействием на мощности регулируемых приводов компрессоров 6, 7 посредством исполнительных механизмов 59, 60. При этом охлаждение продукта осуществляют воздухом, охлажденным в теплообменнике-рекуператоре 16, с последующей подачей его вентилятором 5 в теплообменник 15 с образованием замкнутого цикла по линии 29.
По текущим значениям температуры продукта в I и III зонах сушилки 1 измеряемых соответственно датчиками 32 и 34 микропроцессор 65 устанавливает температуру сушильного агента в линиях 24 и 26 путем воздействия на мощность приводов компрессоров 6,7 двухступенчатой теплонасосной установки 66.
Работа двухступенчатой холодильной машины, работающей в режиме теплонасосной установки, характеризуется последовательным сжатием паров компрессорами первой 6 и второй 7 ступени с промежуточным охлаждением за счет кипения подаваемого в промежуточный сосуд 12 хладагента. При этом уменьшается объем паров и затрата работы для последующего сжатия их. Уменьшение перепада давлений в каждой ступени ослабляет теплообмен паров со стенками цилиндров и улучшает условия рабочего процесса в компрессоре. При двухступенчатом сжатии снижается также температура перегрева нагнетаемых паров, что способствует лучшей смазке цилиндров. Кроме того, возможна работа теплонасосной установки с двумя температурами кипения хладагента, и соответственно с двумя и более температурами сушильного агента.
В случаях, если текущее значение температуры сушильного агента на входе в I зону сушки по линии 26, измеряемое датчиком 41, ниже заданной, то микропроцессор 65 увеличивает хладопроизводительность второй ступени теплонасосной установки 66 путем увеличения мощности привода компрессора 7 посредством исполнительного механизма 60, а в случае если температура сушильного агента на входе в эту зону выше заданной уменьшает хладопроизводительность данной ступени теплонасосной установки 66 путем уменьшения мощности привода компрессора 7.
Аналогично осуществляют регулирование температуры сушильного агента на входе в III зону сушки, текущее значение которой измеряют датчиком 43, посредством исполнительного механизма 60 привода компрессора в первой ступени теплонасосной установки 66.
По текущему значению температуры продукта во II зоне сушки, измеряемой датчиком 33, микропроцессор 65 устанавливает заданный расход сушильного агента в линии 25 смешением части сушильного агента, подаваемого в I и III зоны сушки, посредством исполнительных механизмов 55-58, работающих синхронизировано. При отклонении текущего значения температуры сушильного агента на входе во II зону сушки измеряемого датчиком 42 от заданного значения в сторону уменьшения, микропроцессор 65 увеличивает подачу сушильного агента в линию 25 из линии 24 с помощью исполнительных механизмов 56, 57, и уменьшает подачу сушильного агента в линию 25 из линии 26, а при отклонении температуры сушильного агента в сторону увеличения – уменьшает подачу сушильного агента в линию 25 из линии 24 и увеличивает подачу в линию 25 из линии 26.
При этом температура сушильного агента, подаваемого в I зону сушки ниже, чем температура сушильного агента, направляемого в III зону сушки.
В процессе сушки микропроцессор 65 устанавливает необходимое соотношение расходов частей сушильного агента, подаваемых в I и III зоны сушки, текущее значение которых измеряется соответственно датчиками 38 и 40. При отклонении расхода сушильного агента, подаваемого в III зону сушки, от заданного значения в сторону уменьшения, например в результате увеличения количества подачи его во II зону сушки, микропроцессор 65 увеличивает расход сушильного агента, подаваемого в конденсатор 11 по линии 23 с помощью исполнительного механизма 54 и уменьшает расход сушильного агента, подаваемого в I зону сушки по линии 24 с помощью исполнительного механизма 53, а при отклонении расхода сушильного агента в сторону увеличения – уменьшает расход сушильного агента в линии 23 и увеличивает расход в линии 26 с помощью соответственно исполнительных механизмов 53 и 54, работа которых синхронизирована.
Аналогичным образом осуществляют стабилизацию расхода сушильного агента, подаваемого в I зону сушки.
При этом микропроцессор 65 по информации датчиков 38, 40 непрерывно вычисляет текущее суммарное значение расхода сушильного агента, подаваемого в сушилку 1 и осуществляет коррекцию общего расхода путем воздействия на мощность привода вентилятора 4 посредством исполнительного механизма 61.
В процессе сушки микропроцессор 65 осуществляет непрерывное слежение температуры охлажденного продукта с помощью датчика 35. При отклонении текущего значения температуры охлажденного продукта от заданного в сторону увеличения микропроцессор 65 увеличивает расход охлаждающего воздуха через теплообменник-рекуператор 16 с помощью исполнительных механизмов 63 и 64, работающих синхронизировано, а при отклонении текущего значения температуры охлажденного продукта от заданного в сторону уменьшения – уменьшает расход охлаждающего воздуха через теплообменник-рекуператор 16.
Таким образом, установка теплообменника-рекуператора 16 на потоке сушильного агента между испарителем 8 и конденсатором 10 первой ступени теплонасосной установки 66 позволяет, с одной стороны, повысить температурный потенциал сушильного агента перед нагреванием его в конденсаторе 10, а с другой, снизить температуру охлаждающего воздуха перед подачей его в теплообменник 15 для охлаждения высушенного продукта.
В соответствии с технологическими условиями проведения процесса и техническими возможностями испарителей 9 и 8 теплонасосной установки 66 по текущим значениям расхода и влагосодержания отработанного сушильного агента, измеряемых соответственно датчиками 44 и 45, микропроцессор 65 осуществляет максимально возможный поток влаги с отработанным сушильным агентом, подаваемым в испаритель 9 второй ступени теплонасосной установки 66, а по информации датчиков 46 и 47 о текущих значениях соответственно расхода и температуры отработанного сушильного агента – максимально возможный поток влаги, подаваемый в испаритель 8 первой ступени теплонасосной установки 66. При этом количество излишней влаги с отработанным сушильным агентом сбрасывают по линии 22 с помощью исполнительного механизма 52 с одновременной подпиткой отработанного сушильного агента свежим, подаваемым по линии 21, с помощью исполнительного механизма 51, сохраняя при этом необходимое количество сушильного агента в линии рециркуляции 20.
По информации датчика 48 о текущем влагосодержании сушильного агента после конденсатора первой ступени теплонасосной установки 66 микропроцессор 65 корректирует соотношение расхода сушильного агента в линии сброса 22 и линии подпитки 21 посредством исполнительных механизмов 51 и 52. При отклонении влагосодерждания сушильного агента от заданного значения в сторону увеличения микропроцессор увеличивает расход отработанного сушильного агента в линии сброса 22 и расход свежего сушильного агента в линии подпитки 21, сохраняя при этом соотношение этих расходов в заданном интервале значений. Если изменение соотношения расходов в пределах заданных значений не обеспечивает стабилизацию влагосодержания сушильного агента после конденсатора первой ступени теплонасосной установки 66, что свидетельствует о недостаточном осушении сушильного агента в испарителях, обусловленным уменьшением коэффициента теплопередачи на их охлаждающих поверхностях, микропроцессор отключает рабочие секции испарителей на регенерацию и подключает резервные секции (секции на чертеже не показаны).
Отклонение влагосодержания сушильного агента после конденсатора первой ступени теплонасосной установки от заданного значения в сторону уменьшения маловероятно в связи с постепенным снижением коэффициента в теплопередаче на охлаждающих поверхностях испарителей за счет нарастания во времени снеговой шубы в процессе осушения сушильного агента.
В процессе сушки микропроцессор 65 непрерывно осуществляет слежение за влажностью высушенного продукта с помощью датчика 37. При отклонении текущего значения влажности высушенного продукта от заданного в сторону увеличения микропроцессор 65 увеличивает время пребывания продукта в сушилке 1 воздействием на мощность регулируемого привода устройства для выгрузки высушенного продукта 2 с помощью исполнительного механизма 50, а при отклонении текущего значения влажности высушенного продукта от заданного в сторону уменьшения – уменьшает время пребывания продукта в сушилке 1.
Если изменение времени пребывания продукта в сушилке в пределах заданного значения не обеспечивает стабилизации влажности высушенного продукта, то микропроцессор 65, при отклонении текущего значения влажности высушенного продукта от заданного в сторону увеличения, уменьшает расход влажного продукта в линии 17 с помощью исполнительного механизма 49, а при отклонении текущего значения влажности высушенного продукта от заданного в сторону уменьшения увеличивает расход влажного продукта в линии 17.
В качестве конкретного примера по реализации способа приводится процесс сушки солода в вертикальной непрерывно действующей солодосушилке, установленной на пивзаводе “Воронежский”.
Мягкие низкотемпературные режимы сушки с пониженным влагосодержанием сушильного агента (воздуха) позволяют снизить влажность солода с 44-45% до 3-3,5% за 24 ч и обеспечить его высокую ферментативную активность.
Пределы регулирования температуры, расхода и влагосодержания воздуха на входе в сушилку по зонам обоснованы в литературе (Технологическое оборудование предприятий бродильной промышленности / Попов В.И., Кретов И.Т., Стабников В.Н., Предтеченский В.К. 6-е изд. – М.: Легкая и пищевая промышленность, 1983. – 464 с.) и соответственно составляют:
I зона – 318…323 К; 10000 м3/ч; 0,001-0,005 кг/кг;
II зона – 338…343К; 8000 м3/ч; 0,001-0,005 кг/кг;
III зона – 353…355К; 6000 м3/ч; 0,001-0,005 кг/кг.
Для подготовки отработанного воздуха к последующей сушке в линии рециркуляции сушильного агента по основному потоку установлена теплонасосная установка со следующими техническими данными:
| Хладопроизводительность, кВт |
30-40 |
| Хладагент: |
|
| первая ступень (фреон – 12) |
R12 |
| вторая ступень (фреон – 22) |
R22 |
| Тип компрессора |
поршневой одноступенчатый |
| Общая суммарная площадь охлаждающей |
|
| поверхности испарителей, м |
137,8 |
С помощью датчиков 30, 31, 36 информация о текущей производительности сушилки по влажному продукту, например 368 кг/ч, и его температура после предварительного нагрева в камере 3, например 293К, передается в микропроцессор 65, который по заложенной в него алгоритму устанавливает суммарный расход воздуха, например 24000 м3/ч, воздействием на мощность регулируемого привода вентилятора 4 с помощью исполнительного механизма 60. Причем расход воздуха в I и III зонах устанавливают соответственно 10000 м3/ч и 6000 м3/ч с помощью синхронизированных исполнительных механизмов 52 и 53, а расход воздуха во II зоне сушки, например 8000 м3/ч, с помощью исполнительных механизмов 56, 57, работающих синхронизовано. При этом температуру воздуха на входе в I и III зоны сушки устанавливают соответственно 318 К и 353 К воздействием на мощности регулируемых приводов компрессоров 6, 7 посредством исполнительных механизмов 59, 60, а температуру воздуха на входе во II зону сушки, например 338К, смешиванием потоков воздуха, подаваемых в I и III зоны сушки по линиям 24 и 26, с помощью исполнительных механизмов 54-58.
В соответствии с информацией, полученной с помощью датчиков 29, 30, 35, микропроцессор 65 устанавливает расход охлаждающего воздуха через теплообменник 15, например 24000 м3/ч, воздействием на мощность регулируемого привода вентилятора 5 с помощью исполнительного механизма 61.
Отработанный воздух, отдав часть своего тепла на подогрев влажного солода в камере 3 с температурой, например 304 К, направляют по линии рециркуляции 20 на осушение и охлаждение. Сначала воздух подают в испаритель второй ступени 9 теплонасосной установки 66, где температура его снижается, например до 296 К, затем в испаритель первой ступени 8, где температура снижается, например до 278 К, и далее в теплообменник-рекуператор 16. В теплообменнике-рекуператоре за счет теплообмена путем теплопередачи через его рабочую поверхность между отработанным сушильным агентом, обладающим низким температурным потенциалом, и охлаждающим воздухом с высоким температурным потенциалом, поступающим из теплообменника 15 после охлаждения высушенного продукта с температурой, например 300 К, достигается снижение температуры отработанного сушильного агента до температуры, например 278 К.
Осушенный воздух до влагосодержания, например 0,005 кг/кг, направляют в конденсатор 10 первой ступени теплонасосной установки 66, где нагревается до температуры, например 286 К, и подают в конденсатор 11 второй ступени теплонасосной установки 66, где нагревается до температуры, например 296 К. Повышение температуры воздуха перед конденсатором 10 первой ступени позволяет снизить тепловую нагрузку на этот конденсатор.
В процессе сушки непрерывно обеспечивается стабилизация температуры воздуха на входе в I и III зоны сушки, соответственно 318 К и 353 К, текущие значения которых измеряют соответственно датчиками 41 и 43. По результатам рассогласования текущего и заданного значения температуры микропроцессор 65 корректирует хладопроизводительность теплонасосной установки 66 воздействием на мощности регулируемых приводов компрессоров 6 и 7 посредством исполнительных механизмов 59 и 60. Воздух во II зону сушки подают с температурой, например 338 К, текущее значение которой измеряют датчиком 42 и по результатам рассогласования текущего и заданного значения температуры микропроцессор корректирует тепловой поток во II зону сушки смешиванием частей воздуха, подаваемых в I и III зоны сушки с помощью исполнительных механизмов 54-57, работающих синхронно.
При проведении процесса сушки непрерывно обеспечивается стабилизация температуры охлажденного солода, например 303 К, текущее значение которой измеряют датчиком 34. По результатам рассогласования текущего и заданного значения температуры микропроцессор 65 корректирует расход воздуха, подаваемого в теплообменник-рекуператор 16, где обеспечивается его охлаждение, посредством синхронно работающих исполнительных механизмов 63 и 64.
По информации датчика 47 о текущем влагосодержании осушенного воздуха на выходе из конденсатора первой ступени 10 теплонасосной установки 66 микропроцессор 65 корректирует соотношение расходов отработанного и свежего воздуха в линии 20 путем их изменения в линиях сброса 22 и подпитки 21 посредством исполнительных механизмов 51 и 52. При отклонении влагосодержания сушильного агента от заданного значения, например 0,003-0,005 кг/кг, микропроцессор воздействует на соотношение расходов отработанного воздуха в линии сброса 22 и свежего воздуха, забираемого из атмосферы, в линии подпитки 21, сохраняя при этом соотношение этих расходов в заданном интервале значений, например 10:1. Если изменение соотношения расходов в пределах заданных значений не обеспечивает стабилизацию влагосодержания воздуха на входе в сушилку, что свидетельствует о недостаточном осушении сушильного агента в испарителях, обусловленным уменьшением коэффициента теплопередачи на их охлаждающих поверхностях, микропроцессор отключает рабочие секции испарителей на регенерацию и подключает резервные секции.
При отсутствии случайных возмущений, обусловленных возможными колебаниями начальной влажности исходного продукта, резким изменением темпа подачи его на сушку, технологическими сбоями в работе оборудования, подсосами в линии рециркуляции сушильного агента и др., процесс сушки осуществляется в режиме полного замкнутого цикла без выброса части отработанного воздуха. При этом исключается необходимость в подпитке осушенного воздуха свежим. Наличие же случайных возмущений немедленно отразится прежде всего на текущей величине влажности высушенного солода.
При отклонении текущей влажности высушенного солода от заданного значения, например 3,5% в сторону увеличения, микропроцессор увеличивает время пребывания продукта в сушилке 1 воздействием на мощность регулируемого привода устройства для выгрузки высушенного солода 2 с помощью исполнительного механизма 50, а при отклонении текущего значения влажности высушенного продукта от заданного в сторону уменьшения – уменьшает время пребывания продукта в сушилке 1.
Если изменение времени пребывания солода в сушилке в пределах, например 12 ч, не обеспечивает стабилизации влажности высушенного солода, то микропроцессор 65, при отклонении текущего значения влажности высушенного продукта от заданного в сторону увеличения, уменьшает расход влажного солода в линии 17 с помощью исполнительного механизма 49, а при отклонении текущего значения влажности высушенного солода от заданного в сторону уменьшения увеличивает расход влажного солода в линии 17.
Таким образом, предлагаемый способ автоматического управления по сравнению с базовым имеет следующие преимущества:
– использование двухступенчатой теплонасосной установки позволяет вести сушку в переменных режимах, при которых температура и скорость изменяются по времени, что создает условия для плавного изменения температуры материала по зонам, в соответствии с ферментативными процессами, обусловленными технологическими требованиями;
– создаются условия для подготовки сушильного агента с более высоким энергетическим потенциалом с целью реализации высокотемпературной сушки;
– снижается нагрузка на компрессор, а соответственно уменьшаются энергозатраты на его привод, так как предусмотрена рекуперация теплоты сушильного агента на потоке между испарителем и конденсатором;
– исключена возможность отклонения температуры сушильного агента, подаваемого на сушку, от заданной вследствие коррекции мощности привода компрессоров не по влагосодержанию сушильного агента, а по его температуре;
– применение стабилизации влажности высушенного продукта, по времени пребывания его в сушилке, является более оперативным способом по сравнению с регулированием влагосодержания сушильного агента, подаваемого на сушку, воздействием на привод компрессора.
Формула изобретения
Способ автоматического управления процессом сушки, заключающийся в предварительном подогреве влажного продукта потоком отработанного сушильного агента с последующим осушением и охлаждением его в испарителе, нагревании в конденсаторе теплонасосной установки и подачей в сушилку с образованием замкнутого цикла со сбросом излишней части отработанного сушильного агента или его подпиткой свежим путем воздействия на мощность привода вентилятора и стабилизации конечной влажности продукта, а также измерения влажности продукта на выходе из сушилки, отличающийся тем, что сушку продукта осуществляют в трех зонах сушки с последующим охлаждением, с использованием упомянутой теплонасосной установки, выполненной двухступенчатой, причем отработанный сушильный агент после предварительного подогрева влажного продукта последовательно направляют сначала в испаритель второй ступени, затем в испаритель первой ступени теплонасосной установки, а потом в теплообменник-рекуператор, который установлен на потоке сушильного агента между испарителем и конденсатором первой ступени теплонасосной установки, и далее в конденсатор первой ступени теплонасосной установки, причем одну часть его направляют в конденсатор второй ступени теплонасосной установки с последующей подачей в третью зону сушки, другую часть в первую зону сушки, а поток сушильного агента во вторую зону сушки получают путем смешивания части сушильного агента, подаваемого в первую и третью зоны сушки, дополнительно измеряют температуру продукта в зонах сушки и температуру продукта после охлаждения, по полученной информации о температуре продукта в зонах сушки устанавливают расход и температуру сушильного агента, подаваемого в эти зоны путем воздействия на мощности приводов компрессоров первой и второй ступеней теплонасосной установки, привода вентилятора и на соотношение потоков сушильного агента, подаваемого в первую и третью зону сушки, а по измеренной температуре продукта после охлаждения устанавливают расход охлаждающего воздуха, подаваемого в теплообменник-рекуператор, стабилизацию конечной влажности продукта осуществляют путем изменения времени пребывания продукта в сушилке.
РИСУНКИ
MM4A – Досрочное прекращение действия патента СССР или патента Российской Федерации на изобретение из-за неуплаты в установленный срок пошлины за поддержание патента в силе
Дата прекращения действия патента: 16.10.2006
Извещение опубликовано: 20.06.2008 БИ: 17/2008
|
|