|
|
(21), (22) Заявка: 2003132207/04, 03.11.2003
(24) Дата начала отсчета срока действия патента:
03.11.2003
(43) Дата публикации заявки: 20.04.2005
(45) Опубликовано: 20.05.2006
(56) Список документов, цитированных в отчете о поиске:
RU 2131887 С1, 20.06.1999. SU 1741113 A1, 15.06.1992. SU 476276 A, 05.07.1975.
Адрес для переписки:
394000, г.Воронеж, пр. Революции, 19, ВГТА, отдел СМП
|
(72) Автор(ы):
Чертов Евгений Дмитриевич (RU), Хвостов Анатолий Анатольевич (RU), Тихомиров Сергей Германович (RU), Баранкевич Артем Алексеевич (RU)
(73) Патентообладатель(и):
Государственное образовательное учреждение Воронежская государственная технологическая академия (RU)
|
(54) СПОСОБ КОНТРОЛЯ МОЛЕКУЛЯРНЫХ ПАРАМЕТРОВ В ПРОЦЕССАХ РАСТВОРНОЙ ПОЛИМЕРИЗАЦИИ ДИЕНОВ
(57) Реферат:
Описывается способ контроля молекулярных параметров в процессах растворной полимеризации диенов измерением физических показателей раствора полимера, образующегося в каскаде последовательно соединенных трубопроводов реакторов с последующей математической обработкой информации, причем одновременно измеряют концентрацию и температуру полимера в реакторе, перепад давления, расход и плотность среды на первом и втором параллельных участках трубопровода, соединяющих соседние реакторы каскада, отличающийся тем, что после второго участка трубопровода дополнительно вводится параллельный ему третий участок, на котором измеряют перепад давления, расход и плотность среды, а математическую обработку производят по соответствующим формулам. Техническим результатом является повышение точности определения средневязкостного молекулярного веса и коэффициента полидисперсности непрерывно в ходе синтеза полимера. 1 ил.
Изобретение относится к промышленности синтетического каучука, а именно к области контроля качественных параметров в процессах полимеризации в растворе, средневязкостного молекулярного веса и полидисперсности.
Большинство из известных методов оценки средних молекулярных масс, таких как осмометрия, криоскопия и т. п., относятся к лабораторным. Из-за соизмеримости длительности цикла анализа со временем полного конвертирования мономера, эти методы не нашли широкого применения в условиях промышленного производства каучуков.
Наиболее близким по технической сущности и достигаемому эффекту является способ контроля молекулярных параметров в процессах растворной полимеризации диенов: средневязкостного молекулярного веса и коэффициента полидисперсности (пат. РФ №2131887, опубл. 20.06.99 Бюл. №17), который заключается в одновременном измерении концентрации полимера в реакторе полимеризации, температуры исследуемой среды, перепадов давлений на двух участках технологического трубопровода, соединенных параллельно и имеющих разный диаметр, плотности исследуемой среды в трубопроводах и расходы исследуемой среды в каждый участок соответственно, и расчете по измеренным величинам средневязкостного молекулярного веса и коэффициента полидисперсности полимера.
Недостатком данного способа контроля является наличие погрешности измерения качественных параметров вследствие приращения конверсии мономера в объеме аппарата, так как измерение активной мощности, затрачиваемой на перемещение, связано со свойствами среды по всему объему аппарата в среднем, а потеря давления на линейном участке трубопровода характеризует свойства среды по крайней мере на выходе из аппарата. Так как объем промышленных реакторов полимеризации довольно велик (16 м3 и более), это приводит к снижению точности измерений, полученных данным способом.
Техническая задача – повышение точности определения средневязкостного молекулярного веса и коэффициента полидисперсности непрерывно в ходе синтеза полимера.
Поставленная задача достигается тем, что одновременно измеряют концентрацию и температуру полимера в реакторе, перепад давления, расход и плотность среды на первом и втором параллельных участках трубопровода, соединяющего соседние реакторы каскада, новым является то, что после второго участка трубопровода дополнительно вводится параллельный ему третий участок, на котором измеряют перепад давления, расход и плотность среды, а математическую обработку производят по следующим формулам:

где Mv – средневязкостный молекулярный вес;
Кп – коэффициент полидисперсности;
g – фактор разветвленности;
0 – ньютоновская вязкость;
Сп – концентрация полимера;
– скорости сдвига на первом, втором и третьем участках трубопровода соответственно;
1эфф, 2эфф, 3эфф – эффективная (кажущаяся) вязкость на первом, втором и третьем участках трубопровода соответственно;
Q1, Q2, Q3 – расходы исследуемой среды в первом, втором и третьем участках трубопровода соответственно;
р1, Р2, Р3 – перепады давлений на первом, втором и третьем участках трубопровода соответственно;
L1, L2, L3 – длины соответственно первого, второго и третьего участков трубопровода;
R1, R2, R3 – радиусы соответственно первого, второго и третьего участков трубопровода;
Rтек – текущий радиус трубопровода;
Rтр – конструктивный радиус;
п, и.с., – плотности полимера, измеряемой среды и среды на линейном участке трубопровода соответственно;
Т – температура среды;
R – универсальная газовая постоянная.
Этим самым исключается влияние прироста конверсии мономера в объеме реактора и как следствие повышается точность измерения средневязкостного молекулярного веса и коэффициента полидисперсности.
Сущность предлагаемого способа контроля заключается в том, что измерение полидисперсности полимера, растворенного в смеси мономера и растворителя сопровождается изменением характера течения смеси в объеме трубопровода. При этом будет изменяться перепад давления на линейных участках трубопроводов, соединяющих соседние реакторы, в зависимости от измеряемых величин, геометрических размеров трубопровода и расхода среды через сечение трубопровода. Изменения характера течения на участках трубопровода из-за изменения коэффициента полидисперсности происходят таким образом, что с использованием замера расходов в линейные участки трубопровода, перепадов давления на этих участках, концентрации полимера в растворе и его температуры представляется возможным вычислить по полученным формулам коэффициент полидисперсности и более точно рассчитать средневязкостный молекулярный вес. Для введения поправок в расчетные формулы на ошибки, связанные с адгезией полимера на стенки трубопровода, предложено использовать значения плотностей среды в объеме трубопровода.
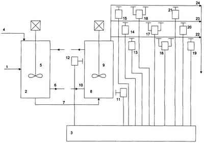
На чертеже показана схема, реализующая предлагаемый способ. На чертеже обозначены: 1 – линия подачи шихты; 2 – 1-й реактор; 3 – вычислительное устройство; 4 – линия подачи катализатора; 5 – перемешивающее устройство первого реактора; 6 – система охлаждения первого реактора; 7 – технологический трубопровод, соединяющий первый и второй реакторы; 8 – 2-й реактор; 9 – перемешивающее устройство второго реактора; 10 – система охлаждения второго реактора; 11 – датчик температуры реакционной среды; 19 – датчик плотности реакционной среды в первом участке трубопровода; 13 – датчик расхода реакционной среды в первый участок трубопровода; 20 – датчик плотности реакционной среды во втором участке трубопровода; 14 – датчик расхода реакционной среды во второй участок трубопровода; 21 – датчик плотности реакционной среды в третьем участке трубопровода; 15 – датчик расхода реакционной среды в третий участок трубопровода; 16 – система измерения перепада давления на первом участке трубопровода; 17 – система измерения перепада давления на втором участке трубопровода; 18 – система измерения перепада давления на третьем участке трубопровода; 12 – датчик концентрации полимера; 22 – участок 1 технологического трубопровода; 23 – участок 2 технологического трубопровода; 24 – участок 3 технологического трубопровода.
В реактор 2 по линии подачи 1 подают исходную жидкую смесь и каталитический комплекс 4. Реактор 2 снабжен перемешивающим устройством 5 и системой охлаждения 6. В результате смешения углеводородной шихты и катализатора в реакторе 2 протекает реакция полимеризации, в результате которой часть мономера превращается в полимер. Смесь полимера и растворителя через технологический трубопровод 7 поступает из реактора 2 в реактор 8, который также снабжен перемешивающим устройством 9 и системой охлаждения 10. В реакторе 8 протекает дальнейшее конвертирование мономера. В реакторе 8 измеряют температуру реакционной среды датчиком 11 и концентрацию полимера датчиком 12. Датчики 11 и 12 соединены с вычислительным устройством 3. Раствор полимера по трем технологическим трубопроводам 22, 23, 24 транспортируется в следующий реактор. Трубопроводы 22, 23 и 24 снабжены системами измерения перепада давления 16, 17, 18, расхода 13, 14, 15 и плотности 19, 20, 21. Системы измерения перепада давления 16, 17, 18, датчики расходов 13, 14, 15, и датчики плотности 19, 20, 21 соединены с вычислительным устройством 3. В результате вычислительное устройство 3 выдает значение молекулярного веса и коэффициента полидисперсности полимера, вычисленные по приведенным выше формулам.
Формула изобретения
Способ контроля молекулярных параметров в процессах растворной полимеризации диенов измерением физических показателей раствора полимера, образующегося в каскаде последовательно соединенных трубопроводов реакторов с последующей математической обработкой информации, причем одновременно измеряют концентрацию и температуру полимера в реакторе, перепад давления, расход и плотность среды на первом и втором параллельных участках трубопровода, соединяющих соседние реакторы каскада, отличающийся тем, что после второго участка трубопровода дополнительно вводится параллельный ему третий участок, на котором измеряют перепад давления, расход и плотность среды, а математическую обработку производят по следующим формулам:






где Mv – средневязкостный молекулярный вес;
Кп – коэффициент полидисперсности;
g – фактор разветвленности;
0 – ньютоновская вязкость;
Сп – концентрация полимера;
1, 2, 3 – скорости сдвига на первом, втором и третьем участках трубопровода соответственно;
1эфф, 2эфф, 3эфф – эффективная (кажущаяся) вязкость на первом, втором и третьем участках трубопровода соответственно;
Q1, Q2, Q3 – расходы исследуемой среды в первом, втором и третьем участках трубопровода соответственно;
Р1, Р2, Р3 – перепады давлений на первом, втором и третьем участках трубопровода соответственно;
L1, L2, L3 – длины соответственно первого, второго и третьего участков трубопровода;
R1, R2, R3 – радиусы соответственно первого, второго и третьего участков трубопровода;
Rтек – текущий радиус трубопровода;
Rтр – конструктивный радиус;
п, и.с., – плотности полимера, измеряемой среды и среды на линейном участке трубопровода соответственно;
Т – температура среды;
R – универсальная газовая постоянная.
РИСУНКИ
MM4A – Досрочное прекращение действия патента СССР или патента Российской Федерации на изобретение из-за неуплаты в установленный срок пошлины за поддержание патента в силе
Извещение опубликовано: 10.08.2007 БИ: 22/2007
|
|