|
|
(21), (22) Заявка: 2003124633/11, 04.01.2002
(24) Дата начала отсчета срока действия патента:
04.01.2002
(30) Конвенционный приоритет:
05.01.2001 (пп.1-16) NO 20010100
(43) Дата публикации заявки: 10.02.2005
(45) Опубликовано: 20.05.2006
(56) Список документов, цитированных в отчете о поиске:
NO 962268, 01.12.1997. FR 2728248, 21.06.1996. NO 934221, 23.05.1995. SU 491550, 15.11.1975.
(85) Дата перевода заявки PCT на национальную фазу:
05.08.2003
(86) Заявка PCT:
NO 02/00004 (04.01.2002)
(87) Публикация PCT:
WO 02/053478 (11.07.2002)
Адрес для переписки:
191186, Санкт-Петербург, а/я 230, “АРС-ПАТЕНТ”, пат.пов. В.М.Рыбакову, рег. № 90
|
(72) Автор(ы):
ХОВСТЁ Кеннет (NO), ГААРДЕН Кьелл Арне (NO)
(73) Патентообладатель(и):
АС ТЕХНО ТРАК (NO)
|
(54) НАПРАВЛЯЮЩЕЕ УСТРОЙСТВО ДЛЯ КОНВЕЙЕРНОЙ ЛЕНТЫ
(57) Реферат:
Изобретение относится к направляющему устройству для центрирования конвейерной ленты. Устройство для направления ленты предназначено для центрирования конвейерной ленты, проходящей по направляющему ролику, установленному поперек направления движения ленты в держателе, смонтированному на основании с возможностью поворота. Между держателем ролика и основанием установлен поворотный упругий элемент, который выполнен с возможностью натяжения при переводе держателя в среднее положение относительно направления движения ленты. Держатель или ролик связан с по меньшей мере одним рычагом, установленным на расстоянии от оси вращения держателя относительно основания совместно с направляющей конструкцией, расположенной на расстоянии от держателя со стороны боковой кромки конвейерной ленты. Второй вариант выполнения предназначен для конвейерных лент, движущихся в двух противоположных направлениях. Технический результат – создание направляющей конструкции или устройства для направления конвейерной ленты. 2 н. и 14 з.п. ф-лы, 10 ил.
Область техники, к которой относится изобретение
Данное изобретение относится к устройству для направления ленты, предназначенному для центрирования конвейерной ленты, которая в процессе работы подвергается боковому смещению из среднего положения при движении в продольном направлении. Согласно изобретению направляющее устройство может применяться для конвейерных лент, перемещающихся в одном направлении, а также для лент, перемещающихся в двух противоположных направлениях. При этом требуется лишь незначительная настройка, в то время как основные конструктивные особенности устройства для направления ленты являются по существу идентичными для двух указанных рабочих режимов.
Уровень техники
Устройство для направления ленты согласно данному изобретению применяется для направления конвейерных лент, используемых, в частности, на промышленных комбинатах по технологической переработке различных видов материалов, транспортируемых внавалку, например гранулированной руды и т.п.
Из практики работы таких комбинатов, в которых применяются подобные конвейерные ленты, известно, что ленты по разным причинам “гуляют” из стороны в сторону на своих роликах при движении вдоль трассы. Иногда это происходит по причине неравномерной загрузки лент, иногда вследствие несоосности опор и роликов, а чаще всего вследствие сочетания нескольких различных факторов, которые вызывают произвольное боковое смещение ленты. Данное боковое смещение можно определить как отклонение от базового среднего положения, при котором лента перемещается в своем продольном направлении вдоль воображаемой центральной линии или другого рода заданной траектории на роликах или направляющих. Боковое смещение ленты приводит к тому, что лента будет смещаться в сторону из своего среднего положения или траектории, после чего она должна возвращаться в среднее положение. В результате возникает необходимость в направляющем устройстве, которое определяет момент выхода ленты из среднего положения, после чего корректирует движение ленты в продольном направлении с обеспечением ее возврата в среднее положение. Для этой цели требуется динамическое корректирующее устройство, которое постоянно корректирует положение ленты по обе стороны от среднего положения, и, предпочтительно, при продольном движении ленты в обоих направлениях.
Устройство для направления конвейерной ленты, решающее упомянутые выше задачи, а также пригодное для различных областей применения должно быть, кроме того, простым и надежным в работе и в то же время должно обеспечивать простоту его монтажа и регулировки перед вводом в эксплуатацию. Конструкция устройства, таким образом, должна обеспечивать возможность наладки для фактических условий работы и нагрузок. Это должно обеспечиваться либо путем подбора различных размеров конструктивных деталей, либо настройкой компонентов, уже установленных в существующую систему, например, роликов, направляющих, монтажных кронштейнов и т.п.
Кроме того, устройство для направления ленты должно быть адаптировано для конвейерной ленты, которая перемещается в одном или двух направлениях, без необходимости в существенных конструктивных изменениях.
Из известных на практике решений в данной области можно упомянуть устройство для конвейерных лент, которые перемещаются по роликам или опорам, описанное в DE 174491. Это устройство корректирует боковые смещения, которые имеют место в процессе эксплуатации ленты, обеспечивая возврат ленты в среднее положение. На пластине, которая прикреплена к основанию с возможностью поворота, установлен комплект направляющих роликов конвейерной ленты. На поворотной пластине установлен рычаг с тягой. Рычаг может быть шарнирным и иметь возможность поворота вокруг шарнира, который прикреплен к основанию. К тяге прикреплены направляющие ролики, которые перемещаются вдоль кромки конвейерной ленты и которые, в случае бокового смещения ленты, передают это перемещение на тягу. Данное перемещение передается на рычаг, который в свою очередь передает его на пластину, благодаря чему оси направляющих роликов наклоняются и конвейерная лента возвращается в среднее положение.
Известным решением подобного типа является устройство для направления конвейерной ленты, описанное в NO 178853. Однако в этом случае рычаг прикреплен с возможностью поворота как к пластине, удерживающей направляющие ролики, так и к тяге, которая также удерживает эти ролики. Рычаг привязан с возможностью поворота к фиксированной точке, расположенной на некотором расстоянии от поворотных узлов в пластине и тяге, а поворотное параллельное рычажное звено установлено параллельно рычагу между тягой и зафиксированным основанием в виде балки. В результате тяга всегда остается под прямым углом по отношению к средней линии конвейерной ленты.
Кроме того, в патенте NO 306708 раскрыто реверсивное устройство для направления конвейерной ленты, используемое для центрирования конвейерных лент, имеющих тенденцию к боковому смещению из среднего положения в процессе эксплуатации. Устройство содержит поворотный механизм, несущий по меньшей мере один направляющий ролик для конвейерной ленты и смонтированный с возможностью поворота на первой зафиксированной балке, которая установлена с возможностью поворота вокруг оси, проходящей перпендикулярно конвейерной ленте. Первый комплект направляющих роликов упирается в боковые кромки конвейерной ленты, в результате чего ролики смещаются в боковом направлении в зависимости от бокового смещения конвейерной ленты. Устройство для направления конвейерной ленты также содержит первый передающий механизм для передачи бокового перемещения этого первого комплекта направляющих роликов на поворотный механизм, обеспечивающий разворот направляющего ролика в положение, в котором он направляет конвейерную ленту в среднее положение.
Известные устройства для направления конвейерной ленты типа, описанного в DE 174491, а также другие аналогичные устройства, имеют тенденцию создавать изгибы и перекосы ленты при ее движении, в частности в случае неравномерной нагрузки или неравномерного распределения груза на ленте, в результате чего происходит сильный износ кромки ленты.
В отличие от этих известных устройств для направления конвейерной ленты устройство для направления конвейерной ленты, известное из NO 178853, обеспечивает более плавное перемещение конвейерной ленты, благодаря чему лента меньше изнашивается и имеет более длительный срок службы. Однако устройство для направления конвейерной ленты по патенту NO 178853 работает только в том случае, когда лента движется в одном направлении, что недостаточно для выполнения некоторых производственных задач.
Что касается устройства для направления конвейерной ленты по патенту NO 306708, то конструкция этого устройства пригодна для работы с конвейерными лентами, которые движутся в двух противоположных направлениях.
Однако упомянутые выше конструктивные решения представляют собой сравнительно сложные механизмы для обеспечения надлежащего движения и, следовательно, они являются дорогими и сложными с точки зрения монтажа и наладки. Кроме того, эти устройства нуждаются в техническом осмотре.
Раскрытие изобретения
Таким образом, задачей настоящего изобретения является создание направляющей конструкции или устройства для направления конвейерной ленты, которые могли бы обеспечить решение указанных выше проблем и удовлетворять техническим требованиям, устраняя при этом недостатки и дефекты, характерные для известных технических решений.
Согласно изобретению предлагается устройство для направления ленты, предназначенное для центрирования конвейерной ленты. Устройство направляет конвейерную ленту, которая в процессе эксплуатации подвергается боковому смещению относительно продольного среднего положения. Лента проходит по направляющему ролику, установленному по существу поперек направления движения ленты. Направляющий ролик установлен в держателе с возможностью вращения вокруг оси, проходящей по существу поперек направления движения ленты. Держатель направляющего ролика смонтирован на основании с возможностью поворота вокруг оси, по существу перпендикулярной направлению движения конвейерной ленты. Согласно данному изобретению между держателем направляющего ролика и основанием установлен поворотный упругий элемент, который в нейтральном положении задает держателю направляющего ролика поворотное смещение в первую сторону относительно направления движения конвейерной ленты. Поворотный упругий элемент выполнен с возможностью натяжения при переводе держателя в среднее положение относительно направления движения конвейерной ленты. Кроме того, держатель или направляющий ролик связан с по меньшей мере одним рычагом, установленным на расстоянии от оси вращения держателя относительно основания совместно с направляющей конструкцией, расположенной на расстоянии от держателя со стороны боковой кромки конвейерной ленты.
В альтернативном варианте, предназначенном для конвейерных лент, которые могут двигаться в двух противоположных направлениях (реверсивные конвейерные ленты), конвейерная лента направляется устройством для направления ленты, причем эта конвейерная лента подвергается в процессе эксплуатации боковому смещению относительно среднего продольного положения. Лента проходит по направляющему ролику, установленному по существу поперек направления движения ленты в держателе с возможностью вращения вокруг оси, проходящей по существу поперек направления движения ленты. Держатель направляющего ролика смонтирован на основании с возможностью поворота вокруг оси, по существу перпендикулярной направлению движения конвейерной ленты. В соответствии с изобретением между держателем направляющего ролика и основанием установлен поворотный упругий элемент, который в нейтральном положении задает держателю направляющего ролика поворотное смещение в первую сторону относительно направления движения конвейерной ленты. Поворотный упругий элемент выполнен с возможностью натяжения при переводе держателя в среднее положение относительно направления движения конвейерной ленты. Кроме того, держатель или направляющий ролик связан с по меньшей мере одним рычагом, установленным на расстоянии от оси вращения держателя относительно основания в каждом из направлений движения конвейерной ленты совместно с направляющей конструкцией, расположенной на расстоянии от держателя. Направляющая конструкция установлена со стороны боковой кромки конвейерной ленты.
Согласно предпочтительному варианту изобретения направляющая конструкция установлена относительно ленты, которая проходит по направляющему ролику, таким образом, что одна боковая кромка ленты по существу упирается в ролик. Когда лента смещается в направлении ролика, держатель поворачивается вокруг вертикальной оси относительно основания, преодолевая усилие поворотного упругого элемента. В следующем варианте изобретения поворотный упругий элемент выполнен в виде спиральной пружины или аналогичного устройства, один конец которой надежно закреплен на детали держателя, а другой конец прикреплен к основанию. Таким образом, поворотный упругий элемент имеет возможность “растяжения” между этой деталью и основанием. Учитывая, что в “нейтральном” (или свободном) положении поворотный упругий элемент задает направляющему ролику первоначальное поворотное смещение, очевидно, что упругий элемент будет “растягиваться”, когда боковая сторона ленты надавливает на направляющую конструкцию, установленную на боковой стороне держателя. В результате направляющий ролик поворачивается в положение по существу поперек продольного направления ленты. Момент силы, воздействующий на держатель и, таким образом, на направляющий ролик, создаваемый за счет предварительного напряжения поворотного упругого элемента, и момент, создаваемый силой, с которой лента воздействует на направляющую конструкцию, расположенную с боковой стороны ленты, будут противодействовать друг другу при непрерывном изменении усилий. Если лента смещается в одну сторону к направляющей конструкции под воздействием неравномерной нагрузки, давление на направляющую конструкцию от боковой кромки ленты будет усилено. В результате держатель и направляющий ролик начнут поворачиваться вокруг вертикальной оси. Таким образом, за счет вращения направляющего ролика лента будет отводиться от направляющей конструкции. Следовательно, важно, чтобы лента перемещалась в направлении, противоположном направлению, в котором направляющая конструкция направлена от держателя. С другой стороны, если лента перемещается от направляющей конструкции в противоположную сторону, усилие на направляющей конструкции начнет снижаться, в результате чего предварительно напряженный поворотный упругий элемент начнет поворачивать держатель и, следовательно, направляющий ролик в направлении своего первоначального поворотно-смещенного положения. Таким образом, направляющий ролик будет поворачиваться вокруг вертикальной оси, а лента будет отклоняться к направляющей конструкции. Как только усилие на направляющей конструкции начнет создавать момент, уравновешивающий момент сил, создаваемый поворотным упругим элементом, силы будут снова сбалансированы и лента начнет перемещаться по прямой относительно требуемого направления движения.
В различных вариантах изобретения первоначальное поворотное смещение держателя в первую сторону за счет воздействия поворотного упругого элемента может находиться в интервале от 10 до 40 градусов. Предпочтительно, чтобы угол был около 15 градусов, однако его значение может колебаться в зависимости от того, какую степень корректировки требуется получить в устройстве для направления ленты.
В предпочтительном варианте изобретения соотношение между шириной конвейерной ленты и расстоянием между направляющим роликом и точкой контакта направляющей конструкции с боковой кромкой ленты составляет по существу 3:1. Как было установлено на практике, это отношение является наиболее благоприятным, что обеспечивает приемлемое соотношение между отклонением в результате смещения ленты из среднего положения и корректирующего перемещения ролика. Это отношение может иметь величину порядка от 2:1 до 5:1.
В одном из вариантов изобретения направляющая конструкция представляет собой ролик, установленный с возможностью вращения вокруг оси, по существу перпендикулярной направлению движения конвейерной ленты. Кроме того, длина рычага с направляющей конструкцией может быть отрегулирована таким образом, чтобы расстояние между точкой контакта направляющей конструкции с конвейерной лентой и держателем направляющего ролика соответствовало ширине конвейерной ленты. Для того чтобы сохранить соотношение между шириной конвейерной ленты и расстоянием между направляющим роликом и направляющей конструкцией, рычаг с направляющей конструкцией выполнен регулируемым в продольном направлении подобно телескопическому устройству, перемещающемуся по направляющей или иному аналогичному устройству.
Поворотный упругий элемент может быть выполнен разными способами. В различных вариантах поворотный упругий элемент может быть выполнен в виде различных типов пружин. Поворотный упругий элемент может представлять собой спиральную пружину или упругий элемент, изготовленный из материала, выбранного из группы, включающей резину, полимеры и подобные материалы.
В дальнейшем варианте изобретения направляющий ролик устройства для направления ленты может представлять собой стандартный ролик, который обычно применяется в системе конвейерной ленты вместе с держателем, соответствующим ширине, диаметру и положению ролика. При использовании устройства для направления ленты согласно настоящему изобретению такое соответствие может быть легко достигнуто, поскольку имеется лишь небольшое количество конструктивных параметров, которые необходимо учитывать в конструкции держателя направляющего ролика. Единственное условие, которому должен удовлетворять держатель, является его установка с обеспечением возможности поворота относительно основания, на котором установлен поворотный упругий элемент.
Как уже было упомянуто, устройство для направления ленты согласно настоящему изобретению может быть использовано с реверсивной конвейерной лентой, движущейся в двух противоположных направлениях по направляющему ролику, без необходимости рабочих или конструктивных изменений.
За счет первоначального поворотного смещения направляющего ролика лента будет постоянно отклоняться в одном боковом направлении. Для достижения непрерывного динамического отклонения ленты в обоих боковых направлениях момент силы при поворотном смещении направляющего ролика, создаваемый поворотным упругим элементом, должен уравновешиваться моментом, создаваемым направляющей конструкцией на боковой кромке (кромках) ленты.
Это означает, что при наличии реверсивной ленты необходимо предусмотреть две направляющие конструкции, упомянутые выше, которые должны отклонять ленту за счет создания момента, поворачивающего направляющий ролик независимо от направления движения ленты. Как уже было сказано выше, это достигается путем установки в каждом направлении направляющей конструкции, выступающей наружу на некоторое расстояние от направляющего ролика (примерно на 1/3 ширины контакта ролика с лентой).
В варианте изобретения, используемом с реверсивной лентой, как уже было сказано выше, расстояние между точками контакта направляющей конструкции с соответствующими боковыми кромками ленты должно быть отрегулировано таким образом, чтобы направляющий ролик мог поворачиваться с по существу максимальным отклонением в процессе направления ленты, не допуская столкновения с лентой направляющих конструкций, расположенных с каждой стороны ленты. Это означает, что в среднем положении ленты, когда она проходит в направлении своего движения с одной боковой кромкой, примыкающей к направляющей конструкции, на противоположной стороне ленты должно быть некоторое расстояние между лентой и второй направляющей конструкцией. Таким образом, расстояние между точками контакта каждой направляющей конструкции с боковыми кромками ленты будет превышать ширину ленты. Если затем направляющий ролик начнет поворачиваться в процессе направления ленты, то лишь одна из направляющих конструкций по существу войдет в контакт с лентой.
Краткое описание чертежей
Далее различные варианты конструктивного исполнения устройства для направления ленты согласно настоящему изобретению будут подробно описаны со ссылками на прилагаемые чертежи.
На фиг.1 представлен общий вид спереди, иллюстрирующий вариант устройства для направления ленты согласно данному изобретению, которая движется в одном направлении.
На фиг.2-4 представлен общий вид сверху различных вариантов устройства для направления ленты согласно настоящему изобретению.
На фиг.5 и 6 представлен общий вид сбоку различных вариантов рычага с направляющей конструкцией согласно настоящему изобретению.
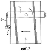
На фиг.7 и 8 представлен общий вид сверху, иллюстрирующий перемещение устройства для направления ленты согласно данному изобретению в процессе работы оборудования.
На фиг.9 и 10 представлен общий вид сверху, иллюстрирующий перемещение устройства для направления ленты, пригодное для реверсивной конвейерной ленты, согласно данному изобретению в процессе работы оборудования.
Осуществление изобретения
На фиг.1 показано устройство для направления ленты согласно настоящему изобретению, состоящее по существу из направляющего ролика 1, установленного с возможностью вращения в держателе 4 таким образом, что этот направляющий ролик 1 вращается вокруг по существу горизонтальной оси, проходящей поперек направления движения ленты (не показана), а также поперек продольного направления. Держатель 4 имеет центрально расположенную деталь 5, которая соединена с основанием 6 через поворотный упругий элемент, вращающийся вокруг вертикальной оси 3. В результате деталь 5 и, следовательно, держатель 4 и направляющий ролик 1 поворачиваются относительно основания 6 вокруг по существу вертикальной оси, перпендикулярной продольному направлению ленты.
Как видно из фиг.1, ширина держателя 4 может регулироваться при помощи детали 5, в результате чего держатель 4 можно адаптировать для направляющих роликов различной ширины. Благодаря этому можно адаптировать держатель 4 к ролику, уже имеющемуся в данной конвейерной системе, или изменить устройство для направления ленты согласно данному изобретению путем перестройки или наладки конвейерной системы.
Как видно из фиг.2, поворотный упругий элемент расположен вокруг вертикальной оси 3 и смонтирован таким образом, что он может задать направляющему ролику первоначальное угловое (поворотное) перемещение примерно на 15 градусов в первом направлении. Направляющий ролик 1 направляет верхнюю ленту (не показана) при своем угловом перемещении вокруг вертикальной оси. Таким образом, это первоначальное угловое перемещение относительно основания 6 способствует направлению ленты в ее продольном направлении и направлении движения над основанием 6.
На фиг.1 и 2 также показана направляющая конструкция, состоящая из рычага 7 с держателем 8, 9 и ролика 2, установленного на боковой стороне держателя 4, 5 и, следовательно, на направляющем ролике 1. Ролик 2 установлен таким образом по отношению к ленте, что он выступает над направляющим роликом 1, при этом одна боковая кромка ленты упирается в ролик 2. Когда лента смещается в направлении ролика 2, держатель 4, 5 поворачивается вокруг вертикальной оси 3 относительно основания 6, преодолевая момент сил, создаваемый поворотным упругим элементом, который размещен вокруг вертикальной оси 3. В данном варианте изобретения поворотный упругий элемент представляет собой спиральную пружину или аналогичную конструкцию, один конец которой надежно закреплен на детали 5 держателя 4, а другой конец прикреплен к основанию 6. Таким образом, поворотный упругий элемент будет иметь возможность “растяжения” между деталью 5 и основанием 6. Учитывая, что в “нейтральном” (свободном) положении упругий поворотный элемент задает направляющему ролику первоначальное поворотное смещение приблизительно на 15 градусов, совершенно очевидно, что поворотный упругий элемент будет “растягиваться”, как только сторона ленты толкнет направляющую конструкцию со стороны держателя 4, вызывая поворот направляющего ролика в положение, по существу поперечное продольному направлению ленты. Момент сил, воздействующий на держатель 4 и, следовательно, на направляющий ролик 1, который создается предварительным напряжением поворотного упругого элемента, и момент, создаваемый силой, с которой лента воздействует на направляющую конструкцию, расположенную с боковой стороны ленты, будут противодействовать друг другу при непрерывном изменении сил. Это имеет место даже при движении ленты в двух противоположных направлениях (реверсивная лента).
Если лента смещается в одну сторону к направляющей конструкции вследствие неравномерной загрузки, то давление на ролик 2 направляющей конструкции со стороны боковой кромки ленты будет усиливаться, в результате чего держатель 4 и направляющий ролик будут поворачиваться вокруг вертикальной оси 3. При повороте направляющего ролика 1 лента будет отводиться от направляющей конструкции. Таким образом, важно, чтобы лента двигалась в направлении, противоположном направлению, в котором направляющая конструкция направлена от держателя 4. Если же, с другой стороны, лента смещается от направляющей конструкции в противоположную сторону, усилие на направляющей конструкции начнет снижаться, в результате чего предварительно напряженный поворотный упругий элемент начнет поворачивать держатель 4 и, следовательно, направляющий ролик 1 в свое первоначальное поворотное положение. Таким образом, направляющий ролик будет поворачиваться вокруг вертикальной оси 3 и лента будет смещаться обратно к направляющей конструкции. Как только усилие на направляющей конструкции начнет создавать момент, уравновешивающий момент сил, создаваемый поворотным упругим элементом, силы будут снова сбалансированы и лента будет двигаться по прямой относительно требуемого направления движения.
В различных альтернативных вариантах изобретения поворотный упругий элемент может быть выполнен различным образом. Как показано на фиг.3 и 4, на поворотный упругий элемент воздействует толкающее усилие сбоку по отношению к вертикальной оси 3, передаваемое на деталь 5 и, следовательно, на направляющий ролик 1 через рычажное звено 10, прикрепленное к рычагу 11. Преимуществом такого конструктивного решения является то, что поворотный упругий элемент установлен таким образом, что он может быть легко заменен или подвергнут техническому осмотру без какого-либо специального демонтажа. Это является преимуществом перед спиральной пружиной, показанной на фиг.1, которая в случае возникновения необходимости ее замены потребует разборки конструкции в большей степени. Недостатком конструкции, изображенной на фиг.3 и 4, является то, что она содержит большее количество деталей.
Поворотный упругий элемент по фиг.3 и 4 может быть выполнен в виде спиральной пружины, а также может представлять собой упругий элемент, изготовленный из такого материала, как резина или аналогичный материал. Этот поворотный упругий элемент может также иметь иную конструкцию и приводиться в действие, управляться или тормозиться гидравлическим, пневматическим или механическим образом.
Предварительное напряжение поворотного упругого элемента может быть изменено посредством ослабления крепления. После такого ослабления предварительное напряжение поворотного упругого элемента изменяется, а крепление снова затягивается. Если поворотный упругий элемент представляет собой спиральную пружину или аналогичное устройство, эту регулировку можно выполнить, например, при помощи рычага или иной подобной конструкции, связанной с этой пружиной. Если поворотный упругий элемент будет выполнен из синтетического материала, резины или иного аналогичного материала, он может быть заменен новым элементом с другим сопротивлением вращению, жесткостью или подобными свойствами.
На фиг.3 также показано альтернативное выполнение элементов направляющей конструкции 7, 8′, 9, в которой ролик 2 может перемещаться в продольном направлении ленты, а также в направлении, поперечном продольному направлению ленты. Такая конструкция, в частности, может быть адаптирована для лент различной ширины и различных нагрузок. Кроме того, она обеспечивает возможность регулирования ролика 2 по отношению к боковой кромке ленты, благодаря чему силы, действующие между направляющей конструкцией и поворотным упругим элементом, правильно сбалансированы, и лента перемещается по прямой в продольном направлении. Еще более подробно это показано на фиг.5 и 6, где ролик 2 может перемещаться относительно держателя 4 и, следовательно, относительно направляющего ролика 1, в продольном направлении ленты вдоль направляющей 7, а также к боковой кромке ленты вдоль направляющей 8 или 8′ или от этой кромки. Как показано на чертеже, направляющая 8′ установлена с наклоном в направлении боковой кромки ленты.
Очень важно, чтобы при регулировании положения ролика 2 соотношение между шириной ленты и роликом направляющей конструкции предпочтительно составляло около 3:1.
На фиг.7 и 8 можно видеть, каким образом работает устройство для направления ленты согласно настоящему изобретению (как было описано выше). Лента, фиг.7, смещается влево, оказывая возрастающее усилие на ролик 2 и создавая крутящий момент относительно вертикальной оси 3, который превышает момент сил поворотного упругого элемента. В результате направляющий ролик 1 поворачивается таким образом, что лента отводится в противоположном направлении от направляющей конструкции и ролика 2, как показано на фиг.8.
Аналогично, на фиг.9 и 10 показано, каким образом устройство для направления ленты, описанное выше, может быть использовано для реверсивной ленты. В этом случае направляющая конструкция устанавливается с обеих сторон ленты, причем каждая из направляющих конструкций выступает наружу в направлении движения ленты. Первоначальное поворотное смещение направляющего ролика 1, обеспечиваемое поворотным упругим элементом, будет создавать момент сил, который направляет ленту в направлении, где (в зависимости от направления движения) давление на один из роликов 2 на направляющих конструкциях будет снято. Различные варианты направляющей конструкции и поворотного упругого элемента для ленты, перемещающейся в одном направлении, конечно, также могут применяться и для устройства для направления ленты, предназначенного для конвейерной ленты, перемещающейся в обоих направлениях.
На фиг.10 показан вариант изобретения с реверсивной лентой, в котором, как было упомянуто выше, расстояние между точками контакта направляющих конструкций с соответствующими боковыми кромками ленты выбирается таким образом, что направляющий ролик может поворачиваться с максимальным отклонением (фиг.9) в процессе направления ленты без столкновения с лентой направляющих конструкций, расположенных с каждой стороны ленты. Это означает, что в среднем положении при перемещении ленты одна боковая кромка ленты прижимается к направляющей конструкции 7, 2, а на другой стороне ленты вторая направляющая конструкция 7′, 2′ находится на расстоянии А от ленты. Таким образом, расстояние между точками направляющих конструкций, в которых имеет место контакт с боковыми кромками ленты, будет превышать ширину ленты. Как только направляющий ролик начнет поворачиваться в процессе направления ленты, в контакт с лентой войдет по существу только направляющая конструкция 7, 2. В случае, если ширина ленты впоследствии будет изменена, расстояние А должно быть отрегулировано путем переналадки устройства для направления ленты. Если в результате переналадки поворотный упругий элемент будет заменен, возможно также потребуется изменить расстояние между направляющими конструкциями, поскольку может измениться максимальное отклонение направляющего ролика.
При изменении направления движения реверсивной ленты, изображенной на фиг.10, она выйдет из соприкосновения с направляющей конструкцией 7, 2, и войдет в контакт с направляющей конструкцией 7′, 2′. Направление ленты относительно ее бокового смещения будет выполняться так же, как это было описано выше.
До тех пор, пока две направляющие конструкции 7, 2 и 7′, 2′ в случае реверсивной ленты будут создавать момент в одном и том же направлении относительно оси 3, направление ленты в противоположном направлении будет всегда осуществляться при помощи поворотного упругого элемента, который предварительно напряжен и задает направляющему ролику первоначальное поворотное смещение относительно оси 3.
Дальнейшие варианты изобретения, модификации и изменения, которые являются очевидными для специалиста, должны рассматриваться как находящиеся в том объеме изобретения, который определен в приведенной ниже формуле.
Формула изобретения
1. Устройство для направления ленты, предназначенное для центрирования конвейерной ленты, подвергающейся в процессе эксплуатации боковому смещению из среднего продольного положения и проходящей по направляющему ролику, установленному по существу поперек направления движения ленты в держателе с возможностью вращения вокруг оси, проходящей по существу поперек направления движения ленты, причем упомянутый держатель направляющего ролика смонтирован на основании с возможностью поворота вокруг оси, по существу перпендикулярной направлению движения конвейерной ленты, отличающееся тем, что между держателем направляющего ролика и основанием установлен поворотный упругий элемент, который в нейтральном положении задает держателю направляющего ролика поворотное смещение в первую сторону относительно направления движения конвейерной ленты, причем поворотный упругий элемент выполнен с возможностью натяжения при переводе держателя в среднее положение относительно направления движения конвейерной ленты, при этом держатель или направляющий ролик связан с по меньшей мере одним рычагом, установленным на расстоянии от оси поворота держателя относительно основания совместно с направляющей конструкцией, расположенной на расстоянии от держателя со стороны боковой кромки конвейерной ленты.
2. Устройство по п.1, отличающееся тем, что отношение ширины конвейерной ленты к расстоянию между направляющим роликом и направляющей конструкцией составляет по существу 3:1.
3. Устройство по п.1 или 2, отличающееся тем, что поворотное смещение держателя в первую сторону находится в интервале от 10 до 40°.
4. Устройство по одному из пп.1-3, отличающееся тем, что направляющая конструкция содержит ролик, установленный с возможностью вращения вокруг оси, по существу перпендикулярной направлению движения конвейерной ленты.
5. Устройство по одному из пп.1-4, отличающееся тем, что рычаг с направляющей конструкцией имеет регулируемую длину для обеспечения соответствия расстояния между точкой контакта направляющей конструкции с конвейерной лентой и держателем направляющего ролика и ширины конвейерной ленты.
6. Устройство по одному из пп.1-5, отличающееся тем, что поворотный упругий элемент выполнен в виде пружины.
7. Устройство по одному из пп.1-5, отличающееся тем, что поворотный упругий элемент выполнен в виде спиральной пружины.
8. Устройство по одному из пп.1-5, отличающееся тем, что поворотный упругий элемент выполнен в виде упругого элемента, изготовленного из материала, выбранного из группы, включающей резину, полимеры и подобные материалы.
9. Устройство для направления ленты, предназначенное для центрирования конвейерной ленты, подвергающейся в процессе эксплуатации боковому смещению из среднего продольного положения и проходящей по направляющему ролику, установленному по существу поперек направления движения ленты в держателе с возможностью вращения вокруг оси, проходящей по существу поперек направления движения ленты, причем упомянутый держатель направляющего ролика смонтирован на основании с возможностью поворота вокруг оси, по существу перпендикулярной направлению движения конвейерной ленты, отличающееся тем, что между держателем направляющего ролика и основанием установлен поворотный упругий элемент, который в нейтральном положении задает держателю направляющего ролика поворотное смещение в первую сторону относительно направления движения конвейерной ленты, причем поворотный упругий элемент выполнен с возможностью натяжения при переводе держателя в среднее положение относительно направления движения конвейерной ленты, при этом держатель или направляющий ролик связан с по меньшей мере одним рычагом, установленным на расстоянии от оси поворота держателя относительно основания в каждом из направлений движения конвейерной ленты совместно с направляющей конструкцией, расположенной на расстоянии от держателя, причем упомянутые направляющие конструкции установлены со стороны боковых кромок конвейерной ленты.
10. Устройство по п.9, отличающееся тем, что отношение ширины конвейерной ленты к расстоянию между направляющим роликом и направляющей конструкцией составляет по существу 3:1.
11. Устройство по п.9 или 10, отличающееся тем, что поворотное смещение держателя в первую сторону находится в интервале от 10 до 40°.
12. Устройство по одному из пп.9-11, отличающееся тем, что направляющая конструкция содержит ролик, установленный с возможностью вращения вокруг оси, по существу перпендикулярной направлению движения конвейерной ленты.
13. Устройство по одному из пп.9-12, отличающееся тем, что рычаг с направляющей конструкцией имеет регулируемую длину для обеспечения соответствия расстояния между точкой контакта направляющей конструкции с конвейерной лентой и держателем направляющего ролика и ширины конвейерной ленты.
14. Устройство по одному из пп.9-13, отличающееся тем, что поворотный упругий элемент выполнен в виде пружины.
15. Устройство по одному из пп.9-13, отличающееся тем, что поворотный упругий элемент выполнен в виде спиральной пружины.
16. Устройство по одному из пп.9-13, отличающееся тем, что поворотный упругий элемент выполнен в виде упругого элемента, изготовленного из материала, выбранного из группы, включающей резину, полимеры и подобные материалы.
РИСУНКИ
MM4A – Досрочное прекращение действия патента СССР или патента Российской Федерации на изобретение из-за неуплаты в установленный срок пошлины за поддержание патента в силе
Дата прекращения действия патента: 05.01.2010
Извещение опубликовано: 10.11.2010 БИ: 31/2010
|
|