|
|
(21), (22) Заявка: 2004131599/11, 29.10.2004
(24) Дата начала отсчета срока действия патента:
29.10.2004
(45) Опубликовано: 20.05.2006
(56) Список документов, цитированных в отчете о поиске:
SU 1614943 A1, 23.12.1990. SU 1208377 А, 30.01.1986. SU 1209962 А, 07.02.1986. SU 1346454 A1, 23.10.1987.
Адрес для переписки:
450039, г.Уфа, ул. Ферина, 2, ОАО “УМПО”, начальнику ОИС Н.П. Козиной
|
(72) Автор(ы):
Тарабрин Владимир Федорович (RU), Савасин Андрей Алексеевич (RU)
(73) Патентообладатель(и):
Открытое акционерное общество “Уфимское моторостроительное производственное объединение” (RU)
|
(54) КОРОБКА ПЕРЕДАЧ ТРАНСПОРТНОГО СРЕДСТВА
(57) Реферат:
Изобретение относится к транспортному машиностроению, а именно к коробкам передач, и может быть использовано для транспортных средств. Коробка передач содержит корпус 1, входной 2 и выходной 3 валы, планетарный механизм 4 с коронной шестерней 5, солнечной шестерней 6 и связывающими их сателлитами 7, установленными в водиле 8. На выходном валу 3 установлена двухвенцовая роторная зубчатая полумуфта 9. Коронная шестерня 5 снабжена роторной зубчатой полумуфтой 10 и статорной полумуфтой 11. Водило 8 снабжено зубчатой роторной полумуфтой 12 и статорной полумуфтой 13. На правой стенке корпуса 1 закреплены зубчатая полумуфта 14 для связи с зубчатой статорной полумуфтой 11, зубчатая полумуфта 15 для связи с зубчатой статорной полумуфтой водила 8. При сборке коробки передач соблюдается соосность полумуфт. Четырехпозиционный управляющий механизм 16 соединен с планетарным механизмом 4. Технический результат – уменьшение радиальных размеров коробки передач. 4 ил.
Изобретение относится к транспортному машиностроению, а именно к коробкам передач. Коробка передач является агрегатом трансмиссии, преобразующим крутящий момент и частоту вращения по величине и направлению, и может быть использована для транспортных средств.
Известна коробка передач транспортного средства с планетарным реверсивным механизмом, содержащая корпус, входной и выходной валы, планетарный механизм с коронной шестерней и связывающими их сателлитами, установленными в водиле, две связанные между собой с возможностью вращения и ограниченные от осевого перемещения зубчатые муфты, снабженные трехпозиционным управляющим механизмом (авторское свидетельство СССР №1346454, В 60 К 17/08, опубликовано 23.10.87 г.).
Недостатком известной коробки передач являются ее значительные радиальные габариты из-за того, что муфты расположены внутри солнечной шестерни. Такое расположение не позволяет увеличивать передаточное отношение, так как при его увеличении увеличивается диаметр коронной шестерни и, соответственно, радиальные габариты коробки передач.
Задачей изобретения является уменьшение радиальных габаритов коробки передач.
Задача решается тем, что в коробке передач транспортного средства, содержащей корпус, входной и выходной валы, управляющий механизм, планетарный механизм с коронной шестерней, солнечной шестерней и связывающими их сателлитами, установленными в водиле, планетарный механизм установлен с возможностью передвижения вдоль оси входного вала, солнечная шестерня соединена с входным валом, а коронная шестерня и водило снабжены роторными и статорными зубчатыми полумуфтами, установленными с обеих сторон планетарного механизма для связи с корпусом и выходным валом.
Возможность передвижения планетарного механизма вдоль оси входного вала и снабжение коронной шестерни и водила зубчатыми полумуфтами, установленными с обеих сторон планетарного механизма, позволяют обеспечить муфтовое соединение планетарного механизма с корпусом и выходным валом за пределами радиальных габаритов солнечной шестерни и тем самым уменьшить радиальные габариты коробки передач.
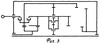
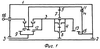
На фиг.1 изображена коробка передач при включенной низшей передаче; на фиг.2 – то же, в нейтральной позиции; на фиг.3 – то же, в сблокированной позиции планетарного механизма; на фиг.4 – то же, при включенной реверсной передаче.
Коробка передач транспортного средства содержит корпус 1, входной 2 и выходной 3 валы, планетарный механизм 4 с коронной шестерней 5, солнечной шестерней 6 и связывающими их сателлитами 7, установленными в водиле 8. На выходном валу 3 установлена двухвенцовая роторная зубчатая полумуфта 9, левая цапфа коронной шестерни 5 снабжена роторной зубчатой полумуфтой 10. Правая цапфа коронной шестерни 5 снабжена статорной полумуфтой 11. Левая цапфа водила 8 снабжена удлиненной зубчатой роторной полумуфтой 12, а его правая цапфа снабжена статорной полумуфтой 13. На правой стенке корпуса 1 закреплены зубчатая полумуфта 14 для связи с зубчатой статорной полумуфтой 11 коронной шестерни 5 и зубчатая полумуфта 15 для связи с зубчатой статорной полумуфтой водила 8. При сборке коробки передач соблюдается соосность полумуфт. Четырехпозиционный управляющий механизм 16 соединен с планетарным механизмом 4.
Предлагаемая коробка передач работает следующим образом.
При включении низшей передачи управляющего механизма 16 по фиг.1 выходной вал 3 получает вращение от входного вала 2 с заданным передаточным отношением планетарного механизма 4. При этом вводятся в зацепление статорная полумуфта 11 коронной шестерни 5 и статорная полумуфта 14 коронной шестерни 5, закрепленная на корпусе 1, а роторная полумуфта 12 водила 8 сцепляется с правым венцом роторной полумуфты 9, установленной на выходном валу 3.
При включении нейтральной позиции по фиг.2 статорные полумуфты 11 и 14 коронной шестерни 5 и статорные полумуфты 13 и 15 водила 8 выходят из зацепления, а также выходят из зацепления роторная полумуфта 10 коронной шестерни 5 и левый венец роторной полумуфты 9, установленной на выходном валу 3.
В сблокированной позиции планетарного механизма по фиг.3 роторные полумуфты 10 и 12 коронной шестерни 5 и водила 8 соединяются с венцами роторной полумуфты 9, установленной на выходном валу 3. В этом случае выходной вал 3 вращается с частотой входного вала 2, на котором установлена солнечная шестерня 6, в режиме высшей прямой передачи.
В положении реверса выходного вала 3 по фиг.4 статорная полумуфта 13 водила 8 сцепляется со статорной полумуфтой 15, закрепленной на корпусе 1, а роторная полумуфта 10 коронной шестерни 5 сцепляется с правым венцом роторной полумуфты 9, установленной на выходном валу 3. В этом случае планетарный механизм превращается в вальный редуктор, где сателлиты 7, выполняя роль паразитных колес, вращают коронную шестерню 5, а вместе с ней и выходной вал 3 в направлении, противоположном вращению входного вала 2, на котором установлена солнечная шестерня 6, осуществляя реверс механизма.
Таким образом, по сравнению с ближайшим аналогом предлагаемая коробка передач имеет меньшие радиальные габариты из-за того, что муфты расположены внутри солнечной шестерни.
Формула изобретения
Коробка передач транспортного средства, содержащая корпус, входной и выходной валы, управляющий механизм, планетарный механизм с коронной шестерней, солнечной шестерней и связывающими их сателлитами, установленными в водиле, отличающаяся тем, что планетарный механизм установлен с возможностью передвижения вдоль оси входного вала, солнечная шестерня соединена с входным валом, а коронная шестерня и водило снабжены роторными и статорными зубчатыми полумуфтами, установленными с обеих сторон планетарного механизма для связи с корпусом и выходным валом.
РИСУНКИ
|
|