|
|
(21), (22) Заявка: 2004133869/02, 19.11.2004
(24) Дата начала отсчета срока действия патента:
19.11.2004
(45) Опубликовано: 20.05.2006
(56) Список документов, цитированных в отчете о поиске:
SU 1532224 A1, 30.12.1989. SU 1074674 A1, 23.02.1984. SU 1731513 A1, 07.05.1992. SU 1539016 A1, 30.01.1990. DE 19738453 A, 18.03.1999. JP 4237565 A, 26.08.1992.
Адрес для переписки:
620027, г.Екатеринбург, ул. Азина, 39а, оф.202, ООО “Центр патентных услуг”, директору Т.Г. Прянчиковой
|
(72) Автор(ы):
Минеев Сергей Максимович (RU)
(73) Патентообладатель(и):
Минеев Сергей Максимович (RU)
|
(54) ОГРАНИЧИТЕЛЬ НАПРЯЖЕНИЯ ХОЛОСТОГО ХОДА ИСТОЧНИКА ПИТАНИЯ СВАРОЧНОЙ ДУГИ
(57) Реферат:
Изобретение относится к сварочной технике, а именно к ограничителям напряжения холостого хода источников питания сварочной дуги, и может быть использовано для плазменной резки и сварки. Ограничитель содержит устройство питания (2), пусковой элемент, устройство индикации (7), устройство коммутации (4) и времязадающую цепочку (6). Пусковой элемент включает делитель напряжения (3) с последовательно соединенными резисторами. Устройство коммутации (4) выполнено в виде транзисторного ключа. Устройство индикации (7) содержит последовательно соединенные светодиоды (44) и включено параллельно устройству коммутации (4). На устройстве питания (2) установлен стабилизатор напряжения, содержащий последовательно включенные транзистор (8) и диодный мост (9). Времязадающая цепочка (6) выполнена в виде параллельно включенных конденсатора (42) и резистора (43) и соединена со входом логического элемента (27) устройства коммутации (4) и с выходом устройства обратной связи (5), выполненным в виде датчика тока (36), соединенного с инвертирующим транзистором (38) и диодной развязкой (39, 40). Делитель напряжения (3) содержит последовательно установленные на его выходе два логических элемента (22 и 23), своим выходом соединенных с конденсатором (24) и с входом управляющего логического элемента устройства коммутации (4). Изобретение обеспечивает безопасную и качественную работу сварщиков при выполнении сварки и резки открытой или плазменной дугой постоянного тока. 1 ил.
Изобретение относится к сварочной технике, а именно к устройствам для ограничения напряжения холостого хода источников питания (выпрямители, инверторы) сварочной дуги, и может быть использовано для плазменной резки, для сварки, для вентиляции при контроле процесса вентиляции в зависимости от периодичности сварки. Изобретение направлено на обеспечение безопасной и качественной работы сварщиков при выполнении сварки и резки открытой или плазменной дугой постоянного тока.
Основные усилия при разработке данного оборудования направлены на повышение надежности устройства и упрощение его конструкции.
Известно устройство для управления сварочным выпрямителем (а.с. SU 394174 оп. 1973 г.), содержащее трансформатор, тиристоры, включенные в первичную цепь трансформатора по схеме треугольника, блок управления тиристорами, выполненный в виде трехфазного моста, соединяющего управляемые электроды тиристоров с нагрузкой, состоящей из переменного сопротивления и конденсаторов.
В известном устройстве используется тиристорный коммутатор, что увеличивает габариты устройства. Падение напряжения на тиристоре необходимо компенсировать увеличением числа обмотки трансформатора. Это ведет к повышенному расходу обмоточного провода, усложняет ремонт устройства, а также усложняет условия замены оборудования в случае отказа в работе устройства.
Известно устройство для ограничения напряжения холостого хода сварочных выпрямителей (а.с. SU 497108 оп. 1975 г.), содержащее источник питания, контактор, включенный в сварочную цепь, катушку контактора, ограничитель сопротивления, тиристор. При этом ограничительное сопротивление включено параллельно контактору и соединено последовательно с анодом тиристора, который подключен параллельно дуговому промежутку к катушке контактора, которая подключена к дополнительному источнику питания.
Из недостатков устройства можно отметить его громоздкость и неэкономичность. Последнее обусловлено тем, что резистор рассеивает большую мощность, так как включен в общую сеть.
Наиболее близким аналогом, принятым за прототип, является ограничитель напряжения холостого хода источников питания сварочной дуги (а.с. SU 1532224, оп. 1989 г.), содержащий устройство питания и пусковой элемент, включающий делитель напряжения с последовательно соединенными резисторами, устройство коммутации, устройство обратной связи, времязадающую цепочку.
Недостатком устройства является его громоздкость и недостаточное быстродействие.
Задачей, на решение которой направлено данное изобретение, является повышение надежности и быстродействия ограничителя напряжения холостого хода за счет цифровой обработки аналогового сигнала, упрощение его конструкции.
Для решения поставленной задачи ограничитель напряжения холостого хода источника питания сварочной дуги, содержащий устройство питания и пусковой элемент, включающий делитель напряжения с последовательно соединенными резисторами, устройство коммутации, устройство обратной связи, времязадающую цепочку, согласно изобретению дополнительно снабжен устройством индикации, содержащим последовательно соединенные светодиоды, включенным параллельно устройству коммутации, и стабилизатором напряжения, установленным на устройстве питания, содержащим последовательно включенные транзистор и диодный мост, при этом устройство коммутации выполнено в виде транзисторного ключа, содержащего транзистор, реле и управляющие логические элементы, времязадающая цепочка выполнена в виде параллельно включенных конденсатора и резистора и соединена со входом логического элемента устройства коммутации и с выходом устройства обратной связи, выполненным в виде датчика тока на магнитоуправляемой микросхеме, соединенного с инвертирующим транзистором и диодной развязкой, делитель напряжения снабжен последовательно установленными на его выходе двумя логическими элементами, своим выходом соединенными с конденсатором времязадающей цепи и с входом управляющего логического элемента устройства коммутации.
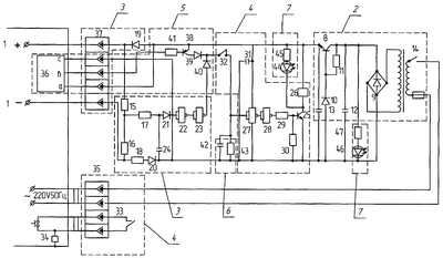
На чертеже изображена функциональная электрическая схема предлагаемого ограничителя напряжения холостого хода источника питания сварочной дуги, а конкретнее электрическая схема ограничителя напряжения холостого хода сварочного выпрямителя.
Ограничитель напряжения холостого хода источника питания 1 (сварочного выпрямителя) сварочной дуги содержит устройство питания 2 и пусковой элемент, включающий делитель напряжения 3, устройство коммутации 4, устройство обратной связи 5, времязадающую цепочку 6, устройство индикации 7.
Устройство питания 2, например трансформатор (ТР1), содержит стабилизатор напряжения, включающий последовательно соединенные транзистор 8(VT3) и диодный мост 9, параллельно соединенные стабилитрон 10 (VD7), резистор 11 (R7) и конденсаторы фильтра 12 (С4), 13(С5), выключатель 14 (SA1).
Делитель напряжения 3 содержит последовательно соединенные резисторы 15(R10), 16(R11), 17(R1),18 (R2), диоды 19(VD1), 20(VD2), 21(VD3), два последовательно установленные на выходе делителя напряжения логических элемента 22(ДД2.1), 23(ДД2.2) и включенный параллельно входу логических элементов 22 и 23 конденсатор 24 (С1).
Устройство коммутации 4 выполнено в виде транзисторного ключа, содержащего транзистор 25(VT2), электромагнитное реле 26 (P1), управляющие логические элементы 27(ДЦ2.3), 28(ДД2.4) и резисторы 29(R5), 30(R6), блокировочный конденсатор 31 (С3) параллельно питанию микросхемы, задающие режим по постоянному току транзистора 25(VT2). Устройство коммутации 4 выполнено с нормально замкнутыми контактами 32(Р1/1), отключающими делитель напряжения 3 в процессе сварки и нормально разомкнутыми контактами 33(Р1/2), которые включают магнитный пускатель 34 выпрямителя через разъем 35 (XS2).
Устройство обратной связи 5 включает датчик тока 36(ДД1), соединенный через разъем 37 (XS1) с инвертирующим транзистором 38 (VT1) и диодной развязкой 39,40(VD4), (VD5), ограничивающий резистор 41 (R3).
Датчик тока 36 выполнен на магнитоуправляемой микросхеме, которая входит в состав магнитного концентратора, который одевается на сварочный кабель, и размещен на выходном зажиме выпрямителя. Функция датчика тока – контроль наличия тока в сварочной цепи в процессе сварки.
Времязадающая цепочка 6 (R4C2) выполнена в виде параллельно включенных конденсатора 42 (С2) и резистора 43 (R4) и соединена с входом логического элемента 27(ДД2.3) устройства коммутации 4, а также с выходом устройства обратной связи 5 и выходом логического элемента 23(ДД2.2) делителя напряжения.
Времязадающая цепочка 6 (R4C2) запитывается устройством обратной связи 5 и контролирует время выдержки 0,8-1 с после прекращения цикла сварки.
Устройство индикации 7 содержит последовательно соединенные светодиод 44 (VD6) и резистор 45 (R8), светодиод 46(VD12) и резистор 47(R9). Может быть использован светодиод 44 (VD6) повышенной яркости, показывающий момент работы. Светодиод 46 (VD12) показывает состояние включения ограничителя напряжения холостого хода источника питания сварочной дуги. Устройство индикации включено параллельно устройству коммутации.
Пусковой элемент включен на выход сварочного выпрямителя и выполняет функцию включения транзистора 25 (VT2) в момент замыкания сварочного электрода на изделие. Устройство работает следующим образом
Сварочный аппарат включен в сеть питания 220 или 380V.
Затем сварщик включает устройство питания 2 ограничителя напряжения холостого хода источника питания сварочной дуги выключателем 14(SA1). Загорается светодиод 46(VD12). Через стабилизатор напряжения на транзисторе 8(VT3), через развязывающие диоды 19(VD1) и 20(VD2) делителя напряжения и резистор 18(R2) подается питание на резисторы 15(R10) и 16(R11) делителя напряжения 2. При этом на зажимах источника питания 1 сварочной дуги (сварочного выпрямителя) (+) (-) присутствует напряжение 6В. При замыкании сварочного электрода на изделие (+) на (-) напряжение через резисторы 16(R11), 17(R1), диод 21(VD3) поступает на вход логического элемента 22(ДД2.1) (логическая «1»). При этом на выходе логического элемента 22(ДД2.1) имеем логический «0». Этот логический «0», воздействуя на вход логического элемента 23(ДД2.2), дает на выходе 23(ДД2.2) логическую «1», которая через диод 40(VD5) поступает на вход логического элемента 27(ДД2.3). На выходе логического элемента 27(ДД2.3) появляется логический «0». Этот логический «0», воздействуя на вход логического элемента 28(ДД2.4), создает на выходе логического элемента 28(ДД2.4) логическую «1». Эта логическая «1» через резистор 29(R5) подается на транзисторный ключ на транзисторе 25(VT2) устройства коммутации 4. Нагрузкой транзисторного ключа служит электромагнитное реле 26(Р1), которое срабатывает, отключая элементы делителя напряжения 15(R10), 16(R11), 17(R1), 18(R2), 21(VD3), 22(ДД2.1), 23(ДД2.2). При этом контактами 33(Р1/2) реле 26(Р1) на разъеме 35(XS2) включается магнитный пускатель 34 выпрямителя и сварочное напряжение поступает на зажимы (+) (-). Идет процесс сварки. Включение и отключение реле 26(Р1) контролируется светодиодом 44(VD6), то есть светодиод 44(VD6) включается в момент зажигания сварочной дуги, горит в течение процесса сварки и отключается после прекращения сварочной дуги в течение 0.8-1 с. Выключенный светодиод 44(VD6) информирует о том, что напряжение на выходе сварочного выпрямителя равно 6В, то есть сварочное напряжение отсутствует. Через датчик тока 36(ДД1) в момент сварки протекает магнитное поле. Это магнитное поле, воздействуя на датчик тока 36(ДД1), создает на логическом выходе (b) логический «0». Транзистор 38(VT1) инвертирует логический «0» в логическую «1» и подает ее на вход логического элемента 27(ДД2.3) устройства коммутации. Параллельно входу логического элемента 27(ДД2.3) подключена времязадающая цепь 6(R4C2), которая заряжается и держит заряд после исчезновения логической «1» на входе логического элемента 27(ДД2.3) в течение 0,8-1 с. В процессе сварки транзистор 25(VT2) открыт и сварка продолжается.
При прекращении сварочной дуги на логическом выходе (b) датчика тока 36(ДД1) появляется логическая «1», которая инвертируется транзистором 38(VT1) в логический «0» и идет разряд времязадающей цепи 6(R4C2) в течение 0,8-1 с. На входе логического элемента 27(ДД2.3) появляется логический «0» и на выходе логического элемента 28(ДД2.4) тоже появляется логический «0». Транзисторный ключ 25(VT2) закрывается, реле 26(Р1) обесточивается и светодиод 44(VD6) гаснет. Устройство готово к новому циклу сварки.
Заявляемый ограничитель напряжения холостого хода источника сварочной дуги по сравнению с прототипом обладает следующими преимуществами:
1. Наличие собственного источника питания блока, упрощенная схема подключения к источнику питания, в частности сварочному выпрямителю, использование логических элементов, обладающих малыми размерами, выполнение датчика тока на магнитоуправляемой микросхеме, позволило создать автономное, легкое отдельно стоящее устройство – ограничитель напряжения холостого хода источника питания сварочной дуги, – надежное в работе, обладающее меньшими габаритами по сравнению с прототипом. При эксплуатации исключается необходимость вмешиваться в конструкцию самого выпрямителя.
Надежность достигается за счет блочного автономного исполнения устройства, кроме того, сам электронный блок можно поменять за несколько минут: достаточно разъединить два разъема 37(XS1) и 35(XS2)
2. Устройство позволяет сравнительно быстро возбудить сварочную дугу и не оказывает помех на процесс сварки за счет применения быстродействующих цифровых микросхем.
В отличие от прототипа в заявляемом устройстве применяется цифровая обработка сигнала как в датчике тока, так и в цепях управления.
Такая конструкция обеспечивает высокое быстродействие включения подачи сварочного напряжения в момент касания сварочного электрода во время, равное 0,01 с.
3. Осуществляется экономия электроэнергии (800 Вт за смену) за счет того, что в перерывах сварки (смена электрода, снятие изделия и т.д.) устройство не потребляет электроэнергию из сети питания.
Формула изобретения
Ограничитель напряжения холостого хода источника питания сварочной дуги, содержащий устройство питания и пусковой элемент, включающий делитель напряжения с последовательно соединенными резисторами, устройство коммутации, устройство обратной связи и времязадающую цепочку, отличающийся тем, что он дополнительно снабжен устройством индикации, содержащим последовательно соединенные светодиоды, включенным параллельно устройству коммутации, и стабилизатором напряжения, установленным на устройстве питания, содержащим последовательно включенные транзистор и диодный мост, устройство коммутации выполнено в виде транзисторного ключа, содержащего транзистор, реле и управляющие логические элементы, времязадающая цепочка выполнена в виде параллельно включенных конденсатора и резистора и соединена со входом логического элемента устройства коммутации и с выходом устройства обратной связи, выполненного в виде датчика тока на магнитоуправляемой микросхеме, соединенного с инвертирующим транзистором и диодной развязкой, делитель напряжения снабжен последовательно установленными на его выходе двумя логическими элементами, своим выходом соединенными с конденсатором времязадающей цепи и с входом управляющего логического элемента устройства коммутации.
РИСУНКИ
MM4A – Досрочное прекращение действия патента СССР или патента Российской Федерации на изобретение из-за неуплаты в установленный срок пошлины за поддержание патента в силе
Дата прекращения действия патента: 20.11.2006
Извещение опубликовано: 20.06.2008 БИ: 17/2008
|
|