|
|
(21), (22) Заявка: 2004135502/09, 06.12.2004
(24) Дата начала отсчета срока действия патента:
06.12.2004
(45) Опубликовано: 10.05.2006
(56) Список документов, цитированных в отчете о поиске:
ТУЗОВ Г.И. Помехозащищенность радиосистем со сложными сигналами. Москва, Радио и связь, 1985, с.126, рис.4.11. SU 698151, 15.11.1979. SU 1197136 А, 07.12.1985. SU 502476, 05.02.1976. US 4896336, 23.01.1990. US 4416016, 15.11.1983.
Адрес для переписки:
109074, Москва, Китайгородский пр-д, 9/5, Военная академия Ракетных войск стратегического назначения им. Петра Великого
|
(72) Автор(ы):
Сухов Андрей Владимирович (RU), Голубков Сергей Викторович (RU), Мацыкин Сергей Васильевич (RU)
(73) Патентообладатель(и):
Военная академия Ракетных войск стратегического назначения им. Петра Великого (RU)
|
(54) КВАЗИОПТИМАЛЬНЫЙ ПРИЕМНИК ДИСКРЕТНО-НЕПРЕРЫВНЫХ ФАЗОМАНИПУЛИРОВАННЫХ СИГНАЛОВ
(57) Реферат:
Изобретение относится к области передачи информации и может быть использовано в системах спутниковой связи, телеметрии, в системах управления по радио, в системах измерения параметров движения объектов радиолокационными методами. Достигаемый технический результат – повышение устойчивости работы приемного устройства и снижение вероятности ошибки приема дискретных символов сообщения. Результат достигается дополнением устройства-прототипа корректором коэффициента усиления (9), полосовым фильтром (1), аналого-цифровым преобразователем (2). Сочетание этих элементов позволяет снизить возмущающее влияние переходных процессов, возникающих с приходом очередного информационного символа. 3 ил.
Изобретение относится к области передачи информации посредством электромагнитных волн и может быть использовано в системах спутниковой связи, телеметрии, в системах управления по радио, в системах измерения параметров движения объектов радиолокационными методами.
Известные системы передачи информации с использованием фазоманипулированных сигналов с манипуляцией на обладают высокой помехоустойчивостью в связи с тем, что первичная модуляция основана на использовании противоположных сигналов. Главным недостатком таких систем является сбой на обратную работу, то есть возникновение ошибки на . Поэтому эти системы требуют применения дополнительных способов защиты от ошибки и повышения помехоустойчивости. К таким способам относятся, например, применение пилот-сигнала, применение относительной фазовой модуляции и другие. Однако эти методы ведут к повышению энергетики радиоканала, к общему снижению помехоустойчивости. Общими недостатками этих систем являются:
1. Низкая энергетическая эффективность, так как для обеспечения надежной синхронизации необходимо выделить для передачи синхросигналов до 40% энергии канала.
2. Низкая временная эффективность использования канала, так как до 40% интервала времени, отводимого для передачи каждой посылки информации, используется для передачи синхросигналов.
3. При использовании систем такого типа не всегда удается обеспечить требования по экологической безопасности, так как значительные энергетические затраты, которые необходимы для обеспечения надежной синхронизации системы, приводят к высокой спектральной плотности мощности в зоне обслуживания системы связи и как следствие – к нарушению требований по экологической безопасности.
Наиболее близким к предлагаемому изобретению является приемник псевдослучайных сигналов [1], включающий последовательно соединенные первый перемножитель (П), вход которого является входом приемника, второй П, третий П, фильтр низкой частоты (ФНЧ), управляемый генератор (УГ), четвертый П, ко второму входу четвертого П подсоединен вход приемника, последовательно соединенные пятый П, шестой П и прямой вход сумматора (С), к выходу четвертого П подключены последовательно соединенные седьмой П, восьмой П, выход которого подключен к инверсному входу С, последовательно соединенные управляемый тактовый генератор (УТГ), регистр сдвига (PC), первый и третий выходы которого соединены с пятым П и седьмым П соответственно, второй выход PC последовательно соединен с первым П, девятым П, интегратором (И), функциональным элементом гиперболического тангенса (ГТ) и пятым П, выход ГТ подключен ко второму входу шестого П и ко второму входу восьмого П, ко второму входу девятого П подключен выход УГ, выход И подключен к пороговому устройству (ПУ), выход которого является выходом приемника. Основным недостатком приемника является низкая устойчивость к перескоку фазы на в средней части длительности дискретного символа сигнала, вызванная переходными процессами.
Целью настоящего изобретения является создание приемника дискретно-непрерывных фазоманипулированных сигналов с повышенной устойчивостью работы к перескоку фазы на и снижение вероятности ошибки приема дискретного параметра сигнала за счет введения корректора коэффициента усиления, обеспечивающего выравнивание значений среднеквадратических отклонений (СКО) непрерывных параметров сигнала, определяющих коэффициент усиления приемника. Указанная цель достигается тем, что в известном приемнике псевдослучайных сигналов, включающем последовательно соединенные первый П, вход которого является входом приемника, второй П, третий П, ФНЧ, УГ, четвертый П, ко второму входу четвертого П подсоединен вход приемника, последовательно соединенные пятый П, шестой П и прямой вход С, к выходу четвертого П подключены последовательно соединенные седьмой П, восьмой П, выход которого подключен к инверсному входу С, последовательно соединенные УТГ, PC, первый и третий выходы которого соединены с пятым П и седьмым П соответственно, второй выход PC последовательно соединен с первым П, девятым П, И, ГТ и пятым П, выход ГТ подключен ко второму входу шестого П и ко второму входу восьмого П, ко второму входу девятого П подключен выход УГ, выход И подключен к ПУ, выход которого является выходом приемника, разорвана связь между ГТ и третьим П, введен новый элемент корректор коэффициента усиления (ККУ), вход которого подключен к ГТ, а выход подключен ко вторым входам третьего П, шестого П и восьмого П, разорваны связи между первым входом первого П и входом, между вторым входом четвертого П и входом, введены новые последовательно соединенные элементы полосовой фильтр (ПФ), аналого-цифровой преобразователь (АЦП), вход ПФ подключен ко входу приемника, выход АЦП подключен к первому входу первого П и ко второму входу четвертого П.
Отличительными признаками предлагаемого устройства являются введенные в схему приемника дополнительные элементы, а именно: ККУ, ПФ, АЦП и соответствующие связи между ними, благодаря чему удается обеспечить повышение устойчивости работы приемника к перескоку фазы на , общее повышение помехоустойчивости и снижения вероятности ошибки приема дискретного символа сигнала за счет выравнивания коэффициента усиления, обусловленного СКО непрерывных параметров сигнала путем сглаживания их пульсаций, обусловленных переходными процессами в моменты прихода очередного дискретного символа сигнала.
Поскольку совокупность введенных элементов и их связей до даты подачи заявки в патентной и научной литературе не обнаружена, то предлагаемое техническое решение соответствует “изобретательскому уровню”.
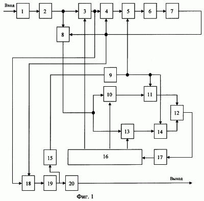
Структурная схема устройства представлена на фигуре 1. Цифрами на фигуре 1 обозначены:
1 – полосовой фильтр (ПФ);
2 – аналого-цифровой преобразователь (АЦП);
3, 4, 5, 8, 10, 11, 13, 14, 18 – перемножители (П);
6 – фильтр низкой частоты (ФНЧ);
7 – управляемый генератор (УГ);
9 – корректор коэффициента усиления (ККУ);
12 – сумматор (С);
15 – функциональный элемент гиперболического тангенса (ГТ);
16 – регистр сдвига (PC);
17 – управляемый тактовый генератор (УТГ);
19 – интегратор (И);
20 – пороговое устройство (ПУ).
Порядок работы приемника рассмотрим по структурной схеме, которая изображена на фигуре 1, и при условии, что приемник находится в состоянии захвата принимаемого сигнала. Захват осуществлен устройством первоначальной синхронизации, которое в заявляемом устройстве не рассматривается.
Пусть на вход приемника в момент времени tК поступает сигнал вида
s(t,x(t),y(t))=A(t)g[t- (t)]cos[ 0t+ (t)+ y(t)],
где xt(t)=( (t), (t), (t), v(t)) – вектор непрерывных оцениваемых параметров сигнала; y(t) – дискретный оцениваемый параметр; – угол манипуляции; A(t) – амплитуда сигнала; (t) – случайная составляющая фазы сигнала; g(t) – псевдослучайная последовательность (ПСП) длиной L и длительностью элементарного символа и; 0 – несущая частота сигнала; (t) – случайная составляющая задержки сигнала; (t) – скорость изменения (t); v(t) – скорость изменения (t).
Этот сигнал после аналого-цифрового преобразования перемножается с опорным кодом псевдослучайной последовательности (ПСП), поступающим с выхода схемы слежения за задержкой (ССЗ) и с гармонической составляющей сигнала, поступающей с выходов схемы фазовой автоподстройки частоты. Схема ФАПЧ представлена элементами вторым и третьим П, ФНЧ и УГ. ССЗ представлена пятым, шестым, седьмым, восьмым П, С, УТГ и PC.
Схема ФАПЧ в соответствии с [2, 3] осуществляет фильтрацию фазы и частоты, а ССЗ осуществляет фильтрацию задержки и скорости изменения задержки ПСП.
Полагается, что вектор x(t) и дискретный параметр y(t) независимы. Оценка значения дискретного параметра осуществляется девятым П, И, ПУ. С выхода И через ГТ сигнал поступает на ФАПЧ и ССЗ. На основании [1, 4, 5] могут быть получены следующие оценки информационного параметра при независимости его значений для различных отсчетов n:

где Fi(k, *)=1/2{z(k)-s[x*(k|k-1), yn=i, k]}2,

int(·) – операция взятия целой части числа,
z(k)=z(tk), tk=t0+k t, t – шаг дискретизации.
Выражение для оценки информационного параметра примет вид

В отличие от алгоритма фильтрации только непрерывных параметров x(t) при отсутствии дискретного параметра y(t) в приводимом случае появляется обратная связь от оценок дискретного параметра на оценки непрерывного параметра, которая реализуется посредством гиперболического тангенса th R(k|k-1), где

А на оценку дискретного параметра, в свою очередь, окажут влияние получаемые текущие значения оценки вектора непрерывных параметров.
Экспериментальные исследования показали, что в моменты времени прихода очередного дискретного символа сигнала Y(t) происходят пульсации значений среднеквадратических отклонений (СКО), обусловленных влиянием переходных процессов в схеме оценки дискретного параметра [4, 5]. Это хорошо заметно на графике 1 СКО фазы сигнала на фигуре 3. Такие пульсации могут привести к перескоку фазы в приемнике на в средней части интервала времени приема дискретного параметра. Пример такого перескока фазы показан на фазовом портрете на фигуре 2.
Статистические исследования показали, что рост СКО в средней части интервала приема дискретного символа может быть подавлен введением специального множителя, зависящего от текущего временного положения на интервале длительности дискретного символа. Была применена корректирующая функция

где k’ – номер дискретного отсчета от начала приема очередного дискретного символа, q – множитель, зависящий от отношения сигнал-шум, q [0,2; 0,9].
Значение этой функции является передаточным множителем ККУ, определяющим коэффициент усиления и, соответственно, СКО непрерывных параметров в блоках фильтрации – ФАПЧ и ССЗ.
В результате применения корректора коэффициента усиления в соответствии с приведенным выражением удалось значительно снизить выбросы значений СКО непрерывных параметров и понизить вероятность ошибки приема дискретного символа.
В соответствии с полученным экспериментальным материалом уровень выбросов СКО снизился на 30%. Вероятность ошибки приема дискретного символа сильно зависит от отношения сигнал-шум. При этом аргумент функции ошибок, определяющий вероятность ошибки, увеличился в 1,15 раза, что эквивалентно повышению отношения сигнал-шум на 15%.
Техническая реализация квазиоптимального приемника дискретно-непрерывных фазоманипулированных сигналов с корректором коэффициента усиления может быть выполнена на микросхеме ПЛИС Altera IPM 7192SQC160-5 [6].
Источники информации
1. Помехозащищенность радиосистем со сложными сигналами. / Г.И. Тузов, В.А. Сивов, В.И. Прытков и др.; Пор ред. Г.И. Тузова. – М.: Радио и связь, 1985. – 264 с. (рис.4.11, с.125).
2. Тихонов В.И. Оптимальный прием сигналов. М.: Радио и связь, 1983, 320 с.
3. Тихонов В.И. Статистическая радиотехника. М.: Сов. радио, 1966, 678 с.
5. Сухов А.В. Методы и технологии выработки управленческих решений. М.: ВА РВСН им. Петра Великого, 2003, 283 с.
6. Стешенко В.Б. ПЛИС фирмы Альтера.: Элементная база, система проектирования и языки описания алгоритмов. М.: Додэка, 2002 (с.46, п.1.3).
Формула изобретения
Квазиоптимальный приемник дискретно-непрерывных фазоманипулированных сигналов многоканальной системы связи с кодовым разделением каналов, в состав которого входят последовательно соединенные первый перемножитель, второй перемножитель, третий перемножитель, фильтр низкой частоты, управляемый генератор, четвертый перемножитель, причем второй перемножитель, третий перемножитель, фильтр низкой частоты и управляемый генератор образуют схему фазовой автоподстройки частоты, к выходу четвертого перемножителя подключены последовательно соединенные седьмой и восьмой перемножители, причем выход восьмого перемножителя подключен к инверсному входу сумматора, к выходу четвертого перемножителя подключены последовательно соединенные пятый и шестой перемножители, прямой вход сумматора, управляемый тактовый генератор, регистр сдвига, первый и третий выходы которого соединены с пятым перемножителем и седьмым перемножителем соответственно, второй выход регистра сдвига последовательно соединен с первым перемножителем, девятым перемножителем, интегратором, функциональным элементом гиперболического тангенса, ко второму входу девятого перемножителя подключен выход управляемого генератора, выход интегратора подключен к пороговому устройству, выход которого является выходом квазиоптимального приемника, отличающийся тем, что в него введены корректор коэффициента усиления, вход которого подключен к функциональному элементу гиперболического тангенса, а выход подключен ко второму входу третьего перемножителя, ко второму входу шестого перемножителя и ко второму входу восьмого перемножителя, последовательно соединенные полосовой фильтр, вход которого подключен к входу квазиоптимального приемника, аналого-цифровой преобразователь, выход которого подключен к первому входу первого перемножителя и второму входу четвертого перемножителя.
РИСУНКИ
|
|