|
|
(21), (22) Заявка: 2004124963/09, 16.08.2004
(24) Дата начала отсчета срока действия патента:
16.08.2004
(45) Опубликовано: 10.05.2006
(56) Список документов, цитированных в отчете о поиске:
RU 2150783 C1, 10.06.2000. RU 2125341 C1, 20.01.1999. GB 1357025 A, 11.06.1974.
Адрес для переписки:
300001, г.Тула, Щегловская засека, ГУП “КБ приборостроения”
|
(72) Автор(ы):
Бутенко Алексей Иванович (RU), Погорельский Семен Львович (RU), Коечкин Николай Николаевич (RU), Долгов Вячеслав Васильевич (RU)
(73) Патентообладатель(и):
Государственное унитарное предприятие “Конструкторское бюро приборостроения” (RU)
|
(54) ГЕНЕРАТОР ПРЯМОУГОЛЬНЫХ ИМПУЛЬСОВ
(57) Реферат:
Изобретение относится к импульсной технике и может быть использовано в системах автоматического управления и контрольно-измерительных устройствах. Задачей предлагаемого изобретения является расширение функциональных возможностей генератора за счет возможности сдвига выходных импульсов на пол периода генератора опорной частоты. Поставленная цель достигается тем, что в генератор прямоугольных импульсов, содержащий генератор опорной частоты, выход которого соединен с первым входом элемента И, второй вход которого подключен к прямому выходу первого триггера, а выход соединен со счетным входом счетчика импульсов, информационные входы которого подключены к выходам программного блока, вход начальной установки которого соединен с входом сброса второго триггера и с инверсным выходом первого триггера, тактовый вход которого соединен с управляющей шиной и первым входом первого элемента ИЛИ, выход которого подключен к управляющему входу программного блока и входу записи счетчика импульсов, второй вход первого элемента ИЛИ соединен с выходной шиной, а тактовый вход третьего триггера соединен с выходом элемента И, введены четвертый триггер, второй элемент ИЛИ, первый и второй элементы НЕ, причем входы сброса третьего и четвертого триггеров подключены соответственно к прямому и инверсному выходам второго триггера, а тактовый вход третьего триггера соединен со входом первого элемента НЕ, выход которого подключен к тактовому входу четвертого триггера, информационные входы третьего и четвертого триггеров соединены с выходом переноса счетчика импульсов, а выходы этих триггеров соединены соответственно с первым и вторым входами второго элемента ИЛИ, выход которого соединен с входом второго элемента НЕ и выходной шиной, а выход второго элемента НЕ соединен с тактовым входом второго триггера. 1 ил.
Изобретение относится к импульсной технике и может быть использовано в системах автоматического управления и контрольно-измерительных устройствах.
Известен генератор прямоугольных импульсов, принятый в качестве прототипа, патент РФ №2150783, МПК7 Н 03 К 3/72, от 10.06.2000 г., содержащий генератор опорной частоты, выход которого соединен с первым входом элемента И, второй вход которого подключен к прямому выходу первого триггера, а выход соединен со счетным входом счетчика импульсов, информационные входы которого подключены к выходам программного блока, вход начальной установки которого соединен с входом сброса второго триггера и подключен к инверсному выходу первого триггера, тактовый вход которого соединен с управляющей шиной и первым входом элемента ИЛИ, выход которого подключен к управляющему входу программного блока и входу записи счетчика импульсов, выход которого соединен с входом установки второго триггера, выход которого подключен к первой выходной шине, третий триггер, выход которого подключен к второй выходной шине, тактовый вход соединен с вторым входом элемента ИЛИ и выходом второго триггера, а вход сброса соединен со входом сброса второго триггера, тактовый вход которого соединен с выходом элемента И, а вход данных подключен к логическому нулю.
Часто в системах управления необходимо формировать последовательность посылок импульсов, каждая из которых состоит из двух импульсов, причем интервал времени между импульсами в паре определяет канал управления, а интервал времени между парами импульсов определяет величину команды управления, патент РФ №2100745, МПК7 F 41 G 7/26, от 02.07.1996 г., и при этом необходимо чтобы точность формирования временного интервала в паре, определяющего канал управления, была выше, чем точность формирования самой величины команды (влияет на помехозащищенность системы управления).
Поэтому существенным недостатком данного генератора прямоугольных импульсов является то, что, например, при необходимости изменения одного из интервалов на пол периода тактового генератора требуется увеличение разрядности счетчика импульсов и, как следствие этого, необходимо увеличение разрядности программного блока. И т.о. при реализации программного блока на основе 8-битового микропроцессора это потребует работы процессора с двойным словом, что ужесточает требования к быстродействию микропроцессора и существенно усложняет как программу функционирования микропроцессора, так и саму схему генератора прямоугольных импульсов. А в случае реализации программного блока на основе ПЗУ, из-за того, что они также строятся по структуре 8-битных слов, это требует двойного объема памяти и усложняет схему управления ею.
Задачей предлагаемого изобретения является расширение функциональных возможностей генератора за счет возможности сдвига выходных импульсов на пол периода генератора опорной частоты.
Поставленная цель достигается тем, что в генератор прямоугольных импульсов, содержащий генератор опорной частоты, выход которого соединен с первым входом элемента И, второй вход которого подключен к прямому выходу первого триггера, а выход соединен со счетным входом счетчика импульсов, информационные входы которого подключены к выходам программного блока, вход начальной установки которого соединен с входом сброса второго триггера и с инверсным выходом первого триггера, тактовый вход которого соединен с управляющей шиной и первым входом первого элемента ИЛИ, выход которого подключен к управляющему входу программного блока и входу записи счетчика импульсов, второй вход первого элемента ИЛИ соединен с выходной шиной, а тактовый вход третьего триггера соединен с выходом элемента И, введены четвертый триггер, второй элемент ИЛИ, первый и второй элементы НЕ, причем входы сброса третьего и четвертого триггеров подключены соответственно к прямому и инверсному выходам второго триггера, а тактовый вход третьего триггера соединен со входом первого элемента НЕ, выход которого подключен к тактовому входу четвертого триггера, информационные входы третьего и четвертого триггеров соединены с выходом переноса счетчика импульсов, а выходы этих триггеров соединены соответственно с первым и вторым входами второго элемента ИЛИ, выход которого соединен с входом второго элемента НЕ и выходной шиной, а выход второго элемента НЕ соединен с тактовым входом второго триггера.
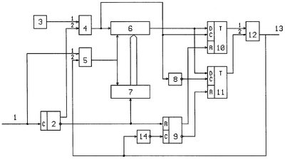
На чертеже приведена структурная схема генератора прямоугольных импульсов, где 1 – входная шина, 2 – первый триггер, 3 – генератор опорной частоты, 4 – элемент И, 5 – первый элемент ИЛИ, 6 – счетчик импульсов, 7 – программное устройство, 8 – первый элемент НЕ, 9, 10, 11 – второй, третий и четвертый триггеры, 12 – второй элемент ИЛИ, 13 – выходная шина, 14 – второй элемент НЕ.
Работает генератор следующим образом.
В исходном состоянии на прямом выходе первого триггера 2 присутствует уровень «лог.0», который, поступая на первый вход элемента И 4, запрещает прохождение импульсов с выхода генератора опорной частоты 3 на выход элемента И 4. Одновременно на инверсном выходе первого триггера 2 присутствует уровень «лог.1», который устанавливает программный блок 7 и второй триггер 9 в начальное состояние. Программный блок выдает при этом на информационные входы счетчика импульсов 6 код первого временного интервала. В этом состоянии устройство находится до прихода по управляющей шине запускающего импульса.
Передний фронт запускающего импульса, пройдя через первый элемент ИЛИ 5, осуществляет запись в счетчик импульсов 6 параллельного кода первого временного интервала, который уже установлен на информационных входах этого счетчика, а задний фронт запускающего импульса с выхода первого элемента ИЛИ 5 поступает на управляющий вход программного блока 7, который по этому фронту выдает на выходы параллельный код следующего, второго, временного интервала. По переднему фронту запускающего импульса также происходит установка первого триггера 2 и на его прямом выходе появляется уровень «лог.1», разрешающий прохождение на выход элемента И 4 тактовых импульсов с генератора опорной частоты 3.
Импульсы с выхода логического элемента И 4 поступают на счетный вход счетчика импульсов 6. По заполнении этого счетчика на его выходе появляется импульс переноса, который поступает на информационные входы третьего 10 и четвертого 11 триггеров. При этом с прямого выхода второго триггера 9 на входе установки третьего триггера присутствует сигнал «лог.0», который запрещает работу этого триггера, а сигнал «лог.1», с инверсного выхода второго триггера, поступающий на вход установки четвертого триггера 11, разрешает его работу.
Сигнал генератора опорной частоты с выхода элемента И 4, пройдя через элемент НЕ 8, поступает на тактовый вход четвертого триггера 11, и по заднему фронту этого сигнала (переднему фронту с элемента НЕ) сигнал переноса с выхода счетчика импульсов 6 переписывается на выход четвертого триггера 11. Сигнал с выхода четвертого триггера 11 поступает на второй вход второго элемента ИЛИ 12, а с его выхода – на выходную шину устройства 13, на тактовый вход второго триггера 9 и на второй вход первого элемента ИЛИ 5. Передний фронт сигнала с выхода первого элемента ИЛИ осуществляет запись в счетчик импульсов 6 параллельного кода второго временного интервала, который уже установлен на информационных входах счетчика импульсов, при этом сигнал переноса с выхода счетчика импульсов 6 снимается. И по следующему заднему фронту сигнала с выхода генератора опорной частоты этот сигнал перепишется на выход четвертого триггера 11, и, таким образом, на выходной шине формируется задний фронт выходного сигнала. Задний фронт этого импульса поступает на управляющий вход программного блока 7, который по этому фронту выдает на выходы параллельный код следующего, третьего, временного интервала. Кроме того, по этому сигналу (задний фронт) происходит изменение состояния второго триггера 9, и на его прямом выходе появляется уровень «лог.1», а на инверсном выходе – уровень «лог.0».
Импульсы с выхода логического элемента И 4 поступают на счетный вход счетчика импульсов 6. По заполнении этого счетчика на его выходе появляется импульс переноса, который поступает на информационные входы третьего 10 и четвертого 11 триггеров. При этом с прямого выхода второго триггера 9 на входе установки третьего триггера присутствует сигнал «лог.1», который разрешает работу этого триггера, а сигнал «лог.0», с инверсного выхода второго триггера 9, поступающий на вход установки четвертого триггера 11, запрещает его работу.
Сигнал генератора опорной частоты с выхода элемента И 4 поступает на тактовый вход третьего триггера 10, и по переднему фронту этого сигнала сигнал переноса с выхода счетчика импульсов 6 переписывается на выход третьего триггера 10. Сигнал с выхода третьего триггера 10 поступает на первый вход второго элемента ИЛИ 12, а с его выхода – на выходную шину устройства 13, на тактовый вход второго триггера 9 и на второй вход первого элемента ИЛИ 5. Передний фронт сигнала с выхода первого элемента ИЛИ осуществляет запись в счетчик импульсов 6 параллельного кода второго временного интервала, который уже установлен на информационных входах счетчика импульсов, при этом сигнал переноса с выхода счетчика импульсов 6 снимается. И по следующему заднему фронту сигнала с выхода генератора опорной частоты этот сигнал перепишется на выход четвертого триггера 11, и, таким образом, на выходной шине формируется задний фронт выходного сигнала. Задний фронт этого импульса поступает на управляющий вход программного блока 7, который по этому фронту выдает на выходы параллельный код следующего, третьего, временного интервала. Кроме того, по этому сигналу (задний фронт) происходит изменение состояния второго триггера 9, и на его прямом выходе появляется уровень «лог. 0», а на инверсном выходе – уровень «лог.1». И т.д.
Следовательно, временной интервал между соседними импульсами (импульсы в паре) будет определяться выражением
T=NiTo.г.-To.г./2 – для четных значениях i;
а временной интервал между парами импульсов
T=(Ni+Ni+1)To.г,
где То.г. – период генератора опорной частоты, Ni – дополнительный код временного интервала на выходе программного блока 7 для i-го временного интервала.
Т.о., за счет формирования выходного импульса поочередно по переднему и по заднему фронтам генератора опорной частоты удалось расширить функциональные возможности генератора при неизменном объеме программного устройства.
Формула изобретения
Генератор прямоугольных импульсов, содержащий генератор опорной частоты, выход которого соединен с первым входом элемента И, второй вход которого подключен к прямому выходу первого триггера, а выход соединен со счетным входом счетчика импульсов, информационные входы которого подключены к выходам программного блока, вход начальной установки которого соединен с входом сброса второго триггера и с инверсным выходом первого триггера, тактовый вход которого соединен с управляющей шиной и первым входом первого элемента ИЛИ, выход которого подключен к управляющему входу программного блока и входу записи счетчика импульсов, второй вход первого элемента ИЛИ соединен с выходной шиной, а тактовый вход третьего триггера соединен с выходом элемента И, отличающийся тем, что в него введены четвертый триггер, второй элемент ИЛИ, первый и второй элементы НЕ, причем входы сброса третьего и четвертого триггеров подключены соответственно к прямому и инверсному выходам второго триггера, а тактовый вход третьего триггера соединен со входом первого элемента НЕ, выход которого подключен к тактовому входу четвертого триггера, информационные входы третьего и четвертого триггеров соединены с выходом переноса счетчика импульсов, а выходы этих триггеров соединены соответственно с первым и вторым входами второго элемента ИЛИ, выход которого соединен с входом второго элемента НЕ и выходной шиной, а выход второго элемента НЕ соединен с тактовым входом второго триггера.
РИСУНКИ
|
|