|
|
(21), (22) Заявка: 2005103075/09, 07.02.2005
(24) Дата начала отсчета срока действия патента:
07.02.2005
(45) Опубликовано: 10.05.2006
(56) Список документов, цитированных в отчете о поиске:
TSYTOVICH L.T., MAURER V.G., GAPHIAUTULLIN R.H. Multizoned integrating control system of group of asynchroous electric drives of water pumps. В: Proceedings of the 2-nd International Symposium on Energy, Environment & Economics EEE-2, Kazan, Russia, 7-10, September 1998, p.99-102. RU 2014723 C1, 15.06.1994. SU 762115 A, 07.09.1980. SU 1319212
Адрес для переписки:
454080, г.Челябинск, пр. им. В.И. Ленина, 76, ЮУрГУ, технический отдел
|
(72) Автор(ы):
Цытович Леонид Игнатьевич (RU), Терещина Олеся Геннадьевна (RU)
(73) Патентообладатель(и):
Государственное образовательное учреждение высшего профессионального образования “Южно-Уральский государственный университет” (RU)
|
(54) СИСТЕМА УПРАВЛЕНИЯ ГРУППОЙ ЭЛЕКТРОПРИВОДОВ
(57) Реферат:
Изобретение относится к области автоматизированного электропривода и может быть использовано для управления группой параллельно работающих асинхронных электроприводов водяных насосов. Техническим результатом является повышение точности. Система управления содержит многозонный частотно-широтно-импульсный развертывающий преобразователь на основе сумматоров интегратора и релейных элементов, регистр памяти, цифровой компаратор, одновибратор и группу параллельно работающих исполнительных механизмов (насосов), управляемых от асинхронных электродвигателей с регуляторами напряжения. 3 ил.
(56) (продолжение):
CLASS=”b560m”A1, 23.06.1987. SU 1674339 A1, 30.08.1991. GB 2125189 A, 29.02.1984. US 5747950 A, 05.05.1998. DE 3021879 A1, 25.02.1982. EP 1118917 A1, 25.07.2001.
Система относится к области автоматизированного электропривода и может использоваться для управления группой параллельно работающих асинхронных электроприводов водяных насосов.
Известна система для управления электроприводом (А.с. 898940 СССР, Н 02 Р 5/10. Электропривод / Суворов Г.В., Цытович Л.И., Серебряков А.Н., Осипов О.И. (СССР). – N 3003649/07; Заявлено 10.09.80; Опубл. 25.02.82., Бюл. N3.), содержащая однозонный автоколебательный развертывающий преобразователь, исполнительный электродвигатель, датчик обратной связи, источник сигнала задания.
Недостатком известного технического решения являются его ограниченные функциональные возможности ввиду того, что система может быть использована только для управления одним электроприводом, а не группой параллельно работающих электроприводов.
Известен многозонный развертывающий преобразователь (МРП) (А.с. 1183988 СССР, G 06 G 7/12. Развертывающий усилитель / Цытович Л.И. (СССР). – №3734334/24; Заявлено 27.04.84; Опубл. 07.10.85, Бюл. №37.), содержащий сумматоры, интегратор, группу из нечетного числа релейных элементов, контур обратной связи.
Данная система может быть использована для управления группой из четного числа электроприводов, управляющие входы которых подключаются к выходам соответствующих релейных элементов, общее число которых является нечетным.
Недостатком системы является невозможность ее применения для управления нечетным числом электроприводов, так как при этом МРП должен содержать четное число релейных элементов, что при переходе МРП из одной модуляционной зоны в другую вызывает дополнительные срабатывания релейных элементов и кратковременный (ложный) запуск электродвигателей, которые должны находиться в выключенном состоянии.
Наиболее близким к предлагаемому техническому решению является многозонная система управления электроприводами (Tsytovich L.I., Maurer V.G., Gaphiautullin R.H. MULTIZONED INTEGRTING CONTROL SYSTEM of GROUP of ASYNCHROOUS ELECTRIC DRIVES of WATER PUMPS. Proceedings of the 2-nd International Symposium on Energy, Environment & Economics EEE-2, Kazan, Russia, 7-10 September 1998, pp.99-102), содержащая МРП на основе сумматоров, интегратора, группы из нечетного числа релейных элементов, контур обратной связи, регуляторы напряжения для плавного пуска четного числа асинхронных электродвигателей и водяные насосы.
Недостатком известного технического решения являются ложные включения электроприводов при переходе МРП из одной модуляционной зоны в другую в случае управления группой из нечетного числа исполнительных механизмов, когда МРП должен содержать четное число релейных элементов. Таким образом, известная система управления характеризуется повышенной ошибкой регулирования при управлении группой из нечетного числа асинхронных электродвигателей.
В основу изобретения положена техническая задача, заключающаяся в повышении точности работы системы управления группой параллельно работающих асинхронных электроприводов.
Предлагаемая система управления группой электроприводов содержит последовательно включенные источник сигнала задания, первый сумматор, интегратор, выход которого подключен к входам группы из четного числа “k 4″ релейных элементов, выходы которых соединены с входами второго сумматора, выход которого подключен ко второму входу первого сумматора, а также содержит “k-1” групп последовательно включенных тиристорного регулятора напряжения, асинхронного электродвигателя и водяного насоса, выходы которых подключены к общей отводящей водяной магистрали и отличается от известной системы тем, что в нее введены “k-1”-разрядный регистр памяти, цифровой компаратор с “2(k-1)”-входами и одновибратор, причем информационные входы данных регистра памяти подключены к выходам соответствующих “k-1”-релейных элементов и к первым “k-1”-входам цифрового компаратора, выходы регистра памяти соединены с управляющими входами соответствующих тиристорных регуляторов напряжения и со вторыми “k-1”-входами цифрового компаратора, выход цифрового компаратора подключен к входу одновибратора, выход которого соединен с входом записи данных регистра памяти (С-вход).
Особенностью предлагаемой системы является ее повышенная точность работы при управлении нечетной группой параллельно работающих асинхронных электроприводов.
Поставленная техническая задача достигается за счет блокирования входов управления тиристорными регуляторами напряжения на время переходного процесса в многозонном развертывающем преобразователе при его переходе из одной модуляционной зоны в другую. При этом на время переходного процесса в регистре памяти сохраняется кодовое состояние предыдущей модуляционной зоны. Изменение состояний группы электроприводов осуществляется только после входа МРП в режим устойчивых колебаний, когда кодовое состояние группы “k-1”-релейных элементов соответствует установившемуся режиму требуемой модуляционной зоны.
При исследовании предлагаемой системы по патентной и научно-технической литературе не выявлены технические решения, содержащие признаки, эквивалентные признакам заявляемой системы и, следовательно, данное техническое решение соответствует критерию “новизна”.
Изобретение поясняется чертежами:
Фиг.1 – структурная схема предлагаемой системы;
Фиг.2 – временные диаграммы работы предлагаемой системы;
Фиг.3 – функциональная схема примера технической реализации тиристорного регулятора напряжения для плавного пуска асинхронного электродвигателя.
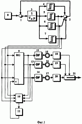
В состав системы входят (фиг.1) сумматоры 1 и 2, интегратор 3, выход которого подключен к входам релейных элементов 4, 5, 6, 7, выходы которых соединены с входами сумматора 2, выход которого подключен ко второму входу сумматора 1. С источника сигнала задания 8 сигнал поступает на вход сумматора 1. Также система содержит “k-1”-разрядный регистр памяти 9, цифровой компаратор 10 с “2(k-1)”-входами и одновибратор 11, причем информационные входы данных регистра памяти 9 подключены к выходам соответствующих “k-1” – релейных элементов 5, 6, 7 и к первым “k-1”-входам цифрового компаратора 10, выходы регистра памяти 9 соединены с управляющими входами соответствующих тиристорных регуляторов напряжения 12, 13, 14, и со вторыми “k-1”-входами цифрового компаратора 10, выход цифрового компаратора 10 подключен к входу одновибратора 11, выход которого соединен с входом записи данных регистра памяти 9 (С-вход). С тиристорных регуляторов напряжения 12, 13, 14 выходной сигнал подается на соответствующий асинхронный электродвигатель 15, 16, 17, а затем поступает на водяной насос 18, 19, 20 соответственно, выходы которых подключены к общей отводящей водяной магистрали 21.
На фиг.2 введены следующие обозначения:
±b1, ±b2, ±b3, ±b4 – пороги переключения релейных элементов 4, 5, 6, 7 соответственно;
YИ(t) – выходной сигнал интегратора 3;
YР1(t), YР2(t), УР3(t), YР4(t) – выходной сигнал релейного элемента 4, 5, 6, 7 соответственно;
YВЫХ (t) – выходной сигнал сумматора 2;
XВХ – сигнал на выходе источника 8;
t01 – момент времени завершения ориентации релейных звеньев 4, 5, 6, 7 при включении МРП и увеличения уровня сигнала ХВХ;
t02, t03 – моменты времени дискретного изменения сигнала XВХ;
t2, t3, t4 – моменты времени переключения релейных элементов МРП;
±А – максимальная амплитуда сигнала на выходе сумматора 2;
Т0 – длительность импульса на выходе одновибратора 11;
 – время записи данных в регистр памяти 9.
Элементы предлагаемой системы имеют следующие характеристики:
Сумматоры 1, 2 выполнены с коэффициентом передачи по каждому из входов, равным 1, 0.
Интегратор 3 реализован с передаточной функцией вида W(p)=1/TИр, где ТИ – постоянная времени.
Релейные элементы 4-7 имеют симметричную петлю гистерезиса и пороги переключения, удовлетворяющие условию |±b1|<|±b2|<|±b3|<|±b4|, где ±b1 – пороги переключения релейного элемента 4, a±b4 – пороги переключения релейного элемента 7. Выходной сигнал релейных элементов 4, 5, 6 меняется дискретно в пределах ±A/(k+1), а выходной сигнал релейного элемента 7 – дискретно в диапазоне ±2A/(k+1) (здесь k 4 – общее четное число релейных звеньев).
Блок 8 формирует сигнал постоянного уровня.
Регистр памяти 9 содержит k-1-разрядов. Запись данных в него производится по заднему фронту импульса “1” на С-входе.
Цифровой компаратор 10 предназначен для сравнения кодов на входе и выходе регистра памяти 9. При их несовпадении компаратор 10 переключается в состояние логической “1”.
Одновибратор 11 запускается по переднему фронту сигнала с выхода компаратора 10 и формирует импульс заданной длительности Т0 и фиксированной амплитуды.
Регуляторы напряжения 12-14 включаются сигналом “0” на их управляющих входах, что приводит к запуску исполнительных механизмов 15-20. При сигнале “1” на входах регуляторов 12-14 происходит их выключение и торможение электродвигателей 15-17.
Система управления работает следующим образом.
Ограничимся числом релейных элементов 4-7 “k=4”. При этом считаем, что сигнал положительной полярности на выходе блоков 4-7 соответствует логической “1”, а отрицательной полярности – напряжению логического “0”. Характеристики релейных элементов таковы, что выполняется условие |b1|<|b2|<|b3|<|b4| (фиг.2, а).
Для принятых условий сигналы на выходе релейных элементов 4-6 изменяются дискретно в пределах ±0,2А (фиг.2, б-г), а релейный элемент 7 переключается в дискретно диапазоне ±0,4А (фиг.2, д). Максимальный амплитудный диапазон выходных импульсов сумматора 2 составляет ±А.
Считаем, что при включении системы релейные элементы 4-7 оказались в “положительном” состоянии (фиг.2, б-д). На выходе сумматора 2 формируется импульс максимальной амплитуды +А (фиг.2, е). После последовательной ориентации релейных элементов 4, 5, 6 в состояние -0,2А (фиг.2, б-г), начиная с момента t t01, система входит в режим устойчивых автоколебаний (фиг.2, а, б, е), который соответствует первой модуляционной зоне (фиг.2, е). Наличие сигнала положительной полярности с выхода источника 8 |0,2А|>|ХВХ| (фиг.2, е) приводит к увеличению на выходе сумматора 2 длительности импульса отрицательной полярности и уменьшению длительности импульса положительной полярности. При этом включены каналы регулирования 12, 15, 18 и 13, 16, 19. Канал 14, 17, 20 выключен.
В момент времени t02, когда 0,2А<ХВХ<0,4А (фиг.2, е), система переходит в режим переориентации релейных элементов. При входе XВХ в диапазон второй модуляционной зоны 0,2А<ХВх<0,4А релейный элемент 7 в момент времени t2 переходит в статическое состояние YР4(t)=-0,4A (фиг.2, а, д), и координата YВЫХ(t) “проскакивает” в третью модуляционную зону (фиг.2, е, заштрихованная область). Возврат системы в требуемую (вторую) модуляционную зону осуществляется в результате переориентации в момент t3 состояния релейного элемента 5 (фиг.2, а, в). Таким образом, на интервале t2-t3 (этап переориентации релейных элементов) происходит формирование ложной команды на включение всех трех каналов регулирования “12-15-18”, “13-16-19” и “14-17-20”, хотя при заданном уровне сигнала с выхода блока 8 должны быть включены только каналы “13-16-19” и “14-17-20”. Введение в систему регистра памяти 9, цифровой компаратора 10 и одновибратора 11 позволяют (фиг.2, д, е) блокировать ложные переключения каналов регулирования. При изменении кодового состояния релейных элементов 5, 6, 7 коды на входах и выходах регистра памяти 9 не совпадают, что приводит к переключению цифрового компаратора 10 в состояние “1” (фиг.2, ж) и запуску одновибратора 11 (фиг.2, з). На выходе последнего формируется импульс длительностью Т0, который превышает время t2-t3 переходного процесса в многозонном регуляторе (фиг.2, а-д), когда формируется ложная команда на включение всех трех каналов регулирования “12-15-18”, “13-16-19” и “14-17-20”. В результате система оказывается блокированной в предыдущем положении на время, пока в МРП вновь не установится режим устойчивых автоколебаний. После выключения одновибратора 11 по заднему фронту его выходного импульса производится запись в регистр 9 нового кодового состояния релейных элементов 5, 6, 7 (время записи  , фиг.2, ж) и включение необходимого числа каналов регулирования “12-15-18”, “13-16-19” и “14-17-20”.
Дальнейшее увеличение ХВХ (фиг.2, е, t t03) обеспечивает работу МРП в третьей зоне, что происходит после перехода релейного элемента 5 в момент времени t4 в положении YР2(t)=-0,2А (фиг.2, а, в).
Таким образом, при смене кодовых состояний релейных элементов 5, 6, 7 с помощью блоков 9, 10, 11 формируется сигнал задержки на изменение состояний исполнительных электродвигателей и механизмов до момента времени входа МРП на установившийся режим работы. Тем самым повышается точность работы системы управления и исключаются ложные включения/выключения исполнительных каналов регулирования.
Промышленная применимость
Рассмотренная система управления группой электроприводов готовится к внедрению в цехе №2 на ОАО “Челябинский трубопрокатный завод” на насосной станции ямы окалины и воздуходувок печи. Типовой регулятор напряжения в этом случае выполнен в соответствии с фиг.3.
В его состав входят сумматор 22, силовой контактор 23, синхронизирующие трансформаторы 24, блок компараторов 25 (устройство синхронизации), интегральный регулятор тока 26, системы импульсно-фазового управления 27, 28, 29, распределитель импульсов управления 30, блок 31 трансформаторов тока, демодулятор (выпрямитель) 32 и блок 33 силовых ключей типа “тиристор-тиристор”. При появлении сигнала задания на входе сумматора 22 (например, лог. “0”) регулятор переходит в режим импульсно-фазового регулирования напряжения на выходе ключей блока 32 с ограничением пускового тока исполнительного электродвигателя на заранее заданном уровне.
Основными статьями экономической эффективности реконструкции электроприводов насосной станции ямы окалины и воздуходувки печи (за счет повышения точности управления) являются:
– экономия затрат на электроэнергию за счет оптимизации режима повторно-кратковременных включений и мощности исполнительных электродвигателей;
– эффективность от замены парка электродвигателей, подвергавшихся ремонту, на новые;
– эффективность от снижения потока отказов электро- и технологического оборудования и снижения затрат на ремонт и обслуживание.
Таким образом, результирующая экономическая эффективность от комплексной реконструкции электроприводов по предварительным расчетам составит:

Формула изобретения
Система управления группой электроприводов, содержащая последовательно включенные источник сигнала задания, первый сумматор, интегратор, выход которого подключен к входам группы из четного числа k 4 релейных элементов, выходы которых соединены с входами второго сумматора, выход которого подключен ко второму входу первого сумматора, а также k-1 групп последовательно включенных тиристорного регулятора напряжения, асинхронного электродвигателя и водяного насоса, выходы которых подключены к общей отводящей водяной магистрали, отличающаяся тем, что в нее введены k-1-разрядный регистр памяти, цифровой компаратор с 2(k-1) входами и одновибратор, причем информационные входы данных регистра памяти подключены к выходам соответствующих k-1 релейных элементов и к первым k-1 входам цифрового компаратора, выходы регистра памяти соединены с управляющими входами соответствующих тиристорных регуляторов напряжения и со вторыми k-1 входами цифрового компаратора, выход цифрового компаратора подключен к входу одновибратора, выход которого соединен с входом записи данных регистра памяти (С-вход).
РИСУНКИ
MM4A – Досрочное прекращение действия патента СССР или патента Российской Федерации на изобретение из-за неуплаты в установленный срок пошлины за поддержание патента в силе
Дата прекращения действия патента: 08.02.2007
Извещение опубликовано: 10.09.2008 БИ: 25/2008
|
|