|
|
(21), (22) Заявка: 2004116114/09, 26.05.2004
(24) Дата начала отсчета срока действия патента:
26.05.2004
(30) Конвенционный приоритет:
12.12.2003 (пп.4, 15) DE 20319311.3 27.04.2004 (пп.1-3, 5-14, 16) DE 202004006679.3
(43) Дата публикации заявки: 01.01.2000
(45) Опубликовано: 10.05.2006
(56) Список документов, цитированных в отчете о поиске:
SU 1394301 А1, 07.05.1988. SU 976195 А1, 23.11.1982. SU 1705932 А1, 15.01.1992. FR 2415766, 24.08.1979. DE 1109773, 29.06.1961. DE 1165131, 12.03.1964.
Адрес для переписки:
129010, Москва, ул. Б. Спасская, 25, стр.3, ООО “Юридическая фирма Городисский и Партнеры”, пат.пов. Ю.Д.Кузнецову, рег.№ 595
|
(72) Автор(ы):
ПФАННЕНБЕРГ Андреас (DE)
(73) Патентообладатель(и):
ПФАННЕНБЕРГ ГМБХ (DE)
|
(54) ШКАФ РАСПРЕДЕЛИТЕЛЬНОГО УСТРОЙСТВА
(57) Реферат:
Изобретение относится к шкафу распределительного устройства, подверженному воздействию силам давления и разрешения. Шкаф предназначен для установки в туннелях и/или в соединительных штольнях туннельных шахт для рельсовых транспортных средств, в которых создаются силы давления и/или разрежения. Шкаф снабжен устройствами для выравнивания повышенного давления и/или разрежения в области стенок шкафа или во внутреннем пространстве для предотвращения деформации шкафа или его стенок и для повышения устойчивости к воздействию сил давления и/или разрежения. В качестве устройства для выравнивания давления предусмотрены: мембрана или отдельные участки стенки или стенок шкафа выполнены как мембрана. Во внутреннем пространстве установлена перегородка, выполненная как мембрана. В камере может быть установлен эластичный контейнер, рукав или мешок, наполненный газообразной средой. Устройство для выравнивания давления во внутреннем пространстве шкафа выполнено в виде поршневого элемента или сильфонного элемента. 15 з.п. ф-лы, 13 ил.
Изобретение относится к шкафу распределительного устройства, подверженному воздействию силам давления и разрежения, согласно ограничительной части пункта 1 формулы изобретения.
Шкафы распределительных устройств с охлаждающими и/или нагревательными устройствами или без них для установки, в частности, в туннельных шахтах для железнодорожного транспорта или в соединительных штольнях двух туннельных шахт, подвергаются сильным нагрузкам за счет повышения давления или создания разрежения, которые приводят к деформации, в частности боковых стенок шкафа распределительного устройства, так что возникает необходимость применения дорогих усилительных конструкций в области боковых стенок, что связано с дополнительными издержками. К этому следует добавить, что в связи с воздействующими на шкаф распределительного устройства интенсивными силами давления и/или разрежения, несмотря на существующее крепление шкафа распределительного устройства к его основанию, шкаф распределительного устройства может незначительно отрываться от своего основания, что неблагоприятно сказывается на электронных компонентах во внутреннем пространстве шкафа распределительного устройства.
Поэтому задачей настоящего изобретения является создание такой конструкции шкафа распределительного устройства вышеописанного типа, которая позволяет подвергать его интенсивным воздействиям давления или разрежения при условии устранения вышеназванных недостатков, при этом электронные компоненты во внутреннем пространстве шкафа распределительного устройства не подвергаются каким-либо повреждениям, что делает возможным применение шкафа распределительного устройства повсеместно, где перепады давления и воздействия разрежения должны компенсироваться.
Эта задача для шкафа распределительного устройства решается за счет отличительных признаков по пункту 1 формулы изобретения.
Следовательно, изобретение заключается в том, что для предотвращения деформации шкафа распределительного устройства и его стенок и для повышения его устойчивости к воздействию сил давления и/или разрежения шкаф распределительного устройства снабжен устройствами для выравнивания давления во внутреннем пространстве шкафа распределительного устройства в зависимости от внешнего давления или разрежения.
Одна из форм исполнения изобретения предусматривает, что в качестве устройства для выравнивания давления во внутреннем пространстве шкафа распределительного устройства в зависимости от внешнего давления или разрежения предусмотрена оборудованная во внутреннем пространстве шкафа распределительного устройства мембранная стенка, которая разделяет внутреннее пространство по меньшей мере на две камеры, при этом одна из двух камер сообщается с окружающей средой, а соответственно в другой камере расположены электронные компоненты, причем мембранная стенка компенсирует повышенное давление или разрежение для создания одинаковых соотношений давления на внутренних сторонах и наружных сторонах шкафа распределительного устройства путем увеличения давления во внутреннем пространстве шкафа распределительного устройства с целью выравнивания давления.
Другая форма исполнения изобретения предусматривает, что в качестве устройства для выравнивания давления во внутреннем пространстве шкафа распределительного устройства в зависимости от внешнего давления или разрежения выполнена по меньшей мере одна стенка шкафа распределительного устройства или отдельные участки стенки или стенок шкафа распределительного устройства.
Следующая форма исполнения заключается в том, что в качестве устройства для выравнивания давления во внутреннем пространстве шкафа распределительного устройства в зависимости от внешнего давления или разрежения внутреннее пространство шкафа распределительного устройства разделено перегородкой по меньшей мере на две отдельные камеры, причем в первой камере помещаются электронные компоненты, а внутреннее пространство второй камеры через отверстие в ограничивающей камеру стенке сообщается с наружной атмосферой, при этом перегородка выполнена как мембрана.
Далее, изобретение предусматривает форму исполнения, согласно которой в качестве устройства для выравнивания давления во внутреннем пространстве шкафа распределительного устройства в зависимости от внешнего давления или разрежения внутреннее пространство шкафа распределительного устройства разделено двумя перегородками на три отдельные камеры, причем в средней камере помещаются электронные компоненты, а из других камер одна, расположенная снаружи камера, или обе, расположенные снаружи камеры, через одно или два отверстия в ограничивающей камеры наружной боковой стенке сообщаются с наружной атмосферой, при этом перегородки выполнены как мембраны.
Согласно еще одной форме исполнения изобретение предусматривает, что в качестве устройства для выравнивания давления во внутреннем пространстве шкафа распределительного устройства в зависимости от внешнего давления или разрежения внутреннее пространство шкафа распределительного устройства разделено неподвижной неупругой перегородкой на отдельные камеры, причем в одной камере помещаются электронные компоненты, а внутреннее пространство камеры без электронных компонентов через отверстие, в ограничивающей камеру стенке шкафа распределительного устройства, сообщается с наружной атмосферой, при этом в камере без электронных компонентов установлен полностью эластичный контейнер, рукав или мешок, наполненный газообразной средой, например воздухом, и компенсирующий по всем направлениям ударные волны.
Изобретение включает также форму исполнения, которая заключается в том, что в качестве устройства для выравнивания давления во внутреннем пространстве шкафа распределительного устройства в зависимости от внешнего давления или разрежения шкаф распределительного устройства снабжен корпусным наружным модулем, который установлен на шкафу распределительного устройства и во внутреннем пространстве которого имеется по меньшей мере одна, разделяющая внутреннее пространство на две камеры, мембранная стенка, при этом одна камера сообщается с наружной атмосферой, а другая камера – с внутренним пространством шкафа распределительного устройства.
Другая форма исполнения изобретения заключается в том, что в качестве устройства для выравнивания давления во внутреннем пространстве шкафа распределительного устройства в зависимости от внешнего давления или разрежения шкаф распределительного устройства снабжен по меньшей мере одним, задвигаемым во внутреннее пространство шкафа распределительного устройства, корпусным выдвижным модулем, во внутреннем пространстве которого имеется по меньшей мере одна, разделяющая внутреннее пространство на две камеры, мембранная стенка, при этом одна камера сообщается с наружной атмосферой, а другая камера – с внутренним пространством шкафа распределительного устройства.
Изобретение включает также такую форму исполнения, которая заключается в том, что в качестве устройства для выравнивания давления во внутреннем пространстве шкафа распределительного устройства в зависимости от внешнего давления или сил разрежения шкаф распределительного устройства снабжен по меньшей мере одним корпусным настенным модулем, который закреплен на стенке шкафа распределительного устройства и во внутреннем пространстве которого имеется по меньшей мере одна, разделяющая внутреннее пространство на две камеры, мембранная стенка, при этом одна камера сообщается с наружной атмосферой, а другая камера – с внутренним пространством шкафа распределительного устройства.
Другая форма исполнения изобретения заключается в том, что в качестве устройства для выравнивания давления во внутреннем пространстве шкафа распределительного устройства в зависимости от внешнего давления или сил разрежения шкаф распределительного устройства снабжен по меньшей мере одним корпусным настенным модулем, который закреплен на дверце шкафа распределительного устройства и во внутреннем пространстве которого имеется по меньшей мере одна, разделяющая внутреннее пространство на две камеры, мембранная стенка, при этом одна камера сообщается с наружной атмосферой, а другая камера – с внутренним пространством шкафа распределительного устройства.
В качестве устройства для выравнивания давления во внутреннем пространстве шкафа распределительного устройства в зависимости от внешнего давления или сил разрежения изобретение предусматривает также такую форму исполнения, которая заключается в том, что во внутреннем пространстве шкафа распределительного устройства оборудован поршневой элемент или сильфонный элемент, причем поршневой элемент состоит из корпуса с направляемым в нем и разделяющим корпус на две камеры поршнем, при этом одна камера сообщается с окружающей средой, а другая камера – с внутренним пространством шкафа распределительного устройства.
Преимущество, получаемое благодаря различным формам исполнения изобретения, заключается в том, что шкафы распределительных устройств могут воспринимать или уравнивать возникающие силы при повышенном давлении или разрежении, при этом не требуются особые технические меры в отношении конструктивного исполнения шкафа распределительного устройства. Шкафы распределительных устройств не требуют каких-либо дополнительных усиливающих конструкций; нет необходимости усиления ни стенок шкафов распределительных устройств, ни крепления шкафов распределительных устройств. Повышенное давление воспринимается мембраной и не передается на конструкцию шкафа распределительного устройства, так что сам шкаф распределительного устройства освобождается от его воздействия. На основании исполнения согласно изобретению подобного рода шкафы распределительных устройств могут быть, в частности, установлены в туннельных шахтах и соединительных штольнях двух параллельно расположенных туннельных шахт, в которых, в частности, движутся высокоскоростные поезда. Посредством установленных или выполненных в шкафах распределительного устройства устройств выравниваются давления на внутренней и наружной сторонах шкафа. Во внутреннем пространстве шкафа распределительного устройства создается противодавление воздействующему внешнему давлению, что достигается благодаря изменению объема во внутреннем пространстве шкафа распределительного устройства.
Другие предпочтительные варианты исполнения представлены в зависимых пунктах формулы изобретения.
Примеры исполнения изобретения представлены на чертежах. Показаны:
Фиг.1 – схематическое изображение двух туннельных шахт для рельсовых транспортных средств, соединенных между собой соединительной штольней, при этом в соединительной штольне расположен шкаф распределительного устройства,
Фиг.2 – схематический вид шкафа распределительного устройства со стенкой, выполненной в виде мембраны,
Фиг.3 – вертикальный разрез по линии III-III на фиг.2,
Фиг.4 – схематический вид другой формы исполнения состоящего из двух камер шкафа распределительного устройства,
Фиг.5 – вертикальный разрез по линии IV-IV на фиг.5,
Фиг.6 – схематическое изображение шкафа распределительного устройства с расположенной в его внутреннем пространстве мембранной стенкой в нормальном положении и в нагруженном повышенным давлением положении,
Фиг.7 – вертикальный разрез шкафа распределительного устройства с выполненными в его внутреннем пространстве тремя камерами, обе перегородки которых выполнены в виде мембран,
Фиг.8 – вид с частичным вертикальным разрезом шкафа распределительного устройства с двумя камерами, выполненными в его внутреннем пространстве, которые разделены между собой неподвижной неэластичной перегородкой, причем в свободной от электронных компонентов камере, сообщающейся с окружающей средой, расположена воздушная подушка,
Фиг.9 – вид с частичным вертикальным разрезом шкафа распределительного устройства с расположенным во внутреннем пространстве шкафа распределительного устройства выдвижным модулем, снабженным устройством для выравнивания давления на внутренней стенке и на наружной стенке шкафа распределительного устройства,
Фиг.10 – вид с частичным вертикальным разрезом шкафа распределительного устройства с установленным сверху на шкафу распределительного устройства модулем, снабженным устройством для выравнивания давления на внутренней и на наружной стенке шкафа распределительного устройства,
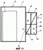
Фиг.11 – вид с частичным вертикальным разрезом шкафа распределительного устройства с расположенным на стенке шкафа распределительного устройства настенным модулем, снабженным устройством для выравнивания давления на внутренней и на наружной стенке шкафа распределительного устройства,
Фиг.12 – вид с частичным вертикальным разрезом шкафа распределительного устройства с расположенным на стенке дверцы шкафа распределительного устройства настенным модулем,
Фиг.13 – вид с частичным вертикальным разрезом шкафа распределительного устройства с устройством для выравнивания давления на внутренней и на наружной стенке шкафа распределительного устройства, выполненным в виде поршневого элемента.
На фиг.1 показана туннельная система для рельсовых транспортных средств 1, 101 из двух параллельных туннельных шахт 102, 103, соединенных между собой соединительной штольней 104. В соединительной штольне 104 установлен шкаф 10 распределительного устройства, во внутреннем пространстве 11 которого расположены электронные компоненты 30 для управления вентиляционными системами и т.п. Движущиеся по туннельным шахтам рельсовые транспортные средства 101 вызывают возникновение силы давления и/или разрежения, которые воздействуют на шкаф 10 распределительного устройства. Движущееся по туннельным шахтам 103 рельсовое транспортное средство генерирует ударную волну, которая в том числе ударяет также по направлению стрелки Х в шкаф 10 распределительного устройства. Движущееся по туннельным шахтам 102 в другом направлении транспортное средство 100 генерирует силы разрежения, которые воздействуют на шкаф 10 распределительного устройства по направлению стрелки Х1. Следовательно, шкаф 10 распределительного устройства постоянно подвержен воздействию сил давления и/или разрежения.
Чтобы эти силы давления и разрежения могли восприниматься при условии сохранения устойчивости шкафа 10 распределительного устройства, шкаф 10 распределительного устройства снабжен устройствами 100 для выравнивания давления на внутренней стенке и на наружной стенке шкафа 10 распределительного устройства.
Шкаф 10 распределительного устройства с устройством 100, которое также защищено от сил разрежения, согласно фиг.1 и 2 выполнен таким образом, что по меньшей мере одна стенка шкафа распределительного устройства, или отдельные участки стенки шкафа распределительного устройства, или несколько стенок шкафа распределительного устройства выполнены в виде мембраны, так что достигается выравнивание давления.
В другой форме исполнения согласно фиг.4 и 5 внутреннее пространство 11 шкафа 10 распределительного устройства разделено перегородкой 15 по меньшей мере на две отдельные камеры, из которых в первой камере К1 помещаются электронные компоненты 30, а внутреннее пространство камеры К2 через отверстие 12 в ограничивающей камеру К2 боковой стенке 10а сообщается с окружающей средой, при этом перегородка 15 выполнена в виде мембраны 20, так что при возникновении разрежения или повышенного давления через это компенсационное отверстие 12 происходит выравнивание давления.
Мембрана 20 состоит из эластичного типа резины или другого подходящего воздухонепроницаемого материала.
На фиг.6 изображен принцип действия и режим работы мембраны 20. Проникающая во внутреннее пространство шкафа 10 распределительного устройства по направлению стрелки Y ударная волна ударяет в занимающую нормальное положение, то есть ненагруженное давлением положение А, мембрану 20. Ударная волна давит на мембрану 20 по направлению стрелки Y (положение В), которая сжимает воздух в области 11а внутреннего пространства 11 шкафа 10 распределительного устройства, так что в этой области 11а создается противодавление внешнему давлению, действующему снаружи на стенку шкафа распределительного устройства в направлении стрелки Y2, за счет чего происходит выравнивание давления.
Форма исполнения согласно фиг.7 предусматривает, что в виде устройства 100 внутреннее пространство 11 шкафа 10 распределительного устройства разделено двумя перегородками 15, 115 на три камеры К1, К2, К3, из которых в средней камере К1 помещаются электронные компоненты 30, а одна из других, расположенная соответственно снаружи камер К2 или К3, или обе, расположенные снаружи камеры К2, К3, через одно отверстие 12 или через два отверстия 12, 112 в ограничивающей камеры К2, К3 наружной боковой стенке 10а, 10’а сообщаются с наружной атмосферой, при этом перегородки 15, 115 выполнены в виде мембран 20.
На фиг.8 показана форма исполнения, в которой в качестве устройства 100 внутреннее пространство 11 шкафа 10 распределительного устройства разделено неподвижной неэластичной перегородкой 215 на камеры К1, К2. В камере К1 помещаются электронные компоненты 30. Внутреннее пространство 11 камеры К2 без электронных компонентов через отверстие 212, в ограничивающей камеру К2 стенке 10а шкафа распределительного устройства, сообщается с наружной атмосферой. В камере К2 без электронных компонентов установлен полностью эластичный контейнер, рукав или мешок, наполненный газообразной средой, например воздухом, и компенсирующий по всем направлениям ударные волны.
Отверстия 12, 112, 212 в стенках шкафа 10 распределительного устройства, через которые камеры сообщаются с окружающей средой, предпочтительно закрыты решетчатыми пластинами.
В показанной на фиг.9 форме исполнения шкаф 10 распределительного устройства снабжен устройством 100, помещенным в его внутреннем пространстве 11, которое выполнено в виде выдвижного модуля 40, который задвигается и выдвигается посредством не показанных на чертеже направляющих и состоит из корпуса 41, во внутреннем пространстве 40а которого расположена делящая внутреннее пространство на две камеры К1, К2 мембранная стенка 20, при этом камера К1 сообщается через отверстие 42 в стенке корпуса с окружающей средой, а камера К2 через отверстие 43 в стенке корпуса – с внутренним пространством 11 шкафа 10 распределительного устройства. Во внутреннем пространстве 11 шкафа 10 распределительного устройства расположены электронные компоненты 30. Мембранная стенка 20 может быть расположена при этом вертикально или горизонтально или по диагонали во внутреннем пространстве 40а корпуса 41 выдвижного модуля 40. Причем требуется, чтобы внутреннее пространство 40а корпуса 41 разделялось мембранной стенкой 20 на две камеры, из которых одна камера сообщается с окружающей средой, а другая камера – с внутренним пространством шкафа распределительного устройства.
Согласно фиг.10 на шкафу 10 распределительного устройства расположен наружный модуль 50, образующий устройство 100. Наружный модуль 50 состоит из корпуса 51, во внутреннем пространстве 50а которого расположена мембранная стенка 20, делящая внутреннее пространство 50а на две камеры К1, К2, при этом камера К1 сообщается через отверстие 52 в стенке корпуса с окружающей средой, а камера К2 через отверстие 53 в стенке корпуса и стенке шкафа 10 распределительного устройства – с внутренним пространством 11 шкафа 10 распределительного устройства. Во внутреннем пространстве 11 шкафа 10 распределительного устройства помещены электронные компоненты 30. В этой форме исполнения мембранная стенка 30 также может располагаться вертикально, горизонтально или проходить по диагонали.
Согласно фиг.11 в виде устройства 100 по меньшей мере на одной стенке шкафа распределительного устройства предусмотрен по меньшей мере один настенный модуль 60, состоящий из корпуса 61, во внутреннем пространстве 60а которого расположена разделяющая внутреннее пространство на две камеры К1, К2 мембранная стенка 20, при этом камера К1 сообщается через отверстие 62 в стенке корпуса 61 с окружающей средой, а камера К2 через отверстие 63 в стенке корпуса 61 и стенке шкафа 10 распределительного устройства – с внутренним пространством 11 шкафа 10 распределительного устройства. Во внутреннем пространстве 11 шкафа 10 распределительного устройства помещены электронные компоненты 30. Мембранная стенка 30 может располагаться вертикально, горизонтально или проходить по диагонали.
Согласно фиг.11 настенный модуль 60 с устройством 100 помещен на поверхности наружной стенки шкафа распределительного устройства. Существует также возможность расположить настенный модуль на поверхности внутренней стенки шкафа распределительного устройства, при этом необходимо обеспечить, чтобы камера К1 внутреннего пространства 60а корпуса 61 настенного модуля 60 сообщалась с окружающей средой, а камера К2 – с внутренним пространством 11 шкафа 10 распределительного устройства.
На фиг.12 изображена форма исполнения шкафа 10 распределительного устройства, при котором устройство 100 выполнено в виде настенного модуля 70, помещенного на стенке дверцы 10′ шкафа распределительного устройства. Настенный модуль 70 состоит из корпуса 71, во внутреннем пространстве 70а которого расположена разделяющая внутреннее пространство на две камеры К1, К2 мембранная стенка 20. Камера К1 сообщается через отверстие 72 в стенке корпуса 71 с окружающей средой, а камера К2 через отверстие 73 в стенке корпуса 71 и стенке дверцы 10′ в закрытом положении шкафа 10 распределительного устройства сообщается с внутренним пространством 11 шкафа 10 распределительного устройства, в котором помещаются электронные элементы 30. Дверца 10′ шкафа распределительного устройства соединена посредством шарниров 75, 75а со стенкой шкафа распределительного устройства. Мембранная стенка 20 может быть расположена вертикально, горизонтально или по диагонали.
Форма исполнения согласно фиг.13 предусматривает в качестве устройства 100 расположенный во внутреннем пространстве 11 шкафа 10 распределительного устройства поршневой элемент 80, состоящий предпочтительно из цилиндрического корпуса 81, во внутреннем пространстве 80а которого расположен поршень 85 с возможностью перемещения в продольном направлении корпуса. Поршень 85 делит внутреннее пространство 80а корпуса 81 на две камеры К1 и К2. Камера К1 сообщается через отверстие 82 в стенке корпуса 81 с окружающей средой, а камера К2 через верхнее отверстие 83 – c внутренним пространством 11 шкафа 10 распределительного устройства.
В качестве устройства 100 может быть применена любая форма исполнения, как, например, конструкция с сильфонным элементом, подпружиненные пластины и т.п., которые при нагружении давлением создают во внутреннем пространстве давление, которое компенсирует внешнее давление, так что стенки шкафа распределительного устройства при внешнем нагружении не претерпевают изменений. В момент нагружения извне во внутреннем пространстве шкафа распределительного устройства создается противодавление, равное внешнему давлению, но которое может быть также выше внешнего давления.
Формула изобретения
1. Шкаф (10) распределительного устройства с дверцей (10′) или без оной, отличающийся тем, что он предназначен для установки в туннелях и/или в соединительных штольнях туннельных шахт для рельсовых транспортных средств, в которых создаются силы давления и/или разрежения, при этом шкаф (10) распределительного устройства снабжен устройствами (100) для выравнивания повышенного давления и/или разрежения в области стенок шкафа распределительного устройства или во внутреннем пространстве (11) для предотвращения деформации шкафа распределительного устройства или его стенок и для повышения устойчивости к воздействию сил давления и/или разрежения.
2. Шкаф распределительного устройства по п.1, отличающийся тем, что в качестве устройства (100) для выравнивания давления во внутреннем пространстве (11) шкафа (10) распределительного устройства в зависимости от внешнего давления или сил разрежения предусмотрена оборудованная во внутреннем пространстве (11) шкафа (10) распределительного устройства мембрана (20), которая разделяет внутреннее пространство (11) по меньшей мере на две камеры (K1, K2), причем одна из двух камер (K1, K2) сообщается с окружающей средой, а, соответственно, в другой камере расположены электронные компоненты (30), причем мембрана (20) компенсирует силы давления или разрежения для создания одинакового давления на внутренних сторонах и наружных сторонах шкафа (10) распределительного устройства путем увеличения давления во внутреннем пространстве шкафа (10) распределительного устройства.
3. Шкаф распределительного устройства по п.1, отличающийся тем, что в качестве устройства для выравнивания давления во внутреннем пространстве шкафа распределительного устройства в зависимости от внешнего давления или сил разрежения, по меньшей мере одна стенка шкафа распределительного устройства или отдельные участки стенки или стенок шкафа распределительного устройства выполнены как мембрана.
4. Шкаф распределительного устройства по п.1, отличающийся тем, что устройство (100) для выравнивания давления во внутреннем пространстве (11) шкафа (10) распределительного устройства в зависимости от внешнего давления или сил разрежения выполнено в виде перегородки (15), разделяющей внутреннее пространство (11) шкафа (10) распределительного устройства по меньшей мере на две отдельные камеры (К1, К2), причем в первой камере (К1) помещаются электронные компоненты (30), а внутреннее пространство (11а) второй камеры (К2) через отверстие (12) в ограничивающей вторую камеру (К2) стенке (10а) сообщается с наружной атмосферой, при этом перегородка (15) выполнена как мембрана (20).
5. Шкаф распределительного устройства по п.1, отличающийся тем, что устройство (100) для выравнивания давления во внутреннем пространстве (11) шкафа (10) распределительного устройства в зависимости от внешнего давления или сил разрежения выполнено в виде двух перегородок (15, 115), разделяющих внутреннее пространство (11) шкафа (10) распределительного устройства на три отдельные камеры (К1, К2, К3), из которых в средней камере (К1) помещаются электронные компоненты (30), а из других одна, расположенная снаружи камера (К2 или К3), или обе, расположенные снаружи камеры (К2, К3), через одно отверстие (12) или два отверстия (12, 112) в ограничивающей камеры (К2, К3) наружной боковой стенке (10а, 10’а) сообщаются с наружной атмосферой, при этом перегородки (15, 115) выполнены как мембраны (20).
6. Шкаф распределительного устройства по п.1, отличающийся тем, что устройство (100) для выравнивания давления во внутреннем пространстве (11) шкафа (10) распределительного устройства в зависимости от внешнего давления или разрежения выполнено в виде неподвижной неэластичной перегородки (215), разделяющей внутреннее пространство (11) шкафа (10) распределительного устройства на отдельные камеры (К1, К2), причем в одной камере (К1) помещаются электронные компоненты (30), а внутреннее пространство (11) камеры (К2) без электронных компонентов через отверстие (212), проделанное в ограничивающей камеру (К2) стенке (10а) шкафа распределительного устройства, сообщается с наружной атмосферой, при этом в камере (К2) без электронных компонентов установлен полностью эластичный контейнер, рукав или мешок (50), наполненный газообразной средой, например воздухом, и компенсирующий по всем направлениям ударные волны.
7. Шкаф распределительного устройства по одному из пп.1-6, отличающийся тем, что отверстия (112, 212) в стенке шкафа распределительного устройства, через которые камеры (К2, К3) во внутреннем пространстве (11) шкафа (10) распределительного устройства сообщаются с окружающей средой, закрыты посредством решеток.
8. Шкаф распределительного устройства по п.1, отличающийся тем, что в качестве устройства (100) для выравнивания давления во внутреннем пространстве (11) шкафа (10) распределительного устройства в зависимости от внешнего давления или разрежения шкаф распределительного устройства (10) снабжен по меньшей мере одним задвигаемым во внутреннее пространство (11) шкафа распределительного устройства корпусным выдвижным модулем (40), во внутреннем пространстве (40а) которого имеется по меньшей мере одна разделяющая внутреннее пространство (40а) на две камеры (К1, К2) мембрана (20), при этом одна камера (К1) сообщается с окружающей средой, а другая камера (К2) – с внутренним пространством (11) шкафа (10) распределительного устройства.
9. Шкаф распределительного устройства по п.1, отличающийся тем, что в качестве устройства (100) для выравнивания давления во внутреннем пространстве (11) шкафа распределительного устройства в зависимости от внешнего давления или разрежения, шкаф (10) распределительного устройства снабжен корпусным наружным модулем (50), который установлен на шкафу (10) распределительного устройства и во внутреннем пространстве (50а) которого имеется по меньшей мере одна разделяющая внутреннее пространство (50а) на две камеры (К1, К2) мембрана (20), при этом одна камера (К1) сообщается с наружной атмосферой, а другая камера (К2) – с внутренним пространством (11) шкафа (10) распределительного устройства.
10. Шкаф распределительного устройства по п.1, отличающийся тем, что в качестве устройства (100) для выравнивания давления во внутреннем пространстве (11) шкафа (10) распределительного устройства в зависимости от внешнего давления или разрежения шкаф (10) распределительного устройства снабжен по меньшей мере одним корпусным настенным модулем (60), который закреплен на внутренней поверхности или наружной поверхности стенки шкафа (10) распределительного устройства и во внутреннем пространстве (60а) которого имеется по меньшей мере одна разделяющая внутреннее пространство (60а) на две камеры (K1, K2) мембрана (20), при этом одна камера (K1) сообщается с наружной атмосферой, а другая камера (K2) – с внутренним пространством (11) шкафа (10) распределительного устройства.
11. Шкаф распределительного устройства по п. 1, отличающийся тем, что в качестве устройства (100) для выравнивания давления во внутреннем пространстве (11) шкафа (10) распределительного устройства в зависимости от внешнего давления или разрежения шкаф (10) распределительного устройства снабжен по меньшей мере одним корпусным настенным модулем (70), который закреплен на дверце (10′) шкафа распределительного устройства (10) и во внутреннем пространстве (70а) которого имеется по меньшей мере одна разделяющая внутреннее пространство (70а) на две камеры (K1, K2) мембрана (20), при этом одна камера (K1) сообщается с наружной атмосферой, а другая камера (K2) – с внутренним пространством (11) шкафа (10) распределительного устройства при закрытой дверце (10′) шкафа распределительного устройства.
12. Шкаф распределительного устройства по одному из пп.8-11, отличающийся тем, что расположенная горизонтально мембрана (20) разделяет внутреннее пространство выдвижного модуля (40), или наружного модуля (50), или настенного модуля (60; 70) на две расположенные одна рядом с другой или одна поверх другой камеры (K1, K2).
13. Шкаф распределительного устройства по одному из пп.8-11, отличающийся тем, что расположенная вертикально мембрана (20) разделяет внутреннее пространство выдвижного модуля (40), или наружного модуля (50), или настенного модуля (60; 70) на две расположенные одна рядом с другой или одна поверх другой камеры (K1, K2).
14. Шкаф распределительного устройства по одному из пп.8-11, отличающийся тем, что расположенная по диагонали или под углом мембрана (20) разделяет внутреннее пространство выдвижного модуля (40), или наружного модуля (50), или настенного модуля (60; 70) на две расположенные одна рядом с другой или одна поверх другой камеры (К1, К2).
15. Шкаф распределительного устройства по п.4, отличающийся тем, что мембрана (20) состоит из эластичного типа резины или другого подходящего материала.
16. Шкаф распределительного устройства по п.1, отличающийся тем, что устройство (100) для выравнивания давления во внутреннем пространстве (11) шкафа распределительного устройства в зависимости от внешнего давления или разрежения состоит из расположенного во внутреннем пространстве (11) шкафа (10) распределительного устройства поршневого элемента (80) или сильфонного элемента, причем поршневой элемент (80) состоит из корпуса (81) с направляемым в нем и разделяющим корпус (81) на две камеры (К1, К2) поршнем (85), при этом одна камера (К1) сообщается с окружающей средой, а другая камера (К2) – с внутренним пространством (11) шкафа (10) распределительного устройства.
РИСУНКИ
|
|