|
|
(21), (22) Заявка: 2004114622/09, 14.05.2004
(24) Дата начала отсчета срока действия патента:
14.05.2004
(43) Дата публикации заявки: 27.10.2005
(45) Опубликовано: 10.05.2006
(56) Список документов, цитированных в отчете о поиске:
US 3400404 А, 03.09.1968. SU 1794266 A3, 07.02.1993. US 4504834 A, 12.03.1985. US 5907309 A, 25.05.1999.
Адрес для переписки:
143500, Московская обл., г. Истра, ул. Юбилейная, 6, кв.26, В.Ф. Мосалеву
|
(72) Автор(ы):
Иноземцев Евгений Константинович (RU), Шумилин Владимир Дмитриевич (RU)
(73) Патентообладатель(и):
Общество с ограниченной ответственностью научно-производственный центр “Экопром” (RU)
|
(54) АНТЕННОЕ УСТРОЙСТВО
(57) Реферат:
Изобретение относится к радиотехническим приемным устройствам и антенной технике и может быть использовано для целей связи. Технический результат заключается в уменьшении габаритов, защищенности от атмосферных воздействий. Сущность изобретения состоит в том, что во внешней оболочке размещен волновод, углубленный в эту оболочку, а принимающий узел расположен в экранирующем корпусе. Оболочка выполнена в виде металлического полого цилиндра произвольного сечения, соединенного с корпусом, а волновод – в виде штыря, ориентированного вдоль продольной оси оболочки и подключенного к принимающему узлу. Кроме того, наибольший размер в поперечном сечении цилиндра на порядок меньше длины волны в свободном пространстве. Свободный конец цилиндра закорочен металлической обтекаемой вставкой. Устройство также снабжено диодом или аналогичным элементом, который включен между произвольной точкой штыря и внутренней поверхностью цилиндра. 3 з.п. ф-лы, 5 ил.
Изобретение относится к радиотехническим приемным устройствам и антенной технике и может быть использовано для целей связи, а также для исследования электромагнитных полей в лабораторных и полевых условиях.
Известно антенное устройство, содержащее наружную оболочку, фидерный волновод и рупор, затянутый диэлектрической мембраной, причем торец волновода представляет собой прямоугольник, закрытый диэлектрическим стержнем (см. патент США №5907309, НКИ 343-786, МПК Н 01 Q 13/02, 2000 г.). Данное устройство закрыто от внешних воздействий, но его рупор имеет большие размеры, что повышает материалоемкость, стоимость и неудобно в эксплуатации, особенно при лабораторных исследованиях, в частности аэродинамических.
Известно принятое за прототип антенное устройство, содержащее внешнюю оболочку, которая гальванически связана с экранирующим корпусом, и принимающий узел (см. патент США №3400404, НКИ 343-784, МПК H 01 Q 13/02, 1968 г.). Раскрыв этого устройства защищен от внешних метеорологических воздействий диэлектрическим колпаком, а недостатки его состоят в том, что в дециметровом диапазоне оно имеет большие размеры и вследствие этого материалоемко, и если ориентировать ось антенны по направлению электрического вектора и диэлектрический колпак заменить металлическим, то антенна полностью прекратит работу.
Технический результат данного изобретения состоит в создании антенного устройства, которое имеет малогабаритную простую конструкцию, защищено от атмосферных воздействий и от случайного закорачивания сигнального входа на корпус, имеет хорошую обтекаемость, малую стоимость и удобно в эксплуатации.
Сущность изобретения как технического решения выражается в совокупности следующих признаков.
Антенное устройство содержит внешнюю оболочку, гальванически связанную с экранированным корпусом, и принимающий узел. Оно снабжено металлическим штырем, который заглублен внутрь внешней оболочки, расположен вдоль ее продольной оси и подключен к принимающему узлу, а поперечное сечение внешней оболочки имеет произвольную форму. Кроме того, наибольший размер в поперечном сечении внешней оболочки на порядок меньше длины волны в свободном пространстве. Свободный конец внешней оболочки закорочен металлической вставкой, полой или сплошной, а вход принимающего узла включен непосредственно или через детектор между произвольной точкой металлического штыря и внутренней поверхностью внешней оболочки.
Принимающий узел производит усиление, преобразование и детектирование сигнала, обработку и отображение информации. Наибольший размер d в поперечном сечении внешней оболочки, которая представляет собой тонкий полый металлический цилиндр, на порядок меньше длины волны в свободном пространстве, так как при d< связь между внешней оболочкой и металлическим штырем имеет емкостной характер. Форма присоединения металлического штыря к принимающему узлу обуславливается типом первого каскада этого узла. Если первый каскад является усилителем высокой частоты (УВЧ), то металлический штырь присоединяется к входу УВЧ непосредственно, если же этот каскад является видеоусилителем или усилителем низкой частоты (УНЧ), то металлический штырь присоединяется к его входу через детектор, который блокирует попадание в этот каскад высокочастотного сигнала. При этом между штырем и внутренней поверхностью внешней оболочки подключается диод детектора (термистор, позистор или другой элемент), который может присоединяться к любой точке штыря (в его начале, середине или конце). Диод может работать как со смещением рабочей точки, так и без него. Свободный конец внешней оболочки для лучшей обтекаемости и для защиты от атмосферных воздействий закорочен сплошной или полой металлической вставкой, но может быть открытым, если такая защита не требуется. Кроме того, известны оптимальные соотношения:
диаметр внешней оболочки d< ,
вылет внешней оболочки A> /4,
длина внешней оболочки L> /4.
В поперечном сечении внешняя оболочка может иметь самую разнообразную форму: круг, овал, многогранник и т.пр.
Чертежи антенного устройства приведены на следующих чертежах, где показано:
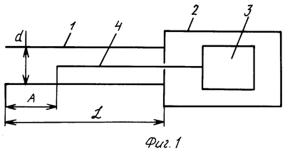
фиг.1 – схема конструкции;
фиг.2 – вариант исполнения с закороченным свободным концом внешней оболочки;
фиг.3 – схема размещения диода;
фиг.4 – схема измерения диаграммы направленности;
фиг.5 – диаграмма направленности (ДН) по фиг.4.
Кроме того, обозначено: d – диаметр цилиндра внешней оболочки, А – величина углубления металлического штыря, L – длина цилиндра внешней оболочки, – длина волны, L’ – расстояние между приемной и излучающей антеннами.
Антенное устройство содержит внешнюю оболочку 1, которая гальванически связана с экранирующим корпусом 2, и принимающий узел 3. Оно снабжено металлическим штырем 4, последний заглублен внутрь внешней оболочки 1, расположен вдоль ее продольной оси и подключен к принимающему узлу 3, а поперечное сечение внешней оболочки 1 имеет произвольную форму. Кроме того, наибольший размер в поперечном сечении оболочки 1 на порядок меньше длины волны в свободном пространстве. Свободный конец внешней оболочки 1 закорочен металлической вставкой 5, полой или сплошной. Между произвольной точкой металлического штыря 4 и внутренней поверхностью внешней оболочки 1 включен диод или аналогичный элемент.
Устройство работает следующим образом.
При ориентации продольной оси антенны параллельно вектору напряженности электрического поля падающей волны в металлической оболочке антенны возбуждаются токи проводимости, пропорциональные электрической напряженности и проводимости материала оболочки. Эти токи через емкостную связь между оболочкой и штырем наводят электрическое поле, что обуславливает появление в штыре ЭДС и токов проводимости, пропорциональных этой ЭДС и входному сопротивлению принимающего узла 3.
На фиг.4 показана схема измерения диаграммы направленности предложенного устройства, где 7 – генератор с излучающей антенной, 8 – приемник с исследуемой антенной. Поворот исследуемой антенны приемником 8 осуществлялся в горизонтальной плоскости, угол поворота отсчитывался от начального положения, показанного на схеме. Расстояние между приемной и излучающей антеннами значительно больше длины волны. На фиг.5 представлена нормированная ДН устройства. Внешняя оболочка 1 приемной антенны на свободном конце закорочена сплошной металлической вставкой 5. Для сравнения приведена ДН этой же антенны со снятой внешней оболочкой 1, т.е. одного внутреннего металлического штыря 4. Его ДН описывается косинусом угла поворота от начального положения, а ДН предложенной антенны более равномерна в исследованном диапазоне углов.
Формула изобретения
1. Антенное устройство, содержащее внешнюю оболочку, которая гальванически связана с экранирующим корпусом, и принимающий узел, отличающееся тем, что оно снабжено металлическим штырем, последний заглублен внутрь внешней оболочки, расположен вдоль ее продольной оси и подключен к принимающему узлу, а поперечное сечение внешней оболочки имеет произвольную форму.
2. Устройство по п.1, отличающееся тем, что наибольший размер в поперечном сечении внешней оболочки на порядок меньше длины волны в свободном пространстве.
3. Устройство по п.1, отличающееся тем, что свободный конец внешней оболочки закорочен металлической вставкой, полой или сплошной.
4. Устройство по п.1, отличающееся тем, что оно снабжено диодом или аналогичным элементом, который включен между произвольной точкой металлического штыря и внутренней поверхностью внешней оболочки.
РИСУНКИ
MM4A – Досрочное прекращение действия патента СССР или патента Российской Федерации на изобретение из-за неуплаты в установленный срок пошлины за поддержание патента в силе
Дата прекращения действия патента: 15.05.2006
Извещение опубликовано: 27.04.2007 БИ: 12/2007
|
|