|
|
(21), (22) Заявка: 2004125473/09, 20.08.2004
(24) Дата начала отсчета срока действия патента:
20.08.2004
(45) Опубликовано: 10.05.2006
(56) Список документов, цитированных в отчете о поиске:
РЕЗНИКОВ Г.Б., Антенны летательных аппаратов, Москва, Советское радио, 1967, с.323-327. RU 2067341 С1, 27.09.1996. RU 2136090 C1, 27.08.1999. RU 2205478 C2, 27.05.2003. US 4970524 A, 13.11.1990. EP 0516303 B1, 02.12.1992.
Адрес для переписки:
121087, Москва, ул. Новозаводская, 18, ГКНПЦ им. М.В. Хруничева, Отдел защиты прав промышленной собственности
|
(72) Автор(ы):
Кадиский Иосиф Руфкович (RU), Мартынов Анатолий Егорович (RU), Седов Владимир Степанович (RU), Соколов Михаил Борисович (RU)
(73) Патентообладатель(и):
Федеральное государственное унитарное предприятие “Государственный космический научно-производственный центр им. М.В. Хруничева” (RU)
|
(54) АНТЕННО-ФИДЕРНОЕ УСТРОЙСТВО КОСМИЧЕСКОГО ЛЕТАТЕЛЬНОГО АППАРАТА (ВАРИАНТЫ)
(57) Реферат:
Изобретение относится к антенной технике, а более конкретно к бортовым антенно-фидерным устройствам космических летательных аппаратов (КЛА). Техническим результатом является адаптация энергетических характеристик антенно-фидерного устройства для электрически и геометрически больших КЛА к их эволюциям в пространстве, включая равновероятное положение КЛА в пространстве. Антенно-фидерное устройство КЛА содержит размещенные диаметрально противоположно по внешнему периметру корпуса КЛА антенны, объединенные между собой фидерной системой питания, включающей в себя радиочастотные фидеры и делители мощности, подключаемые к бортовой радиосистеме, при этом каждая из антенн имеет осесимметричную воронкообразную диаграмму направленности, угол раствора которой регламентирован траекторией полета КЛА, направления осевой минимальной величины диаграммы направленности антенн совмещены с центральным направлением сектора углов связи с задействованным наземным измерительным пунктом при ориентированном полете КЛА, а в непосредственной близости от антенн установлены и включены в фидерную систему питания усилители радиосигналов. 2 н. и 1 з.п. ф-лы, 3 ил.
Предлагаемое антенно-фидерное устройство (АФУ) относится к антенной технике, а более конкретно к бортовым антенно-фидерным устройствам космических летательных аппаратов (КЛА).
Типовой для работы радиолиний КЛА, включающей в себя и бортовые АФУ, является следующая обстановка.
Параметры антенной системы задействованного наземного измерительного пункта (НИП-а) фиксированы, и система управления положением ее луча обеспечивает постоянную ориентацию максимума диаграммы направленности (ДН) на КЛА, находящийся в зоне прямой видимости этого НИП-а. Радиоприем осуществляется на две ортогональные поляризации. Мощность бортового передатчика КЛА фиксирована.
Эволюции КЛА в пространстве охватываются двумя характерными случаями:
а) траектория КЛА и его ориентация в пространстве заранее известны,
б) КЛА характеризуется сложным движением и непредсказуемым заранее положением КЛА в пространстве (равновероятное положение объекта в пространстве).
В обоих случаях происходит изменение:
а) расстояния между КЛА и задействованным НИП-ом,
б) углов, задающих направление на НИП,
в) угла, характеризующего поворот бортовой антенны КЛА вокруг направления на НИП.
Следовательно, надежная радиосвязь с КЛА при всех его эволюциях, включая равновероятное положение КЛА в пространстве, может быть обеспечена использованием на борту КЛА:
1) остронаправленных антенн с управляемым лучом или многолучевых,
2) антенн с ненаправленными ДН при заданных поляризационных характеристиках,
см. книгу Д.М.Сазонов. Антенны и устройства СВЧ, М., изд. Высшая школа, 1988, стр.219, 220.
В условиях жесткого лимитирования массы и габаритов бортовых устройств КЛА использование известных невыступающих/маловыступающих остронаправленных антенн с управляемым лучом или многолучевых допустимо только в специальных случаях, например, на некоторых автоматических космических станциях.
В литературе описаны также АФУ, формирующие на КЛА, размеры корпуса которых много больше рабочей длины волны бортовой радиоаппаратуры, квазиизотропные ДН посредством:
1) размещения, например, биконических или дискоконусных антенн на некотором удалении от корпуса КЛА, например, на стационарных или раздвижных штангах,
2) использования в качестве антенны корпуса КЛА,
3)применения многоэлементных АФУ и системы коммутации, см. книгу Г.Б.Резникова. Антенны летательных аппаратов. М., Изд. Советское радио, 1967, стр.230-238.
Из известных АФУ наиболее близким по технической сущности является АФУ, описанное в книге Г.Б.Резникова. Антенны летательных аппаратов. М., Изд. Советское радио, 1967, стр.323-327. Это АФУ имеет размещенные диаметрально противоположно по внешнему периметру корпуса КЛА антенны (излучатели), объединенные между собой с помощью фидерной системы питания, включающей в себя кроме радиочастотных фидеров также делители мощности, и посредством системы питания подключаемые к бортовой радиосистеме.
В выбранном в качестве прототипа АФУ каждая антенна освещает часть пространства. Уровень пересечения их парциальных ДН мал, поэтому интерференционных полей не наблюдается. Имеются зоны, в которых интенсивность излучения АФУ незначительна. В случае КЛА больших электрических и геометрических размеров АФУ будет иметь низкий коэффициент полезного действия, обусловленный большими потерями в фидерной системе питания. Указанные обстоятельства предопределяют низкие энергетические характеристики радиолинии КЛА во время его эволюции в пространстве, т.е. дальность радиосвязи лишь в некоторых секторах пространства равна дальности прямой видимости.
Задачей настоящего изобретения является создание АФУ с достижением технического результата в виде адаптации энергетических характеристик антенно-фидерного устройства для электрически и геометрически больших космических летательных аппаратов к их эволюциям в пространстве, включая равновероятное положение космических летательных аппаратов в пространстве.
Указанный технический результат достигается тем, что предложенное АФУ содержит размещенные диаметрально противоположно по внешнему периметру корпуса КЛА антенны, объединенные между собой разветвленной фидерной системой питания, включающей в себя радиочастотные фидеры и делители мощности, и посредством системы питания подключаемые к бортовой радиосистеме, в соответствии с изобретением каждая из антенн имеет осесимметричную воронкообразную ДН, угол раствора (угол между диаметрально противоположными максимумами ДН) которой регламентирован траекториями (орбитами) полета конкретных типов КЛА, а направления осевого минимального значения (величины) ДН антенн (по оси симметрии ДН) совмещено с центральным направлением сектора углов связи (углов, определяющих направление линии связи) с задействованным НИП-ом при ориентированном полете КЛА; в непосредственной близости от антенн установлены и включены в фидерную систему питания усилители радиосигналов, а фидерная система питания включает в себя согласующие устройства.
Во втором варианте исполнения АФУ решение поставленной задачи достигается тем, что в известной по первому варианту совокупности признаков при использовании АФУ на многоступенчатых КЛА, содержащем верхнюю ступень, центральный и боковые блоки, антенны на верхней ступени размещены диаметрально противоположно по внешнему незатененному периметру корпуса КЛА и подключены постоянно (без коммутации) как до отделения, так и после отделения верхней ступени через усилители и делитель мощности фидерной системы питания к бортовой радиосистеме верхней ступени, антенны для работы на центральном блоке выполнены в виде двух пар, одна из которых размещена диаметрально противоположно по внешнему незатененному периметру корпуса КЛА на противоположных разных боковых блоках и подключена через усилители, размещенные на боковых блоках, и через делитель к бортовой радиосистеме центрального блока, а другая пара антенн размещена диаметрально противоположно по внешнему затененному периметру корпуса центрального блока и подключена к бортовой радиосистеме центрального блока через “запирающие” фидеры с короткозамыкателями, установленными между центральным и боковыми блоками с возможностью выполнения этими “запирающими” фидерами совместно с фидерами, соединяющими антенны на боковых блоках с бортовой радиосистемой центрального блока работы как параллельные, разомкнутые на оторванном при разделении ступеней конце, шлейфы длиной, кратной половине рабочей длины волны в фидере. Антенны для работы на каждом из боковых блоков выполнены на каждом в виде двух пар антенн, при этом две антенны одной из пар размещены диаметрально противоположно на внешних незатененных поверхностях противоположных боковых блоков и через усилители, делители и отрывные разъемы между боковыми и центральным блоком подключены – каждая такая пара – к радиосистеме своего блока, и вторая пара образована одной из антенн первой пары и антенной, размещенной на затененной противоположной стороне соответствующего блока, причем антенны этой пары соединены между собой через свои “запирающие” фидеры с короткозамыкателями и подключены к радиосистемам этого своего блока с возможностью выполнения этими “запирающими” фидерами совместно с фидерами, соединяющими антенны на каждом своем боковом блоке с бортовой радиосистемой своего бокового блока, работы как параллельные, разомкнутые на оторванном при разделении ступеней конце, шлейфы длиной кратной половине рабочей длины волны в фидере.
Далее АФУ поясняется более подробно с использованием прилагаемых графических изображений.
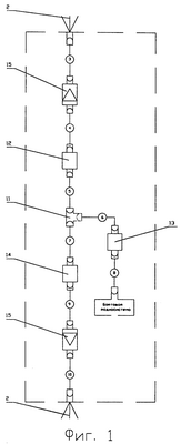
На фиг.1 изображена принципиальная электрическая общая схема предложенного АФУ, на фиг.2 изображены геометрические соотношения, используемые для оценки энергетических характеристик предложенного АФУ, на фиг.3 изображены примеры конкретного выполнения предложенного АФУ на многоступенчатом КЛА.
Предложенное АФУ содержит постоянно задействованные и размещенные диаметрально противоположно по периметру корпуса 1 антенны 2, см. фиг.2. Антенны 2 объединены между собой разветвленной фидерной системой питания, включающей в себя собственно фидеры 3…10, делитель 11, согласующие устройства 12…14 (при необходимости). В непосредственной близости от антенн 2 установлены и включены в фидерную систему питания усилители радиосигналов 15. Каждая из антенн 2 имеет осесимметричную воронкообразную (горообразную) ДН 16, см. фиг.2. Угол раствора 17 ДН (угол между диаметрально противоположными максимумами ДН) регламентирован преимущественными траекториями (орбитами) конкретных типов КЛА 1.
Направление осевой минимальной величины (значения) ДН одной из антенн 2 (по оси симметрии ДН) совмещено с центральным направлением сектора углов связи 18 (углов, определяющих направление линии связи 19) с задействованным НИП-ом 20 при ориентированном полете КЛА 1 как при азимутальном 21, так и при неазимутальном 22 пролете над НИП-ом 20.
Зона радиосвязи посредством предложенного АФУ ограничивается только:
а) минимальным углом возвышения 23 антенной системы задействованного НИП-а 20, поскольку радиосвязь с КЛА 1, находящимся близко от горизонта, неустойчива;
б) неустранимыми углами затенения 24, обусловленными влиянием проводящей поверхности корпуса КЛА 1 на ДН 16 антенн 2.
На фиг.3 приведена блок-схема предложенного АФУ как вариант примерного реального исполнения, установленного на многоступенчатом КЛА, сконструированного по параллельно-последовательной схеме, и содержащий верхнюю ступень, центральный и боковые блоки с элементами АФУ, указанными по первому варианту.
В стартовой и полетной конфигурациях КЛА АФУ верхней ступени выполняется согласно схеме электрической общей, приведенной на фиг.1, и подробно описано в вышеприведенных материалах. АФУ верхней ступени КЛА содержит две постоянно задействованные антенны 25, 26 с усилителями 27, 28, через делитель подключенные к радиосистеме верхней ступени КЛА 29, во все время существования верхней ступени как до отделения, так и после отделения верхней ступени.
В стартовой и полетной конфигурациях КЛА до отделения боковых блоков (ББ) №№1, 2 от центрального блока (ЦБ) АФУ ЦБ работает через антенны 30, 31 с усилителями 32, 33, через делитель подключенные к радиосистеме ЦБ 34. На антенны 35, 36 с усилителями 37,38 сигнал от радиосистемы 34 не поступает, т.к. тракты этих антенн 35, 36 с усилителями 37, 38 “заперты” посредством фидеров 39, 40 с короткозамыкателями 41, 42. После отделения ББ №№1, 2 от ЦБ по отрыву фидеров 39, 43 и 40, 44 происходит подключение антенн 35, 36 с усилителями 37, 38 к радиосистеме 34, при этом фидеры 39, 43 и 40, 44 работают как параллельные, разомкнутые на оторванном конце шлейфы длиной, кратной половине рабочей длины волны в фидере. В результате АФУ ЦБ содержит две постоянно задействованные антенны во все время существования ЦБ КЛА.
В стартовой и полетной конфигурациях КЛА до отделения боковых блоков (ББ) №№1, 2 от центрального блока (ЦБ) АФУ ББ №1 работает через антенны 45, 46 с усилителями 47, 48, через делитель подключенные к радиосистеме ББ №1 49. На антенну 50 с усилителем 51 сигнал от радиосистемы 49 не поступает, т.к. тракт этой антенны 50 с усилителем 51 “заперт” посредством фидера 52 с короткозамыкателями 53.
После отделения ББ №№1,2 от ЦБ по отрыву фидеров 52, 54 происходит подключение антенны 50 с усилителем 51 к радиосистеме 49, при этом фидеры 52, 54 работают как параллельные, разомкнутые на оторванном конце шлейфы длиной, кратной половине рабочей длины волны в фидере. В результате АФУ ББ №1 содержит две постоянно задействованные антенны во все время существования ББ №1.
В стартовой и полетной конфигурациях КЛА до отделения боковых блоков (ББ) №№1, 2 от центрального блока (ЦБ) АФУ ББ №2 работает через антенны 55, 56 с усилителями 57, 58, через делитель подключенные к радиосистеме ББ №2 59. На антенну 60 с усилителем 61 сигнал от радиосистемы 59 не поступает, т.к. тракт этой антенны 60 с усилителем 61 “заперт” посредством фидера 62 с короткозамыкателями 63. После отделения ББ №№1, 2 от ЦБ по отрыву фидеров 62, 64 происходит подключение антенны 60 с усилителем 61 к радиосистеме 59, при этом фидеры 62, 64 работают как параллельные, разомкнутые на оторванном конце шлейфы длиной, кратной половине рабочей длины волны в фидере. В результате АФУ ББ №2 содержит две постоянно задействованные антенны во все время существования ББ №2..
Таким образом, каждое из предложенных АФУ, установленных на составных частях КЛА, содержит по две постоянно задействованные антенны во все время существования КЛА и/или его составных частей, и даже при их равновероятном положении в пространстве обеспечивается вероятность радиосвязи более 90% при условии нахождения в зоне видимости привлекаемых наземных измерительных средств.
Из представленной блок-схемы следует также, что предложенное АФУ может быть распространено на КЛА с большим количеством боковых блоков.
Основной характеристикой предложенного АФУ, определяющей энергетический потенциал радиолинии, является эффективная излучаемая мощность:
Рэф=Рус*КУмин,
где Рэф – эффективная излучаемая мощность; требуемая Рэф зависит от чувствительности приемника и эффективной площади приемной антенны на задействованном НИП-е, требуемого соотношения сигнал/шум и скорости передачи информации в радиолинии, максимальной дальности радиосвязи,
Рус – выходная мощность усилителя радиосигналов,
КУмин – минимальный уровень коэффициента усиления бортовой антенны (в осевом направлении ДН).
Анализ Рэф предложенного АФУ показывает, что:
а) установка и включение в фидерную систему питания усилителей в непосредственной близости от бортовых антенн КЛА решает задачу повышения коэффициента полезного действия предложенного АФУ до максимально возможной величины, а следовательно, и увеличения до максимально возможной величины КУмин при фиксированной конструкции антенн;
б) за счет выбора Рус достигается требуемая величина Рэф. Размещение одной из бортовых антенн в центре сектора углов связи с задействованным НИП-ом и осесимметричная воронкообразная ДН бортовой антенны наилучшим образом сочетаются с изменением дальности радиосвязи во время пролета КЛА в ориентированном режиме в зоне видимости задействованного НИП-а. Причем угол раствора воронкообразной ДН (угол между диаметрально противоположными максимумами ДН) регламентируется примущественными траекториями (орбитами) конкретных типов КЛА. Чем выше орбита КЛА, тем меньше требуется угол раствора ДН.
Таким образом, при ориентированном полете КЛА во все время его нахождения в зоне видимости (начиная от угла возвышения наземной антенны 5°) задействованного НИП-а ДН обеспечивает примерное постоянство характеристик сигнала в радиолинии, что существенно улучшает ее эффективность и позволяет обеспечить 100%-ную вероятность радиосвязи.
При неориентированном полете КЛА (положение КЛА в пространстве равновероятно) во все время его нахождения в зоне видимости (начиная от угла возвышения наземной антенны 5°) задействованного НИП-а радиолиния может проходить по любому из направлений полного телесного угла с вершиной, совпадающей с центром масс КЛА. В этом случае невозможно обеспечить 100%-ную вероятность радиосвязи, вследствие неустранимого влияния проводящей поверхности КЛА больших электрических и геометрических размеров на излучение невыступающих/маловыступающих бортовых антенн. Это влияние приводит к появлению зон вблизи корпуса КЛА, в которых отсутствует излучение. Строгое решение этой задачи отсутствует, однако на практике принято, что зона неустойчивой радиосвязи антенны на проводящей поверхности не превышает 5° над этой проводящей поверхностью. Поскольку во всей остальной части полного телесного угла радиосвязь гарантируется, вероятность радиосвязи при равновероятном положении КЛА в пространстве во время его нахождения в зоне видимости задействованного НИП-в не менее 90%.
В представленных материалах имеется в виду, что вследствие принципа взаимности предложенное АФУ может использоваться как в передающем, так и в приемном режимах.
Предложенное АФУ по сравнению с существующими прототипами имеет следующие преимущества:
1. Размещение одной из двух диаметрально противоположно размещенных на корпусе КЛА антенн в центре сектора углов связи с задействованным НИП-ом и осесимметричные воронкообразные ДН этих антенн совместно с усилителями радиосигналов позволили:
– при ориентированном полете и заранее известных эволюциях КЛА:
а) существенно улучшить эффективность предложенного АФУ за счет повышения равномерности передачи информации, т.к. дальность от задействованного НИП-а до КЛА и воронкообразность ДН изменяются по приблизительно аналогичным законам,
б) обеспечить 100%-ную вероятность радиосвязи, т.к. сектор углов связи с задействованным НИП-ом составляет только некоторую часть полного телесного угла;
– при равновероятном положении КЛА в пространстве превысить 90%-ную величину вероятности радиосвязи, т.к. не исключена возможность попадания в сектор углов связи с задействованным НИП-ом неустранимых зон глубокой тени для распространения радиоволн.
2. Включение в состав предложенного АФУ двух усилителей радиосигналов и размещение их в непосредственной близости от антенн позволило;
а) достигнуть максимально возможного коэффициента полезного действия предложенного АФУ, насколько это допускает реальная компоновка конкретного КЛА,
б) адаптировать предложенное АФУ к различным режимам натурных испытаний КЛА (ориентированный полет, эволюции КЛА, равновероятное положение КЛА в пространстве), например, посредством управления усилителями в последовательности “и/или” по “жесткой” программе.
3. Предложенное АФУ позволяет снизить общую массу бортовой радиосистемы КЛА за счет ее оптимального размещения, в смысле сокращения длин (масс) низкочастотных кабельных трасс от устройства формирования радиосигналов, например бортового передачика до источников информации, например датчиков.
4. Тенденция освоения все более высоких частот радиодиапазона обуславливает увеличение электрических размеров КЛА и затуханий в радиочастотных фидерах, поэтому предложенное АФУ имеет большую практическую ценность.
Испытания предложенного АФУ подтвердили достижение поставленной цели и его высокие радиотехнические характеристики.
Намечен серийный выпуск предложенного АФУ.
Формула изобретения
1. Антенно-фидерное устройство космического летательного аппарата, содержащее размещенные диаметрально противоположно по внешнему периметру корпуса космического летательного аппарата антенны, объединенные между собой фидерной системой питания, включающей в себя собственно радиочастотные фидеры и делители мощности, подключаемые к бортовой радиосистеме, отличающееся тем, что каждая из антенн имеет осесимметричную воронкообразную диаграмму направленности, угол раствора которой регламентирован траекторией полета конкретных типов космических летательных аппаратов, направления осевой минимальной величины диаграммы направленности антенн совмещены с центральным направлением сектора углов связи с задействованным наземным измерительным пунктом при ориентированном полете космического летательного аппарата и в непосредственной близости от антенн установлены и включены в фидерную систему питания усилители радиосигналов.
2. Устройство по п,1, отличающееся тем, что фидерная система питания включает в себя согласующие устройства.
3. Антенно-фидерное устройство космического летательного аппарата, содержащее размещенные диаметрально противоположно по внешнему периметру корпуса космического летательного аппарата антенны, объединенные между собой фидерной системой питания, включающей в себя собственно радиочастотные фидеры и делители мощности, подключаемые к бортовой радиосистеме, отличающееся тем, что каждая из антенн имеет осесимметричную воронкообразную диаграмму направленности, угол раствора которой регламентирован траекторией полета конкретных типов космических летательных аппаратов, направления осевой минимальной величины диаграммы направленности антенн совмещены с центральным направлением сектора углов связи с задействованным наземным измерительным пунктом при ориентированном полете космического летательного аппарата и в непосредственной близости от антенн установлены и включены в фидерную систему питания усилители радиосигналов, при этом на многоступенчатом космическом летательном аппарате, содержащем верхнюю ступень, центральный и боковые блоки, антенны на верхней ступени размещены диаметрально противоположно по внешнему периметру корпуса космического летательного аппарата и подключены через усилители и делитель мощности фидерной системы питания к бортовой радиосистеме верхней ступени, антенны для работы на центральном блоке выполнены в виде двух пар, одна из которых размещена диаметрально противоположно по внешнему незатененному периметру на противоположных разных боковых блоках и подключена через усилители, размещенные на боковых блоках, и через делители мощности к бортовой радиосистеме центрального блока, а другая пара антенн размещена диаметрально противоположно по внешнему незатененному периметру центрального блока и подключена к бортовой радиосистеме центрального блока через “запирающие” фидеры с короткозамыкателями, установленными между центральными и боковыми блоками с возможностью выполнения этими “запирающими” фидерами совместно с фидерами, соединяющими антенны на боковых блоках с бортовой радиосистемой центрального блока, работы как параллельные, разомкнутые на оторванном при разделении ступеней конце шлейфы длиной, кратной половине рабочей длины волны в фидере, антенны для работы на каждом из боковых блоков выполнены на каждом в виде двух пар антенн, при этом две антенны одной из пар размещены диаметрально противоположно на внешних незатененных поверхностях противоположных боковых блоков и через усилители, делитель мощности и отрывные разъемы между боковыми и центральным блоками подключены каждая такая пара к радиосистеме своего блока, и вторая пара образована одной из антенн первой пары и антенной, размещенной на затененной до отделения блоков противоположной стороне соответствующего блока, причем антенны этой пары соединены между собой через свои “запирающие” фидеры с короткозамыкателями и подключены к радиосистемам этого своего блока с возможностью выполнения этими “запирающими” фидерами совместно с фидерами, соединяющими антенны на каждом своем боковом блоке с бортовой радиосистемой своего бокового блока, работы как параллельные, разомкнутые на оторванном при разделении ступеней конце шлейфы длиной, кратной половине рабочей длины волны в фидере.
РИСУНКИ
|
|