|
|
(21), (22) Заявка: 2004122292/09, 19.07.2004
(24) Дата начала отсчета срока действия патента:
19.07.2004
(43) Дата публикации заявки: 20.01.2006
(45) Опубликовано: 10.05.2006
(56) Список документов, цитированных в отчете о поиске:
RU 2183856 C1, 20.06.2002. RU 4395 U1, 16.06.1997. RU 2133497 С1, 20.07.1999. US 4065809 А, 27.12.1977. US 3959775 А, 25.05.1976.
Адрес для переписки:
191014, Санкт-Петербург, ул. Госпитальная, 3, ФГУП ЦНИИ “Гранит”, пат.пов. В.В. Туренко
|
(72) Автор(ы):
Коржавин Георгий Анатольевич (RU), Антонов Павел Борисович (RU), Горелик Юрий Зиновьевич (RU), Овчаров Юрий Николаевич (RU), Митюк Владимир Владимирович (RU), Седов Николай Петрович (RU), Шахпазов Сергей Христофорович (RU)
(73) Патентообладатель(и):
Федеральное государственное унитарное предприятие “Центральный научно-исследовательский институт “Гранит” (RU)
|
(54) УНИФИЦИРОВАННЫЙ ПУЛЬТОВОЙ ПРИБОР
(57) Реферат:
Изобретение относится к информационно-управляющим системам и предназначено для сбора и обработки информации, решения боевых задач и выработки управляющих команд для систем вооружения и технических средств, в частности для корабельного оружия. Технический результат заключается в повышении надежности и отказоустойчивости прибора. Унифицированный пультовой прибор содержит вычислительные машины, долговременные запоминающие устройства, изолированные преобразователи последовательных интерфейсов, адаптеры мультиплексных каналов информационного обмена, системные интерфейсные магистрали, устройства ввода-вывода аналоговых и дискретных сигналов, датчики температуры, устройства согласования сигналов датчиков температуры, блок устройств релейной коммутации, устройства ввода дискретных сигналов, панель управления, устройство формирования сигналов кнопок и клавиатуры, устройство управления блоком устройств индикации, адаптер интерфейса долговременных запоминающих устройств, адаптер локальной сети, устройство отображения графической информации, коммутатор локальной сети, соединенные соответствующими связями. 4 ил.
Изобретение относится к информационно-управляющим системам и предназначено для сбора и обработки информации, решения боевых задач и выработки управляющих команд для систем вооружения и технических средств, в частности для корабельного оружия.
Известна микропроцессорная система [1], содержащая несколько микроЭВМ с индивидуальными устройствами памяти и несколько общих устройств памяти, каждое из которых связано с двумя микроЭВМ. При работе с индивидуальной памятью микроЭВМ могут выполнять программы независимо друг от друга. Для обмена информацией между микроЭВМ используются общие запоминающие устройства.
К недостаткам данной системы следует отнести отсутствие возможности обмена данными непосредственно между индивидуальными запоминающими устройствами микроЭВМ, а также ограниченное количество подключаемых микроЭВМ к одному общему запоминающему устройству, что снижает производительность обмена информацией в системе.
Известна микропроцессорная система [2], состоящая из нескольких автономных микропроцессоров, соединенных посредством системной шины с общей внешней памятью. Обмен информацией между микропроцессорами осуществляется через общую память. Доступ автономных микропроцессоров к общей памяти обеспечивается распределителем системной шины. Такая организация системы предпочтительнее предыдущей, так как все микропроцессоры имеют одинаковые возможности при использовании общей памяти.
Основным недостатком этой системы является отсутствие возможности непосредственного обмена информацией между микропроцессорами, что снижает производительность системы.
Известна мультипроцессорная система [3], которая содержит микропроцессоры, соединенные двухсторонними связями через устройство сопряжения с устройством памяти, и устройство распределения ресурсов, выполняющее функции системного диспетчера.
Недостатком данной системы является то, что устройство распределения ресурсов обеспечивает диспетчирование лишь жестко связанных подзадач без учета прерываний вычислений, например по вводу/выводу.
Известна мультимикропроцессорная система [4], содержащая n исполнительных микропроцессорных блоков, микропроцессорные блоки ввода-вывода, запоминающее устройство, устройство связи с памятью, блок коммутации и генератор тактовых импульсов, при этом информационный вход-выход, адресный и управляющие входы запоминающего устройства связаны соответственно с информационным входом-выходом, адресным и первыми управляющими входами каждого микропроцессорного блока, а также с информационным входом, адресным и первыми управляющими выходами устройства связи с памятью. Синхронизация работы элементов системы осуществляется по сигналам с генератора тактовых импульсов.
Недостатком данной системы является отсутствие тестового контроля и контроля правильности функционирования входящих в ее состав устройств, а также сложность управления вычислительным процессом системы.
Известна также многопроцессорная корабельная управляющая вычислительная система [5]. Система содержит микропроцессоры и внешнее оперативное запоминающее устройство (первое оперативное запоминающее устройство), связанные портами ввода/вывода с первой интерфейсной магистралью, блоки ввода информации, связанные посредством второй интерфейсной магистрали со вторым портом ввода/вывода третьего микропроцессора, генератор тактовых импульсов, подключенный выходом к входам синхронизации всех микропроцессоров, и коммутатор, подключенный входами к выходам блока вывода информации, связанного портом ввода/вывода посредством четвертой интерфейсной магистрали со вторым портом ввода/вывода четвертого микропроцессора. Система содержит также адаптер, связанный портом ввода/вывода посредством третьей интерфейсной магистрали с портом ввода/вывода пульта управления и со вторым портом ввода/вывода второго микропроцессора, второе внешнее запоминающее устройство (первое долговременное запоминающее устройство), связанное шиной обмена с соответствующим входом/выходом второго микропроцессора, а также первый и второй формирователи-распределители управляющих сигналов, подключенные соответственно к первой и второй группам выходов коммутатора. При этом контрольные входы и контрольные выходы всех микропроцессоров соединены соответственно с выходом и с первым входом адаптера, второй управляемый вход которого подключен к четвертому выходу пульта управления, первый, второй и третий управляющие выходы которого соединены с управляемыми входами соответственно коммутатора и обоих формирователей-распределителей управляющих сигналов, причем первый управляющий выход пульта управления подключен также и к управляющему входу первого микропроцессора. Пульт управления содержит клавиатуру (основную клавиатуру) и видеоиндикатор (первое устройство отображения графической информации).
Известно автоматизированное рабочее место оператора корабельной боевой информационно-управляющей системы или боевой информационно-управляющей системы берегового базирования [6], являющееся по технической сущности наиболее близким к предлагаемому унифицированному пультовому прибору и выбранное в качестве прототипа.
Устройство-прототип содержит первое устройство отображения графической информации, первое оперативное запоминающее устройство, первое долговременное запоминающее устройство и первую клавиатуру, первую магистраль информационного обмена локальной сети, вторую магистраль информационного обмена локальной сети, первую электронно-вычислительную машину, первый адаптер локальной сети, второй адаптер локальной сети, координатно-указательное устройство, первую системную интерфейсную магистраль, второе долговременное запоминающее устройство, вторую электронно-вычислительную машину, третий адаптер локальной сети, четвертый адаптер локальной сети, второе оперативное запоминающее устройство, адаптер устройства отображения графической информации, второе устройство отображения графической информации, первый адаптер интерфейса долговременных запоминающих устройств, третье долговременное запоминающее устройство, первый адаптер резервированного мультиплексного канала, вторую системную интерфейсную магистраль, третью электронно-вычислительную машину, пятый адаптер локальной сети, шестой адаптер локальной сети, третье оперативное запоминающее устройство, второй адаптер интерфейса долговременных запоминающих устройств, третью системную интерфейсную магистраль, второй адаптер резервированного мультиплексного канала, третий адаптер резервированного мультиплексного канала, при этом первая электронно-вычислительная машина выполнена в виде одноплатной электронно-вычислительной машины, которая имеет видеовыход, вход-выход для подключения оперативного запоминающего устройства, вход-выход первого интерфейса долговременных запоминающих устройств, вход-выход второго интерфейса долговременных запоминающих устройств, вход-выход интерфейса клавиатуры, вход-выход интерфейса первого последовательного канала, вход-выход интерфейса второго последовательного канала, вход-выход интерфейса параллельного канала, вход-выход системной интерфейсной магистрали, первый и второй выходы цифрового ввода-вывода, вторая электронно-вычислительная машина имеет вход-выход системной интерфейсной магистрали, вход-выход для подключения оперативного запоминающего устройства, вход-выход интерфейса первого последовательного канала, вход-выход интерфейса второго последовательного канала, вход-выход интерфейса параллельного канала, третья электронно-вычислительная машина имеет вход-выход системной интерфейсной магистрали, вход-выход для подключения оперативного запоминающего устройства, вход-выход второго интерфейса долговременных запоминающих устройств первой электронно-вычислительной машины является входом-выходом интерфейса внешних долговременных запоминающих устройств автоматизированного рабочего места оператора боевой информационно-управляющей системы, вход-выход интерфейса параллельного канала первой электронно-вычислительной машины является входом-выходом интерфейса первого параллельного канала автоматизированного рабочего места оператора боевой информационно-управляющей системы, вход-выход интерфейса первого последовательного канала первой электронно-вычислительной машины является входом-выходом интерфейса первого последовательного канала автоматизированного рабочего места оператора боевой информационно-управляющей системы, к входу-выходу системной интерфейсной магистрали первой электронно-вычислительной машины при помощи первой системной интерфейсной магистрали подключены первый и второй адаптеры локальной сети, к видеовыходу первой электронно-вычислительной машины подключено первое устройство отображения графической информации, к входу-выходу для подключения оперативного запоминающего устройства первой электронно-вычислительной машины подключено первое оперативное запоминающее устройство, к входу-выходу первого интерфейса долговременных запоминающих устройств первой электронно-вычислительной машины подключено первое долговременное запоминающее устройство, первая клавиатура связана с входом-выходом интерфейса клавиатуры первой электронно-вычислительной машины или с входом-выходом интерфейса клавиатуры второй электронно-вычислительной машины, координатно-указательное устройство связано с входом-выходом второго последовательного канала первой электронно-вычислительной машины или с входом-выходом первого последовательного канала второй электронно-вычислительной машины, к входу-выходу системной интерфейсной магистрали второй электронно-вычислительной машины при помощи второй системной интерфейсной магистрали подключены третий и четвертый адаптеры локальной сети, адаптер устройства отображения графической информации, первый адаптер интерфейса долговременных запоминающих устройств, первый адаптер резервированного мультиплексного канала подключен ко второй системной интерфейсной магистрали или к третьей системной интерфейсной магистрали, к входу-выходу для подключения оперативного запоминающего устройства второй электронно-вычислительной машины подключено второе оперативное запоминающее устройство, к видеовыходу адаптера устройства отображения графической информации подключено второе устройство отображения графической информации, к входу-выходу первого адаптера интерфейса долговременных запоминающих устройств подключено второе долговременное запоминающее устройство, вход-выход интерфейса параллельного канала второй электронно-вычислительной машины является входом-выходом интерфейса второго параллельного канала автоматизированного рабочего места оператора боевой информационно-управляющей системы, вход-выход интерфейса второго последовательного канала второй электронно-вычислительной машины является входом-выходом интерфейса второго последовательного канала автоматизированного рабочего места оператора боевой информационно-управляющей системы, вход-выход первого адаптера резервированного мультиплексного канала является входом-выходом первого резервированного мультиплексного канала автоматизированного рабочего места оператора боевой информационно-управляющей системы, к входу-выходу системной интерфейсной магистрали третьей электронно-вычислительной машины при помощи третьей системной интерфейсной магистрали подключены пятый и шестой адаптеры локальной сети, второй адаптер интерфейса долговременных запоминающих устройств, второй адаптер резервированного мультиплексного канала, третий адаптер резервированного мультиплексного канала, к входу-выходу для подключения оперативного запоминающего устройства третьей электронно-вычислительной машины подключено третье оперативное запоминающее устройство, к входу-выходу второго адаптера интерфейса долговременных запоминающих устройств подключено третье долговременное запоминающее устройство, выход первого адаптера локальной сети, а также выход третьего и выход пятого адаптеров локальной сети подключены к первой магистрали информационного обмена локальной сети, выход второго адаптера локальной сети, а также выход четвертого и выход шестого адаптеров локальной сети подключены ко второй магистрали информационного обмена локальной сети, вход-выход второго адаптера резервированного мультиплексного канала является входом-выходом второго резервированного мультиплексного канала автоматизированного рабочего места оператора боевой информационно-управляющей системы, вход-выход третьего адаптера резервированного мультиплексного канала является входом-выходом третьего резервированного мультиплексного канала автоматизированного рабочего места оператора боевой информационно-управляющей системы.
Недостатками устройства-прототипа являются недостаточная надежность и отказоустойчивость.
Задачей изобретения является создание унифицированного пультового прибора – автоматизированного рабочего места оператора корабельного комплекса управления оружием, обладающего повышенной надежностью функционирования и отказоустойчивостью.
Сущность изобретения заключается в том, что унифицированный пультовой прибор содержит первую электронно-вычислительную машину (ЭВМ), первое долговременное запоминающее устройство (ДЗУ), первый изолированный преобразователь последовательных интерфейсов (ИППИ), первый адаптер мультиплексных каналов информационного обмена (МКИО), второй адаптер МКИО, первую системную интерфейсную магистраль (СИМ), вторую ЭВМ, второе ДЗУ, второй ИППИ, третий адаптер МКИО, четвертый адаптер МКИО, вторую СИМ, третью ЭВМ, третье ДЗУ, пятый адаптер МКИО, шестой адаптер МКИО, седьмой адаптер МКИО, третью СИМ, четвертую ЭВМ, четвертое ДЗУ, первое устройство ввода-вывода аналоговых и дискретных сигналов, первый датчик температуры, первое устройство согласования сигналов датчика температуры, блок устройств релейной коммутации, первое устройство ввода дискретных сигналов, четвертую СИМ, пятую ЭВМ, пятое ДЗУ, блок кнопок, клавиатуру, блок устройств индикации, координатно-указательное устройство, устройство формирования сигналов кнопок и клавиатуры, устройство управления блоком устройств индикации, адаптер интерфейса ДЗУ, второе устройство ввода дискретных сигналов, третье устройство ввода дискретных сигналов, второе устройство ввода-вывода аналоговых и дискретных сигналов, второй датчик температуры, второе устройство согласования сигналов датчика температуры, адаптер локальной сети (ЛС), устройство отображения графической информации (УОГИ), пятую СИМ, коммутатор ЛС, при этом первые входы-выходы первой, второй, третьей, четвертой, пятой ЭВМ образуют соответственно первую, вторую, третьего, четвертую, пятую СИМ, ко вторым входам-выходам первой, второй, третьей четвертой, пятой ЭВМ подключены первое, второе, третье, четвертое, пятое ДЗУ, к видеовыходу пятой ЭВМ подключено УОГИ, третьи входы-выходы первой, второй, третьей, четвертой, пятой ЭВМ соединены соответственно с первым, вторым, третьим, четвертым, пятым входами-выходами коммутатора ЛС, к первой ЭВМ посредством первой СИМ подключены первый и второй адаптеры МКИО, входы-выходы которых являются входами-выходами первого и второго МКИО, ко второй ЭВМ посредством второй СИМ подключены третий и четвертый адаптеры МКИО, входы-выходы которых являются входами-выходами третьего и четвертого МКИО, к третьей ЭВМ посредством третьей СИМ подключены пятый, шестой, седьмой адаптеры, МКИО, входы-выходы которых являются входами-выходами пятого, шестого, седьмого МКИО, к четвертой ЭВМ посредством четвертой СИМ подключены первое устройство ввода-вывода аналоговых и дискретных сигналов и первое устройство ввода дискретных сигналов, к четвертым входам-выходам первой и второй ЭВМ подключены первый и второй ИППИ, входы-выходы которых являются входами-выходами первого и второго последовательных каналов, четвертый вход-выход третьей ЭВМ является входом-выходом третьего последовательного канала, к входу первого устройства ввода-вывода аналоговых и дискретных сигналов через первое устройство согласования сигналов датчика температуры подключен первый датчик температуры, к выходу первого устройства ввода-вывода аналоговых и дискретных сигналов подключен блок устройств релейной коммутации, выход которого является выходом дискретных сигналов, вход первого устройства ввода дискретных сигналов является первым входом сигналов неисправности вторичных источников питания, к пятой ЭВМ посредством пятой СИМ подключены адаптер интерфейса ДЗУ, второе устройство ввода дискретных сигналов, третье устройство ввода дискретных сигналов, второе устройство ввода-вывода аналоговых и дискретных сигналов, адаптер ЛС, шестой, седьмой, восьмой входы-выходы коммутатора ЛС являются входами-выходами, первого, второго, третьего каналов ЛС, вход-выход адаптера интерфейса ДЗУ является входом-выходом интерфейса ДЗУ, вход второго устройства ввода дискретных сигналов является первым входом дискретных сигналов, первый вход третьего устройства ввода дискретных сигналов является вторым входом дискретных сигналов, второй вход третьего устройства ввода дискретных сигналов является вторым входом сигналов неисправности вторичных источников питания, к входу второго устройства ввода-вывода аналоговых и дискретных сигналов через второе устройство согласования сигналов датчика температуры подключен второй датчик температуры, вход-выход адаптера ЛС является входом-выходом четвертого канала ЛС, к четвертому входу-выходу пятой ЭВМ подключено устройство формирования сигналов кнопок и клавиатуры, к первому входу которого подключен блок кнопок, а ко второму входу подключена клавиатура, к пятому входу-выходу пятой ЭВМ через устройство управления блоком устройств индикации подключен блок устройств индикации, к шестому входу-выходу пятой ЭВМ подключено координатно-указательное устройство. Первая, вторая, третья, четвертая и пятая ЭВМ содержат взаимосвязанные процессор, оперативное запоминающее устройство, долговременное запоминающее устройство программ начальной загрузки и самотестирования, долговременное запоминающее устройство, адаптер интерфейса долговременных запоминающих устройств, адаптер устройства отображения графической информации, адаптер локальной сети, адаптер последовательного интерфейса.
Первая, вторая, третья, четвертая и пятая ЭВМ выполнены с возможностью обновления содержания долговременного запоминающего устройства программ начальной загрузки и самотестирования непосредственно в процессе работы.
Сущность изобретения поясняется чертежами, на которых приведены:
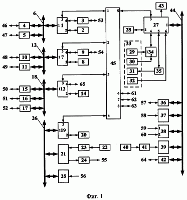
на фиг.1 – функциональная схема предлагаемого унифицированного пультового прибора,
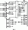
на фиг.2, 3, 4 – варианты функциональной схемы электронно-вычислительных машин.
На чертежах обозначены:
1 – первая электронно-вычислительная машина (ЭВМ);
2 – первое долговременное запоминающее устройство (ДЗУ);
3 – первый изолированный преобразователь последовательных интерфейсов (ИППИ);
4 – первый адаптер мультиплексных каналов информационного обмена (МКИО);
5 – второй адаптер МКИО;
6 – первая системная интерфейсная магистраль (СИМ);
7 – вторая ЭВМ;
8 – второе ДЗУ;
9 – второй ИППИ;
10 – третий адаптер МКИО;
11 – четвертый адаптер МКИО;
12 – вторая СИМ;
13 – третья ЭВМ;
14 – третье ДЗУ;
15 – пятый адаптер МКИО;
16 – шестой адаптер МКИО;
17 – седьмой адаптер МКИО;
18 – третья СИМ;
19 – четвертая ЭВМ;
20 – четвертое ДЗУ;
21 – первое устройство ввода-вывода аналоговых и дискретных сигналов;
22 – первый датчик температуры;
23 – первое устройство согласования сигналов датчика температуры;
24 – блок устройств релейной коммутации;
25 – первое устройство ввода дискретных сигналов;
26 – четвертая СИМ;
27 – пятая ЭВМ;
28 – пятое ДЗУ;
29 – блок кнопок;
30 – клавиатура;
31 – блок устройств индикации;
32 – координатно-указательное устройство;
33 – панель управления;
34 – устройство формирования сигналов кнопок и клавиатуры;
35 – устройство управления блоком устройств индикации;
36 – адаптер интерфейса ДЗУ;
37 – второе устройство ввода дискретных сигналов;
38 – третье устройство ввода дискретных сигналов;
39 – второе устройство ввода-вывода аналоговых и дискретных сигналов;
40 – второй датчик температуры;
41 – второе устройство согласования сигналов датчика температуры;
42 – адаптер локальной сети (ЛС);
43 – устройство отображения графической информации (УОГИ);
44 – пятая СИМ;
45 – коммутатор ЛС;
46 – вход-выход первого МКИО;
47 – вход-выход второго МКИО;
48 – вход-выход третьего МКИО;
49 – вход-выход четвертого МКИО;
50 – вход-выход пятого МКИО;
51 – вход-выход шестого МКИО;
52 – вход-выход седьмого МКИО;
53 – вход-выход первого последовательного канала;
54 – вход-выход второго последовательного канала;
55 – выход дискретных сигналов;
56 – первый вход сигналов неисправности вторичных источников питания;
57 – вход-выход интерфейса ДЗУ;
58 – первый вход дискретных сигналов;
59 – второй вход дискретных сигналов;
60 – второй вход сигналов неисправности вторичных источников питания;
61 – вход-выход первого канала ЛС;
62 – вход-выход второго канала ЛС;
63 – вход-выход третьего канала ЛС;
64 – вход-выход четвертого канала ЛС;
65 – вход-выход третьего последовательного канала;
66 – процессор;
67 – оперативное запоминающее устройство;
68 – долговременное запоминающее устройство программ начальной загрузки и самотестирования;
69 – долговременное запоминающее устройство;
70 – адаптер интерфейса долговременных запоминающих устройств;
71 – адаптер устройства отображения графической информации;
72 – адаптер локальной сети;
73 – адаптер последовательного интерфейса;
74 – вход-выход системной интерфейсной магистрали;
75 – вход-выход интерфейса долговременных запоминающих устройств;
76 – выход видеосигнала;
77 – вход-выход локальной сети;
78 – вход-выход последовательного интерфейса;
79 – устройство управления долговременным запоминающим устройством программ начальной загрузки и самотестирования;
80 – магистраль информационного обмена с запоминающими устройствами;
81 – адаптер системной интерфейсной магистрали.
Первые входы-выходы первой, второй, третьей, четвертой, пятой ЭВМ 1, 7, 13, 19, 27 образуют соответственно первую, вторую, третьею, четвертую, пятую СИМ 6, 12, 18, 26, 44, ко вторым входам-выходам первой, второй, третьей, четвертой, пятой ЭВМ 1, 7, 13, 19, 27 подключены соответственно первое, второе, третье, четвертое, пятое ДЗУ 2, 8, 14, 20, 28, к видеовыходу пятой ЭВМ 27 подключено УОГИ 43, третьи входы-выходы первой, второй, третьей, четвертой, пятой ЭВМ 1, 7, 13, 19, 27 соединены соответственно с первым, вторым, третьим, четвертым, пятым входами-выходами коммутатора 45 ЛС, к первой ЭВМ 1 посредством первой СИМ 6 подключены первый и второй адаптеры 4 и 5 МКИО, входы-выходы которых являются входами-выходами соответственно первого и второго МКИО 46 и 47, ко второй ЭВМ 7 посредством второй СИМ 12 подключены третий и четвертый адаптеры 10 и 11 МКИО, входы-выходы которых являются входами-выходами соответственно третьего и четвертого МКИО 48 и 49, к третьей ЭВМ 13 посредством третьей СИМ 18 подключены пятый, шестой, седьмой адаптеры 15, 16, 17 МКИО, входы-выходы которых являются входами-выходами соответственно пятого, шестого, седьмого МКИО 50, 51, 52, к четвертой ЭВМ 19 посредством четвертой СИМ 26 подключены первое устройство 21 ввода-вывода аналоговых и дискретных сигналов и первое устройство 25 ввода дискретных сигналов, к четвертым входам-выходам первой и второй ЭВМ 1 и 7 подключены первый и второй ИППИ 3 и 9, входы-выходы которых являются входами-выходами соответственно первого 53 и второго 54 последовательных каналов, четвертый вход-выход третьей ЭВМ является входом-выходом 65 третьего последовательного канала, к входу первого устройства 21 ввода-вывода аналоговых и дискретных сигналов через первое устройство 23 согласования сигналов датчика температуры подключен первый датчик 22 температуры, к выходу первого устройства 21 ввода-вывода аналоговых и дискретных сигналов подключен блок 24 устройств релейной коммутации, выход которого является выходом 55 дискретных сигналов, вход первого устройства 25 ввода дискретных сигналов является первым входом 56 сигналов неисправности вторичных источников питания, к пятой ЭВМ 27 посредством пятой СИМ 44 подключены адаптер 36 интерфейса ДЗУ, второе устройство 37 ввода дискретных сигналов, третье устройство 38 ввода дискретных сигналов, второе устройство 39 ввода-вывода аналоговых и дискретных сигналов, адаптер 42 ЛС, шестой, седьмой, восьмой входы-выходы коммутатора 45 ЛС являются входами-выходами соответственно 61, 62, 63 первого, второго, третьего каналов ЛС, вход-выход адаптера 36 интерфейса ДЗУ является входом-выходом 57 интерфейса ДЗУ, вход второго устройства 37 ввода дискретных сигналов является первым входом 58 дискретных сигналов, первый вход третьего устройства 38 ввода дискретных сигналов является вторым входом 59 дискретных сигналов, второй вход третьего устройства 38 ввода дискретных сигналов является вторым входом 60 сигналов неисправности вторичных источников питания, к входу второго устройства 39 ввода-вывода аналоговых и дискретных сигналов через второе устройство 41 согласования сигналов датчика температуры подключен второй датчик 40 температуры, вход-выход адаптера 42 ЛС является входом-выходом 64 четвертого канала ЛС, к четвертому входу-выходу пятой ЭВМ 27 подключено устройство 34 формирования сигналов кнопок и клавиатуры, к первому входу которого подключен блок 29 кнопок, а ко второму входу подключена клавиатура 30, к пятому входу-выходу пятой ЭВМ 27 через устройство 35 управления блоком устройств индикации подключен блок 31 устройств индикации, к шестому входу-выходу пятой ЭВМ 27 подключено координатно-указательное устройство 32.
Четвертые входы-выходы первой, второй, третьей ЭВМ 1, 7, 13, пятый и шестой входы-выходы пятой ЭВМ 27, вход-выход 65 третьего последовательного канала являются входами-выходами последовательных каналов RS-232, входы-выходы 53 и 54 первого и второго последовательных каналов является входами-выходами последовательных каналов RS-485. Четвертый вход-выход пятой ЭВМ 27 является входом-выходом интерфейса PS/2.
Третьи входы-выходы первой, второй, третей, четвертой и пятой ЭВМ 1, 7, 13, 19 и 27, входы-выходы 61, 62, 63,64 первого, второго, третьего, четвертого каналов ЛС и все входы-выходы коммутатора 45 ЛС являются входами-выходами, выполненными в соответствии со стандартом IEEE 802.3 10/100BASE-TX (Ethernet).
Входы-выходы 46, 47, 48, 49, 50, 51, 52 первого, второго, третьего, четвертого, пятого, шестого и седьмого МКИО являются входами-выходами мультиплексных каналов информационного обмена, выполненных в соответствии с ГОСТ 26765.52-87 (MIL-STD-1553В).
Первый и второй входы 56 и 60 сигналов неисправности вторичных источников питания предназначены для приема сигналов неисправности от всех вторичных источников питания, обеспечивающих электропитание всех устройств унифицированного пультового прибора.
Первая, вторая, третья, четвертая и пятая ЭВМ 1, 7, 13, 19 и 27 представляют собой одноплатные ЭВМ, содержащие процессор, системную интерфейсную магистраль, видеоконтроллер, оперативное запоминающее устройство, долговременное запоминающее устройство, выполненное на основе электроперепрограммируемой энергонезависимой памяти (flash-памяти), адаптер последовательных интерфейсов, адаптер локальной сети, адаптер параллельного интерфейса, адаптер интерфейса дисковода гибких магнитных дисков, адаптеры интерфейсов долговременных запоминающих устройств (накопителей на жестких магнитных дисках и накопителей на основе электроперепрограммируемой энергонезависимой памяти), адаптер интерфейса клавиатуры. Видеоконтроллер имеет выходы аналогового видеосигнала (RGB-интерфейс).
Вторые входы-выходы первой, второй, третьей, четвертой и пятой ЭВМ 1, 7, 13, 19 и 27 являются входами-выходами интерфейса долговременных запоминающих устройств, например интерфейса EIDE.
Первая, вторая, третья, четвертая и пятая СИМ 6, 12, 18, 26 и 44 могут быть выполнены в виде магистралей ISA.
Первое, второе, третье, четвертое и пятое ДЗУ 2, 8, 14, 20 и 28 выполнены на основе электроперепрограммируемой энергонезависимой памяти (flash-памяти) и служат для хранения программ (программно-математического обеспечения) и данных, необходимых для работы унифицированного пультового прибора, документирования работы (регистрации поступающих данных и результатов их обработки, регистрации данных, вводимых пользователем), а также для хранения справочных данных, например инструкций по работе и ремонту.
Первый и второй ИППИ 3 и 9 преобразуют сигналы напряжения в токовые сигналы и обеспечивает гальваническую развязку, то есть осуществляют преобразование сигналов интерфейса RS-232 в сигналы интерфейсов RS-485/RS-422 для передачи этих сигналов по протяженным линиям связи.
Первое, второе и третье устройства 25, 37 и 38 ввода дискретных сигналов обеспечивают ввод поступающих по отдельным линиям связи дискретных сигналов и имеют гальваническую развязку.
Первый, второй, третий, четвертый, пятый, шестой и седьмой адаптеры 4, 5, 10, 11, 15, 16 и 17 МКИО обеспечивают обмен данными по мультиплексным каналам информационного обмена, выполненными в соответствии с ГОСТ 26765.52-87 (MIL-STD-1553В).
Входы первого, второго и третьего устройств 25, 37 и 38 ввода дискретных сигналов представляют собой наборы входов дискретных сигналов.
Первое и второе устройства 23 и 41 согласования сигналов датчиков температуры обеспечивают усиление и нормализацию сигналов, поступающих соответственно от первого и второго датчиков 22 и 40 температуры, которые предназначены для контроля температуры в унифицированном пультовом приборе.
Коммутатор 45 ЛС обеспечивает обмен данными между первой, второй, третьей, четвертой и пятой ЭВМ 7, 13, 19 и 27 и обмен данными с устройствами и системами, подключенными к входам-выходам 61, 62 и 63 первого, второго и третьего каналов ЛС. Передача данных и управление коммутатором 45 ЛС осуществляется в соответствии с протоколами сети Ethernet (IEEE Std 802.3, 1998 Edition).
УОГИ 43 предназначено для отображения всей необходимой оператору информации, а также УОГИ 43 используется в качестве электронной панели управления. УОГИ 43 может быть выполнено, например, в виде жидкокристаллического дисплея.
Координатно-указательное устройство 32 предназначено для управления курсором на экране УОГИ 43 и для ввода координат. В качестве координатно-указательного устройства 43 может использоваться манипулятор типа “HulaPoint”, “Trackball” или “Мышь” и т.д.
Блок 29 кнопок, блок 31 устройств индикации, клавиатура 30 и координатно-указательное устройство 32 составляют панель 33 управления. Блок 31 устройств индикации представляет собой набор индикаторов, в качестве которых могут использоваться сигнальные лампы, светоизлучающие диоды и другие подобные устройства.
Первый, второй, третий и четвертый каналы ЛС (входы-выходы 61, 62, 63 и 64) могут использоваться для подключения диагностических и обслуживающих устройств (например, портативного компьютера) для осуществления тестирования и диагностики универсального пультового прибора, обновления программного обеспечения, доступа к диагностической информации и т.д.
Вход-выход 57 интерфейса ДЗУ предназначен для подключения технологического ДЗУ, которое может использоваться для ввода в унифицированный пультовой прибор данных и программ, необходимых для его работы (например, для обновления программного обеспечения), и для вывода из унифицированного пультового прибора диагностической информации. Вход-выход 57 интерфейса ДЗУ может быть выполнен в виде входа-выхода SCSI-интерфейса, а адаптер 36 интерфейса ДЗУ может быть выполнен в виде адаптера SCSI – интерфейса.
Первый и второй входы 58 и 59 дискретных сигналов используются для ввода сигналов состояния объектов управления.
Входы первого и второго устройств 21 и 39 ввода-вывода аналоговых и цифровых сигналов являются входами аналоговых сигналов. Выход первого устройства 21 ввода-вывода аналоговых и цифровых сигналов представляет собой набор дискретных выходов.
Блок 24 устройств релейной коммутации обеспечивает формирование сигналов, используемых при взаимодействии с объектами управления. Блок 24 устройств релейной коммутации представляет собой набор релейных элементов, например электромагнитных реле.
Процессоры 66 первой, второй, третьей, четвертой и пятой ЭВМ 1, 7, 13, 19 и 27 имеют входы-выходы системной интерфейсной магистрали, которые образуют выходы-выходы 74 системной интерфейсной магистрали (первые входы-выходы всех ЭВМ) и к которым подключены интерфейсные входы-выходы оперативного запоминающего устройства 67, долговременного запоминающего устройства 68 программ начальной загрузки и самотестирования, долговременного запоминающего устройства 69, адаптера 70 интерфейса долговременных запоминающих устройств, адаптера 71 устройства отображения графической информации, адаптера 72 локальной сети, адаптера 73 последовательного интерфейса (фиг.2).
Вход-выход адаптера 70 интерфейса долговременных запоминающих устройств является входом-выходом 75 интерфейса долговременных запоминающих устройств ЭВМ (вторым входом-выходом всех ЭВМ), в качестве которого может быть использован интерфейс IDE, EIDE, SATA, SCSI, а также интерфейс, совместимый с накопителями (картами) энергонезависимой памяти, например с накопителями Compact Flash.
Выход адаптера 71 устройства отображения графической информации является видеовыходом 76 видеосигнала ЭВМ (используется только в пятой ЭВМ 27).
Вход-выход адаптера 72 локальной сети является входом-выходом 77 локальной сети (третьим входом-выходом всех ЭВМ), который является входом-выходом сети Ethernet.
Вход-выход адаптера 73 последовательного интерфейса является входом-выходом 78 последовательного интерфейса, например интерфейса PS/2, RS-232 или USB (четвертым входом-выходом первой, второй, третьей и пятой ЭВМ 1, 7, 13 и 27.) Такими же средствами образованы пятый и шестой входы-выходы пятой ЭВМ 27 (на фиг.2-4 условно не показаны).
Процессоры 66 ЭВМ 1, 7, 13, 19 и 27 имеют входы-выходы магистрали информационного обмена запоминающих устройств и входы-выходы СИМ процессора (фиг.3, 4). В этом случае оперативное запоминающее устройство 67 и долговременное запоминающее устройство 68 программ начальной загрузки и самотестирования подключены к магистрали 80 информационного обмена запоминающих устройств. А к входам-выходам СИМ процессоров 66 подключен адаптер 81 СИМ. Адаптер 81 СИМ (контроллер шины) обеспечивает согласование тактовых частот, используемых на СИМ и магистрали процессора, организует очередь доступа к этим магистралям. Адаптер 81 СИМ представляет собой, например, мост PCI, мост ISA или соединение моста PCI и моста PCI-ISA.
Долговременное запоминающее устройство 69 может быть подключено к адаптеру 70 интерфейса долговременных запоминающих устройств (фиг.4).
Устройство 79 управления долговременным запоминающим устройством 68 программ начальной загрузки и самотестирования предназначено для управления записью в долговременное запоминающее устройство 68 программ начальной загрузки и самотестирования (перепрограммированием устройства 68). Устройство 79 управления может представлять собой устройство, содержащие дешифратор адреса и регистр. Выход регистра образует выход устройства 79 управления и соединен с управляющим входом долговременного запоминающего устройства 68 программ начальной загрузки и самотестирования. При записи соответствующих данных в регистр устройства 79 управления (путем осуществления операции записи на системной интерфейсной магистрали по адресу, на который настроен дешифратор адреса устройства 79 управления) с выхода устройства 79 управления выдается сигнал, который переводит устройство 68 в режим, в котором возможно осуществление записи в него.
Долговременное запоминающее устройство 68 программ начальной загрузки и самотестирования может быть выполнено на основе энергонезависимой электроперепрограммируемой памяти (микросхемы flash-памяти). Устройство 68 содержит программы, которые начинают выполняться сразу после включения питания. Эти программы обеспечивают инициализацию всех устройств ЭВМ, их проверку (тестирование), проверку работоспособности интерфейсов и магистралей, а также загрузку рабочих программ из долговременных устройств 69 или из долговременных запоминающих устройств, подключенных к входам-выходам 75 интерфейса долговременных запоминающих устройств.
Унифицированный пультовой прибор работает следующим образом. После включения питания в каждой из ЭВМ 1, 7, 13, 19 и 27 запускается программа самотестирования и тестирования подключенных к ЭВМ устройств. При этом программа самотестирования формирует матрицу состояний входящих в состав автоматизированного места устройств и каналов связи. Тем самым обеспечивается возможность функционирования унифицированного пультового прибора в условиях деградации, например при отказе резервированных устройств или каналов связи с источниками информации и объектами управления.
В случае успешного прохождения тестов из первого, второго, третьего, четвертого и пятого ДЗУ 2, 8, 14, 20 и 28 производится загрузка функционального программного обеспечения соответственно в первую, вторую, третью, четвертую и пятую ЭВМ 1, 7, 13, 19 и 17.
Далее в унифицированный пультовой прибор по первому, второму, третьему, четвертому, пятому, шестому и седьмому мультиплексным каналам информационного обмена (через входы-выходы 46, 47, 48, 49, 50, 51 и 52), а также по второму, третьему и четвертому каналам ЛС (через входы-выходы 62, 63 и 64) и по первому, второму и третьему последовательным каналам (через входы-выходы 53, 54 и 65) поступают данные от корабельных систем-источников информации и от комплексов корабельного оружия. Эти данные представляются оператору на экране УОГИ 43. Изображение на экране второго УОГИ 43 формируется пятой ЭВМ 27 в соответствии с текущим режимом работы и полученных от оператора команд. Данные о состоянии комплексов оружия и унифицированного пультового прибора выводятся также при помощи индикаторов блока 31 устройств индикации панели 33 управления.
При помощи панели 33 управления (блока 29 кнопок, клавиатуры 30 и координатно-указательного устройства 32), а также при помощи электронной панели управления, образованной при помощи УОГИ 43 и координатно-указательного устройства 32, оператор вводит данные и команды, необходимые для управления комплексами корабельного оружия. На основе этих данных и команд унифицированный пультовой прибор выдает соответствующие данные и команды в комплексы корабельного оружия по первому, второму, третьему, четвертому, пятому, шестому и седьмому мультиплексным каналам информационного обмена (через входы-выходы 46, 47, 48, 49, 50, 51 и 52), а также по второму, третьему и четвертому каналам ЛС (через входы-выходы 62, 63 и 64) и по первому, второму и третьему последовательным каналам (через входы-выходы 53, 54 и 65), а также по дискретным каналам (через выход 55 дискретных сигналов).
Сигналы неисправности вторичных источников питания устройств и блоков унифицированного пультового прибора поступают на первый и второй входы 56 и 60 сигналов неисправности вторичных источников питания и далее соответственно на вход первого устройства 25 ввода дискретных сигналов и второй вход третьего устройства 38 ввода дискретных сигналов.
Температура в унифицированном пультовом приборе контролируется первым и вторым датчиками 22 и 40 температуры, сигналы с которых поступают через соответственно первое и второе устройства 23 и 41 согласования на входы первого и второго устройств 21 и 39 ввода-вывода аналоговых и дискретных сигналов, в которых преобразуются в цифровую форму.
В случае поступления сигналов неисправности от какого-либо из вторичных источников питания или в случае превышения предельной температуры на экран УОГИ 43 выводится соответствующая диагностическая информация.
Таким образом, в результате использования изобретения повышена надежность и отказоустойчивость унифицированного пультового прибора за счет возможности самотестирования ЭВМ, возможности контроля исправности вторичных источников электропитания и возможности контроля температуры в приборе.
Представленные чертежи и описание системы позволяют, используя существующую элементную базу, изготовить унифицированный пультовой прибор промышленным способом и использовать для сбора и обработки информации, решения боевых задач и выработки управляющих команд для систем вооружения и технических средств, что характеризует предлагаемое изобретение как промышленно применимое.
Источники информации
1. Патент США №4065809, кл. G 06 F 15/16, 1977 г.
2. Патент США №3959775, кл. G 06 F 15/16, 1976 г.
3. Авт. св. СССР №742943, кл. G 06 F 15/16, 1980 г.
4. Авт. св. СССР №907551, кл. G 06 F 15/16, 1982 г.
5. Свид. РФ на ПМ №4395, кл. G 06 F 15/16, 1996 г.
6. Патент РФ №2183856, кл. G 06 F 15/16, 2002 г. (прототип).
Формула изобретения
Пультовой прибор, содержащий первую электронно-вычислительную машину (ЭВМ), первое долговременное запоминающее устройство (ДЗУ), первый изолированный преобразователь последовательных интерфейсов (ИППИ), первый адаптер мультиплексных каналов информационного обмена (МКИО), второй адаптер МКИО, первую системную интерфейсную магистраль (СИМ), вторую ЭВМ, второе ДЗУ, второй ИППИ, третий адаптер МКИО, четвертый адаптер МКИО, вторую СИМ, третью ЭВМ, третье ДЗУ, пятый адаптер МКИО, шестой адаптер МКИО, седьмой адаптер МКИО, третью СИМ, четвертую ЭВМ, четвертое ДЗУ, первое устройство ввода-вывода аналоговых и дискретных сигналов, первый датчик температуры, первое устройство согласования сигналов датчика температуры, блок устройств релейной коммутации, первое устройство ввода дискретных сигналов, четвертую СИМ, пятую ЭВМ, пятое ДЗУ, блок кнопок, клавиатуру, блок устройств индикации, координатно-указательное устройство, устройство формирования сигналов кнопок и клавиатуры, устройство управления блоком устройств индикации, адаптер интерфейса ДЗУ, второе устройство ввода дискретных сигналов, третье устройство ввода дискретных сигналов, второе устройство ввода-вывода аналоговых и дискретных сигналов, второй датчик температуры, второе устройство согласования сигналов датчика температуры, адаптер локальной сети (ЛС), устройство отображения графической информации (УОГИ), пятую СИМ, коммутатор ЛС, при этом первые входы-выходы первой, второй, третьей, четвертой, пятой ЭВМ образуют соответственно первую, вторую, третью, четвертую, пятую СИМ, ко вторым входам-выходам первой, второй, третьей, четвертой, пятой ЭВМ подключены соответственно первое, второе, третье, четвертое, пятое ДЗУ, к видеовыходу пятой ЭВМ подключено УОГИ, третьи входы-выходы первой, второй, третьей, четвертой, пятой ЭВМ соединены соответственно с первым, вторым, третьим, четвертым, пятым входами-выходами коммутатора ЛС, к первой ЭВМ посредством первой СИМ подключены первый и второй адаптеры МКИО, входы-выходы которых являются входами-выходами соответственного первого и второго МКИО, ко второй ЭВМ посредством второй СИМ подключены третий и четвертый адаптеры МКИО, входы-выходы которых являются входами-выходами соответственно третьего и четвертого МКИО, к третьей ЭВМ посредством третьей СИМ подключены пятый, шестой, седьмой адаптеры МКИО, входы-выходы которых являются входами-выходами соответственно пятого, шестого, седьмого МКИО, к четвертой ЭВМ посредством четвертой СИМ подключены первое устройство ввода-вывода аналоговых и дискретных сигналов и первое устройство ввода дискретных сигналов, к четвертым входам-выходам первой и второй ЭВМ подключены первый и второй ИППИ, входы-выходы которых являются входами-выходами соответственно первого и второго последовательных каналов, четвертый вход-выход третьей ЭВМ является входом-выходом третьего последовательного канала, к входу первого устройства ввода-вывода аналоговых и дискретных сигналов через первое устройство согласования сигналов датчика температуры подключен первый датчик температуры, к выходу первого устройства ввода-вывода аналоговых и дискретных сигналов подключен блок устройств релейной коммутации, выход блока релейной коммутации, который обеспечивает формирование сигналов, используемых при взаимодействии с объектами управления, является выходом дискретных сигналов, вход первого устройства ввода дискретных сигналов является первым входом сигналов неисправности вторичных источников питания, к пятой ЭВМ посредством пятой СИМ подключены адаптер интерфейса ДЗУ, второе устройство ввода дискретных сигналов, третье устройство ввода дискретных сигналов, второе устройство ввода-вывода аналоговых и дискретных сигналов и адаптер ЛС, шестой, седьмой, восьмой входы-выходы коммутатора ЛС являются входами-выходами соответственного первого, второго, третьего каналов ЛС, вход-выход адаптера интерфейса ДЗУ является входом-выходом интерфейса ДЗУ, вход второго устройства ввода дискретных сигналов является первым входом дискретных сигналов, первый вход третьего устройства ввода дискретных сигналов является вторым входом дискретных сигналов, второй вход третьего устройства ввода дискретных сигналов является вторым входом сигналов неисправности вторичных источников питания, к входу второго устройства ввода-вывода аналоговых и дискретных сигналов через второе устройство согласования сигналов датчика температуры подключен второй датчик температуры, вход-выход адаптера ЛС является входом-выходом четвертого канала ЛС, к четвертому входу-выходу пятой ЭВМ подключено устройство формирования сигналов кнопок и клавиатуры, к первому входу которого подключен блок кнопок, а ко второму входу подключена клавиатура, к пятому входу-выходу пятой ЭВМ через устройство управления блоком устройств индикации подключен блок устройств индикации, к шестому входу-выходу пятой ЭВМ подключено координатно-указательное устройство, вторые входы-выходы первой, второй, третьей, четвертой и пятой ЭВМ являются входами-выходами интерфейса долговременных запоминающих устройств, третьи входы-выходы первой, второй, третьей, четвертой и пятой ЭВМ являются входами-выходами, выполненными в соответствии со стандартом локальной сети Ethernet, четвертые входы-выходы первой, второй и третьей ЭВМ, четвертый, пятый и шестой входы-выходы пятой ЭВМ являются входами-выходами последовательных каналов, первый и второй входы сигналов неисправности вторичных источников питания предназначены для приема сигналов неисправности от всех вторичных источников питания, обеспечивающих электропитание всех устройств унифицированного пультового прибора, первый и второй входы дискретных сигналов предназначены для ввода сигналов состояния объектов управления.
РИСУНКИ
PD4A – Изменение наименования обладателя патента Российской Федерации на изобретение
(73) Новое наименование патентообладателя:
Открытое акционерное общество «Концерн «Гранит-Электрон» (RU)
Адрес для переписки:
191014, Санкт-Петербург, ул. Госпитальная, 3, ОАО «Концерн «Гранит – Электрон»
Извещение опубликовано: 20.08.2009 БИ: 23/2009
|
|