|
|
(21), (22) Заявка: 2004138201/28, 27.12.2004
(24) Дата начала отсчета срока действия патента:
27.12.2004
(45) Опубликовано: 10.05.2006
(56) Список документов, цитированных в отчете о поиске:
RU 2231075 C1, 20.06.2004. RU 2171994 C1, 10.08.2001. RU 2190226 C1, 27.09.2002. RU 2171995 C1, 10.08.2001. RU 2098833 C1, 10.12.1997. SU 1638638 A1, 30.03.1991. GB 2169717 A, 16.07.1986. US 4336718 A, 29.06.1982.
Адрес для переписки:
300600, г.Тула, пр. Ленина, 92, ТулГУ, патентно-лицензионный сектор
|
(72) Автор(ы):
Кутуров Анатолий Никитович (RU), Кулешов Дмитрий Владимирович (RU), Кулешов Александр Владимирович (RU), Рамзова Нина Владимировна (RU), Кулешов Владимир Вениаминович (RU)
(73) Патентообладатель(и):
Государственное образовательное учреждение высшего профессионального образования Тульский Государственный Университет (ТулГУ) (RU)
|
(54) УСТРОЙСТВО ДЛЯ ИЗМЕРЕНИЯ УСКОРЕНИЙ
(57) Реферат:
Изобретение предназначено для применения в качестве чувствительного элемента в системах стабилизации, наведения и навигации и может найти применение в приборах измерения механических величин компенсационного типа. В устройство, содержащее две отрицательные обратные связи, введены, в цифровую отрицательную обратную связь, с выхода реверсивного двоичного счетчика на вход второго суммирующего элемента первый регистр стека, второй регистр стека, сумматор, дополнительными входами которого являются выходы с реверсивного двоичного счетчика и с первого и второго регистра стека, выходной регистр, схема сравнения, другой вход которой соединен со схемой синхронизации через суммирующий счетчик, второй прецизионный релейный элемент, второй преобразователь напряжение – ток. Дополнительные входы малоразрядного реверсивного двоичного счетчика, малоразрядного итогового регистра, ждущих синхронных генераторов, двоичного умножителя, реверсивного двоичного счетчика, выходного регистра и второго прецизионного релейного элемента соединены с одним из выходов схемы синхронизации. Выход с реверсивного двоичного счетчика является цифровым выходом устройства. Введение в устройство двух параллельных отрицательных обратных связей позволяет создать устройство повышенной точности с расширенной полосой пропускания, в котором заданное качество переходного процесса обеспечивается аналоговой отрицательной обратной связью, а расширение полосы пропускания обеспечивается путем управления прецизионным релейным элементом, как основным, так и разностными сигналами с выходов реверсивного двоичного счетчика и первого и второго регистра стека. Включение в цифровую отрицательную обратную связь малоразрядного реверсивного счетчика, малоразрядного итогового регистра, двоичного умножителя, схем совпадения, реверсивного двоичного счетчика, первого и второго регистра стека, сумматора, выходного регистра схемы сравнения, суммирующего счетчика, прецизионного релейного элемента позволило создать устройство с разомкнутой передаточной функцией K/S, устойчивое при любом К – коэффициенте усиления по разомкнутому контуру. 1 ил.
Устройство предназначено для применения в качестве элемента в системах стабилизации, наведения и навигации. Изобретение может найти применение в приборах измерения механических величин компенсационного типа.
Известно устройство для измерения ускорений (патент РФ №2098833, МПК6 G 01 P 15/13, опубл. 10.12.97), содержащее чувствительный элемент, включающий в себя два неподвижных электрода и подвижную пластину, три усилителя, два резистора, источник опорного напряжения, генератор электрического сигнала, две транзисторные пары, три резистора, два конденсатора, позволяющих за счет отрицательной обратной связи осуществить компенсацию электрических помех.
Недостатком данного устройства является низкая точность измерения, так как выбор коэффициента усиления в обратной связи ограничен условием устойчивости.
Наиболее близким по техническому решению является устройство (RU 2231075 С1, G 01 Р 15/13, опубл. 20.06.2004, Бюл. №17), содержащее чувствительный элемент, датчик угла, интегрирующий усилитель, датчик момента, две активные параллельные отрицательные обратные связи. Аналоговая отрицательная обратная связь реализована с выхода интегрирующего усилителя на вход второго суммирующего элемента через последовательно включенные – первый логический элемент, схему исключающее “или”, первый прецизионный релейный элемент, сглаживающий фильтр, фильтр верхних частот, первый преобразователь напряжение – ток. Цифровая отрицательная обратная связь реализована с выхода интегрирующего усилителя на другой вход второго суммирующего элемента через последовательно включенные – первый логический элемент, схему исключающее “или”, первый прецизионный релейный элемент, сглаживающий фильтр, первый суммирующий элемент, релейный элемент, ждущие синхронные генераторы, RS-триггер, первую пару схемы совпадения, другой вход которых соединен с выходом схемы синхронизации, малоразрядный реверсивный двоичный счетчик, малоразрядный итоговый регистр, преобразователь цифровой информации в прямой код, двоичный умножитель, вторую пару схемы совпадения, другой вход которых соединен с выходом знакового разряда малоразрядного регистра, реверсивный двоичный счетчик, схему сравнения, другой вход которой соединен со схемой синхронизации через суммирующий счетчик, второй прецизионный релейный элемент, второй преобразователь напряжение – ток. Дополнительные входы ждущих синхронных генераторов, малоразрядного реверсивного двоичного счетчика, малоразрядного итогового регистра, схем совпадения, суммирующего устройства соединены с одним из выходов схемы синхронизации. Устройство содержит генератор опорного напряжения один выход которого соединен с входом датчика угла, другой – с входом схемы исключающее “или” через второй логический элемент, и выход датчика угла соединен с входом усилителя, и выход реверсивного двоичного счетчика является цифровым выходом устройства.
Недостатком устройства является малое быстродействие, полоса пропускания и малый коэффициент усиления по разомкнутому контуру, определяющий точность.
Задачей предложенного технического решения является повышение точности измерения ускорения и расширение полосы пропускания устройства.
Это достигается тем, что в устройство, содержащее чувствительный элемент, датчик угла, интегрирующий усилитель, датчик момента, схему синхронизации, генератор стабильной частоты, генератор пилообразного напряжения, суммирующий счетчик, генератор опорного напряжения, один выход которого соединен с входом датчика угла, другой – со входом схемы исключающее “или” через логический элемент, и выход датчика угла соединен с входом интегрирующего усилителя, две параллельные отрицательные обратные связи (ПООС) – аналоговую и цифровую, аналоговая (ПООС) с выхода интегрирующего усилителя на вход второго суммирующего элемента через последовательно соединенные: первый логический элемент, схему исключающее “или”, первый прецизионный релейный элемент, сглаживающий фильтр, фильтр верхних частот, первый преобразователь напряжение – ток, цифровая (ПООС) с выхода интегрирующего усилителя на вход реверсивного двоичного счетчика через последовательно соединенные: первый логический элемент, схему исключающее “или”, первый прецизионный релейный элемент, сглаживающий фильтр, первый суммирующий элемент, релейный элемент, ждущие синхронные генераторы, RS-триггер, первую пару схем совпадения, другой вход которых соединен с одним из выходов схемы синхронизации, малоразрядный реверсивный двоичный счетчик, малоразрядный итоговый регистр, преобразователь цифровой информации в прямой код, двоичный умножитель, вторую пару схем совпадения, второй вход которых соединен с выходом знакового разряда малоразрядного регистра, реверсивный двоичный счетчик, введены по информационным входам в цифровую ПООС с выхода реверсивного двоичного счетчика на вход второго суммирующего элемента: первый регистр стека, второй регистр стека, сумматор, дополнительные входы которого соединены с выходами реверсивного двоичного счетчика, первого и второго регистра стека, выходной регистр, схема сравнения, другой вход которой соединен со схемой синхронизации через суммирующий счетчик, второй прецизионный релейный элемент, второй преобразователь напряжение – ток, выход которого соединен с входом датчика моментов через второй суммирующий элемент, причем дополнительные входы реверсивного двоичного счетчика, первого регистра стека, выходного регистра, второго прецизионного релейного элемента соединены с одним из выходов схемы синхронизации, вход которой соединен с генератором стабильной частоты, а выход соединен с входом генератора пилообразного напряжения, выход которого соединен с одним из входов первого суммирующего элемента, и выход с реверсивного двоичного счетчика является цифровым выходом устройства.
Введение в цифровую отрицательную обратную связь реверсивного двоичного реверсивного счетчика, первого и второго регистра стека, сумматора, выходного регистра, схемы сравнения, суммирующего счетчика, второго прецизионного релейного элемента позволило повысить точность измерения ускорения и расширить полосу пропускания предложенного устройства за счет формирования основного и разностного цифрового кода с последующей выдачей сглаженной информации с выхода реверсивного двоичного счетчика.
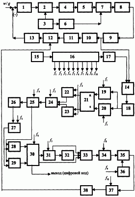
На чертеже изображена функциональная схема устройства.
Устройство для измерения ускорений содержит чувствительный элемент 1, угловое положение которого фиксирует датчик угла 2, обмотка возбуждения которого соединена с генератором опорного напряжения 3. Выходная обмотка датчика угла 2 соединена с интегрирующим усилителем переменного тока со стабильным коэффициентом усиления 4, выход которого соединен с входом первого логического элемента 5. Вход второго логического элемента 6 соединен с одним из выходов генератора опорного напряжения 3, а выход соединен с одним из входов схемы исключающее “или” 7, другой вход схемы исключающее “или” 7 соединен с выходом первого логического элемента 5. Выход схемы исключающее “или” 7 соединен с входом первого прецизионного релейного элемента 8, выход которого соединен с входом сглаживающего фильтра 9. Один из выходов сглаживающего фильтра 9 соединен с фильтром верхних частот 10, выход которого, через первый преобразователь напряжение – ток 11, соединен с одним из входов второго суммирующего элемента 12, выход которого соединен с датчиком моментов 13, другой выход сглаживающего фильтра 9 соединен с одним из входов первого суммирующего элемента 14, другой вход элемента 14 соединен с выходом генератора стабильной частоты 15 через схему синхронизации 16 и генератор пилообразного напряжения 17. Выход первого суммирующего элемента 14 соединен с входом релейного элемента 18, выходы которого соединены с входами ждущих синхронных генераторов 19 и 20. Выход ждущего синхронного генератора 19 соединен с R-входом RS-триггера 21, а выход ждущего синхронного генератора 20 соединен с S-входом RS-триггера 21. Выходы RS-триггера 21 соединены соответственно с одним из входов первой пары схем совпадения 22 и 23, другие входы RS-триггера 19 и 20 и первой пары схем совпадения 22 и 23 соединены с одним из выходов схемы синхронизации 16. Выходы первой пары схем совпадения 22 и 23 соединены с входами малоразрядного реверсивного двоичного счетчика 24, другой вход счетчика 24 соединен с выходом схемы синхронизации 16. Вход малоразрядного итогового регистра 25 соединен с выходом малоразрядного реверсивного двоичного счетчика 24 и с выходом схемы синхронизации 16. Выход малоразрядного итогового регистра 25 соединен с входом преобразователя цифровой информации в прямой код 26, выход которого соединен с входом двоичного умножителя 27, другой вход двоичного умножителя соединен с выходом схемы синхронизации 16, а выход двоичного умножителя 27 соединен с входами второй пары схем совпадения 28 и 29, другие входы второй пары схем совпадения 28 и 29 соединены с выходом знакового разряда малоразрядного итогового регистра 25. Выходы второй пары схем совпадения 28 и 29 соединены соответственно с суммирующим и вычитающим входами реверсивного двоичного счетчика 30, один из входов реверсивного двоичного счетчика 30 соединен с выходом схемы синхронизации 16. Выход реверсивного двоичного счетчика 30 соединен с входом первого регистра стека 31, другой вход первого регистра стека 31 соединен с выходом схемы синхронизации 16, а выход первого регистра стека 31 соединен с входом второго регистра стека 32, выход которого соединен с одним из входов сумматора 33, другие входы сумматора 33 соединены соответственно с выходами первого, второго регистра стека 31, 32 и реверсивного двоичного счетчика 30. Выход сумматора 33 соединен с входом выходного регистра 34, а выход выходного регистра 34 соединен со схемой сравнения 35, второй вход которой соединен с выходом схемы синхронизации 16 через суммирующий счетчик 36. Выход схемы сравнения 35 соединен с входом второго прецизионного релейного элемента 37, выход которого соединен с входом второго преобразователя напряжение – ток 38. Выход второго преобразователя напряжение – ток 38 соединен с одним из входов второго суммирующего элемента 12. Дополнительные входы выходного регистра 34 и второго прецизионного релейного элемента 37 соединены с выходами схемы синхронизации 16. Информация о действующем ускорении, в цифровом коде, выдается с выхода реверсивного двоичного счетчика 30.
Внутреннее содержание блоков, реализующих устройство для измерения ускорения, описано в книгах: Майоров С.А., Новиков Г.И. “Принцип организации цифровых машин”, Л.: Машиностроение, 1974, 432 с.; Хоровиц П., Хилл У. “Искусство схемотехники”. М.: Мир, т.1-3, 1993.
Работа устройства для измерения ускорений осуществляется следующим образом.
Отклонение чувствительного элемента 1, под действием ускорения, фиксируется датчиком угла 2, обмотка возбуждения которого запитывается от генератора несущей частоты 3. Выходной сигнал с датчика угла 2 имеет фазу 0° либо 180° относительно несущей частоты. Выходной сигнал с датчика угла 2 усиливается интегрирующим усилителем переменного тока 4 со стабильным коэффициентом усиления. С выхода первого логического элемента 5 входной сигнал с усилителя 4 представляется в виде сигнала прямоугольной формы с частотой генератора опорного напряжения 3. Для выделения фазы отклонения чувствительного элемента 1 предусмотрен второй логический элемент 6, на вход которого подается сигнал с генератора опорного напряжения 3. На выходе логического элемента 6 будет сигнал, аналогичный по форме сигналу с первого логического элемента 5. Выходные сигналы с элементов 5 и 6, сдвинутые по фазе, поступают на входы схемы исключающее “или” 7 (схема сложения по модулю “2”), осуществляющей операцию логического сложения. Если сигналы с элементов 5 и 6 имеют нулевой фазовый сдвиг, то на выходе схемы 7 имеем логический “0”, если же сигналы с элементов 5 и 6 имеют фазовый сдвиг, отличный от нуля, то на выходе схемы 7 имеем логическую “1”. Форма выходного сигнала со схемы 7 аналогична форме сигналов со схем 5 и 6. Выходной сигнал с выхода схемы 7 поступает на вход прецизионного релейного элемента 8, переключение которого происходит на несущей частоте генератора 3, и осуществляется фиксация уровня сигнала с выхода схемы 7. Сглаживающий фильтр 9 осуществляет выделение уровня сигнала, с выхода 8, в соответствии с фазой отклонения чувствительного элемента 1. Фильтр верхних частот 10, включенный в одну из параллельных отрицательных обратных связей, обеспечивает заданную форму переходного процесса в устройстве и включен на выход фильтра 9. Так как входом для датчика моментов 13 является ток, то с выхода фильтра 10 на вход второго суммирующего элемента 12 включен первый преобразователь напряжение – ток 11. Выход второго суммирующего элемента 12 соединен с токовой обмоткой датчика моментов 13. Сглаженный сигнал с фильтра 9 поступает на один из входов первого суммирующего элемента 14, включенного в другую параллельную отрицательную обратную связь. На другой вход суммирующего элемента 14 поступает сигнал с генератора пилообразного напряжения 17, для которого входным сигналом является сигнал со схемы синхронизации 16. Генератор стабильной частоты 15 подключен к входу схемы синхронизации 16. На выходе первого суммирующего элемента 14 имеем сигнал в виде пилы, смещенный по уровню в зависимости от фазы отклонения чувствительного элемента 1. Релейный элемент 18, включенный на выход элемента 14, срабатывает по знаку сигнала с выхода суммирующего элемента 14, и сигнал в виде ШИМа (широтно-импульсной модуляции) поступает на входы ждущих синхронных генераторов 19 и 20, которые взводятся от релейного элемента 18 и вырабатывают короткие (длительностью, определяемой частотой привязки схемы синхронизации 16) импульсы (f1), частота которых определяется частотой переключения элемента 18. В зависимости от фазы на RS-триггер 21 подается импульс с генератора 19 либо с генератора 20. На один из входов схем совпадения 22 и 23 (схем “и”) подаются сигналы с выхода RS-триггера 21, на другие – импульсы счета (f2) со схемы синхронизации 16. В зависимости от состояния триггера 21 импульсы будут подаваться либо на суммирующий либо на вычитающий входы малоразрядного реверсивного двоичного счетчика 24. По окончании периода колебания чувствительного элемента 1 информация из счетчика 24 (равная разности “положительных” и “отрицательных” импульсов) по сигналу импульса установки со схемы синхронизации 16 (f3) переписывается в малоразрядный итоговый регистр 25 по импульсу записи со схемы синхронизации 16 (f4). Цифровой код с итогового регистра 25 поступает в преобразователь цифровой информации в прямой код 26. Положительная информация в малоразрядном итоговом регистре 25 представляется в прямом коде, а отрицательная – в дополнительном. Старший знаковый разряд показывает направление отклонения чувствительного элемента 1. Цифровой код с преобразователя 26 поступает на двоичный умножитель 27, сигнал на выходе которого представляется в виде синхроимпульсов (где x – цифровой код с преобразователя 26, f5 – частота заполнения с устройства 16, n – разрядность малоразрядного реверсивного двоичного счетчика 24). Синхроимпульсы с двоичного умножителя 27, пропорциональные цифровому коду, поступают на входы схем совпадения 28 и 29, на другой вход которых поступает старший знаковый разряд с малоразрядного итогового регистра 25. Если знаковый разряд с регистра 25 совпадает со знаковым разрядом цифрового кода с умножителя 27, то цифровой код с умножителя 27 поступает на суммирующий вход реверсивного двоичного счетчика 30, в противном случае – на отрицательный вход счетчика 30. Информация со счетчика 30 (равная разности числа “положительных” и “отрицательных” импульсов) по сигналу с устройства распределения синхроимпульсов 16 (f6) поступает на один из входов первого регистра стека 31 и затем по импульсу (f7) с устройства 16 продвигается во второй регистр стека 32. Основной цифровой код с выхода реверсивного двоичного счетчика 30 и разностные цифровые коды с выходов первого и второго регистров стека 31, 32 поступают на вход сумматора 33 и затем запоминаются в выходном регистре 34. После запоминания в регистре 34, по импульсу (f8) с устройства 16, цифровой код поступает на один из входов схемы сравнения 35, другой вход которой соединен с суммирующим счетчиком 36, заполнение которого осуществляется по импульсу (f9) со схемы 16. Цифровые коды с элементов 34 и 36 сравниваются в схеме сравнения 35, и если код со схемы 34 больше, чем код со счетчика 36, то на выходе схемы 35 имеем логический “0”, в противном случае “1”. Информация со схемы сравнения 35 поступает на вход второго прецизионного релейного элемента 37, переключение которого осуществляется с частотой (f10) со схемы 16, и выходной сигнал в виде ШИМа поступает на вход второго преобразователя напряжение – ток 38, а затем, после преобразования, на вход второго суммирующего элемента 12. Результирующий ток с выхода элемента 12 поступает на обмотку управления датчика моментов 13 и развиваемый момент датчиком моментов 13 компенсирует угловое отклонение чувствительного элемента 1, вызванное действием ускорения W/g. Информация об ускорении, в виде цифрового кода, поступает с выхода реверсивного двоичного счетчика 30.
Введение в устройство двух параллельных отрицательных обратных связей позволяет создать устройство повышенной точности и с расширенной полосой пропускания, в котором заданное качество переходного процесса обеспечивается аналоговой отрицательной обратной связью, а расширение полосы пропускания обеспечивается путем управления вторым прецизионным релейным элементом 37 как основным, так и разностным сигналами с выходов реверсивного двоичного счетчика 30, первого и второго регистра стека 31 и 32. Включение в цифровую отрицательную обратную связь малоразрядного реверсивного счетчика 24, малоразрядного итогового регистра 25, двоичного умножителя 27, схем совпадения 28, 29, реверсивного двоичного счетчика 30, первого и второго регистра стека 31 и 32, сумматора 33, выходного регистра 34, схемы сравнения 35, суммирующего счетчика 36, прецизионного релейного элемента 37 позволило реализовать устройство для измерения ускорений с разомкнутой передаточной функцией W(s)=К/s, устойчивое при любом К (где К – коэффициент усиления по разомкнутому контуру).
Формула изобретения
Устройство для измерения ускорений, содержащее чувствительный элемент, датчик угла, интегрирующий усилитель, датчик момента, схему синхронизации, генераторы стабильной частоты и пилообразного напряжения, суммирующий счетчик, генератор опорного напряжения, один выход которого соединен с входом датчика угла, другой со входом схемы исключающее “или” через логический элемент и выход датчика угла соединен с входом интегрирующего усилителя, две параллельные отрицательные обратные связи (ПООС), аналоговую и цифровую, аналоговая ПООС с выхода интегрирующего усилителя на вход второго суммирующего элемента через последовательно соединенные первый логический элемент, схему исключающее “или”, первый прецизионный релейный элемент, сглаживающий фильтр, фильтр верхних частот, первый преобразователь напряжение – ток, цифровая ПООС с выхода интегрирующего усилителя на вход реверсивного двоичного счетчика через последовательно соединенные первый логический элемент, схему исключающее “или”, первый прецизионный релейный элемент, сглаживающий фильтр, первый суммирующий элемент, релейный элемент, ждущие синхронные генераторы, RS-триггер, первую пару схем совпадения, другой вход которых соединен с одним из выходов схемы синхронизации, малоразрядный реверсивный двоичный счетчик, малоразрядный итоговый регистр, преобразователь цифровой информации в прямой код, двоичный умножитель, вторую пару схем совпадения, второй вход которых соединен с выходом знакового разряда малоразрядного регистра, реверсивный двоичный счетчик, отличающееся тем, что в цифровую ПООС введены по информационным входам с выхода реверсивного двоичного счетчика на вход второго суммирующего элемента первый регистр стека, второй регистр стека, сумматор, дополнительные входы которого соединены с выходами реверсивного двоичного счетчика с первого и второго регистров стека, выходной регистр, схема сравнения, другой вход которой соединен со схемой синхронизации через суммирующий счетчик, второй прецизионный релейный элемент, второй преобразователь напряжение – ток, выход которого соединен с входом датчика моментов через второй суммирующий элемент, причем дополнительные входы реверсивного двоичного счетчика, первого регистра стека, выходного регистра, второго прецизионного релейного элемента соединены с одним из выходов схемы синхронизации, вход которой соединен с генератором стабильной частоты, а выход соединен с входом генератора пилообразного напряжения, выход которого соединен с одним из входов первого суммирующего элемента, и выход с реверсивного двоичного счетчика является цифровым выходом устройства.
РИСУНКИ
MM4A – Досрочное прекращение действия патента СССР или патента Российской Федерации на изобретение из-за неуплаты в установленный срок пошлины за поддержание патента в силе
Дата прекращения действия патента: 28.12.2006
Извещение опубликовано: 10.09.2008 БИ: 25/2008
|
|