|
|
(21), (22) Заявка: 2004132155/28, 05.11.2004
(24) Дата начала отсчета срока действия патента:
05.11.2004
(45) Опубликовано: 10.05.2006
(56) Список документов, цитированных в отчете о поиске:
RU 5419194 А, 30.05.1995. SU 456208 A, 20.02.1975. SU 625164 А, 10.08.1978. RU 24290 U1, 27.07.2002. US 6357296 B1, 19.03.2002. US 6065340 A, 23.05.2000. US 5226321 А, 13.07.1993.
Адрес для переписки:
140103, Московская обл., г. Раменское, ул. Гурьева, 2, ОАО “РПКБ”
|
(72) Автор(ы):
Баженов Владимир Ильич (RU), Будкин Владимир Леонидович (RU), Джанджгава Гиви Ивлианович (RU), Морозов Анатолий Алексеевич (RU), Саломатин Александр Константинович (RU), Соловьев Владимир Михайлович (RU)
(73) Патентообладатель(и):
Открытое акционерное общество “Раменское приборостроительное конструкторское бюро” (RU)
|
(54) ДАТЧИК УГЛОВОЙ СКОРОСТИ
(57) Реферат:
Изобретение относится к области измерительной техники, а именно к преобразователям угловой скорости в электрический сигнал. Датчик угловой скорости содержит резонатор, выполненные на нем систему вибраторов, а также системы первичных и вторичных датчиков колебаний, систему управления вибрацией. Выход системы первичных датчиков колебаний подключен к входу первого входного усилителя, к выходу которого подключены цепь фазового сдвига, включающая первый фазовый демодулятор, первый корректирующий фильтр, модулятор и выходной усилитель, и цепь фазовой автоматической подстройки частоты, состоящая из второго фазового демодулятора, второго корректирующего фильтра, преобразователя постоянного напряжения в частотный сигнал и фазовращателя. К выходу выходного усилителя подключена система вибраторов; система вторичных датчиков колебаний подключена к входу второго входного усилителя. В заявленном датчике угловой скорости выполнена дополнительная вторичная система датчиков колебаний, введены первый и второй формирователи импульсов, логическое устройство И, D-триггер, JK-триггер, генератор тактовых импульсов. Выход второго входного усилителя подключен к входу первого формирователя импульсов, выход которого подключен к первому входу логического устройства И, выход модулятора подключен к входу второго формирователя импульсов, выход которого соединен с вторым входом логического устройства И, к синхронизирующему входу D-триггера подключен выход логического устройства И, инверсный выход D-триггера соединен с его входом D, прямой выход D-триггера подключен к J-входу и К-входу JK-триггера, к синхронизирующему входу которого подключен выход генератора тактовых импульсов. Техническим результатом изобретения являются повышение точности измерения угловой скорости, формирование дискретного выходного сигнала датчика угловой скорости, упрощение его конструкции. 4 ил.
Данное изобретение относится к области измерительной техники, а именно к преобразователям угловой скорости в электрический сигнал.
Известен датчик угловой скорости [1], содержащий пустотелый резонатор с устройствами возбуждения и измерения вибраций по двум взаимно перпендикулярным осям, усилители и демодуляторы.
Наиболее близким по технической сущности является датчик угловой скорости [2], содержащий пустотелый резонатор с замкнутым контуром, выполненные на нем систему вибраторов, а также системы первичных и вторичных датчиков колебаний, систему управления вибрацией с цепью фазового сдвига и цепью фазовой автоматической подстройки частоты, при этом выход системы первичных датчиков колебаний подключен к входу первого входного усилителя, к выходу которого подключены цепь фазового сдвига, состоящая из последовательно включенных первого фазового демодулятора, первого корректирующего фильтра, модулятора и выходного усилителя, и цепь фазовой автоматической подстройки частоты, состоящая из последовательно включенных второго фазового демодулятора, второго корректирующего фильтра, преобразователя постоянного напряжения в частотный сигнал и фазовращателя; к выходу выходного усилителя подключена система вибраторов; система вторичных датчиков колебаний подключена к входу второго входного усилителя; на выходе фазовращателя образован сигнал, сдвинутый по фазе на 90° относительно фазы сигнала на выходе преобразователя постоянного напряжения в частотный сигнал.
Недостатком такого датчика угловой скорости является избыточность элементов датчика угловой скорости при преобразовании его сигналов как в аналоговом виде, так и при согласовании с дискретными устройствами.
Техническим результатом изобретения являются повышение точности измерения угловой скорости, формирование дискретного выходного сигнала датчика угловой скорости, упрощение его конструкции.
Данный технический результат достигается в датчике угловой скорости, содержащем пустотелый резонатор с замкнутым контуром, выполненные на нем систему вибраторов, а также системы первичных и вторичных датчиков колебаний, систему управления вибрацией с цепью фазового сдвига и цепью фазовой автоматической подстройки частоты, при этом выход системы первичных датчиков колебаний подключен к входу первого входного усилителя, к выходу которого подключены цепь фазового сдвига, состоящая из последовательно включенных первого фазового демодулятора, первого корректирующего фильтра, модулятора и выходного усилителя, и цепь фазовой автоматической подстройки частоты, состоящая из последовательно включенных второго фазового демодулятора, второго корректирующего фильтра, преобразователя постоянного напряжения в частотный сигнал и фазовращателя; к выходу выходного усилителя подключена система вибраторов; система вторичных датчиков колебаний подключена к входу второго входного усилителя; на выходе фазовращателя образован сигнал, сдвинутый по фазе на 90° относительно фазы сигнала на выходе преобразователя постоянного напряжения в частотный сигнал, тем, что выполнена дополнительная вторичная система датчиков колебаний, расположенных на оси резонатора, перпендикулярной оси, по которой выполнена основная вторичная система датчиков колебаний, введены первый формирователь импульсов, второй формирователь импульсов, логическое устройство И, D-триггер, JK-триггер, генератор тактовых импульсов, выводы основной и дополнительной вторичных систем датчиков колебаний соединены вместе, выход второго входного усилителя подключен к входу первого формирователя импульсов, выход которого подключен к первому входу логического устройства И, выход модулятора подключен к входу второго формирователя импульсов, выход которого соединен с вторым входом логического устройства И, к синхронизирующему входу D-триггера подключен выход логического устройства И, инверсный выход D-триггера соединен с его входом D, прямой выход D-триггера подключен к соединенным вместе J-входу и К-входу JK-триггера, к синхронизирующему входу которого подключен выход генератора тактовых импульсов; фазовращатель выполнен как фазовый расщепитель с дополнительным выходом сигнала с фазовым сдвигом 180°, выход фазового расщепителя с сигналом с фазовым сдвигом 0° подключен к входу опорного напряжения модулятора, выход фазового расщепителя с сигналом с фазовым сдвигом 90° подключен к входу опорного напряжения первого фазового демодулятора, выход фазового расщепителя с сигналом с фазовым сдвигом 180° подключен к входу опорного напряжения второго фазового демодулятора.
Путем выполнения дополнительной вторичной системы датчиков колебаний обеспечивается повышение точности измерения угловой скорости, обеспечиваемое повышением разрешающей способности вследствие увеличения сигналов системы датчиков колебаний.
Выполнением только первичной системы управления вибрацией достигается упрощение конструкции датчика угловой скорости вследствие уменьшения количества его элементов.
Введением первого и второго формирователей импульсов, логического устройства И, JK-триггера, D-триггера, генератора тактовых импульсов обеспечивается формирование дискретного выходного сигнала датчика угловой скорости.
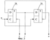
На фиг.1 представлен общий вид датчика угловой скорости, на фиг.2 – блок-схема датчика угловой скорости, на фиг.3 – электрическая схема фазового расщепителя, на фиг.4 – циклограммы сигналов в датчике угловой скорости.
Датчик угловой скорости (фиг.1) содержит пустотелый резонатор 1, тело которого расположено в замкнутом контуре, образованном внешней поверхностью 2 и внутренней поверхностью 3. На внешней поверхности 2 резонатора 1 по его оси симметрии 4-4 расположена система вибраторов 5′, 5”. По перпендикулярной к оси симметрии 4-4 оси 6-6 резонатора 1 расположена система первичных датчиков колебаний 7′, 7”. На расположенной под углом 45° к оси симметрии 4-4 оси 8-8 резонатора 1 образована основная система вторичных датчиков колебаний 9′, 9”. На находящейся под углом 90° к оси 8-8 оси 10-10 резонатора 1 образована дополнительная система вторичных датчиков колебаний 11′, 11”. Резонатор 1 может быть выполнен в виде пустотелого цилиндра или кольца. Он может быть металлическим, а вибраторы 5′, 5” и датчики колебаний 7′, 7”, 9′, 9”, 11′, 11” могут быть выполнены в виде пьезоэлектрических участков на внешней поверхности 2. Или резонатор 1 может быть изготовлен из пьезоэлектрического материала, а вибраторы 5′, 5” и датчики колебаний 7′, 7”, 9′, 9”, 11′, 11” сформированы поляризацией пьезоэлектрического материала между отдельными областями.
Выход «а» (фиг.2) системы первичных датчиков колебаний 7′, 7” подключен ко входу первого входного усилителя 12, к выходу которого подключена входящая в систему управления вибрацией цепь фазового сдвига, состоящая из последовательно включенных первого фазового демодулятора 13, первого корректирующего фильтра 14, модулятора 15 и выходного усилителя 16, к выходу «б» которого подключена система вибраторов 5′, 5”. К выходу первого входного усилителя 12 также подключена входящая в вышеуказанную систему управления вибрацией цепь фазовой автоматической подстройки частоты, состоящая из последовательно включенных второго фазового демодулятора 17, второго корректирующего фильтра 18, к выходу которого подключен вход управляемого напряжением генератора 19. Выход источника 20 постоянного напряжения подключен к управляемому напряжением генератору 19, к выходу которого подключен вход фазового расщепителя 21.
Управляемый напряжением генератор 19 и источник 20 постоянного напряжения представляют преобразователь постоянного напряжения в частотный сигнал.
На первом выходе «г» фазового расщепителя 21, соединенном с входом опорного напряжения модулятора 15, образован сигнал с фазовым сдвигом 0° относительно выхода управляемого напряжением генератора 19. На подключенном к входу опорного напряжения первого фазового демодулятора 13 втором выходе «д» фазового расщепителя 21 образован сигнал с фазовым сдвигом 90° относительно выхода управляемого напряжением генератора 19. На третьем выходе «е» фазового расщепителя 21, соединенном со входом опорного напряжения второго фазового демодулятора 17, образован сигнал с фазовым сдвигом 180° относительно выхода управляемого напряжением генератора 19.
Выход «в» от соединенных вместе выводов основной системы вторичных датчиков колебаний 9′, 9” и дополнительной системы вторичных датчиков колебаний 11′, 11” подключен к входу второго входного усилителя 22, к выходу которого подключен вход первого формирователя импульсов 23′. Выход модулятора 15 подсоединен к входу второго формирователя импульсов 23”.
Выход первого формирователя импульсов 23′ подключен к первому входу логического устройства И 24, к второму входу которого подсоединен выход второго формирователя импульсов 23”. Выход логического устройства И 24 подключен к синхронизирующему входу D-триггера 25, инверсный выход которого соединен с его входом D. Выход D-триггера 25 подключен к соединенным вместе J-входу и К-входу JK-триггера 26, к синхронизирующему входу которого подключен выход генератора 27 тактовых импульсов. Входы установки D-триггера 25 и JK-триггера 26, вход сброса D-триггера 25 подключены к выводу +Uп положительного потенциала источника питания постоянного тока.
В фазовом расщепителе 21 (фиг.3) синхронизирующие входы С первого D-триггера 28 и второго D-триггера 29 подключены к выходу «ж» управляемого напряжением генератора 19. Прямой выход первого D-триггера 28 соединен с входом D второго D-триггера 29 и таким образом образован первый выход «г» с фазовым сдвигом 0° относительно входа «ж». Прямой выход второго D-триггера 29 выполнен как второй выход «д» с фазовым сдвигом 90°. Инверсный выход первого D-триггера 28 выполнен как третий выход «е» с фазовым сдвигом 180°.
Датчик угловой скорости работает следующим образом. При отсутствии угловой скорости система вибраторов 5′, 5” по оси 4-4 возбуждает колебания резонатора 1, форма радиальных колебаний которого такова, что узлы относительно пучностей отстоят на 45°.
Радиальные колебания резонатора 1 преобразуются посредством системы первичных датчиков колебаний 7′, 7” в электрический сигнал, поступающий на вход первого входного усилителя 12. В цепи фазового сдвига системы управления вибрацией сигнал, поступающий с выхода первого входного усилителя 12 на вход первого фазового демодулятора 13, преобразуется в сигнал постоянного тока, в который вносится корректирующий сигнал, вырабатываемый первым корректирующим фильтром 14, обеспечивающим устойчивость работы системы. Сигнал, поступающий с выхода первого корректирующего фильтра 14 на вход первого модулятора 15, преобразуется в сигнал переменного тока, который подается на вход выходного усилителя 16. Усиленный переменный сигнал с выхода «б» выходного усилителя 16 подается на систему вибраторов 5′, 5”. Таким образом, в резонаторе 1 возбуждаются устойчивые радиальные колебания.
В цепи фазовой автоматической подстройки частоты системы управления вибрацией на вход второго фазового демодулятора 17 подается сигнал с выхода первого входного усилителя 12. Преобразованный вторым фазовым демодулятором 17 сигнал корректируется вторым корректирующим фильтром 18 и поступает на вход управляемого напряжением генератора 19. В соответствии со значением постоянного напряжения на выходе источника 20 постоянного напряжения и величиной постоянного напряжения на входе управляемого напряжением генератора 19 на его выходе формируется частотный сигнал, соответствующий резонансной частоте резонатора 1. Таким образом происходит преобразование постоянного напряжения в частотный сигнал.
В фазовом расщепителе 21 частотный сигнал преобразуется так, что на первом выходе «г» фазового расщепителя 21 образуется сигнал с фазовым сдвигом 0° относительно фазы выходного сигнала управляемого напряжением генератора 19, на втором выходе «д» образуется сигнал с фазовым сдвигом 90°, на третьем выходе «е» образуется сигнал с фазовым сдвигом 180° относительно фазы выходного сигнала управляемого напряжением генератора 19. Подачей на вход опорного напряжения модулятора 15 сигнала с фазовым сдвигом 0° с первого выхода «г» фазового расщепителя 21, а на вход опорного сигнала первого фазового демодулятора 13 сигнала с фазовым сдвигом 90° с второго выхода «д» фазового расщепителя 21 обеспечивается фазовый сдвиг в 90° между сигналами системы первичных датчиков колебаний 7′, 7” и системы вибраторов 5′, 5”, чем достигается настройка радиальных колебаний резонатора 1 на резонансную частоту.
Подачей на вход опорного напряжения второго фазового демодулятора 17 сигнала с фазовым сдвигом 180° с третьего выхода «е» фазового расщепителя 21 обеспечивается фазовая автоматическая подстройка резонансной частоты резонатора 1.
При наличии угловой скорости узел резонансных колебаний приходит в новое угловое положение относительно оси симметрии 4-4 резонатора 1. При этом происходит пропорциональный угловой скорости сдвиг фазы между сигналами в цепи фазового сдвига системы управления вибрацией и сигналом основной и дополнительной вторичных систем датчиков колебаний 9′, 9”, 11′, 11”. Основная и дополнительная вторичные системы датчиков колебаний 9′, 9”, 11′, 11” преобразуют радиальные колебания резонатора 1 в электрический сигнал, поступающий с выхода «в» на вход второго входного усилителя 22.
После прохождения сигнала с выхода второго входного усилителя 22 через первый формирователь импульсов 23′ на его выходе образуются импульсы длительностью 1 (фиг.4, а). При прохождении сигнала с выхода модулятора 15 через второй формирователь импульсов 23” на его выходе формируются импульсы длительностью 2, равной 1 (фиг.4, б). В результате с выхода логического устройства И 24 поступает последовательность импульсов длительностью 1 и 2 (фиг.4, в). На выходе D-триггера 25 формируются импульсы длительностью 3, передний фронт которых соответствует заднему фронту очередного импульса длительностью 1, а задний фронт соответствует заднему фронту очередного импульса длительностью 2 (фиг.4, г). Таким образом, фазовый сдвиг между сигналами с выходов второго входного усилителя 22 и модулятора 15 преобразуется в интервал времени, определяемый длительностью импульсов 3 и пропорциональный фазовому сдвигу. В JK-триггере 26 производится заполнение импульса длительностью 3 импульсами частотой fг от генератора 27 тактовых импульсов (фиг.4, д). Количество импульсов частотой fг на выходе JK-триггера 26, пропорциональное фазовому сдвигу, является мерой угловой скорости . Таким образом осуществляется преобразование угловой скорости в дискретный сигнал, точность преобразования которого ограничивается только частотой fг генератора 27 тактовой частоты.
Источники информации
1. Патент США №5226321, МКИ G 01 P 9/04, НКИ 73/505, 73/517А. Вибрационный планарный гироскоп. 1993 г.
2. Патент США №5419194, МКИ G 01 P 9/04, 15/125, НКИ 73/505. Одноосный датчик угловой скорости с уменьшенным шумом. 1995 г.
Формула изобретения
Датчик угловой скорости, содержащий пустотелый резонатор с замкнутым контуром, выполненные на нем систему вибраторов, а также системы первичных и вторичных датчиков колебаний, систему управления вибрацией с цепью фазового сдвига и цепью фазовой автоматической подстройки частоты, при этом выход системы первичных датчиков колебаний подключен к входу первого входного усилителя, к выходу которого подключены цепь фазового сдвига, состоящая из последовательно включенных первого фазового демодулятора, первого корректирующего фильтра, модулятора и выходного усилителя, и цепь фазовой автоматической подстройки частоты, состоящая из последовательно включенных второго фазового демодулятора, второго корректирующего фильтра, преобразователя постоянного напряжения в частотный сигнал и фазовращателя; к выходу выходного усилителя подключена система вибраторов; система вторичных датчиков колебаний подключена к входу второго входного усилителя; на выходе фазовращателя образован сигнал, сдвинутый по фазе на 90° относительно фазы сигнала на выходе преобразователя постоянного напряжения в частотный сигнал, отличающийся тем, что выполнена дополнительная система вторичных датчиков колебаний, расположенных на оси резонатора, перпендикулярной оси, по которой выполнена основная система вторичных датчиков колебаний, введены первый формирователь импульсов, второй формирователь импульсов, логическое устройство И, D-триггер, JK-триггер, генератор тактовых импульсов, выводы основной и дополнительной систем вторичных датчиков колебаний соединены вместе, выход второго входного усилителя подключен к входу первого формирователя импульсов, выход которого подключен к первому входу логического устройства И, выход модулятора подключен к входу второго формирователя импульсов, выход которого соединен с вторым входом логического устройства И, к синхронизирующему входу D-триггера подключен выход логического устройства И, инверсный выход D-триггера соединен с его входом D, прямой выход D-триггера подключен к соединенным вместе J-входу и К-входу JK-триггера, к синхронизирующему входу которого подключен выход генератора тактовых импульсов; фазовращатель выполнен как фазовый расщепитель с дополнительным выходом сигнала с фазовым сдвигом 180°, выход фазового расщепителя с сигналом с фазовым сдвигом 0° подключен к входу опорного напряжения модулятора, выход фазового расщепителя с сигналом с фазовым сдвигом 90° подключен к входу опорного напряжения первого фазового демодулятора, выход фазового расщепителя с сигналом с фазовым сдвигом 180° подключен к входу опорного напряжения второго фазового демодулятора.
РИСУНКИ
|
|