|
|
(21), (22) Заявка: 2004124330/03, 26.07.2004
(24) Дата начала отсчета срока действия патента:
26.07.2004
(45) Опубликовано: 10.05.2006
(56) Список документов, цитированных в отчете о поиске:
RU 2103498 C1, 27.01.1998. RU 2102593 C1, 20.01.1998. RU 2208136 C2, 10.07.2003. RU 2001252 C1, 15.10.1993. US 4457372 A, 03.07.1984. ШВЕЦОВ И. А., МАНЫРИН В.Н. Физико-химические методы увеличения нефтеотдачи пластов. Анализ и проектирование, Самара, Самарский университет, 2000, с. 76-102.
Адрес для переписки:
450078, г.Уфа, ул. Революционная, 96/2, ООО “Уфимский научно-исследовательский и проектно-инженерный центр “Нефтегаз-2”, директору М.Ф. Вахитову
|
(72) Автор(ы):
Тазиев Марат Миргазиянович (RU), Чукашев Виктор Николаевич (RU), Телин Алесей Герольдович (RU), Малюшова Мария Петровна (RU), Вахитов Мидхат Файзурахманович (RU)
(73) Патентообладатель(и):
Закрытое акционерное общество “Карнек” (RU), Открытое акционерное общество “Меллянефть” (RU)
|
(54) СПОСОБ РАЗРАБОТКИ ПРОНИЦАЕМОСТНО-НЕОДНОРОДНЫХ КАРБОНАТНЫХ ТРЕЩИНОВАТО-КАВЕРНОЗНЫХ КОЛЛЕКТОРОВ
(57) Реферат:
Изобретение относится к нефтяной промышленности, в частности к способам разработки неоднородных карбонатных трещиновато-кавернозных пластов. Технический результат – повышение эффективности способа разработки неоднородных трещиновато-кавернозных карбонатных коллекторов за счет усиления сцепления горной породы с полимером и, соответственно, повышения фактора остаточного сопротивления. В способе разработки проницаемостно-неоднородных карбонатных трещиновато-кавернозных коллекторов, включающем закачку в скважину сшитого полимерного состава на основе полиакриламида и добычу нефти через добывающие скважины, закачку осуществляют в нагнетательную и/или добывающую скважину, используют полиакриламид с молекулярной массой от 5 до 15 миллионов и степенью гидролиза 5-30 %, до и после закачки указанного состава закачивают оторочки смеси кислоты с поверхностно-активным веществом ПАВ при их расходе 45:10 соответственно, причем оторочку смеси кислоты с ПАВ, закачиваемую до закачки указанного состава, и указанный состав закачивают на минимальной скорости закачки, останавливают скважину на реакцию, оторочку смеси кислоты с ПАВ, закачиваемую после закачки указанного состава, закачивают на максимальной скорости закачки и останавливают скважину на реакцию. 1 табл., 2 ил.
Изобретение относится к нефтяной промышленности, в частности к способам разработки неоднородных карбонатных трещиновато-кавернозных пластов.
Известен способ заводнения нефтяного пласта (RU 2079641, Е 21 В 43/22, 1997), включающий последовательную закачку в пласт водного раствора порошкообразного сшитого полиакриламида (ПАА), оторочки неионогенного поверхностно-активного вещества (НПАВ) и воды. Недостатком способа является небольшая глубина проникновения дисперсии сшитого полимера и кратковременность нефтеотмывающего действия водного раствора неонола на развитой поверхности пласта.
Известен способ повышения нефтеотдачи пластов (RU 2164595, Е 21 В 43/22, 2001), включающий циклическую закачку сшитого полимерного состава, эмульсионно-дисперсной системы (ЭДС, образующейся при введении в воду реагента РДН-1) и воды. За счет высокой фильтрующей способности ЭДС повышается эффективность вытеснения нефти из низкопроницаемых участков пласта, при этом появляется дополнительный фактор сопротивления фильтрации воды, что способствует выравниванию профиля приемистости нагнетательных скважин. Способ недостаточно эффективен, в частности, вследствие отсутствия подготовительных мероприятий к воздействию сшитого полимерного состава.
Известен способ разработки неоднородных залежей углеводородов (RU 2167280, Е 21 В 43/22, 2001), согласно которому до и после закачки в пласт сшитого полимерного состава производят закачку смеси жидкого стекла с соляной кислотой. Способ недостаточно эффективен, так как в смеси жидкого стекла с соляной кислотой непосредственно кислотное воздействие на пласт ослаблено.
Известен способ разработки неоднородных залежей углеводородов (И.А.Швецов, В.Н.Манырин. Физико-химические методы увеличения нефтеотдачи пластов. Анализ и проектирование. г.Самара: Самарский университет, 2000, с.76-102), включающий закачку в нагнетательные и/или добывающие скважины сшитого полимерного состава (СПС) на основе полиакриламида и хромового сшивателя и добычу нефти через добывающие скважины. Способ эффективен в поровых коллекторах.
В то же время и авторы, и другие исследователи (В.Н.Абрамов, Н.И.Акимов, И.Л.Манахова. Анализ результатов накопленного опыта при реализации технологии циклической закачки СПС в различных геолого-физических условиях. НТЖ “Интервал”, 2003, №12, с.41-45) отмечают, что промысловая практика разработки сложно построенных карбонатных трещиновато-кавернозных коллекторов выявила низкую эффективность воздействия на нагнетательные и добывающие скважины традиционных сшитых полимерных составов на основе полиакриламида и хромового сшивателя. Указанное обстоятельство объясняется, видимо, тем, что особенности строения порового пространства неоднородных трещиновато-кавернозных карбонатных пластов не позволяют эффективно применять известные решения, главным образом, из-за малого времени действия эффекта и его величины. Авторы предполагают, что снижение эффективности известных технических решений связано с недостаточным сцеплением полимера с поверхностью горной породы. В отличие от коллекторов порового типа с большой удельной поверхностью, трещиновато-кавернозные коллектора не могут обеспечить надежного сцепления с полимером без предварительной обработки поверхности.
Наиболее близко к предлагаемому техническое решение, предназначенное для блокирования или ограничения водопритока в скважины и зон поглощения как в терригенных, так и в карбонатных коллекторах, и для выравнивания профиля приемистости в нагнетательных скважинах см.пат. РФ 2103498. Прототип эффективен в кавернозных и трещиноватых породах; он предполагает использование состава, содержащего водорастворимый полимер акрилового ряда (ПАА), силикат натрия, регулятор гелеобразования, наполнитель (древесные опилки, пластифицированные карбамидом, и крошку пористого упругоэластичного материала) и воду.
Прототип недостаточно эффективен вследствие низкой селективности по проницаемости, не зависящей от скорости закачки. Так как закупоривающий материал по прототипу не разрушается, это может привести к полному блокированию как трещин и каверн, так и поровой матрицы. Прототип недостаточно технологичен из-за неудобства затворения высоковязких жидких товарных форм гипана, жидкого стекла и гелеобразного ПАА, особенно в зимнее время.
Решаемая предлагаемым изобретением задача и ожидаемый технический результат заключаются в повышении эффективности способа разработки неоднородных трещиновато-кавернозных карбонатных коллекторов за счет обеспечения селективности по проницаемости. Сшитый полимерный состав разрушается с увеличением скорости фильтрации (закачки) в мелких трещинах и порах и не разрушается при этом в кавернах и крупных трещинах. Обеспечиваются необходимое сцепление горной породы с полимером и соответствующие показатели фактора остаточного сопротивления. Технологичность способа обусловлена независимостью от низких температур: используется ПАА-твердое вещество.
Поставленная задача решается тем, что в предлагаемом способе разработки проницаемостно-неоднородных карбонатных трещиновато-кавернозных коллекторов, включающем закачку в скважину сшитого полимерного состава на основе полиакриламида и добычу нефти через добывающие скважины, – закачку осуществляют в нагнетательную и/или добывающую скважину, используют полиакриламид с молекулярной массой от 5 до 15 миллионов и степенью гидролиза 5-30%, до и после закачки указанного состава закачивают оторочки смеси кислоты с поверхностно-активным веществом ПАВ при их расходе 45:10 соответственно, причем оторочку смеси кислоты с ПАВ, закачиваемую до закачки указанного состава, и указанный состав закачивают на минимальной скорости закачки, останавливают скважину на реакцию, оторочку смеси кислоты с ПАВ, закачиваемую после закачки указанного состава, закачивают на максимальной скорости закачки и останавливают скважину на реакцию.
В предлагаемом техническом решении предоторочка ПАВ-кислотного состава обеспечивает обновление карбонатной поверхности за счет растворения горной породы и отмыва нефтяной пленки и появления новых активных адсорбционных центров. Последующая оторочка ПАВ-кислотного состава обеспечивает увеличение охвата пласта дренированием в области добывающих скважин и увеличение охвата пласта воздействием в области нагнетательных скважин.
Закачка предоторочки ПАВ-кислотного состава и СПС на минимальной скорости обеспечивает селективность воздействия на трещины и каверны с одной стороны и сохранение реологических свойств СПС в трещинах и кавернах – с другой.
Закачка последующей оторочки ПАВ-кислотного состава на максимальной скорости обеспечивает увеличение охвата пласта за счет обработки системы мелких трещин и поровой матрицы после изоляции крупных трещин и каверн.
Таким образом, все составляющие способа: и химические ингредиенты, и гидродинамические силы – обеспечивают изоляцию крупных трещин и каверн и интенсификацию притока по мелким трещинам и порам.
Авторам известен способ селективной закупорки высокопроходимых областей в подземных нефтяных пластах (RU 2060359, Е 21 В 33/138, 1996), включающий закачку оторочек сшитого полимерного состава, содержащего монокарбоновую кислоту в качестве задерживающего гелеобразование агента. Способ регулирует гелеобразование, но не обеспечивает необходимые нефтеотмывающие свойства и кислотную составляющую воздействия на пласт. Поэтому заявляемый способ, по мнению авторов, соответствует критерию “изобретательский уровень”.
Способ осуществляется следующей последовательностью операций:
1. Закачка смеси поверхностно-активного вещества с кислотой, преимущественно на минимальной скорости закачки
2. Закачка сшитого полимерного состава, преимущественно на минимальной скорости закачки
3. Закачка смеси поверхностно-активного вещества с кислотой, преимущественно на максимальной скорости закачки.
В качестве полимера используют полиакриламид с молекулярной массой от 5 до 15 миллионов и степенью гидролиза 5-30%;
в качестве сшивателя – например, хромкалиевые квасцы (ГОСТ 4162-79) (ХКК), ацетат хрома (ТУ 6-02-00209912-70-00) или универсальный хромовый сшиватель (ТУ 2432-047-17197709-99 (зимняя форма));
в качестве ПАВ – например, Нефтенол ВВД (ТУ 2483-015-17197708-97), представляющий собой композицию неионогенных и анионоактивных ПАВ; неонол, сульфонол;
в качестве кислоты – например, техническую соляную, техническую уксусную или их смесь.
Эффективность предлагаемого способа доказана лабораторными и промысловыми испытаниями.
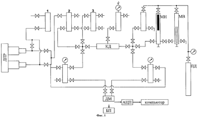
Опыты проводились на установке для исследования фильтрационных процессов в пористых средах (фиг.1).
На фиг.1:
ПД – противодавление (сжатый воздух);
ДМ – дифференциальный манометр;
АЦП – аналогово-цифровой преобразователь;
БП – блок питания;
КД – кернодержатель;
ДПР – датчик постоянного расхода;
MB – мерник “вода”;
МН – мерник “нефть”;
1, 2, 3, – емкости с технологическими жидкостями;
4 – обжим.
Технические характеристики установки:
– рабочее давление – до 15.0 МПа;
– линейная скорость фильтрации – от 30 до 1000 м/год;
– максимальная рабочая температура – 95°С;
– длина линейной керновой модели – от 5 до 30 см.
Основным технологическим звеном установки является кернодержатель КД, состоящий из металлического корпуса с резиновыми манжетами и полумуфтами, облегающих их с наружной стороны; упорных металлических колец; двух крышек и накидных гаек. Во внутреннюю полость манжет вставляются образцы кернового материала, моделирующего пласт. В пространство между корпусом кернодержателя и наружной поверхностью манжет подается вода, масло или сжатый воздух из колонки с давлением, превышающим давление на входе в кернодержатель на 3.0-4.0 мПа. Всесторонний внешний обжим моделирует объемное напряженное состояние (горное давление) установленных в кернодержатель образцов горной породы.
Описанный кернодержатель рассчитан главным образом на небольшие керны (диаметр от 28 до 30 мм, длина от 10 до 300 мм), т.е. такие, которые в настоящее время преимущественно могут быть получены. Указанные размеры цилиндрических образцов включают практически все размеры, предусмотренные ОСТ 39-195-86 “Нефть. Метод определения коэффициента вытеснения нефти водой в лабораторных условиях”. Данный кернодержатель может состоять из одной или нескольких секций, что позволяет подбирать линейную длину модели, соответствующую гидродинамическим критериям подобия пласта.
Датчик постоянного расхода жидкости состоит из двух измерительных прессов емкостью 250 см3 каждый, электродвигателя и редуктора. Прессы служат для нагнетания в разделительные колонки и отбора из них масла, с фиксированными объемными расходами при равных режимах работы измерительных прессов.
Кроме датчика постоянного расхода ДПР, контроль за расходом жидкости осуществляется визуально по мерникам нефти и воды, представляющим собой прозрачные толстостенные цилиндры, изготовленные из органического стекла или эпоксидной смолы и заключенные в металлический корпус. Корпус имеет продольную прорезь с нанесенной вдоль нее шкалой. Отмечая положение уровня жидкости через определенные промежутки времени, получаем расход жидкости через пористую среду.
Система разделительных колонок состоит из одной-двух пар последовательно соединенных, изготовленных из коррозионно-стойкой стали, безпоршневых или поршневых полых цилиндров. Они служат для исключения контакта исследуемой нефти и др. углеводородных жидкостей с маслом, поступающим из измерительных прессов. В разделительных колонках нефть отделяется от масла буферной жидкостью – водой или концентрированным раствором хлористого натрия, а также механически – поршнем.
В качестве буферной емкости применяется стандартный баллон для сжатого воздуха, емкостью 40 дм3, сообщающийся трубопроводами через сборную емкость (колонку) и мерник высокого давления с выходом кернодержателя.
Для измерения перепада давления используется дифференциальный датчик давления типа “Сапфир 22Д”.
Напряжение на дифференциальный манометр подается со стабилизированного блока питания. Выходной сигнал поступает на аналого-цифровой преобразователь и далее на персональный компьютер, обеспечивающий индикацию давления в цифровой и графической форме. Аналого-цифровой преобразователь (АЦП) является электронным устройством. В основу принципа преобразования сигнала из аналоговой формы в цифровую положен метод двойного интегрирования, позволяющий при относительной простоте устройства получить высокую точность преобразования в широком интервале изменений входного напряжения – как следствие изменения давления.
Кроме датчика постоянного расхода и баллона-буфера вся установка смонтирована в шкафу-термостате, обеспечивающем стабильные температурные условия проведения эксперимента.
Данная установка позволяет проводить следующий комплекс исследований:
– определять проницаемость пористой среды по воде, керосину, нефти;
– определять коэффициент вытеснения нефти водой в соответствии с ОСТ 39-195-86 “Нефть. Метод определения коэффициента вытеснения нефти водой в лабораторных условиях”;
– определять фазовые проницаемости в соответствии с ОСТ 39-235-89 “Нефть. Метод определения фазовых проницаемостей в лабораторных условиях” при совместной стационарной фильтрации;
– оценивать эффективность применения химреагентов в увеличении добычи нефти, изменения коллекторских свойств пласта.
Результаты фильтрационного тестирования способа на дезинтегрированном карбонатном керне представлены в таблице. Видно, что предлагаемый способ обеспечивает высокий фактор остаточного сопротивления; причем соблюдение указанного соотношения скоростей закачиваемых оторочек делает указанное преимущество особенно заметным.
Влияние скорости закачки на эффективную вязкость СПС специально исследовалось при фильтрации СПС через модель трещины (18 мм × 0,16 мм × 150 мм). Эффективная вязкость определялась на приборе Rheo Stress-1 (НААКЕ-Германия) с использованием системы воспринимающих элементов “конус-плоскость” при градиенте скорости сдвига, равном 5,44 сек-1. Установлено (фиг.2), что, регулируя скорость фильтрации, можно добиться эффективного выполнения различных операций. Так, при скорости до 400 м/год возможно продвижение изолирующей композиции практически без потери технологических свойств (рекомендуется на первом и втором этапах воздействия); при более высоких скоростях происходит снижение вязкостных характеристик технологической жидкости. Фильтрация со скоростью выше 1000 м/год приводит к полному разрушению структуры закачиваемого состава, что требуется для завершающего этапа обработки.
Примеры комплексных обработок добывающих скважин с целью селективной изоляции воды и увеличения притока нефти на Муслюмовском месторождения ОАО “Меллянефть” (п.Джалиль, Республика Татарстан)
Пример 1 (аналог). Работы на скв.1234.
Карбонатные пласты Евлано-ливенского горизонта: нефтенасыщенная толщина 6,2 м; пористость 6,5-7,1%; глинистость 2,5-2,7%; нефтенасыщенность 59,2%.
В скважину агрегатом ЦА-320 была закачана одна оторочка объемом 45 м3 сшитых полимерных систем (СПС) на основе ПАА+ацетат хрома с концентрацией 0,17% (растворено 76,5 кг ПАА и 22,5 л товарной формы (50%) ацетата хрома). Оторочка была продавлена в пласт водой в объеме НКТ, и скважина была остановлена на реакцию на 18 часов.
| |
|
|
Параметры пористой среды |
Скорость фильтрации, м/год |
Фактор остаточного сопротивления |
| №п/п |
Длина, см |
Диаметр, мм |
Пористость, доли ед. |
Проницаемость по газу, мкм2 |
Проницаемость по нефти при связанной воде, мкм2 |
Проницаемость по воде при остаточной нефтенасыщенности, мкм |
Связанная вода, доли ед. |
ПАВ-кислота и СПС |
ПАВ-кислота |
| 1 |
36 |
30 |
0,22 |
0,349 |
0,287 |
0,104 |
0,13 |
423 |
64 |
29,7 |
| 2 |
36 |
30 |
0,21 |
0,332 |
0,274 |
0,101 |
0,13 |
423 |
423 |
12,3 |
| 3 |
36 |
30 |
0,22 |
0,305 |
0,261 |
0,95 |
0,13 |
64 |
423 |
43,9 |
| 4* |
36 |
30 |
0,22 |
0,358 |
0,296 |
0,117 |
0,13 |
64 |
423 |
29,8 |
| 5 аналог |
36 |
30 |
0,22 |
0,345 |
0,287 |
0,106 |
0,13 |
64 |
|
11,3 |
| 6** |
36 |
30 |
0,22 |
0,337 |
0,285 |
0,116 |
0,13 |
64 |
423 |
36,3 |
| 7*** |
36 |
30 |
0,22 |
0,314 |
0,258 |
0,097 |
0,13 |
64 |
423 |
47,8 |
Vоторочки ПАВ-кислотного состава – по 0,2 Vп, СПС – 0,3 Vп ПАВ – кислотный состав: 1%-ный раствор Нефтенола ВВД в 15%-ной технической соляной кислоте Температура +20°С Вязкость изовискозной нефти 25 мПа·сек СПС: концентрации ПАА – 0,2%, ХКК – 0,015%. * – СПС: концентрации ПАА – 0,17%, ацетат хрома – 0,2% ** – ПАВ-кислотный состав: 1% раствор Нефтенола ВВД в 50%-ной технической уксусной кислоте *** – ПАВ-кислотный состав: 1% раствор Нефтенола ВВД в смеси 3%-ной технической уксусной и 12%-ной технической соляной кислот. Фактор остаточного сопротивления R=ko/ki, где ko – фазовая проницаемость по воде при остаточной нефтенасыщенности до воздействия химреагентов; ki– то же после воздействия химреагентов. |
Дополнительная добыча от обработки составила 28,7 т нефти.
Пример 2 (без предварительного воздействия оторочкой ПАВ-кислота).
Работы на скв.1224.
Карбонатные пласты Евлано-ливенского горизонта: нефтенасыщенная толщина 5 м; пористость 4,7-11,8%; глинистость 1,8-5,4%; нефтенасыщенность 51,2-77,3%. В скважину агрегатом ЦА-320 были закачаны последовательно две оторочки:
1) оторочка объемом 45 м сшитых полимерных систем (СПС) на основе ПАА+ацетат- хрома с концентрацией 0,17% (растворено 76,5 кг ПАА и 22,5 л товарной формы (50%) ацетата хрома). Оторочка была продавлена в пласт водой в объеме НКТ, и скважина была остановлена на реакцию на 18 часов;
2) оторочка объемом 3 м3 соляной кислоты в смеси с ПАВ “Неонол НЗ”. Израсходовано – 450 л НС1 (товарная форма 22%) и 15 л ПАВ. Продавка водой произведена в объеме, равном 1,5 НКТ. Время на реакцию 8 часов.
Дополнительная добыча от обработки за 7 месяцев составила 327,5 т нефти.
Пример 3. Работы на скв.849.
Карбонатные пласты Евлано-ливенского горизонта: открытый забой 7,3 м;
пористость 5,3-10,2%; глинистость 2,5-5,4%; нефтенасыщенность 57,3%.
В скважину агрегатом ЦА-320 были закачаны последовательно три оторочки:
1) оторочка объемом 3 м3 соляной кислоты в смеси с ПАВ “Неонол НЗ” на 1-ой скорости агрегата (минимальная скорость). Продавка водой произведена в объеме НКТ на той же скорости. Израсходовано – 450 л HCl (товарная форма 22%) и 10 л ПАВ;
2) оторочка объемом 45 м3 сшитых полимерных систем (СПС) на основе ПАА+ацетат хрома с концентрацией 0,17% (растворено 76,5 кг ПАА и 22,5 л товарной формы (50%) ацетата хрома) на 1-ой скорости агрегата. Оторочка была продавлена в пласт водой в объеме НКТ на той же скорости, и скважина была остановлена на реакцию на 18 часов;
3) оторочка объемом 3 м3 соляной кислоты в смеси с поверхностно-активным ПАВ “Неонол НЗ” на 3-й скорости агрегата (максимальная скорость). Продавка водой произведена в объеме, равном 1,5 НКТ, на той же скорости. Израсходовано – 450 л HCl (товарная форма 22%) и 10 л ПАВ. Время на реакцию 8 часов.
Дополнительная добыча от обработки за 12 месяцев составила 838 т нефти. Таким образом, предлагаемый способ промышленно применим; он эффективнее прототипа за счет обеспечения селективности по проницаемости.
Формула изобретения
Способ разработки проницаемостно-неоднородных карбонатных трещиновато-кавернозных коллекторов, включающий закачку в скважину сшитого полимерного состава на основе полиакриламида и добычу нефти через добывающие скважины, отличающийся тем, что закачку осуществляют в нагнетательную и/или добывающую скважину, используют полиакриламид с молекулярной массой от 5 до 15 миллионов и степенью гидролиза 5-30%, до и после закачки указанного состава закачивают оторочки смеси кислоты с поверхностно-активным веществом ПАВ при их расходе 45:10 соответственно, причем оторочку смеси кислоты с ПАВ, закачиваемую до закачки указанного состава, и указанный состав закачивают на минимальной скорости закачки, останавливают скважину на реакцию, оторочку смеси кислоты с ПАВ, закачиваемую после закачки указанного состава, закачивают на максимальной скорости закачки и останавливают скважину на реакцию.
РИСУНКИ
MM4A – Досрочное прекращение действия патента СССР или патента Российской Федерации на изобретение из-за неуплаты в установленный срок пошлины за поддержание патента в силе
Дата прекращения действия патента: 27.07.2006
Извещение опубликовано: 20.05.2008 БИ: 14/2008
|
|