|
|
(21), (22) Заявка: 2004127664/09, 15.09.2004
(24) Дата начала отсчета срока действия патента:
15.09.2004
(45) Опубликовано: 20.04.2006
(56) Список документов, цитированных в отчете о поиске:
RU 2233534 С2, 27.07.2004. RU 2061291 C1, 27.05.1996. GB 2171567 A, 28.08.1986.
Адрес для переписки:
350044, г.Краснодар, ул. Калинина, 13, КубГАУ, ПИО
|
(72) Автор(ы):
Григораш Олег Владимирович (RU), Руденко Вадим Григорьевич (RU), Ракло Александр Викторович (RU), Григораш Сергей Олегович (RU), Усков Антон Евгеньевич (RU)
(73) Патентообладатель(и):
Кубанский государственный аграрный университет (RU)
|
(54) ТРЕХФАЗНЫЙ ПРЕОБРАЗОВАТЕЛЬ ЧАСТОТЫ
(57) Реферат:
Изобретение относится к электротехнике и предназначается для использования в автономных системах электроснабжения для стабилизации частоты и напряжения генераторов электроэнергии, привод которых имеет нестабильные обороты. Техническим результатом является повышение надежности работы трехфазного преобразователя частоты. Преобразователь содержит трехфазную мостовую схему неуправляемого выпрямителя (1), инвертор (2), содержащий первый и второй транзисторы (3) и (4) соответственно, и конденсатор инвертора (5), систему управления инвертором (6), трансформатор с вращающимся магнитным полем (7), содержащий первую и вторую первичные обмотки (8) и (9) соответственно, фазосдвигающий конденсатор (10), вторичные обмотки (11-13). На чертеже показаны выводы А1, В1 и С1 для подключения источника напряжения с частотой f1 и выводы А2, В2 и С2 для подключения нагрузки с частотой напряжения f2. 1 ил. 
Изобретение относится к электротехнике и предназначается для использования в автономных системах электроснабжения для стабилизации частоты и напряжения генераторов электроэнергии, привод которых имеет нестабильные обороты.
Известный трехфазный преобразователь частоты, выполненный на шести комплектах тиристоров, по два на каждую выходную фазу (Джюджи Л., Пелли Б. Силовые полупроводниковые преобразователи частоты. – М.: Энергоатомиздат, 1983, рис.8.28, с.313), имеет следующие недостатки: низкую надежность и высокий уровень электромагнитных помех из-за большого числа силовых тиристоров, сложную систему управления преобразователем.
Наиболее близким по техническому решению является трехфазный преобразователь частоты, содержащий два комплекта тиристоров, схему искусственной коммутации и трансформатор с вращающимся магнитным полем (патент РФ №2217857 от 27.11.2003 г.). Недостатками данного преобразователя являются низкая надежность работы и сложная система управления.
Техническим решением поставленной задачи является повышение надежности работы трехфазного преобразователя частоты.
Поставленная задача достигается тем, что преобразователь содержит трехфазную мостовую схему неуправляемого выпрямителя, инвертор, выполненный на первом и втором транзисторах, конденсаторе инвертора, и трансформатор с вращающимся магнитным полем, причем входы трехфазной мостовой схемы неуправляемого выпрямителя соединены с источником трехфазного напряжения, первый выход трехфазной мостовой схемы неуправляемого выпрямителя соединен с эмиттером первого транзистора, а второй его выход соединен с началом первой первичной обмотки трансформатора с вращающимся магнитным полем, с коллектором второго транзистора и с первым выводом фазосдвигающего конденсатора, коллектор первого транзистора соединен с эмиттером второго транзистора и с первым выводом конденсатора инвертора, второй вывод которого соединен с концом первой первичной обмотки трансформатора с вращающимся магнитным полем, второй вывод фазосдвигающего конденсатора соединен с началом второй первичной обмотки трансформатора с вращающимся магнитным полем, эмиттер и база первого и второго транзисторов соединены с системой управления инвертором, конец первой первичной обмотки трансформатора с вращающимся магнитным полем соединен с концом второй первичной обмотки трансформатора, которая смещена в пространстве относительно первой на угол 90°, три вторичные обмотки трансформатора с вращающимся магнитным полем сдвинуты одна относительно другой на угол 120°, их начала соединены по схеме «звезда», а концы являются выводами для подключения трехфазной нагрузки.
Новизна заявляемого технического решения заключается в том, что вместо двух комплектов, содержащих по шесть тиристоров и схемы искусственной коммутации, применяется трехфазная мостовая схема неуправляемого выпрямителя и инвертор, содержащий два транзистора и конденсатор.
По данным научно-технической и патентной литературы авторам не известна аналогичная заявляемая совокупность признаков, направленная на достижение поставленной задачи, и это решение не вытекает с очевидностью из известного уровня техники, что позволяет сделать вывод о соответствии решения изобретательского уровня.
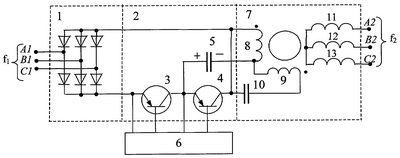
На чертеже представлена принципиальная электрическая схема трехфазного преобразователя частоты.
Преобразователь содержит трехфазную мостовую схему неуправляемого выпрямителя 1, инвертор 2, содержащий первый и второй транзисторы 3 и 4 соответственно, и конденсатор инвертора 5; систему управления инвертором 6, трансформатор с вращающимся магнитным полем 7, содержащий первую и вторую первичные обмотки 8 и 9 соответственно, фазосдвигающий конденсатор 10, вторичные обмотки 11-13.
На чертеже показаны выводы А1, В1 и С1 для подключения источника напряжения с частотой f1 и выводы А2, В2 и С2 для подключения нагрузки с частотой напряжения f2.
Преобразователь частоты работает следующим образом.
Трехфазное напряжение источника электроэнергии повышенной частоты f1 поступает на входные выводы преобразователя A1, B1 и С1 соответственно (фиг.1). Выпрямителем 1 напряжение переменного тока преобразуется в напряжение постоянного тока, которое затем поступает на вход инвертора 2.
Инвертор 2 преобразует постоянный ток в переменный следующим образом.
В исходном состоянии конденсатор инвертора 5 разряжен. Для формирования положительной полуволны напряжения в первичных обмотках 8 и 9 трансформатора с вращающимся магнитным полем 7 система управления инвертором 6 подает управляющие импульсы на транзистор 3, он открывается, и конденсатор инвертора 5 начинает заряжаться таким образом, что его выводы будут иметь потенциалы, указанные знаками на фиг.1. Ток заряда конденсатора инвертора 5 будет протекать через первичные обмотки 8 и 9 трансформатора с вращающимся магнитным полем 7 и фазосдвигающий конденсатор 10. Для формирования отрицательной полуволны напряжения в первичных обмотках трансформатора система управления инвертором 6 закрывает транзистор 3 и открывает транзистор 4. В этом случае конденсатор инвертора 5 является источником питания для нагрузки, и его ток разряда будет протекать по первичным обмоткам трансформатора 7 и фазосдвигающий конденсатор 10 в обратном направлении. Таким образом, по первичным обмоткам 8 и 9 трансформатора 7 протекает переменный ток, что приводит к появлению переменного магнитного потока в тороидальном магнитопроводе трансформатора. Поскольку первая 8 и вторая 9 первичные обмотки трансформатора смещены в пространстве одна относительно другой на угол 90° и подключены между собой через фазосдвигающий конденсатор 10, то в магнитопроводе трансформатора образуется вращающееся магнитное поле, вызывающее действие ЭДС во вторичных обмотках. Вторичные обмотки 11-13 трансформатора сдвинуты одна относительно другой на угол 120°, поэтому на выводах А2, В2 и С2 преобразователя формируется симметричная трехфазная система напряжений переменного тока.
Частота выходного напряжения преобразователя частоты определяется частотой коммутации транзисторов 3 и 4, а стабилизация напряжения осуществляется за счет изменения времени открытого состояния транзисторов.
Использование трехфазной мостовой схемы неуправляемого выпрямителя, инвертора, содержащего два транзистора и конденсатор инвертора, выгодно отличает предлагаемый преобразователь от известного, так как уменьшается число транзисторов, упрощается схема системы управления, что повышает надежность преобразователя частоты.
Формула изобретения
Трехфазный преобразователь частоты, содержащий трансформатор с вращающимся магнитным полем, отличающийся тем, что преобразователь содержит трехфазную мостовую схему неуправляемого выпрямителя, инвертор, выполненный на первом и втором транзисторах, конденсаторе инвертора, и трансформатор с вращающимся магнитным полем, причем входы трехфазной мостовой схемы неуправляемого выпрямителя соединены с источником трехфазного напряжения, первый выход трехфазной мостовой схемы неуправляемого выпрямителя соединен с эмиттером первого транзистора, а второй его выход соединен с началом первой первичной обмотки трансформатора с вращающимся магнитным полем, с коллектором второго транзистора и с первым выводом фазосдвигающего конденсатора, коллектор первого транзистора соединен с эмиттером второго транзистора и с первым выводом конденсатора инвертора, второй вывод которого соединен с концом первой первичной обмотки трансформатора с вращающимся магнитным полем, второй вывод фазосдвигающего конденсатора соединен с началом второй первичной обмотки трансформатора с вращающимся магнитным полем, эмиттер и база первого и второго транзисторов соединены с системой управления инвертором, конец первой первичной обмотки трансформатора с вращающимся магнитным полем соединен с концом второй первичной обмотки трансформатора, которая смещена в пространстве относительно первой на угол 90°, три вторичные обмотки трансформатора с вращающимся магнитным полем сдвинуты одна относительно другой на угол 120° и соединены по схеме звезда, при этом концы указанных вторичных обмоток являются выводами для подключения трехфазной нагрузки.
РИСУНКИ
MM4A – Досрочное прекращение действия патента СССР или патента Российской Федерации на изобретение из-за неуплаты в установленный срок пошлины за поддержание патента в силе
Дата прекращения действия патента: 16.09.2006
Извещение опубликовано: 20.04.2008 БИ: 11/2008
|
|