|
|
(21), (22) Заявка: 2004127658/09, 15.09.2004
(24) Дата начала отсчета срока действия патента:
15.09.2004
(45) Опубликовано: 20.04.2006
(56) Список документов, цитированных в отчете о поиске:
RU 219840 С2, 10.02.2003. SU 1652970 А, 30.05.1991. GB 2256950 А1, 23.12.1992.
Адрес для переписки:
350044, г.Краснодар, ул. Калинина, 13, КубГАУ, ПИО
|
(72) Автор(ы):
Григораш Олег Владимирович (RU), Ракло Александр Викторович (RU), Григораш Сергей Олегович (RU), Новокрещенов Борис Олегович (RU), Гонтарь Олег Васильевич (RU)
(73) Патентообладатель(и):
Кубанский государственный аграрный университет (RU)
|
(54) ИСТОЧНИК НАПРЯЖЕНИЯ ПОСТОЯННОГО ТОКА
(57) Реферат:
Изобретение относится к электротехнике и предназначается для использования в системах электроснабжения в качестве источника напряжения постоянного тока. Техническим результатом является повышение надежности работы источника напряжения постоянного тока. Источник напряжения постоянного тока содержит управляющий дроссель (1) с рабочей обмоткой WP и обмоткой управления WУ, трансформатор с вращающимся магнитным полем (ТВМП) (2), магнитная система которого содержит сердечник (3) с вторичной обмоткой (4) и тороидальную часть магнитопровода (5) с двумя первичными обмотками (6) и (7), расположенными в пространстве относительно друг друга под углом 90°, начала которых соединены через фазосдвигающий конденсатор (8), выпрямитель (9), фильтр (10), транзистор (11). Система стабилизации напряжения (12) содержит делитель напряжения (13), генератор пилообразного напряжения (14), формирователь импульсов (15), усилитель импульсов (16). 2 ил. 
Изобретение относится к электротехнике и предназначается для использования в системах электроснабжения в качестве источника напряжения постоянного тока.
Известный источник напряжения постоянного тока (а.с. СССР №1652970, G 05 F 1/46, 1991 г.) содержит трансформатор с вращающимся магнитным полем, выпрямитель, фильтр, измерительно-усилительный узел, узел коммутации, выполненный на тиристорах, и фазосдвигающий конденсатор. Недостатком источника являются низкие показатели надежности работы и быстродействия системы стабилизации напряжения.
Наиболее близким по техническому решению является стабилизирующий источник напряжения постоянного тока по патенту РФ №2198420, G 05 F 1/46, Н 02 М 7/21, 2003 г., в котором узел коммутации выполнен на транзисторах. Недостатком источника является относительно низкая надежность работы узла коммутации и системы стабилизации напряжения.
Техническим решением поставленной задачи является повышение надежности работы источника напряжения постоянного тока.
Поставленная задача достигается тем, что источник напряжения постоянного тока содержит управляющий дроссель с рабочей обмоткой и обмоткой управления, а также транзистор, причем начало рабочей обмотки управляющего дросселя соединено со вторым выводом источника питания переменного тока, а ее конец соединен с концом первой первичной обмотки трансформатора с вращающимся магнитным полем, начало которой соединено с первым выводом источника питания переменного тока, начало обмотки управления управляющего дросселя соединено со вторым выходом источника напряжения постоянного тока, а ее конец через коллекторно-эмиттерный переход транзистора соединен с первым выходом источника напряжения постоянного тока, конец первой первичной обмотки трансформатора с вращающимся магнитным полем соединен с концом второй первичной обмотки трансформатора, конец которой через фазосдвигающий конденсатор соединен с началом первой первичной обмотки трансформатора, вторичная обмотка трансформатора через выпрямитель и фильтр соединена с первым и вторым выходом источника напряжения постоянного тока, кроме того, система стабилизации напряжения содержит делитель напряжения, формирователь импульсов, генератор пилообразного напряжения, усилитель импульсов, причем вход делителя напряжения соединен с выходом источника напряжения постоянного тока, а выход – с одним из входов формирователя импульсов, второй вход которого соединен с выходами генератора пилообразного напряжения, входы генератора пилообразного напряжения соединены с выводами для подключения источника переменного тока, выход формирователя импульсов соединен с входом усилителя импульсов, а его выходы соединены с управляющими входами транзистора.
Новизна технического решения заключается в том, что из схемы источника напряжения постоянного тока исключен узел коммутации, выполненный на двух транзисторах, а в схему введены управляющий дроссель, последовательно с обмоткой подмагничивания которого включен транзисторный ключ, и новая система стабилизации напряжения.
По данным научно-технической и патентной литературы авторам не известна аналогичная заявляемая совокупность признаков, направленная на достижение поставленной задачи, и это решение не вытекает с очевидностью из известного уровня техники, что позволяет сделать вывод о соответствии решения уровню изобретения.
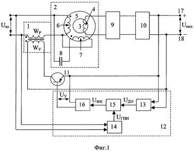
На фиг.1 представлена функциональная схема источника напряжения постоянного тока; на фиг.2 – диаграммы напряжений, поясняющие работу системы стабилизации напряжения.
Источник напряжения постоянного тока содержит управляющий дроссель 1 с рабочей обмоткой WP и обмоткой управления WУ, трансформатор с вращающимся магнитным полем (ТВМП) 2, магнитная система которого содержит сердечник 3 с вторичной обмоткой 4 и тороидальную часть магнитопровода 5 с двумя первичными обмотками 6 и 7, расположенными в пространстве относительно друг друга под углом 90°, начала которых соединены через фазосдвигающий конденсатор 8, выпрямитель 9, фильтр 10, транзистор 11. Система стабилизации напряжения 12 содержит делитель напряжения 13, генератор пилообразного напряжения 14, формирователь импульсов 15, усилитель импульсов 16.
На фиг.1 показаны выводы 17 и 18 для подключения нагрузки.
Источник напряжения постоянного тока работает следующим образом.
Входное однофазное напряжение источника питания переменного тока Uвх через рабочую обмотку управляющего дросселя 1 поступает на первичные обмотки 6 и 7 ТВМП 2. При протекании тока в первичных обмотках 6, 7 и фазосдвигающем конденсаторе 8 в магнитопроводе ТВМП создается вращающееся магнитное поле, вызывающее действие переменной ЭДС во вторичной обмотке 4. Напряжение переменного тока преобразуется в постоянный ток выпрямителем 9 и после его сглаживания фильтром 10 подключается к нагрузке.
В нормальном режиме работы система стабилизации напряжения 12 работает следующим образом.
С выхода источника постоянного тока сигнал, пропорциональный величине выходного напряжения Uвых, являющийся ведущим для системы стабилизации, через делитель напряжения 13 поступает на один из входов формирователя импульсов 15 (фиг.2, б UДН1). На второй вход формирователя импульсов 15 поступает сигнал UГПН от источника опорного сигнала – генератора пилообразного напряжения 14 (фиг.2, б), работа которого синхронизирована с входным напряжением источника Uвх (фиг.2, а). Когда сигнал UГПН>UДН1 формирователь импульсов 15 формирует импульсы управления UУ (фиг.2, в), которые через усилитель импульсов 16 поступают на управляющие электроды транзистора 11. Транзистор 11 открывается на время длительности управляющих импульсов. Угол управления транзистором 1 (фиг.2, в) соответствует номинальному режиму работы системы стабилизации напряжения.
При возникновении дестабилизирующих факторов на выходе источника напряжения постоянного тока система стабилизации напряжения 12 изменяет время открытого состояния транзистора 11 таким образом, что выходное напряжение Uвых остается неизменным. К примеру, если напряжение на выходе источника уменьшится, уменьшится напряжение на выходе делителя напряжения 13, уменьшится угол управления транзистором до величины, равной 2 (фиг.2, г, д). Тогда увеличится время открытого состояния транзистора 11, что приведет к увеличению тока в обмотке управления WУ управляющего дросселя 1 (фиг.1), являющегося током подмагничивания, уменьшению сопротивления рабочей обмотки WP и соответственно уменьшению падения напряжения на этой обмотке. Поскольку рабочая обмотка Wр управляющего дросселя 1 включена последовательно с первичными обмотками ТВМП 2, то это приведет к увеличению напряжения на первичных обмотках трансформатора, а значит увеличится напряжение Uвых на выходе источника электроэнергии постоянного тока.
Использование управляющего дросселя, рабочая обмотка которого включена последовательно с первичными обмотками ТВМП и транзистора в цепи управления управляющего дросселя, выгодно отличает предлагаемый источник напряжения постоянного тока от известных, так как повышается надежность работы источника напряжения постоянного тока.
Формула изобретения
Источник напряжения постоянного тока, содержащий трансформатор с вращающимся магнитным полем, выпрямитель, фильтр и систему стабилизации напряжения, отличающийся тем, что содержит управляющий дроссель с рабочей обмоткой и обмоткой управления, а также транзистор, причем начало рабочей обмотки управляющего дросселя соединено со вторым выводом источника питания переменного тока, а ее конец соединен с концом первой первичной обмотки трансформатора с вращающимся магнитным полем, начало которой соединено с первым выводом источника питания переменного тока, начало обмотки управления управляющего дросселя соединено со вторым выходом источника напряжения постоянного тока, а ее конец через коллекторно-эмиттерный переход транзистора соединен с первым выходом источника напряжения постоянного тока, конец первой первичной обмотки трансформатора с вращающимся магнитным полем соединен с концом второй первичной обмотки трансформатора, начало которой через фазосдвигающий конденсатор соединено с началом первой первичной обмотки трансформатора, вторичная обмотка трансформатора через выпрямитель и фильтр соединена с первым и вторым выходом источника напряжения постоянного тока, кроме того, система стабилизации напряжения содержит делитель напряжения, формирователь импульсов, генератор пилообразного напряжения, усилитель импульсов, причем вход делителя напряжения соединен с выходом источника напряжения постоянного тока, а выход с одним из входов формирователя импульсов, второй вход которого соединен с выходами генератора пилообразного напряжения, входы генератора пилообразного напряжения соединены с выводами для подключения источника переменного тока, выход формирователя импульсов соединен с входом усилителя импульсов, а его выходы соединены с управляющими входами транзистора.
РИСУНКИ
MM4A – Досрочное прекращение действия патента СССР или патента Российской Федерации на изобретение из-за неуплаты в установленный срок пошлины за поддержание патента в силе
Дата прекращения действия патента: 16.09.2006
Извещение опубликовано: 20.04.2008 БИ: 11/2008
|
|