|
|
(21), (22) Заявка: 2003124600/28, 07.08.2003
(24) Дата начала отсчета срока действия патента:
07.08.2003
(43) Дата публикации заявки: 27.02.2005
(45) Опубликовано: 20.04.2006
(56) Список документов, цитированных в отчете о поиске:
RU 2086996 С1, 10.08.1997. Передвижная лаборатория для поверки средств измерений высокого напряжения промышленной частоты до 330 кВ и 100 кВ постоянного тока. Л.Н.Тавдгиридзе, Л.Н.Лобжанидзе, К.И.Мегрелидзе. Измерительная техника. 1981, №2, с.68-70. SU 1109690 A1, 23.08.1984. Нефедьев И.А. Метод и аппаратура для аттестации высоковольтных
Адрес для переписки:
442960, Пензенская обл., г. Заречный, ул. Ленина, 66, кв.51, Д.И. Нефедьеву
|
(72) Автор(ы):
Нефедьев Дмитрий Иванович (RU)
(73) Патентообладатель(и):
Нефедьев Дмитрий Иванович (RU)
|
(54) УСТРОЙСТВО ДЛЯ ПОВЕРКИ ИЗМЕРИТЕЛЬНЫХ ТРАНСФОРМАТОРОВ НАПРЯЖЕНИЯ
(57) Реферат:
Изобретение относится к области приборостроения, в частности к технике поверки измерительных трансформаторов напряжения. Технический результат – расширение функциональных возможностей. Для достижения данного результата компаратор токов выполнен с регулируемым коэффициентом преобразования. Первое плечо компаратора выполнено однодекадным и подключено к низковольтному выводу высоковольтного емкостного делителя напряжения, а средняя точка подключена к заземленному выводу поверяемого измерительного трансформатора напряжения. Второе плечо компаратора выполнено многодекадным и подключено посредством многокаскадного делителя тока и параллельно соединенных конденсаторов постоянной и переменной емкости к вторичной обмотке поверяемого измерительного трансформатора напряжения. При этом первичная обмотка первого каскада многокаскадного делителя тока подключена последовательно с обмоткой второго плеча компаратора токов. 1 ил. 
(56) (продолжение):
CLASS=”b560m”измерительных трансформаторов напряжения. Организация производства и прогрессивная технология. Сб. ЦНИЛОТ, 1976, № 12, с.11-15. JP 2000310660 А, 11.07.2000. US 6166553 А, 26.12.2000.
Изобретение относится к электроизмерительной технике и предназначено для поверки измерительных трансформаторов напряжения.
Известно устройство для поверки измерительных трансформаторов напряжения, содержащее компаратор токов с регулируемым коэффициентом преобразования, высоковольтный газонаполненный конденсатор постоянной емкости, низковольтный конденсатор переменной емкости, магазин сопротивлений и нулевой индикатор [1].
Недостаток этого устройства заключается в сложности эксплуатации высоковольтных газонаполненных конденсаторов, примененных в устройстве, а также в невозможности экспериментального определения погрешности устройства при рабочем напряжении на конденсаторах.
Известно устройство (прототип) для поверки измерительных трансформаторов напряжения, содержащее компаратор токов с регулируемым коэффициентом преобразования, высоковольтный емкостной делитель напряжения, индуктивный делитель напряжения и нулевой индикатор [2].
Недостаток этого устройства (прототипа) заключается в сложности изготовления индуктивного делителя напряжения высокой точности.
Задача, на решение которой направлено заявляемое изобретение, заключается в разработке технического решения, которое обеспечивает:
– конструктивное упрощение устройства для поверки измерительных трансформаторов напряжения;
– возможность независимой (автономной) поверки компаратора токов.
Эта задача решена в результате того, что в устройстве для поверки измерительных трансформаторов напряжения, содержащем компаратор токов с регулируемым коэффициентом преобразования, высоковольтный емкостной делитель напряжения, индуктивный делитель напряжения и нулевой индикатор, измерительная цепь для определения метрологических характеристик поверяемого измерительного трансформатора напряжения выполнена в виде компаратора токов с регулируемым коэффициентом преобразования, первое плечо которого выполнено однодекадным и подключено к низковольтному выводу высоковольтного емкостного делителя напряжения, средняя точка подключена к заземленному выводу поверяемого измерительного трансформатора напряжения, а второе плечо выполнено многодекадным и подключено посредством многокаскадного делителя тока и параллельно соединенных конденсаторов постоянной и переменной емкости к вторичной обмотке поверяемого измерительного трансформатора напряжения, при этом первичная обмотка первого каскада многокаскадного делителя тока подключена последовательно с обмоткой второго плеча компаратора токов, а вторичные обмотки каскадов многокаскадного делителя тока через первичные обмотки последующих каскадов и декадные переключатели подключены последовательно с обмоткой второго плеча компаратора токов. Обмотки первого и второго плеч компаратора токов со сдвигом на одну ступень подключены к декадным переключателям второго направления первого и второго плеч компаратора токов, которые в процессе независимой поверки компаратора токов через перемычки подключены к заземленному выводу компаратора токов.
Возможность конструктивного упрощения устройства для поверки измерительных трансформаторов напряжения обеспечивается тем, что в устройстве вместо компаратора токов и индуктивного делителя напряжения применен многодекадный компаратор токов с устройством для независимой поверки.
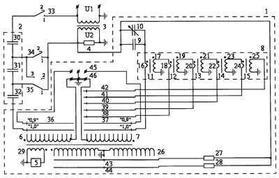
На чертеже приведена схема устройства для поверки измерительных трансформаторов напряжения.
Устройство для поверки измерительных трансформаторов напряжения содержит компаратор токов 1, высоковольтный емкостной делитель напряжения 2, поверяемый измерительный трансформатор напряжения 3 с резистивно-индуктивной нагрузкой 4 и нулевой индикатор 5. Компаратор токов 1 выполнен с регулируемым коэффициентом преобразования; первое плечо 6 выполнено однодекадным и подключено к низковольтному выводу высоковольтного емкостного делителя напряжения 2, второе плечо 7 выполнено многодекадным и подключено через многокаскадный делитель тока 8 и параллельно соединенные конденсаторы постоянной 9 и переменной 10 емкости к поверяемому измерительному трансформатору напряжения 3. Многокаскадный делитель тока 8 в цепи второго плеча компаратора токов 1 выполнен с последовательным соединением каскадов 11, 12, 13, 14, 15 трансформаторного типа с коэффициентами преобразования каждого каскада, равными 0.1, при этом первичная обмотка 16 первого каскада 11 подключена последовательно с обмоткой второго плеча 7 компаратора токов 1, а вторичные обмотки 17, 19, 21, 23, 25 каскадов 11, 12, 13, 14, 15 через первичные обмотки 18, 20, 22, 24 последующих каскадов подключены последовательно с обмоткой второго плеча 7 компаратора токов 1. Обмотка 26 для определения угловой погрешности измерительных трансформаторов напряжения через резисторы 27, 28 подключена к поверяемому измерительному трансформатору напряжения 3, а индикаторная обмотка 29 подключена к нулевому индикатору 5. Высоковольтный емкостной делитель напряжения 2 содержит высоковольтное плечо 30, замыкаемую часть конденсаторов 31 и низковольтное (выходное) плечо 32. Для коммутации элементов высоковольтного емкостного делителя напряжения 2 предусмотрены переключатели 33, 34, 35 (на схеме указанные переключатели показаны условно, в реальном устройстве переключение элементов делителя осуществляется при помощи соединительных кабелей). Для изменения числа апмер-витков обмоток компаратора токов 1 предусмотрены декадные переключатели двух направлений 36, 37 и декадные переключатели 38, 39, 40, 41, 42, 43, 44. Для коммутации обмоток компаратора токов 1 в процессе проведения поверки измерительных трансформаторов напряжения и независимой поверки компаратора токов предусмотрены перемычки 45, 46.
Работа устройства для поверки измерительных трансформаторов напряжения заключается в следующем.
Перед операцией поверки измерительных трансформаторов напряжения производится балансировка плеч компаратора токов 1 в следующей последовательности. Собирается схема в соответствии с чертежом. Переключатели 33, 34 устанавливаются в положение «2», переключатель 35 – в положение «1». На плечах 6, 7 компаратора токов 1 посредством переключателей 36, 37, 38, 39, 40, 41, 42 выставляются значения, равные единице ( =1, =1), при этом переключатели 43, 44 должны быть установлены в нулевое положение. Перемычка 45 должна быть разомкнута, а перемычка 46 – замкнута. Затем при помощи переменного конденсатора 10 производится уравновешивание измерительной цепи, что отмечается по нулевому (минимальному) показанию нулевого индикатора 5. Далее производится измерение коэффициента трансформации поверяемого измерительного трансформатора напряжения и выполняются следующие операции. На первом этапе переключатели 34, 35 устанавливаются в положение «2», переключатель 33 – в положение «1». Схема уравновешивается путем регулирования ампер-витков в плечах 6, 7 и обмотке 26 компаратора токов 1 посредством декадных переключателей 36, 37, 38, 39, 40, 41, 42, 43, 44. Выполняется равенство:

где:
С30, С31, С32 – емкости конденсаторов 30, 31, 32 высоковольтного емкостного делителя напряжения 2;
К3 – коэффициент трансформации поверяемого измерительного трансформатора напряжения 3;
1 – отсчет по шкале плеча 6 компаратора токов 1;
1 – отсчет по шкале плеча 7 компаратора токов 1.
На втором этапе переключатель 35 устанавливается в положение «3».
Производится уравновешивание схемы и составляется новое равенство:

На третьем этапе переключатели 33, 35 устанавливаются в положение «2», переключатель 34 – в положение «1». Производится уравновешивание схемы, что соответствует новому равенству:

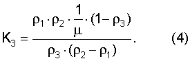
Решая совместно уравнения (1), (2), (3), после промежуточных преобразований определим коэффициент трансформации К3 поверяемого измерительного трансформатора напряжения по полученным значениям , 1, 2, 3:

Независимая поверка компаратора токов 1 заключается в следующем.
На первом этапе производится балансировка измерительной цепи, одна ветвь которой состоит из низковольтного плеча 32 высоковольтного емкостного делителя напряжения 2 и первого плеча 6 компаратора токов 1, другая ветвь – из второго плеча 7, многокаскадного делителя тока 8 и конденсаторов 9, 10 компаратора токов 1, при этом значения плеч 6, 7 компаратора токов 1 должны быть равны 0,1. Перемычка 45 должна быть замкнута, а перемычка 46 – разомкнута.
На втором этапе производится независимая поверка компаратора токов 1 и выполняется следующая операция. Сначала сравниваются последовательно ампер-витки первого плеча 6 от 0,1 до 1,0 с ампер-витками первой ступени первой декады плеча 7. Затем последовательно сравниваются ампер-витки первой декады второго плеча 7 от 0,1 до 1,0 с ампер-витками первой ступени первого плеча 6. Далее производится сравнение ампер-витков первой ступени первого плеча 6 с ампер-витками десяти ступеней второй декады второго плеча 7, с ампер-витками девяти ступеней второй декады и десяти ступеней третьей декады второго плеча 7 и т.д. Отсчет погрешности производится по показаниям нулевого индикатора 5.
Таким образом, предложенное техническое решение позволяет конструктивно упростить устройство для поверки измерительных трансформаторов напряжения вследствие исключения из измерительной цепи такого сложного средства измерения как индуктивный делитель напряжения, и обеспечивает независимую поверку устройства в целом.
Источники информации
1. Тавдгиридзе Л.Н. Передвижная лаборатория для поверки средств измерений высокого напряжения промышленной частоты до 300/
2. Нефедьев Д.И. Устройство для поверки высоковольтных измерительных трансформаторов напряжения. Патент №2086996 на изобретение (Россия). Опубликовано в Б.И. – 1997. – №22.
Формула изобретения
Устройство для поверки измерительных трансформаторов напряжения, содержащее компаратор токов с регулируемым коэффициентом преобразования, высоковольтный емкостной делитель напряжения, индуктивный делитель напряжения и нулевой индикатор, отличающееся тем, что компаратор токов выполнен с регулируемым коэффициентом преобразования, первое плечо которого выполнено однодекадным и подключено к низковольтному выводу высоковольтного емкостного делителя напряжения, средняя точка подключена к заземленному выводу поверяемого измерительного трансформатора напряжения, а второе плечо выполнено многодекадным и подключено посредством многокаскадного делителя тока и параллельно соединенных конденсаторов постоянной и переменной емкости ко вторичной обмотке поверяемого измерительного трансформатора напряжения, при этом первичная обмотка первого каскада многокаскадного делителя тока подключена последовательно с обмоткой второго плеча компаратора токов, а вторичные обмотки каскадов многокаскадного делителя тока через первичные обмотки последующих каскадов и декадные переключатели подключены последовательно с обмоткой второго плеча компаратора токов, при этом обмотки первого и второго плеч компаратора токов со сдвигом на одну ступень подключены к декадным переключателям второго направления первого и второго плеч компаратора токов, которые в процессе независимой поверки компаратора токов через перемычки подключены к заземленному выводу компаратора токов.
РИСУНКИ
MM4A – Досрочное прекращение действия патента СССР или патента Российской Федерации на изобретение из-за неуплаты в установленный срок пошлины за поддержание патента в силе
Дата прекращения действия патента: 08.08.2006
Извещение опубликовано: 20.05.2008 БИ: 14/2008
|
|