|
|
(21), (22) Заявка: 2004106165/28, 02.03.2004
(24) Дата начала отсчета срока действия патента:
02.03.2004
(43) Дата публикации заявки: 10.08.2005
(45) Опубликовано: 20.04.2006
(56) Список документов, цитированных в отчете о поиске:
SU 1311740 A1, 23.05.1987. RU 2135228 C1, 27.08.1999. SU 536445 A1, 25.11.1976. US 6547713 А, 15.04.2003. US 5100373 А, 31.03.1992.
Адрес для переписки:
450000, г.Уфа, ул. К. Маркса, 12, УГАТУ, отдел интеллектуальной собственности
|
(72) Автор(ы):
Прищепов Сергей Константинович (RU), Андреев Олег Павлович (RU), Маннанов Ильшат Фларитович (RU), Морозова Елена Сергеевна (RU), Ямилева Зульфира Маратовна (RU)
(73) Патентообладатель(и):
Государственное образовательное учреждение высшего профессионального образования Уфимский государственный авиационный технический университет (RU)
|
(54) УСТРОЙСТВО СТАБИЛИЗАЦИИ ГЕОМАГНИТНОГО ПОЛЯ В РАБОЧЕМ ОБЪЕМЕ
(57) Реферат:
Использование: устройство предназначено для защиты биологических и физических объектов от магнитных воздействий. Сущность изобретения: оси трехкомпонентного феррозондового стержневого магнитометра совмещены с осями пар катушек Гельмгольца, причем полуэлементы дифференциальных стержневых феррозондов разнесены по осям от центра рабочего объема, поэтому рабочий объем является единым для размещения объекта воздействия и магнитометра. Этим обеспечивается достижение технического результата, заключающегося в повышении точности выявления магнитных возмущений; благодаря совмещению объема измерения с объемом компенсации последний может быть увеличен. 2 ил. 
Изобретение относится к магнитометрическим системам управления и предназначено для защиты биологических и физических объектов от магнитных воздействий.
Известно устройство для магнитотерапии, содержащее магнитометр и три пары взаимно ортогональных контуров, в устройство дополнительно введены три образцовых резистора, три аналого-цифровых преобразователя, сумматор, три управляемых источника тока, три цифроаналоговых преобразователя, устройство сравнения кодов, коммутатор, генератор случайных чисел и устройство управления, причем рабочий объем выполнен в виде колец Гельмгольца, входы катушек колец Гельмгольца соединены через управляемые источники тока и цифроаналоговые преобразователи с выходами устройства сравнения кода, выходы образцовых резисторов через аналого-цифровые преобразователи с входами устройства сравнения кодов, вход устройства сравнения подключен через коммутатор к генератору случайных чисел, по входам связанному с выходом устройства управления, вход которого соединен с цифровым магнитометром, причем магнитометр вынесен за пределы рабочего объема (патент РФ №2135228, МКИ 6 А 61 N 2/02, 1997 г.).
Недостатком устройства является то, что магнитометр вынесен за пределы рабочего объема, это создает недостоверность информационного сигнала и ограничивает возможность полного компенсирования магнитных возмущений.
Наиболее близким по технической сущности и достигаемому результату к заявляемому является устройство для стабилизации геомагнитного поля в рабочем объеме, содержащее основные и дополнительные катушки Гельмгольца, образующие основной и дополнительный рабочие объемы, и магнитометр, размещенный в дополнительном рабочем объеме, причем каждая катушка основного рабочего объема соединена с соответствующей катушкой дополнительного рабочего объема, образуя пару, с целью повышения точности стабилизации в него введены фильтры и усилители с зоной нечувствительности, причем каждый выход магнитометра, выполненного трехкомпонентным, присоединен через последовательно соединенные между собой фильтр и усилитель к соответствующей паре катушек Гельмгольца, а постоянные времени основных и дополнительных катушек Гельмгольца выбраны одинаковыми (А.С. СССР №913290, МКИ G 01 R 33/02, 1980 г.).
Недостатком устройства является то, что магнитометр размещен в дополнительном рабочем объеме, это создает недостоверность информационного сигнала и ограничивает возможность полного компенсирования магнитных возмущений, кроме того, объем нормализованного магнитного поля Земли не может быть большим, так как при увеличении размеров колец Гельмгольца дополнительный объем удаляется от центра объема нормализованного магнитного поля Земли, что увеличивает разность воздействий аномалии в дополнительном объеме и в центре объема нормализованного магнитного поля Земли, а также наибольшая однородность в объеме нормализованного магнитного поля Земли достигается при максимальном соотношении R к а, где R – радиус колец Гельмгольца, а – осевое удаление кольца от центра объема нормализованного магнитного поля Земли (Афанасьев Ю.В., Студенцов Н.В., Щепкин А.П.Магнитометрические преобразователи, приборы и установки. – Л.: Энергия, 1972. – 273 с.). Кроме того, дополнительный объем должен быть равноудален от центра объема нормализованного магнитного поля Земли по всем трем осям, следовательно, должен находиться в зоне наибольшей неоднородности магнитного поля, создаваемого кольцами Гельмгольца.
Задачей изобретения является повышение точности выявления магнитных возмущений с последующей их компенсацией для поддержания в рабочем объеме нормализованного магнитного поля Земли.
Решение указанной задачи достигается тем, что устройство для стабилизации геомагнитного поля в рабочем объеме, содержащее первую, вторую, третью пары катушек Гельмгольца и трехкомпонентный феррозондовый магнитометр, отличается тем, что трехкомпонентный феррозондовый магнитометр выполнен стержневым, а оси первой, второй, третьей пары катушек Гельмгольца образуют трехосную ортогональную систему, в которой центр рабочего объема находится в точке пересечения осей и рабочий объем является единым для объекта магнитного воздействия катушек и стержневого трехкомпонентного феррозондового магнитометра, так как оси полуэлементов каждого стержневого дифференциального феррозонда совпадают с соответствующими осями первой, второй, третьей пар катушек, а объем нормализованного магнитного поля Земли находится между разнесенными от точки пересечения осей полуэлементами стержневых дифференциальных феррозондов, при этом выход каждого стержневого дифференциального феррозонда подключен ко входу своего преобразователя информационного сигнала, содержащего последовательно соединенные фазовый детектор, фильтр низкой частоты и усилитель, подключенного к соответствующей паре катушек Гельмгольца для компенсации в рабочем объеме магнитных аномалий.
Объектом защиты от воздействия магнитной аномалии является, как правило, организм человека, поэтому для комфортного его расположения объем нормализованного магнитного поля Земли должен быть соизмерим с антропологическими характеристиками, таким образом размеры катушек могут быть 2,5-3 м по сторонам прямоугольников, то есть в размер стен, пола и потолка реабилитационной палаты, при этом наличие фазового детектора позволяет компенсировать магнитные аномалии как постоянного уровня, так и знакопеременные.
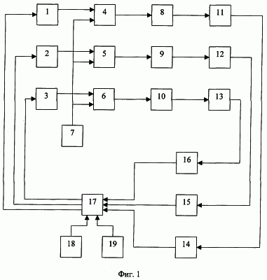
Существо изобретения поясняется чертежами. На Фиг.1 изображена блок-схема устройства стабилизации геомагнитного поля в рабочем объеме. На Фиг.2 изображено расположение элементов устройства стабилизации геомагнитного поля в рабочем объеме.
Устройство содержит стержневые феррозонды 1, 2, 3, образующие трехкомпонентный магнитометр, выходы которых соединены с входами соответствующих фазовых детекторов 4, 5, 6, которые управляются схемой 7. Выходы фазовых детекторов соединены с последовательно включенными фильтрами низких частот 8, 9, 10, усилителями 11, 12, 13 и парами катушек Гельмгольца 14, 15, 16. Пары катушек Гельмгольца формируют объем нормализованного магнитного поля Земли 17, на который воздействуют магнитная аномалия 18 и магнитное поле Земли 19. Полуэлемент 1.1 последовательно соединен с полуэлементом 1.2 и образуют дифференциальный стержневой феррозонд. Полуэлемент 2.1 последовательно соединен с полуэлементом 2.2 и образуют дифференциальный стержневой феррозонд. Полуэлемент 3.1 последовательно соединен с полуэлементом 3.2 и образуют дифференциальный стержневой феррозонд. Катушка 14.1 последовательно соединена с катушкой 14.2 и образуют пару катушек Гельмгольца. Катушка 15.1 последовательно соединена с катушкой 15.2 и образуют пару катушек Гельмгольца. Катушка 16.1 последовательно соединена с катушкой 16.2 и образуют пару катушек Гельмгольца. Объект воздействия 20 находится в объеме нормализованного магнитного поля Земли 17.
Устройство работает следующим образом: по фиг.1 и 2 феррозондовый магнитометр выполнен трехкомпонентным и его полуэлементы 1.1, 1.2, 2.1, 2.2, 3.1, 3.2 разнесены по осям ортогональной системы относительно центра объема нормализованного магнитного поля Земли. Феррозондовый магнитометр, схема 7, фазовые детекторы 4, 5, 6 осуществляют преобразование магнитной аномалии 18 в электрические сигналы, пропорциональные величине ее составляющих по каждой из трех осей. Далее сигналы поступают на последовательно соединенные фильтры низких частот 8, 9, 10 и усилители 11, 12, 13, на выходе которых сигналы усиливаются до уровня, необходимого для создания компенсирующего магнитного поля. Усиленные электрические сигналы подводятся на пары катушек Гельмгольца 14, 15, 16 для создания компенсирующего воздействия. Результирующее магнитное поле, образуемое трехосевой системой колец Гельмгольца, равно по величине модулю вектора магнитной аномалии и противоположно этому вектору по направлению. Вокруг объекта воздействия 20, в качестве которого могут выступать биологические и физические объекты, а следовательно, между полуэлементами феррозондового магнитометра формируется объем нормализованного магнитного поля Земли 17. Таким образом, объект воздействия находится в центре объема нормализованного магнитного поля Земли, то есть в зоне наибольшей однородности поля, кроме того, разнесение полуэлементов стержневых феррозондов и максимальное сближение сторон соседних прямоугольных катушек Гельмгольца обеспечивает наибольший объем нормализованного магнитного поля.
Формула изобретения
Устройство для стабилизации геомагнитного поля в рабочем объеме, содержащее первую, вторую, третью пары катушек Гельмгольца и трехкомпонентный феррозондовый магнитометр, отличающееся тем, что трехкомпонентный феррозондовый магнитометр выполнен стержневым, а оси первой, второй, третьей пары катушек Гельмгольца образуют трехосную ортогональную систему, в которой центр рабочего объема находится в точке пересечения осей и рабочий объем является единым для объекта магнитного воздействия катушек и стержневого трехкомпонентного феррозондового магнитометра, так как оси полуэлементов каждого стержневого дифференциального феррозонда совпадают с соответствующими осями первой, второй, третьей пар катушек, а объем нормализованного магнитного поля Земли находится между разнесенными от точки пересечения осей полуэлементами стержневых дифференциальных феррозондов, при этом выход каждого стержневого дифференциального феррозонда подключен ко входу своего преобразователя информационного сигнала, содержащего последовательно соединенные фазовый детектор, фильтр низкой частоты и усилитель, подключенного к соответствующей паре катушек Гельмгольца для компенсации в рабочем объеме магнитных аномалий.
РИСУНКИ
MM4A – Досрочное прекращение действия патента СССР или патента Российской Федерации на изобретение из-за неуплаты в установленный срок пошлины за поддержание патента в силе
Дата прекращения действия патента: 03.03.2006
Извещение опубликовано: 27.10.2007 БИ: 30/2007
|
|