|
|
(21), (22) Заявка: 2004123635/09, 05.12.2002
(24) Дата начала отсчета срока действия патента:
05.12.2002
(30) Конвенционный приоритет:
31.12.2001 DE 10164232.6
(45) Опубликовано: 10.04.2006
(56) Список документов, цитированных в отчете о поиске:
GB 2179214, 25.02.1987. SU 516146 A1, 30.05.1976. SU 1495902 A1, 23.07.1989. WO 9967865, 29.12.1999. DE 19914313, 14.09.2000.
(85) Дата перевода заявки PCT на национальную фазу:
02.08.2004
(86) Заявка PCT:
EP 02/13768 (05.12.2002)
(87) Публикация PCT:
WO 03/056670 (10.07.2003)
Адрес для переписки:
129010, Москва, ул. Б.Спасская, 25, стр.3, ООО “Юридическая фирма Городисский и Партнеры”, пат.пов. Г.Б. Егоровой
|
(72) Автор(ы):
ДУРТ Райнер (DE), ВЕТТЕР Мартин (DE), ШАЙБЕ Клаус (DE)
(73) Патентообладатель(и):
ФЕНИКС КОНТАКТ ГМБХ УНД КО. КГ (DE)
|
(54) МНОГОПОЛЮСНАЯ СИСТЕМА ЗАЩИТЫ ОТ ПЕРЕНАПРЯЖЕНИЯ И СПОСОБ ОБЕСПЕЧЕНИЯ НАДЕЖНОЙ РАБОТЫ МНОГОПОЛЮСНОЙ СИСТЕМЫ ЗАЩИТЫ ОТ ПЕРЕНАПРЯЖЕНИЯ
(57) Реферат:
Изобретение относится к многополюсной системе защиты от перенапряжения для многофазной сети электроснабжения. Технический результат заключается в создании простой по конструкции и недорогой многополюсной системы защиты от перенапряжения, в обеспечении достижения требуемого уровня защиты между всеми ответвлениями линий многофазной сети электроснабжения. Предложена многополюсная система защиты от перенапряжения для многофазной сети электроснабжения с четырьмя элементами (1) защиты от перенапряжения, причем в каждом ответвлении (2, 3, 4, 5) линии сети электроснабжения размещен элемент (1) защиты от перенапряжения. Отдельные элементы (1) защиты от перенапряжения связаны друг с другом таким образом, что при инициировании одного элемента (1) защиты от перенапряжения также инициируются все другие элементы защиты от перенапряжения. 2 н. и 12 з.п. ф-лы, 5 ил. 
Область техники
Изобретение относится к многополюсной системе защиты от перенапряжения для многофазной сети электроснабжения, в частности, сети низкого напряжения, по меньшей мере, с двумя элементами защиты от перенапряжения, причем в каждом ответвлении линии сети электроснабжения размещен элемент защиты от перенапряжения. Кроме того, изобретение относится к способу обеспечения надежной работы подобной многополюсной системы защиты от перенапряжения.
Предшествующий уровень техники
Электрические и особенно электронные схемы измерения, управления, регулирования и коммутации, прежде всего телекоммуникационные устройства и установки являются чувствительными по отношению к переходным перенапряжениям, которые могут возникать вследствие атмосферных разрядов, а также вследствие коммутационных операций или коротких замыканий в сетях энергоснабжения. Такая чувствительность возрастает в той же степени, в какой находят применение электронные компоненты, в особенности транзисторы и тиристоры; прежде всего опасному воздействию переходных перенапряжений в значительной степени подвергаются используемые интегральные схемы.
Электронные схемы в нормальном режиме работают без помех с определенным для них напряжением, то есть номинальным напряжением. Иная картина наблюдается при возникновении перенапряжений. В качестве перенапряжений рассматриваются все напряжения, которые превосходят верхнюю допустимую границу номинального напряжения. К ним также относятся прежде всего переходные перенапряжения, которые могут возникать вследствие атмосферных разрядов, а также вследствие коммутационных операций или коротких замыканий в сетях энергоснабжения и могут за счет гальванической, индуктивной или емкостной связи проникать в электрические схемы. Для того чтобы защитить электрические или электронные схемы, в особенности электронные схемы измерения, управления, регулирования и коммутации, а также прежде всего телекоммуникационные устройства и установки, где они повсеместно применяются, были разработаны элементы защиты от перенапряжения, которые известны уже более двадцати лет.
Существенным компонентом элементов защиты от перенапряжения того рода, о котором здесь идет речь, которые часто обозначают как элементы отвода тока молнии (молниеотвод), является искровой (разрядный) промежуток, который срабатывает (пробивается) при определенном перенапряжении, так называемом напряжении срабатывания, и тем самым предотвращает возникновение в цепи, защищаемой элементом защиты от перенапряжения, таких перенапряжений, которые превышают напряжение срабатывания искрового промежутка.
Искровые промежутки вышеупомянутых элементов защиты от перенапряжения чаще всего выполняются в виде воздушных разрядных промежутков, то есть они имеют два электрода, между которыми существует или действует воздушный разрядный промежуток. Под воздушным разрядным промежутком в общем случае понимается также разрядный промежуток, в котором между электродами находится не воздух, а другой газ. Наряду с элементами защиты от перенапряжения с воздушным разрядным промежутком имеются также элементы защиты от перенапряжения с разрядным промежутком с перекрытием по воздуху, в которых при срабатывании возникает поверхностный разряд.
Элементы защиты от перенапряжения с воздушным разрядным промежутком по сравнению с элементами защиты от перенапряжения с разрядным промежутком с перекрытием по воздуху имеют преимущество, заключающееся в более высокой нагрузочной способности по импульсному току, но вместе с тем имеют недостаток, заключающийся в более высоком, а также не особенно стабильном напряжении срабатывания. Поэтому были предложены различные элементы защиты от перенапряжения с воздушным разрядным промежутком, которые были усовершенствованы в отношении напряжения срабатывания. При этом в области электродов или действующего между электродами воздушного разрядного промежутка различным образом реализованы средства поджига, например, в частности между электродами предусматривают, по меньшей мере, одно средство поджига из синтетического материала, которое инициирует поверхностный разряд, по меньшей мере, частично выступает в воздушный разрядный промежуток и выполнено в форме перемычки (см., например, выложенные заявки Германии 4141681 или 4402615).
Вышеописанные средства поджига, предусмотренные в известных элементах защиты от перенапряжения, могут быть определены как «пассивные средства поджига» потому, что они срабатывают не сами по себе «активным» образом, а только за счет перенапряжения, возникающего на основных электродах.
Из выложенной заявки Германии 19803636 также известен элемент защиты от перенапряжения с двумя электродами, с действующим между обоими электродами воздушным разрядным промежутком и средством поджига. В этом известном элементе защиты от перенапряжения средство поджига, в противоположность описанному выше средству поджига, вызывающему поверхностный разряд, выполнено как «активное средство поджига», в частности, за счет того, что наряду с двумя электродами, определенными там как основные электроды, предусмотрено еще два пусковых (поджигающих) электрода. Эти два пусковых электрода образуют второй воздушный разрядный промежуток, служащий в качестве поджигающего искрового промежутка. В этом известном элементе защиты от перенапряжения к средству поджига, помимо поджигающего искрового промежутка, относится также схема зажигания с элементом включения зажигания. При приложении перенапряжения к известному элементу защиты от перенапряжения схема зажигания с элементом включения зажигания обеспечивает срабатывание поджигающего искрового промежутка. Поджигающий искровой промежуток или оба пусковых электрода расположены по отношению к основным электродам таким образом, что, благодаря срабатыванию поджигающего искрового промежутка, срабатывает воздушный разрядный промежуток между обоими основными электродами, называемый основным разрядным промежутком. Срабатывание поджигающего искрового промежутка приводит к ионизации воздуха, находящегося в воздушном разрядном промежутке, так что после срабатывания поджигающего искрового промежутка происходит импульсное срабатывание воздушного разрядного промежутка между обоими основными электродами, то есть основного разрядного промежутка.
В известных описанных выше формах выполнения элементов защиты от перенапряжения с пусковыми средствами использование таких пусковых средств приводит к более оптимальному, в частности, более низкому и более стабильному напряжению срабатывания.
Для защиты от перенапряжения центрального электроснабжения в сетях низкого напряжения применяются двухполюсные или четырехполюсные приборы защиты от перенапряжения, в которых отдельные элементы защиты от перенапряжения объединены в одну систему защиты от перенапряжения и размещены в общем корпусе. При этом отдельные элементы защиты от перенапряжения защищают соответственно только единственное ответвление линии сети электроснабжения. При этом, в зависимости от монтажа, использованного в приборе защиты от перенапряжения, гарантируется заданный уровень защиты только между активными фазными проводами (L1, L2, L3) и нейтральным (нулевым) проводом (N), или между нейтральным проводом (N) и заземлением (PE), или между активными фазными проводами (L1, L2, L3) и заземлением (PE), или между нейтральным проводом (N) и заземлением (PE). Однако, в частности, между отдельными активными фазными проводами (L1, L2, L3) уровень защиты не обеспечивается.
Из публикации GB 2179214 А известна система защиты от перенапряжения, которая состоит из одного или нескольких цилиндрических ионных разрядников. На обоих внешних концах цилиндрического ионного разрядника размещены основные электроды и дополнительно во внутреннем пространстве между обоими электродами коаксиально расположен поджигающий (пусковой) электрод в качестве средства поджига. Чтобы иметь возможность соединить с нагрузкой два активных фазных провода, несколько таких цилиндрических ионных разрядников соединяются аксиально. Описанным в заявке образом невозможно соединить с нагрузкой более двух активных фазных проводов, так как осевое расположение единственного поджигающего электрода может действовать только для расположенного во вне электрода активного фазного провода.
Однако возможен вариант, когда за счет индуктивной или емкостной связи (перекрестных помех) при возникновении перенапряжения только в одном ответвлении линии в другом ответвлении линии возникает менее значительное перенапряжение, которое, однако, не приводит к срабатыванию элемента защиты от перенапряжения этого ответвления линии. Кроме того, при одинаково выполненных элементах защиты от перенапряжения и одинаково выполненных ответвлениях линий в случае перенапряжения может иметь место неравномерное распределение суммарного импульсного (ударного) тока, особенно в случае, когда отдельные элементы защиты от перенапряжения включаются с задержкой по времени или отдельные элементы защиты от перенапряжения вообще не включаются. На практике предлагаются многополюсные приборы защиты от перенапряжения с импульсной пропускной способностью до определенной величины суммарного импульсного тока, в которых отдельные элементы защиты от перенапряжения могут, однако, отводить лишь соответствующую часть (1/3 или 1/4 при трех или четырех ответвлениях линии) заданного суммарного импульсного тока. Если при применении таких многополюсных приборов защиты от перенапряжения имеет место несимметричное распределение тока, то это может привести к перегрузке отдельных элементов защиты от перенапряжения.
Таким образом, задачей настоящего изобретения является создание простой по конструкции и недорогой многополюсной системы защиты от перенапряжения, в которой обеспечивается желаемый уровень защиты между всеми ответвлениями линий. Кроме того, задачей настоящего изобретения является создание способа для обеспечения надежной работы многополюсной системы защиты от перенапряжения, с помощью которого обеспечивается достижение требуемого уровня защиты между всеми ответвлениями линий многофазной сети электроснабжения.
Соответствующая изобретению многополюсная система защиты от перенапряжения, в которой решена вышеуказанная задача, характеризуется тем, что отдельные элементы защиты от перенапряжения связаны друг с другом таким образом, что при поджиге (инициировании) одного элемента защиты от перенапряжения также поджигаются (инициируются) все другие элементы защиты от перенапряжения.
Если в соответствующей изобретению многополюсной системе защиты от перенапряжения в одном ответвлении линии возникает перенапряжение, которое превышает напряжение срабатывания, то это приводит к инициированию элемента защиты от перенапряжения, включенного в это ответвление. За счет того, что в соответствии с изобретением отдельные элементы защиты от перенапряжения связаны друг с другом, происходит автоматическое инициирование элементов защиты от перенапряжения в других ответвлениях линий. Тем самым обеспечивается требуемый уровень защиты между всеми ответвлениями линий и симметричное распределение суммарного импульсного тока.
Связь отдельных элементов защиты от перенапряжения друг с другом может быть реализована различными способами. Согласно первому предпочтительному варианту осуществления соответствующей изобретению системы защиты от перенапряжения отдельные элементы защиты от перенапряжений имеют соответствующее средство поджига, причем отдельные средства поджига связаны между собой. При этом в качестве средств поджига могут применяться как описанные выше «пассивные средства поджига», так и описанные выше «активные средства поджига». При применении активных средств поджига, которые наряду с поджигающим электродом дополнительно содержат схему зажигания с элементом включения зажигания, отдельные элементы включения зажигания отдельных средств поджига электрически соединены друг с другом.
Согласно альтернативному варианту осуществления соответствующей изобретению многополюсной системы защиты от перенапряжения предусмотрено центральное средство поджига, с которым электрически соединены все элементы защиты от перенапряжения. Этот вариант осуществления имеет преимущество, заключающееся в том, что в целом требуется меньше компонентов, так что система защиты от перенапряжения может быть изготовлена, с одной стороны, более экономичным образом, а с другой стороны – с меньшими габаритами. Если центральное средство поджига также выполнено как активное средство поджига, то оно предпочтительно имеет множество поджигающих электродов и связанную с поджигающими электродами центральную схему зажигания, причем с каждым поджигающим электродом взаимодействует соответственно один элемент защиты от перенапряжения.
Согласно наиболее предпочтительному варианту осуществления соответствующей изобретению многополюсной системы защиты от перенапряжения все элементы защиты от перенапряжения и, в случае необходимости, все средства поджига размещены в одном корпусе, тем самым многополюсная система защиты от перенапряжения объединена в многополюсный прибор защиты от перенапряжения. При этом отдельные элементы защиты от перенапряжения предпочтительно имеют первый электрод и второй электрод и существующий или действующий между электродами воздушный разрядный промежуток, причем электроды отдельных элементов защиты от перенапряжения расположены относительно друг друга таким образом, что при поджиге воздушного разрядного промежутка одного элемента защиты от перенапряжения за счет образующейся при этом плазмы также поджигаются воздушные разрядные промежутки других элементов защиты от перенапряжения. Если указывается, что отдельные элементы защиты от перенапряжения имеют первый электрод и второй электрод, то это подразумевается только функционально, но при этом не обязательно, чтобы для каждого элемента защиты от перенапряжения физически был предусмотрен первый электрод и собственный второй электрод, а в противоположность этому может быть предусмотрен только один электрод, который для нескольких элементов защиты от перенапряжения или для всех элементов защиты от перенапряжения функционирует как второй электрод.
В вышеописанном способе для обеспечения надежной работы многополюсной системы защиты от перенапряжения в многофазной сети электроснабжения, в особенности в сети низкого напряжения, в котором система защиты от перенапряжения содержит по меньшей мере два элемента защиты от перенапряжения, которые соответствующим образом размещены в ответвлении линии сети электроснабжения, вышеуказанная задача решается тем, что при инициировании отдельного элемента защиты от перенапряжения также инициируются все другие элементы защиты от перенапряжения.
В первом варианте осуществления способа, при котором отдельные элементы защиты от перенапряжения имеет, соответственно, средство поджига, при инициировании одного средства поджига также инициируются все другие средства поджига остальных элементов защиты от перенапряжений. Согласно альтернативному варианту осуществления способа, в котором отдельные элементы защиты от перенапряжения выполнены в виде воздушных разрядных промежутков и размещены в общем корпусе, за счет плазмы, возникающей при поджиге воздушного разрядного промежутка одного элемента защиты от перенапряжения, автоматически осуществляется поджиг воздушных разрядных промежутков остальных элементов защиты от перенапряжения.
В частности, имеется множество возможностей выполнения и дальнейшего развития соответствующей изобретению многополюсной системы защиты от перенапряжения или соответствующего изобретению способа обеспечения надежной работы многополюсной системы защиты от перенапряжения. В связи с этим следует сослаться, с одной стороны, на пункты формулы изобретения, подчиненные пунктам 1 и 12, а с другой стороны – на последующее описание предпочтительных вариантов осуществления изобретения со ссылками на чертежи.
Краткое описание чертежей
Фиг. 1 изображает две упрощенные функциональные схемы соединений многополюсной системы защиты от перенапряжения, известной из уровня техники, при двух различных формах сетей,
Фиг. 2 – упрощенную функциональную схему соединений первого варианта осуществления соответствующей изобретению многополюсной системы защиты от перенапряжения,
Фиг. 3 – упрощенную функциональную схему соединений второго варианта осуществления соответствующей изобретению многополюсной системы защиты от перенапряжения,
Фиг. 4 – упрощенную функциональную схему соединений третьего варианта осуществления соответствующей изобретению многополюсной системы защиты от перенапряжения,
Фиг. 5 – вариант осуществления соответствующей изобретению многополюсной системы защиты от перенапряжения согласно функциональной схеме соединений, представленной на фиг.4, частично в разрезе.
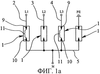
На фиг. 1а и 1b показаны, соответственно, упрощенные функциональные схемы соединений многополюсной системы защиты от перенапряжения, известной из уровня техники, для трехфазной сети электроснабжения с четырьмя элементами 1 защиты от перенапряжения, причем функциональная схема соединений по фиг.1а изображает «3+1-схему», а фиг. 1b иллюстрирует «4+0-схему».
На фиг.1-4 символами L1, L2 и L3 обозначены активные фазные провода сети низкого напряжения, а символом N – соответствующий нейтральный (нулевой) провод. В каждом ответвлении 2, 3, 4 и 5 линии сети низкого напряжения размещен элемент 1 защиты от перенапряжения.
В случае «3+1-схемы» по фиг. 1а за счет соответствующих элементов 1 защиты от перенапряжения обеспечивается уровень защиты как между отдельными активными фазными проводами L1, L2, L3 и нейтральным проводом N, так и между нейтральным проводом N и соединением с землей (заземлением) PE. В случае «4+0-схемы» по фиг. 1b за счет отдельных элементов 1 защиты от перенапряжения обеспечивается уровень защиты, с одной стороны, между отдельными активными фазными проводами L1, L2, L3 и заземлением PE, а с другой стороны – между нейтральным проводом N и заземлением PE.
Из фиг. 2 можно видеть, что в случае соответствующей изобретению многополюсной системы защиты от перенапряжения отдельные элементы 1 защиты от перенапряжения, как это известно из уровня техники, имеют соответственно средство 6 поджига, при этом в соответствии с изобретением отдельные средства 6 поджига электрически соединены между собой таким образом, что при инициировании одного средства 6 поджига, вследствие возникающего в соответствующем ответвлении 2, 3, 4 или 5 перенапряжения, автоматически инициируются другие средства 6 поджига. За счет соединения отдельных средств 6 поджига при возникновении перенапряжения в многополюсной системе защиты от перенапряжения происходит срабатывание всех элементов 1 защиты от перенапряжения, так что не может возникнуть вредное перенапряжение между отдельными ответвлениями 2, 3, 4, 5 линий.
В показанных на чертежах многополюсных системах защиты от перенапряжения или в показанном на фиг. 5 многополюсном приборе 7 защиты от перенапряжения, в котором отдельные элементы 1 защиты от перенапряжения размещены в общем корпусе 8, отдельные элементы 1 защиты от перенапряжения имеют, соответственно, первый электрод 9, второй электрод 10 и существующий или действующий между обоими электродами 9, 10 воздушный разрядный промежуток 11. Наряду с показанными элементами 1 защиты от перенапряжения, имеющими воздушный разрядный промежуток 11, в принципе также существует возможность применения элементов защиты от перенапряжения с разрядным промежутком с перекрытием по воздуху, в которых при срабатывании возникает поверхностный разряд. Ввиду более высокой нагрузочной способности по импульсному току для рассматриваемых многополюсных систем защиты от перенапряжения, которые также называют элементами отвода тока молнии (молниеотводами), предпочтительно используются элементы 1 защиты от перенапряжения с воздушным разрядным промежутком 11.
Из фиг. 2 также можно видеть, что отдельные средства 6 поджига имеют, соответственно, поджигающий (инициирующий) электрод 12 и связанную с поджигающим электродом 12 схему 13 зажигания. При этом отдельные средства 6 поджига так связаны между собой, что отдельные схемы 13 зажигания электрически соединены друг с другом.
В отличие от варианта осуществления по фиг. 2, в котором оба средства 6 поджига имеют как поджигающий электрод 12, так и схему 13 зажигания, в варианте осуществления по фиг. 3 имеется только одна центральная схема 13′ зажигания. При этом данная центральная схема 13′ зажигания связана как с отдельными ответвлениями 2, 3, 4, 5 линий, так и с отдельными поджигающими электродами 12. Тем самым при срабатывании одного элемента 1 защиты от перенапряжения, за счет общей центральной схемы 13′ зажигания, одновременно срабатывают и другие элементы 1 защиты от перенапряжения.
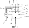
На фиг. 4 представлена функциональная схема соединений далее усовершенствованной многополюсной системы защиты от перенапряжения, в которой не только отдельные схемы 13 зажигания заменены центральной схемой 13′ зажигания, но и дополнительно вместо отдельных поджигающих электродов 12 предусмотрен только один центральный поджигающий электрод 12′, так что многополюсная система защиты от перенапряжения имеет только одно центральное средство 6′ поджига.
Из фиг. 4 можно также видеть, что хотя отдельные элементы 1 защиты от перенапряжения имеют, соответственно, один первый электрод 9L1, 9L2, 9L3 и 9N, однако отдельные элементы защиты от перенапряжения не имеют соответствующего собственного второго электрода, а вместо этого только один «общий» второй электрод 10РЕ. Таким образом, например, воздушный разрядный промежуток 11 элемента 1 защиты от перенапряжения ответвления 2, то есть активного фазного провода L1, образован электродом 9L1 в качестве первого электрода и электродом 10РЕ в качестве второго электрода.
На фиг. 5 изображено конкретное выполнение многополюсной системы защиты от перенапряжения, причем отдельные электроды 9L1, 9L2, 9L3, 9N и 10РЕ, а также общий поджигающий электрод 12′ размещены в одном корпусе 8, так что в целом имеется многополюсный прибор 7 защиты от перенапряжения. Отдельные электроды 9L1, 9L2, 9L3, 9N и 10РЕ, а также общий поджигающий электрод 12′ размещены при этом коаксиально друг относительно друга и имеют соответственно круговое поперечное сечение. Альтернативно этому варианту отдельные электроды 9L1, 9L2, 9L3, 9N и 10РЕ, а также общий поджигающий электрод 12′ также могут иметь овальное или прямоугольное поперечное сечение. Наиболее предпочтительным является вариант, при котором отдельные электроды 9L1, 9L2, 9L3, 9N и 10РЕ, а также общий поджигающий электрод 12′ по своей длине имеют различное поперечное сечение, так что электроды 9L1, 9L2, 9L3, 9N и 10РЕ, а также общий поджигающий электрод 12′ по своей длине в поперечном сечении выполнены ступенчато, за счет чего область, которая должна действовать в качестве воздушного разрядного промежутка, особым образом может задаваться локально.
Внутреннее пространство корпуса 8, которое предпочтительно выполнено с обеспечением вакуумной плотности при герметичности и прочности при сжатии, имеет облицовку 14, которая, в частности, выполнена из POM-тефлона. Для дополнительного улучшения герметичности корпуса 8 он может быть заключен (на чертеже не показано) во внешний цилиндр под давлением. Наконец, на фиг. 5 показано, что в электроде 9N нейтрального провода N выполнено отверстие 15. Посредством этого отверстия обеспечивается возможность выравнивания давления внутри корпуса 8, при этом плазма из области воздушных разрядных промежутков 11 (на фиг. 5 область вправо от электрода 9N) может отводиться в область (на фиг. 9 область влево от электрода 9N), в которой электроды 9L1, 9L2, 9L3, 9N и 10РЕ вследствие их ступенчатого по длине поперечного сечения имеют большее расстояние друг от друга.
Формула изобретения
1. Многополюсная система защиты от перенапряжения для многофазной сети электроснабжения, содержащая, по меньшей мере, два элемента (1) защиты от перенапряжения, причем в каждом ответвлении (2, 3, 4, 5) линии сети электроснабжения размещен элемент (1) защиты от перенапряжения, отличающаяся тем, что отдельные элементы (1) защиты от перенапряжения связаны друг с другом таким образом, что при инициировании одного элемента (1) защиты от перенапряжения также инициируются все другие элементы защиты от перенапряжений.
2. Система защиты от перенапряжения по п.1, отличающаяся тем, что отдельные элементы (1) защиты от перенапряжения содержат по одному средству (6) поджига, причем отдельные средства (6) поджига связаны между собой.
3. Система защиты от перенапряжения по п.1, отличающаяся тем, что предусмотрено центральное средство (6) поджига, с которым соединены все элементы (1) защиты от перенапряжения.
4. Система защиты от перенапряжения по одному из пп.1-3, отличающаяся тем, что все элементы (1) защиты от перенапряжения размещены в одном корпусе (8).
5. Система защиты от перенапряжения по п.4, отличающаяся тем, что отдельные элементы (1) защиты от перенапряжения содержат первый электрод (9), второй электрод (10) и существующий или действующий между обоими электродами (9, 10) воздушный разрядный промежуток (11), причем электроды (9, 10) отдельных элементов (1) защиты от перенапряжения расположены относительно друг друга таким образом, что при поджиге воздушного разрядного промежутка (11) одного элемента (1) защиты от перенапряжения за счет образующейся при этом плазмы обеспечивается поджиг воздушных разрядных промежутков (11) других элементов (1) защиты от перенапряжения.
6. Система защиты от перенапряжения по п.5, отличающаяся тем, что каждое средство (6) поджига содержит поджигающий электрод (12) и соединенную с поджигающим электродом (12) схему (13) зажигания.
7. Система защиты от перенапряжения по п.5, отличающаяся тем, что центральное средство (6) поджига содержит несколько поджигающих электродов (12) и соединенную с поджигающими электродами (12) центральную схему (13) зажигания, причем каждый поджигающий электрод (12) взаимодействует с соответствующим элементом (1) защиты от перенапряжения.
8. Система защиты от перенапряжения по одному из пп.5-7, отличающаяся тем, что отдельные электроды (9, 10) и, в случае необходимости, поджигающие электроды (12) расположены коаксиально друг другу.
9. Система защиты от перенапряжения по п.8, отличающаяся тем, что отдельные электроды (9, 10) и, в случае необходимости, поджигающие электроды (12) по своей длине имеют различное поперечное сечение.
10. Система защиты от перенапряжения по п.5, отличающаяся тем, что внутреннее пространство корпуса (8), окружающего электроды (9, 10, 12), имеет облицовку (13), выполненную, в частности, из РОМ-тефлона.
11. Система защиты от перенапряжения по п.5, отличающаяся тем, что окружающий электроды (9, 10, 12) корпус (8) выполнен замкнутым с возможностью обеспечения герметичности и прочности при сжатии и, в частности, содержит внешний цилиндр под давлением.
12. Способ обеспечения надежной работы многополюсной системы защиты от перенапряжения по одному из пп.1-11 в многофазной сети электроснабжения, в частности в сети низкого напряжения, причем система защиты от перенапряжения содержит, по меньшей мере, два элемента защиты от перенапряжения, размещенных в ответвлении линии сети электроснабжения, отличающийся тем, что при инициировании отдельного элемента защиты от перенапряжения также инициируются все другие элементы защиты от перенапряжения.
13. Способ по п.12, отличающийся тем, что в случае, когда отдельные элементы защиты от перенапряжения содержат средство поджига при инициировании средства поджига одного элемента защиты от перенапряжения, также инициируются все другие средства поджига.
14. Способ по п.12, отличающийся тем, что в случае выполнения отдельных элементов защиты от перенапряжения в виде воздушных разрядных промежутков и размещения их в общем корпусе за счет плазмы, возникающей при поджиге воздушного разрядного промежутка одного элемента защиты от перенапряжения, осуществляется поджиг воздушных разрядных промежутков остальных элементов защиты от перенапряжения.
РИСУНКИ
|
|