|
|
(21), (22) Заявка: 2004110363/28, 26.03.2004
(24) Дата начала отсчета срока действия патента:
26.03.2004
(43) Дата публикации заявки: 20.09.2005
(45) Опубликовано: 10.04.2006
(56) Список документов, цитированных в отчете о поиске:
ДЕМБИЦКИЙ С.И. Оценка и контроль качества геофизических измерений в скважинах. М.: Недра, 1991, с.50. SU 881307 А1, 15.11.1981. SU 88585 A1, 01.01.1950. DE 10245425 А, 30.04.2003.
Адрес для переписки:
450095, г.Уфа, ул. Майкопская, 20, НУ РЦСМ геофизической продукции “Урал”
|
(72) Автор(ы):
Лобанков Валерий Михайлович (RU), Гарейшин Зиннур Габденурович (RU), Юсупов Артур Вагизович (RU), Святохин Виктор Дмитриевич (RU), Морозов Александр Федорович (RU), Рыжиков Олег Леонидович (RU)
(73) Патентообладатель(и):
Научное Учреждение Региональный Центр Сертификации и Метрологии геофизической продукции “Урал” (НУ РЦСМ геофизической продукции “Урал”) (RU)
|
(54) СПОСОБ КАЛИБРОВКИ СКВАЖИННЫХ РЕЗИСТИВИМЕТРОВ И УСТАНОВКА ДЛЯ ЕГО РЕАЛИЗАЦИИ
(57) Реферат:
Изобретение относится к приборостроению и может быть использовано для метрологического обеспечения геофизической аппаратуры. Заявлен способ калибровки скважинных резистивиметров и установка для его реализации. Калибровочную установку оснащают рабочей камерой, в которую закачиваются соляные растворы с различными значениями удельного электрического сопротивления. Калибруемый скважинный резистивиметр в течение всего процесса калибровки находится в камере. Технический результат: повышение достоверности измеряемого параметра, обеспечение автоматизации процесса калибровки, повышение производительности установки. 2 н.п. ф-лы, 1 ил. 
Способ и установка относятся к области метрологического обеспечения геофизической аппаратуры.
Известен способ поверки скважинных резистивиметров, реализуемый с помощью поверочной установки УПРС-1 (Дембицкий С.И. Оценка и контроль качества геофизических измерений в скважинах. М.: Недра, 1991, с.50.). Способ и устройство взяты за прототип. Согласно известному способу в нескольких идентичных цилиндрических емкостях готовят серию соляных растворов различной концентрации с заданными значениями удельного электрического сопротивления (УЭС), заданные значения УЭС контролируют эталонным кондуктометром, затем в емкости помещают калибруемый скважинный резистивиметр, переходя последовательно от низкоминерализованного раствора к высокоминерализированному раствору, сравнивают измеренные значения УЭС с показаниями эталонного кондуктометра и вычисляют постоянную датчика К резистивиметра.
Установка для реализации описанного выше способа содержит четыре цилиндрических емкости с соляными растворами различной концентрации, эталонный кондуктометр и калибруемый скважинный резистивиметр, помещаемый в процессе калибровки последовательно в каждую из емкостей с соляным раствором.
Известный способ калибровки скважинных резистивиметров не обеспечивает достоверности измеряемого параметра, а соответственно – точности калибровки ввиду того, что для измерения УЭС соляного раствора необходимо перемещать калибруемый прибор из одной емкости в другую. При этом с корпусом калибруемого прибора происходит перенос части одного раствора в другой, а при промывках водой калибруемого скважинного прибора происходит разбавление растворов. Таким образом появляется неизбежная погрешность в калибровке. Процесс калибровки и измерение УЭС растворов на данной установке осуществляется вручную, что снижает производительность работы на ней. Разовые измерения УЭС растворов перед калибровкой не отражают истинного значения УЭС после погружения калибруемого скважинного резистивиметра в емкости установки. Кроме того, после погружения скважинного резистивиметра в раствор меняется его температура и, соответственно, УЭС, которые не учитываются эталонным кондуктометром, что вносит дополнительную погрешность в измеряемый параметр.
Задачей настоящего изобретение является повышение точности калибровки скважинных резистивиметров, повышение технологичности и производительности работы установки, автоматизация процесса калибровки.
Поставленная задача решается следующим образом.
В соответствии со способом калибровки скважинных резистивиметров, включающем операцию подготовки набора соляных растворов возрастающей концентрации с заданными значениями УЭС, контролируемыми эталонным кондуктометром, размещение калибруемого скважинного резистивиметра последовательно в каждом из соляных растворов, регистрацию УЭС последних и сравнение с эталонными значениями кондуктометра, калибруемый скважинный резистивиметр фиксируют в рабочей камере, куда последовательно подают соляные растворы с непрерывным измерением УЭС эталонным кондуктометром при перемешивании последних для усреднения температуры в рабочей камере. Процесс калибровки осуществляют автоматически с выдачей распечатки калибровочной характеристики.
При этом в установке для реализации данного способа, содержащей набор емкостей с соляными растворами различной концентрации, эталонный кондуктометр и калибруемый скважинный резистивиметр, каждая из емкостей снабжена насосом с отсекающим клапаном, эталонный кондуктометр снабжен насосом прокачки, а установка дополнительно снабжена рабочей камерой, установленной выше емкостей и оснащенной датчиком верхнего уровня жидкости, датчиком опорожнения рабочей камеры и клапанами промывки и слива воды, и компьютером с блоком сопряжения последнего с калибруемым скважинным резистивиметром, эталонным кондуктометром, датчиком верхнего уровня жидкости и датчиком опорожнения измерительной камеры, всеми насосами, отсекающими клапанами, клапаном промывки и слива воды.
Предложенные способ и техническое решение имеют следующие преимущества и существенные отличия от прототипа:
– обеспечение возможности непрерывного измерения УЭС в рабочей камере во время калибровки скважинного резистивиметра позволяет измерять фактическое значение УЭС и исключить погрешности, связанные с переносом растворов или их разбавлением после промывки рабочей камеры с калибруемым скважинным прибором и эталонного кондуктометра, а также влияние изменения температуры растворов на фактическое УЭС;
– наличие у каждой их емкостей насоса с отсекающим клапаном, а также насоса прокачки у эталонного кондуктометра в совокупности с рабочей камерой обеспечивают возможность автоматизации процесса последовательной подачи соляных растворов в рабочую камеру и процесса калибровки скважинных резистивиметров;
– использование одной рабочей камеры в поверочной установке сокращает время калибровочного цикла, обеспечивает быструю смену калибруемых скважинных резистивиметров по окончании цикла калибровки, что в совокупности повышает производительность работы калибровочной установки;
– наличие блока сопряжения калибруемого скважинного резистивиметра, эталонного кондуктометра, всех насосов, отсекающих клапанов, клапана промывки и клапана слива с компьютером обеспечивает возможность проведения калибровки скважинного резистивиметра по определенной программе в автоматическом режиме с выдачей распечатки калибровочной характеристики.
Конструкция предложенной установки для калибровки скважинных резистивиметров технологична в изготовлении, не требует применения специальных материалов и оборудования.
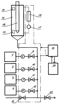
На чертеже показан вариант установки для калибровки скважинных резистивиметров.
Установка для калибровки скважинных резистивиметров содержит емкости 1-4 с водными растворами хлористого натрия различной концентрации, насосы 5-8 с отсекающими клапанами 9-12 соответственно, рабочую камеру 13 цилиндрической формы с датчиком верхнего уровня жидкости 14 и датчиком опорожнения 15, эталонный кондуктометр 16, установленный параллельно рабочей камере 13 с внешней стороны последней и оснащенный насосом прокачки 17. В рабочей камере 13 установлен калибруемый скважинный резистивиметр 18. Выходы калибруемого скважинного резистивиметра 18, эталонного кондуктометра 16, насосов 5-8, 17 и отсекающих клапанов 9-12 через блок сопряжения 19 соединены с компьютером 20. Рабочая камера 13 оснащена клапаном промывки 21 и клапаном слива 22 воды.
Процесс калибровки скважинного резистивиметра на данной установке осуществляется следующим образом.
Перед началом цикла калибровки емкости 1-4 заполняют водными растворами хлористого натрия возрастающей концентрации, УЭС которых известно из специальных таблиц и измеряется эталонным кондуктометром 16. Калибруемый скважинный резистивиметр 18 помещают в рабочую камеру 13 и подключают входы/выходы скважинного резистивиметра 18 к блоку сопряжения 19, соединенному с компьютером 20.
На первом этапе калибровочного процесса по сигналу компьютерной программы, управляющему работой клапанов 21, 22 и насосом прокачки 17, производится многократная промывка чистой водой рабочей камеры 13, и в процессе последней промывки производится фиксация значения УЭС, замеренного скважинным резистивиметром 18 и эталонным кондуктометром 16. Затем открывается клапан 22, и вода из рабочей камеры 13 сливается по сигналу датчика опорожнения 15. Далее по программе компьютера 20 отсекающий клапан 9 открывается, включается насос 5, обеспечивающий подачу в рабочую камеру 13 соляного раствора из емкости 1. В процессе прокачки соляного раствора датчиком 14 отслеживается уровень заполнения рабочей камеры 13, а эталонным кондуктометром 16 определяется параметр УЭС данного соляного раствора.
По достижении заданного верхнего уровня заполнения рабочей камеры 13 включается насос прокачки 17, производится перемешивание соляного раствора для выравнивания температуры и устранения связанных с ней вариаций УЭС в рабочей камере 13. Калибруемым скважинным резистивиметром 18 фиксируется значение УЭС данного раствора и сравнивается с эталонным значением кондуктометра 16. Далее соляной раствор сливается из измерительной камеры 13. По сигналу от датчика опорожнения 15, свидетельствующему о том, что рабочая камера 13 пуста, насос 5 отключается, а отсекающий клапан 9 закрывается.
Затем открывается отсекающий клапан 10, включается насос 6, начинается прокачка соляного раствора из емкости 2 в рабочую камеру 13, и цикл калибровки повторяется в описанной выше последовательности. Аналогично производятся все последующие циклы калибровки данного скважинного резистивиметра 18. По завершении всех четырех циклов калибровки компьютером 20 выдается распечатка калибровочной характеристики данного скважинного резистивиметра 18, посредством работы клапанов 21, 22 и насоса прокачки 17 производится промывка рабочей камеры 13 с находящимся в ней скважинным резистивиметром 18, блок сопряжения 19 отключается, скважинный резистивиметр 18 извлекается из рабочей камеры 13, а на его место устанавливается следующий калибруемый скважинный резистивиметр и процесс калибровки повторяется.
Таким образом, предложенный способ калибровки скважинных резистивиметров и техническое решение, реализованное в конструкции установки для его реализации, позволяют полностью автоматизировать процесс калибровки, исключая влияние человеческого фактора при настройке установки и максимально снижая влияние аппаратурной погрешности на измеряемый параметр. Данная конструкция позволила значительно увеличить производительность работы установки, что существенно, так как применяемые в геофизических исследованиях скважинные резистивиметры требуют регулярной качественной калибровки.
Формула изобретения
1. Способ калибровки скважинных резистивиметров, включающий операцию подготовки набора соляных растворов возрастающей концентрации с заданными значениями удельного электрического сопротивления, контролируемыми эталонным кондуктометром, размещение калибруемого скважинного резистивиметра последовательно в каждом из соляных растворов, регистрацию им удельного электрического сопротивления последних и сравнение с эталонным значением кондуктометра, отличающийся тем, что калибруемый скважинный резистивиметр фиксируют в рабочей камере, куда последовательно подают соляные растворы, удельное электрическое сопротивление которых непрерывно измеряется эталонным кондуктометром при постоянном перемешивании для усреднения температуры в рабочей камере, при этом процесс калибровки осуществляют автоматически с выдачей распечатки калибровочной характеристики.
2. Установка для реализации способа по п.1, содержащая набор емкостей с соляными растворами различной концентрации, эталонный кондуктометр и калибруемый скважинный резистивиметр, отличающаяся тем, что каждая из емкостей снабжена насосом с отсекающим клапаном, эталонный кондуктометр снабжен насосом прокачки, а установка дополнительно снабжена рабочей камерой, установленной выше емкостей и оснащенной датчиком верхнего уровня жидкости, датчиком опорожнения рабочей камеры, клапаном промывки и клапаном слива, и компьютером с блоком сопряжения последнего с калибруемым скважинным резистивиметром, эталонным кондуктометром, датчиком уровня жидкости и датчиком опорожнения рабочей камеры, всеми насосами, отсекающими клапанами, клапаном промывки и клапаном слива воды.
РИСУНКИ
PC4A – Регистрация договора об уступке патента Российской Федерации на изобретение
(73) Патентообладатель(и):
Научное учреждение Региональный центр сертификации и метрологии геофизической продукции “Урал”
(73) Патентообладатель:
Государственное унитарное предприятие Центр метрологических исследований “Урал-Гео”
Дата и номер государственной регистрации перехода исключительного права: 14.07.2006 № РД0010389
Извещение опубликовано: 27.08.2006 БИ: 24/2006
|
|