|
|
(21), (22) Заявка: 2004108278/12, 22.03.2004
(24) Дата начала отсчета срока действия патента:
22.03.2004
(43) Дата публикации заявки: 27.09.2005
(45) Опубликовано: 10.04.2006
(56) Список документов, цитированных в отчете о поиске:
RU 2180386 C1, 10.03.2002. RU 2117745 C1, 20.08.1998. FR 2627537 A1, 25.08.1989. FR 2610033 A1, 29.07.1988.
Адрес для переписки:
607188, Нижегородская обл., г. Саров, пр. Мира, 37, ФГУП “РФЯЦ-ВНИИЭФ”, начальнику ОПИНТИ
|
(72) Автор(ы):
Клюшев Андрей Васильевич (RU), Аксюта Людмила Ивановна (RU), Елагин Сергей Владимирович (RU), Фомченко Виктор Николаевич (RU)
(73) Патентообладатель(и):
Российская Федерация в лице Федерального агентства по атомной энергии (RU), Федеральное государственное унитарное предприятие”Российский федеральный ядерный центр – Всероссийский научно-исследовательский институт экспериментальной физики” – ФГУП “РФЯЦ-ВНИИЭФ” (RU)
|
(54) УСТРОЙСТВО САНКЦИОНИРОВАНИЯ ДОСТУПА
(57) Реферат:
Изобретение относится к технике защиты различных объектов от доступа посторонних лиц. Достигаемый технический результат – повышение защищенности от несанкционированного доступа. Устройство санкционирования доступа содержит интеллектуальный ключ и электронный замок. Интеллектуальный ключ содержит микроконтроллер, устройство отображения информации, часы реального времени со встроенным оперативным запоминающим устройством (ОЗУ), кодер, первый и второй интерфейсы, клавиатуру, генератор и источник питания блоков. Электронный замок содержит декодер, интерфейс, генератор, микроконтроллер, индикатор и драйвер исполнительного устройства, а также исполнительное устройство. Технический результат достигнут введением в интеллектуальный ключ часов реального времени со встроенным ОЗУ, кодера, второго интерфейса и генератора, а в электронный замок – декодера, генератора, индикатора и драйвера исполнительного устройства, а также новых связей между функциональными блоками. 1 ил. 
Изобретение относится к технике защиты различных объектов от доступа посторонних лиц и может быть использовано для обеспечения санкционированного доступа к хранилищам, сейфам и потенциально-опасным технологическим процессам.
Известно устройство санкционирования доступа (см. патент РФ № 02117745 от 22.10.92, “Электронные ключ и замок”, МПК Е 05 В 47/00, Васильев Ю.Г., опубл. 20.08.98, БИ № 23), содержащее электронные замок и ключ. Электронный ключ содержит подключенный к счетному входу счетчика генератор тактовых импульсов, оперативное запоминающее устройство, адресные входы которого соединены с выходами счетчика, клавиатуру, подключенную к оперативному запоминающему устройству, излучатель, разъем или систему оптических излучателей и приемников, логический элемент И, входами подключенный к выходам генератора тактовых импульсов, младших разрядов счетчика и одноразрядному выходу оперативного запоминающего устройства, а выход подключен через выходной усилитель к излучателю. Клавиатура подсоединена к входу обнуления счетчика, последний выход счетчика соединен с входом разрешения счета счетчика. Контакт “Запуск” излучателей и приемников подключен к выходу младшего разряда счетчика, контакт “Данные замка” – к информационному входу оперативного запоминающего устройства, контакт “Данные ключа” – к информационному выходу оперативного запоминающего устройства, контакт “Импульс записи” – к входу разрешения записи оперативного запоминающего устройства. Электронный замок содержит приемник оптического излучения, подключенный к приемнику, выходом подключенному к S-входу RS-триггера, генератор тактовых импульсов, подключенный к счетному входу счетчика, устройство сравнения, выходом подключенное к логической схеме, выходом соединенной с исполнительным устройством, генератор цифрового шума, дешифратор, логические элементы 2ИЛИ-НЕ, 2И-НЕ, ждущий мультивибратор, оперативное запоминающее устройство, второй RS-триггер, D-триггер, схему формирования сигналов управления и записи, переключатель режимов работы, кнопку смены кода и разъем или систему оптических излучателей и приемников. S-входы первого и второго RS-триггера объединены, а R-вход второго RS-триггера подключен к выходу дешифратора, входами соединенного с генератором тактовых импульсов и младшими разрядами счетчика. Выход генератора тактовых импульсов соединен с генератором цифрового шума, выходом подключенным к первому входу логического элемента 2И-НЕ, второй вход которого соединен с выходом D-триггера, а выход – к первому входу коммутатора, выходы старших, кроме последнего, разрядов счетчика подключены к адресным входам оперативного запоминающего устройства, первый вход которого соединен с S-входами D-триггера, С-вход которого подключен к первому входу логического элемента 2ИЛИ-НЕ и к первому выходу схемы формирования сигнала управления и записи. Выход логического элемента 2ИЛИ-НЕ подключен к входу обнуления счетчика, вход разрешения счета которого соединен с выходом старшего разряда, входом ждущего мультивибратора и первым входом логической схемы, выход ждущего мультивибратора подключен через формирователь сигнала сброса к вторым входам логической схемы и схемы формирователя сигнала управления и записи и к R-входу первого RS-триггера, выходом подключенного к третьему входу логической схемы и второму входу логического элемента 2ИЛИ-НЕ. Второй выход дешифратора соединен с четвертым входом логической схемы, а третий выход с третьим входом схемы формирователя сигналов управления и записи, четвертый и пятый входы которой подключены к переключателю режимов работы и кнопке смены кода, второй выход подключен к второму входу коммутатора, третий выход – к входу разрешения записи оперативного запоминающего устройства, четвертый выход – к контакту “Импульсы записи” разъема или системы оптических излучателей и приемников, первый вход к контакту “Запуск” разъема или системы оптических излучателей и приемников, контакт которого “Данные ключа” соединен с третьим входом коммутатора, выходом подключенного к D-входу оперативного запоминающего устройства, выходом соединенного с первым входом устройства сравнения и контактом “Данные замка” разъема или системы оптических излучателей и приемников. Второй вход устройства сравнения подключен к выходу второго RS-триггера.
Недостатком известного устройства является невысокая защищенность от несанкционированного доступа из-за невозможности:
– ограничения числа попыток доступа к объекту при неправильном вводе информации;
– стирания кодовой информации при несанкционированном вскрытии устройства;
– реализации регламентирования (по времени, а также по номерам и количеству объектов) и эффективного контроля управленческих действий исполнителя по управлению доступом.
Наиболее близким по совокупности существенных признаков к заявляемому изобретению является устройство санкционирования доступа (см. патент РФ № 2180386 от 09.01.2001, “Электронное замковое устройство”, МПК Е 05 В 49/00, Бондаревский Ю.В., Волков Е.В., Попов В.Г., опубл. 10.03.2002, БИ №7), содержащее замок (электронный замок) и ключ (интеллектуальный ключ), в которые входят электромеханическое исполнительное устройство (исполнительное устройство) кнопки “открыть-закрыть”(клавиатура), индикаторы “открыто-закрыто” (устройство отображения информации), приемопередатчики двусторонней связи между ключом и замком (интерфейсы интеллектуального ключа и электронного замка) и элементы электропитания. Замок и ключ содержат микроконтроллеры, имеющие два вида памяти, данных и программного. Входящие в состав замка электромеханическое исполнительное устройство и приемопередатчик подключены к микроконтроллеру замка, а входящие в состав ключа кнопки “открыть-закрыть”, индикаторы “открыто-закрыто” и приемопередатчик подключены к микроконтроллеру ключа. Элементы электропитания подключены к шинам электропитания замка и ключа.
Недостатком известного устройства является невысокая защищенность от несанкционированного доступа из-за невозможности:
– ограничения числа попыток доступа к объекту при неправильном вводе информации;
– стирания кодовой информации при несанкционированном вскрытии устройства;
– реализации регламентирования (по времени, а также по номерам и количеству объектов) и эффективного контроля управленческих действий исполнителя по управлению доступом.
Задачей, решаемой предлагаемым изобретением, является создание устройства санкционирования доступа, обладающего повышенной защищенностью от несанкционированного доступа.
Технический результат, заключающийся в повышении защищенности от несанкционированного доступа, достигается тем, что в устройстве санкционирования доступа, содержащем интеллектуальный ключ, включающий микроконтроллер, первый интерфейс, клавиатуру, источник питания и устройство отображения информации, соединенный с электронным замком, который содержит микроконтроллер, интерфейс и исполнительное устройство, в состав интеллектуального ключа введены часы реального времени со встроенным оперативным запоминающим устройством, кодер, второй интерфейс и генератор, а в электронный замок введены декодер, генератор, индикатор и драйвер исполнительного устройства, причем первый и второй выходы микроконтроллера интеллектуального ключа соединены с соответствующими входами устройства отображения информации, группа входов-выходов которого соединена с группой входов-выходов микроконтроллера интеллектуального ключа и группой входов-выходов часов реального времени, а группа входов соединена с первой группой выходов микроконтроллера интеллектуального ключа и группой входов часов реального времени, первый вход которых служит для обнуления указанного оперативного запоминающего устройства, а второй вход соединен с третьим выходом микроконтроллера интеллектуального ключа, вторая группа выходов которого соединена с группой входов кодера, а вход-выход соединен с входом-выходом кодера и первым входом первого интерфейса, первый выход и второй вход которого являются, соответственно, первым выходом и первым входом интеллектуального ключа, а второй выход соединен с первым входом микроконтроллера интеллектуального ключа, третья группа выходов и первая группа входов которого соединена, соответственно, с первой группой входов и первой группой выходов второго интерфейса, вторые группы входов и выходов которого являются, соответственно, группами входов и выходов интеллектуального ключа, являющимися выводами для подключения персонального компьютера, второй вход микроконтроллера интеллектуального ключа соединен с выходом генератора интеллектуального ключа, а вторая группа входов и четвертая группа выходов соединены, соответственно, с группой выходов и группой входов клавиатуры, выход генератора электронного замка соединен с первым входом микроконтроллера электронного замка и первым входом декодера, первый вход-выход которого соединен с первым входом-выходом микроконтроллера электронного замка, со своим вторым входом и первым выходом интерфейса, а выход, второй вход-выход и группа входов соединены, соответственно, со вторым входом, со вторым входом-выходом и группой выходов микроконтроллера электронного замка, первый выход которого соединен с первым входом интерфейса, вторые вход и выход которого являются первыми входом и выходом электронного замка, второй и третий выходы микроконтроллера которого соединены, соответственно, с первым и вторым входами индикатора, а третий вход, четвертый и пятый выходы соединены, соответственно, с выходом, первым и вторым входами драйвера исполнительного устройства, третий вход и группа выходов которого соединены, соответственно, с выходом и группой входов исполнительного устройства, при этом первые выход и вход интеллектуального ключа соединены, соответственно, с первыми входом и выходом электронного замка.
Указанная совокупность признаков позволяет повысить защищенность от несанкционированного доступа устройства санкционирования доступа за счет возможности:
– ограничения числа попыток доступа к объекту при неправильном вводе информации;
– стирания кодовой информации при несанкционированном вскрытии устройства;
– реализации регламентирования (по времени, а также по номерам и количеству объектов) и эффективного контроля управленческих действий исполнителя по управлению доступом.
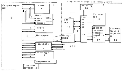
На чертеже представлена структурная схема устройства санкционирования доступа.
Устройство санкционирования доступа содержит интеллектуальный ключ 1, электронный замок 2. Интеллектуальный ключ 1 содержит микроконтроллер 3, устройство 4 отображения информации, часы 5 реального времени со встроенным оперативным запоминающим устройством (ОЗУ), кодер 6, первый 7 и второй 8 интерфейсы, клавиатуру 9, генератор 10 и источник 11 питания блоков 3, 4, 5, 6, 7, 8, 10. Электронный замок 2 содержит декодер 12, интерфейс 13, генератор 14, микроконтроллер 15, индикатор 16 и драйвер 17 исполнительного устройства, исполнительное 18 устройство. Первый и второй выходы микроконтроллера 3 соединены с соответствующими входами устройства 4 отображения информации, группа входов-выходов которого соединена с группой входов-выходов микроконтроллера 3 и группой входов-выходов часов 5 реального времени, а группа входов соединена с первой группой выходов микроконтроллера 3 и группой входов часов 5 реального времени, первый вход которых служит для обнуления ОЗУ часов 5 реального времени, а второй вход соединен с третьим выходом микроконтроллера 3. Вторая группа выходов микроконтроллера 3 соединена с группой входов кодера 6, а вход-выход соединен с входом-выходом кодера 6 и первым входом интерфейса 7, первый выход и второй вход которого являются, соответственно, первым выходом и первым входом интеллектуального ключа 1, а второй выход соединен с первым входом микроконтроллера 3, третья группа выходов и первая группа входов которого соединена, соответственно, с первой группой выходов и первой группой входов интерфейса 8, вторые группы входов и выходов которого являются, соответственно, группами входов и выходов интеллектуального ключа 1, являющихся выводами для подключения персонального компьютера (не показан). Второй вход микроконтроллера 3 соединен с выходом генератора 10, а вторая группа входов и четвертая группа выходов соединены, соответственно, с группой входов и группой выходов клавиатуры 9. Выход генератора 14 соединен с первым входом микроконтроллера 15 и первым входом декодера 12, первый вход-выход которого соединен с первым входом-выходом микроконтроллера 15, со своим вторым входом и первым выходом интерфейса 13, а выход, второй вход-выход и группа входов соединены, соответственно, со вторым входом, вторым входом-выходом и группой выходов микроконтроллера 15, первый выход которого соединен с первым входом интерфейса 13, вторые вход и выход которого являются первыми входом и выходом электронного замка 2. Второй и третий выходы микроконтроллера 15 соединены, соответственно, с первым и вторым входами индикатора 16, а третий вход, четвертый и пятый выходы соединены, соответственно, с выходом, первым и вторым входами драйвера 17 исполнительного устройства, третий вход и группа выходов которого соединены, соответственно, с выходом и группой входов исполнительного 18 устройства. Первые выход и вход интеллектуального ключа 1 соединены, соответственно, с первыми входом и выходом электронного замка 2.
Микроконтроллер 3 может быть выполнен на микросхеме АТ89С8252, регистре 1554ИР22, резисторах любого типа R1, R2, R3, транзисторе КТ3107А, диоде КД522А и конденсаторе К 10-17, причем входы три, четыре, семь, восемь, тринадцать, четырнадцать, семнадцать, восемнадцать и одиннадцать регистра соединены, соответственно, с входами-выходами тридцать девять, тридцать восемь, тридцать семь, тридцать шесть, тридцать пять, тридцать четыре, тридцать три, тридцать два микросхемы, являющимися группой входов-выходов микроконтроллера 3, и выходом тридцать микросхемы, вход один регистра соединен с общим проводом, а выходы два и пять регистра являются, соответственно, первым и вторым выходами микроконтроллера 3, вход девять микросхемы соединен с коллектором транзистора и первым выводом резистора R1, второй вывод которого соединен с общим проводом и первым выводом конденсатора, второй вывод которого соединен с первым выводом резистора R2 и анодом диода, катод которого соединен с плюсом источника 11 питания, эмиттером транзистора и через резистор R3 с базой транзистора и вторым выводом резистора R2. Выходы шестнадцать, семнадцать микросхемы и выход девятнадцать регистра являются первой группой выходов микроконтроллера 3. Выход тридцать микросхемы является третьим выходом микроконтроллера 3. Выходы с первого по четвертый микросхемы являются второй группой выхода микроконтроллера 3. Вход-выход 5 микросхемы является входом-выходом микроконтроллера 3. Вход двенадцать микросхемы является первым входом микроконтроллера 3. Выходы одиннадцать, семь и восемь микросхемы являются третьей группой выходов микроконтроллера 3. Входы десять, тринадцать, четырнадцать, пятнадцать микросхемы являются первой группой входов микроконтроллера 3. Выходы с двадцать первого по двадцать четвертый и входы с двадцать пятого по двадцать восьмой микросхемы являются, соответственно, четвертой группой выходов и второй группой входов микроконтроллера 3. Вход девятнадцать микросхемы является вторым входом микроконтроллера 3.
Устройство 4 отображения информации может быть выполнено на жидкокристаллическом знакосинтезирующем индикаторе (ЖКИ) 16236S2FBLY-H/R, включенном в соответствии с руководством пользователя и микросхемой 554ЛАЗ, причем вход шесть ЖКИ соединен с выходом одиннадцать микросхемы. Входы двенадцать, тринадцать и выход восемь микросхемы объединены, выход шесть соединен со входом десять микросхемы. Входы четыре, пять и девять микросхемы являются группой входов устройства 4 отображения информации. Входы-выходы с седьмого по четырнадцатый ЖКИ являются группой входов-выходов устройства 4 отображения информации. Входы четыре, пять ЖКИ являются, соответственно, первым и вторым входами устройства 4 отображения информации. Часы 5 реального времени со встроенным ОЗУ могут быть выполнены на микросхеме DS 17887-5, при этом входы-выходы с четвертого по одиннадцатый микросхемы являются группой входов-выходов часов 5 реального времени, входы тринадцать, пятнадцать и семнадцать являются группой входов часов 5 реального времени, а вход четырнадцать входом часов 5 реального времени. Кодер 6 может быть выполнен на специализированной микросхеме HCS360, реализующей технологию шифрования данных KeeLoq, разработанную фирмой Microchip, включенной в соответствии с руководством пользователя, при этом входы с первого по четвертый являются группой входов кодера 6, а вход-выход шесть микросхемы является входом-выходом кодера 6. Интерфейс 7 может быть выполнен на микросхеме 1554ЛН1, резисторах R4-R9, светодиоде VD1 и фотодиоде VD2, причем входы один, три, пять и девять микросхемы объединены и являются первым входом интерфейса 7, выходы два, четыре, шесть и восемь соединены, соответственно, с первыми выводами резисторов R4, R5, R6, R7, вторые выводы которых объединены и соединены с катодом светодиода VD1, анод которого соединен с плюсом источника 11 питания и катодом фотодиода VD2, анод которого соединен через резистор R8 с общим проводом, со входом одиннадцать микросхемы и через резистор R9 с выходом десять и входом тринадцать микросхемы, выход двенадцать которой является вторым выходом интерфейса 7, при этом излучаемый световой поток светодиода VD1 и принимаемый световой поток фотодиода VD2 являются, соответственно, первым выходом и вторым входом интерфейса 7.
Интерфейс 8 может быть выполнен на микросхеме ADM208EAN, включенной в соответствии с руководством пользователя, при этом входы пять, восемнадцать, девятнадцать и выходы четыре, шесть, семнадцать, двадцать два микросхемы являются, соответственно, первой группой входов и первой группой выходов интерфейса 8, а выходы один, два, двадцать четыре и входы три, семь, шестнадцать, двадцать три микросхемы являются, соответственно второй группой выходов и второй группой входов интерфейса 8. Клавиатура 9 может быть выполнена на стандартном модуле TF-0286-1, при этом выводы с первого по четвертый и с пятого по восьмой модуля являются, соответственно, группой входов и группой выходов клавиатуры 9. Генератор 10 может быть выполнен на микросхеме НО-22С, при этом выход три микросхемы является выходом генератора 10. Источник 11 питания может быть выполнен на химических источниках тока типа LR6. Декодер 12 может быть выполнен на специализированной микросхеме HCS512P, реализующей технологию шифрования данных KeeLoq, разработанную фирмой Microchip, включенной в соответствии с руководством пользователя, при этом вход шестнадцать и вход-выход восемнадцать микросхемы являются, соответственно, первым входом и первым входом-выходом декодера 12, вход одиннадцать, выход два, вход-выход тринадцать микросхемы являются, соответственно, вторым входом, выходом и вторым входом-выходом декодера 12, входы один, четыре и двенадцать микросхемы являются группой входов декодера 12. Интерфейс 13 может быть выполнен на микросхеме 1554ЛН1, резисторах R10-R16, светодиоде VD3 и фотодиоде VD4, причем входы один, три, пять и девять микросхемы объединены и являются первым входом интерфейса 7, выходы два, четыре, шесть и восемь соединены, соответственно, с первыми выводами резисторов R10, R11, R12, R13, вторые выводы которых объединены и соединены с катодом светодиода VD3, анод которого соединен с плюсом внешнего источника питания (не показан) и катодом фотодиода VD4, анод которого соединен через резистор R14 с общим проводом, с входом одиннадцать микросхемы и через резистор R15 с выходом десять и входом тринадцать микросхемы, выход двенадцать которой соединен с первым выводом резистора R16, второй вывод которого является первым выходом интерфейса 13, при этом излучаемый световой поток светодиода VD3 и принимаемый световой поток фотодиода VD4 являются, соответственно, вторыми выходом и входом интерфейса 13.
Генератор 14 может быть выполнен на микросхеме НО-22С, при этом выход три микросхемы является выходом генератора. Микроконтроллер 15 может быть выполнен на микросхеме PIC16C84-10I/P, включенной в соответствии с руководством пользователя, при этом вход шестнадцать, вход-выход шесть, вход десять, вход-выход тринадцать, выходы семь, восемь, двенадцать микросхемы являются, соответственно, первым входом, первым входом-выходом, вторым входом, вторым входом-выходом и группой выходов микроконтроллера 15. Выходы девять, семнадцать, восемнадцать, один, два, вход три микросхемы являются, соответственно, первым, вторым, третьим, четвертым, пятым выходами и третьим входом микроконтроллера 15. Индикатор 16 может быть выполнен на светодиодах VD5, VD6 и резисторах R17, R18, причем аноды светодиодов объединены и соединены с положительной клеммой для подключения внешнего источника питания, катод светодиода VD5 соединен с первым выводом резистора R17, второй вывод которого является первым входом индикатора, а катод светодиода VD6 соединен с первым выводом резистора R18, второй вывод которого является вторым входом индикатора. Драйвер 17 исполнительного устройства может быть выполнен на резисторах R19-R22, транзисторах КТ3107 VT2, VT3, причем эмиттеры транзисторов VT2, VT3 объединены и соединены с общим проводом, который с коллекторами этих транзисторов составляет группу выходов драйвера 17 исполнительного устройства, базы транзисторов VT2 и VT3 соединены, соответственно, с первыми выводами резисторов R21, R22, вторые выводы которых являются первым и вторым входами драйвера 17 исполнительного устройства. Первые входы резисторов R19 и R20 объединены и являются выходом драйвера 17 исполнительного устройства, второй вывод резистора R19 соединен с положительной клеммой для подключения внешнего источника питания, второй вывод резистора R20 является третьим входом драйвера 17 исполнительного устройства. Исполнительное устройство 18 может быть выполнено на реле РПС45.
Устройство санкционирования доступа работает следующим образом. Работа устройства включает два этапа: подготовительный и эксплуатационный. На подготовительном этапе осуществляется установка кодов и специальной информации в интеллектуальный ключ (ИК) 1 и электронный замок (ЭЗ) 2 для обеспечения кодовой синхронизации между кодером 6 и декодером 12, при этом количество ЭЗ 2 соответствует количеству объектов доступа. Для этого ИК 1 через интерфейс 8 подключается к персональному компьютеру (ПК) (не показан), на который предварительно устанавливается специальное программное обеспечение. С помощью ПК для каждого ЭЗ 2 рассчитывается кодовая информация, а затем через интерфейс 8 записывается в РПЗУ микроконтроллера 3. Часть кодовой информации микроконтроллер 3 записывает в ОЗУ часов 5 реального времени и одновременно с этим выводит информацию в виде поясняющих надписей на устройство 4 отображения информации. Тактирование микроконтроллера 3 осуществляется генератором 10. После того как в РПЗУ микроконтроллера 3 и ОЗУ часов 5 реального времени будет записано количество кодовых записей, соответствующее количеству ЭЗ 2, с ПК через интерфейс 8 на микроконтроллер 3 посылается команда перевода ИК 1 в режим обучения ЭЗ 2. После этого первое ЭЗ 2 из комплекта устанавливается рядом с ИК 1. Микроконтроллер 3 посылает служебную команду “обучение” через интерфейс 7 и интерфейс 13 на микроконтроллер 15. После декодирования команды микроконтроллер 15 переводит декодер 12 в режим обучения и данное состояние высвечивает на индикаторе 16. Затем микроконтроллер 3 программирует кодер 6 в соответствии с кодовой записью в РПЗУ микроконтроллера 3 и ОЗУ часов 5 реального времени, соответствующей первому ЭЗ 2, после чего переводит кодер 6 в режим передачи, который, в свою очередь, осуществляет передачу кодовой посылки через интерфейс 7, интерфейс 13 в декодер 12. Ответная команда с декодера 12 поступает на микроконтроллер 15, который передает ее через интерфейс 13 и интерфейс 7 на микроконтроллер 3. Тактовая частота на входы микроконтроллера 15 и декодера 12 поступает с выхода генератора 14. После этого микроконтроллер 3 через интерфейс 7 и интерфейс 13 посылает служебную команду “отмена обучения” на микроконтроллер 15, который выводит декодер 12 из режима обучения и высвечивает на индикаторе 16 соответствующее состояние. После этого процесс установления кодовой синхронизации между первым ЭЗ 2 и ИК 1 считается законченным. После того как процедура повторится для каждого ЭЗ 2, подготовительный этап считается законченным.
На этапе эксплуатации ЭЗ 2 устанавливаются на объекты, блокируя доступ. Перед началом работ оператор подключает ИК 1 через интерфейс 8 к ПК и с помощью специального программного обеспечения записывает программу действий исполнителя и необходимую санкционирующую информацию в микроконтроллер 3, который, в свою очередь, преобразует ее и записывает в ОЗУ часов 5 реального времени. Программа действий включает в себя номера объектов доступа, порядок и время их разблокировки. После записи программы действий оператор выдает ИК 1 исполнителю и сообщает ему персональный идентификационный номер (ПИН). Исполнитель должен действовать в соответствии с программой, которая может быть распечатана. Оператор подходит к объекту, стоящему первым в программе действий, набирает на клавиатуре 9 свой ПИН. Состояние клавиатуры 9 опрашивается микроконтроллером 3, и набранные цифры ПИН вводятся в микроконтроллер 3, который сравнивает их с санкционирующей информацией в ОЗУ часов 5 реального времени. Если ПИН верный, микроконтроллер 3 выводит соответствующую информацию на устройство 4 отображения информации. Исполнителю дается несколько попыток ввода ПИН. После ввода ПИН исполнитель набирает на клавиатуре 9 номер объекта, который вводится в микроконтроллер 3. Микроконтроллер 3 осуществляет необходимое сравнение с программой действий в ОЗУ часов 5 реального времени (правильный ли номер, в том ли порядке, соответствует ли время). Если анализ положительный, микроконтроллер 3 извлекает из РПЗУ кодовую запись, которая соответствует ЭЗ 2, установленному на данном объекте, и записывает ее в кодер 6 через его вход-выход и посылает на индикатор 16 информацию о подтверждении правильности действий. Исполнитель на клавиатуре 9 нажимает кнопку “разблокировать”, микроконтроллер 3 считывает состояние клавиатуры 9 и выдает на группу входов кодера 6 код текущей команды “разблокировать”. Кодер 6 осуществляет шифрование информации по технологии KeeLoq и формирует посылку с “прыгающим” кодом, которая поступает через интерфейс 7 и интерфейс 13 на декодер 12. Если кодовая синхронизация между кодером 6 и декодером 12 правильная, декодер 12 выдает команду о верном декодировании на микроконтроллер 15, который, в свою очередь, через драйвер 17 исполнительного устройства посылает сигнал управления исполнительным устройством 18. После срабатывания исполнительного устройства 18 оно через драйвер 17 исполнительного устройства выдает ответный сигнал на микроконтроллер 15. Микроконтроллер 15 выводит на индикатор 16 текущее состояние ЭЗ 2 и через интерфейс 13 и интерфейс 7 посылает на микроконтроллер 3 информацию о разблокировании. Микроконтроллер 3 считывает текущее время с часов 5 реального времени и записывает информацию о текущем состоянии ЭЗ 2 и считанное время в ОЗУ часов 5 реального времени, а также выводит информацию на устройство 4 отображения информации, после чего доступ к объекту считается разрешенным.
Стирание кодовой информации при несанкционированном вскрытии интеллектуального ключа 1 осуществляется следующим образом. На первый вход часов 5 реального времени поступает логический ноль, например, с концевого переключателя (не показан), что приводит к обнулению области ОЗУ часов 5 реального времени, в которой хранится кодовая информация. После выполнения работы исполнитель нажимает на клавиатуре 9 кнопку “заблокировать”. Микроконтроллер 3 считывает состояние клавиатуры 9 и выдает на группу входов кодера 6 код текущей команды “заблокировать”. Кодер 6 осуществляет шифрование информации по технологии KeeLoq и формирует посылку с “прыгающим” кодом, которая поступает через интерфейс 7 и интерфейс 13 на декодер 12. Если кодовая синхронизация между кодером 6 и декодером 12 правильная, декодер выдает команду на микроконтроллер 15 о верном декодировании, который, в свою очередь, через драйвер 17 исполнительного устройства посылает сигнал управления исполнительным устройством 18, которое возвращается в исходное состояние и выдает через драйвер 17 ответный сигнал на микроконтроллер 15. Микроконтроллер 15 выводит на индикатор 16 текущее состояние ЭЗ 2 и через интерфейс 13 и интерфейс 7 посылает на микроконтроллер 3 информацию о блокировании ЭЗ 2. Микроконтроллер 3 считывает текущее время с часов 5 реального времени и записывает информацию о текущем состоянии ЭЗ 2 и считанном времени в ОЗУ часов 5 реального времени, а также выводит информацию на устройство 4 отображения информации, после чего доступ к объекту считается запрещенным. Если исполнитель ошибочно вводит ПИН либо номер объекта и при этом превышает заданное количество попыток, ИК 1 блокируется и дальнейшая работа невозможна. Разблокировать ИК 1 может только оператор, подключив ИК 1 через интерфейс 8 к ПК. После выполнения работ исполнитель сдает ИК 1 оператору, который через интерфейс 8 подключает его к ПК. С помощью специального программного обеспечения оператор через интерфейс 8 посылает команду на микроконтроллер 3 и переводит его в режим считывания информации с ОЗУ часов 5 реального времени. Микроконтроллер 3 извлекает из ОЗУ часов 5 реального времени все записи, отражающие действия исполнителя во время выполнения работ (когда и в какой последовательности был разрешен/запрещен доступ к объекту, сколько было попыток неправильного ввода ПИН и т.д.), и через интерфейс 8 посылает их на ПК. Оператор анализирует эту информацию и при необходимости сохраняет ее на жестком диске ПК.
Построен и испытан лабораторный макет устройства санкционирования доступа, выполненный по приведенной на чертеже схеме. Проведенные испытания показали осуществимость и практическую ценность устройства.
Формула изобретения
Устройство санкционирования доступа, содержащее интеллектуальный ключ, включающий микроконтроллер, первый интерфейс, клавиатуру, источник питания и устройство отображения информации, соединенный с электронным замком, который содержит микроконтроллер, интерфейс и исполнительное устройство, отличающееся тем, что в интеллектуальный ключ введены часы реального времени со встроенным оперативным запоминающим устройством, кодер, второй интерфейс и генератор, а в электронный замок введен декодер, генератор, индикатор и драйвер исполнительного устройства, причем первый и второй выходы микроконтроллера интеллектуального ключа соединены с соответствующими входами устройства отображения информации, группа входов-выходов которого соединена с группой входов-выходов микроконтроллера интеллектуального ключа и группой входов-выходов часов реального времени, а группа входов соединена с первой группой выходов микроконтроллера интеллектуального ключа и группой входов часов реального времени, первый вход которых служит для обнуления указанного оперативного запоминающего устройства, а второй вход соединен с третьим выходом микроконтроллера интеллектуального ключа, вторая группа выходов которого соединена с группой входов кодера, а вход-выход соединен с входом-выходом кодера и первым входом первого интерфейса, первый выход и второй вход которого являются соответственно первым выходом и первым входом интеллектуального ключа, а второй выход соединен с первым входом микроконтроллера интеллектуального ключа, третья группа выходов и первая группа входов которого соединена соответственно с первой группой входов и первой группой выходов второго интерфейса, вторые группы входов и выходов которого являются соответственно группами входов и выходов интеллектуального ключа, являющимися выводами для подключения персонального компьютера, второй вход микроконтроллера интеллектуального ключа соединен с выходом генератора интеллектуального ключа, а вторая группа входов и четвертая группа выходов соединены соответственно с первой группой выходов и группой входов клавиатуры, выход генератора электронного замка соединен с первым входом микроконтроллера электронного замка и первым входом декодера, первый вход-выход которого соединен с первым входом-выходом микроконтроллера электронного замка, со своим вторым входом и первым выходом интерфейса, а выход, второй вход-выход и группа входов соединены соответственно со вторым входом, со вторым входом-выходом и группой выходов микроконтроллера электронного замка, первый выход которого соединен с первым входом интерфейса, вторые вход и выход которого являются первыми входом и выходом электронного замка, второй и третий выходы микроконтроллера которого соединены соответственно с первым и вторым входами индикатора, а третий вход, четвертый и пятый выходы соединены соответственно с выходом, первым и вторым входами драйвера исполнительного устройства, третий вход и группа выходов которого соединены соответственно с выходом и группой входов исполнительного устройства, при этом первые выход и вход интеллектуального ключа соединены соответственно с первыми входом и выходом электронного замка.
РИСУНКИ
|
|