|
|
(21), (22) Заявка: 2004124309/11, 09.08.2004
(24) Дата начала отсчета срока действия патента:
09.08.2004
(45) Опубликовано: 10.04.2006
(56) Список документов, цитированных в отчете о поиске:
SU 1773780 А1, 07.11.1992. SU 1676897 A1, 15.09.1991. RU 2106993 C1, 20.03.1998. DE 3235733 A1, 29.03.1984.
Адрес для переписки:
443066, г.Самара, 1-й Безымянный пер., 18, СамГАПС, патентный отдел
|
(72) Автор(ы):
Полевой Юрий Иосифович (RU), Полевая Людмила Владимировна (RU), Трошина Марина Васильевна (RU)
(73) Патентообладатель(и):
Самарская государственная академия путей сообщения (СамГАПС) (RU)
|
(54) СПОСОБ КОНТРОЛЯ ПРОСЛЕДОВАНИЯ ПОЕЗДА В ПОЛНОМ СОСТАВЕ
(57) Реферат:
Изобретение относится к железнодорожной автоматике и телемеханике и предназначено для использования при регулировании движения поездов. На локомотиве при проходе сигнальной точки по сигналам с напольных устройств начинают и заканчивают отсчет количества оборотов колесной пары, соответствующего длине поезда. Полученную длину сравнивают с информацией о длине поезда, ранее введенной машинистом в запоминающее локомотивное устройство на станции формирования или смены локомотива. При совпадении полученной на локомотиве длины поезда с введенной машинистом включают генератор, от которого при проходе следующей контрольной точки за счет индуктивной связи передают напольным устройствам информацию о проследовании поезда в полном составе. Эту информацию по линейным проводам передают на предыдущие сигнальные точки для управления проходными светофорами. Изобретение позволяет повысить достоверность контроля проследования поезда в полном составе. 1 ил. 
Изобретение относится к железнодорожной технике, а именно к железнодорожной автоматике и телемеханике, и может быть использовано для регулирования движения поездов.
Известен способ контроля прибытия поезда в полном составе [Котляренко Н.Ф. Путевая блокировка и авторегулировка. – М.: Транспорт, 1983 г., стр. 241-246], работа которого основана на том, что при прохождении контрольной точки пути индуктор, установленный на последнем вагоне состава, передает сигнал «Прибытие» приборам, установленным на пути.
Недостатком способа является то, что необходимо подвешивать на хвостовой вагон специальный прибор.
Известен способ контроля освобождения перегона, реализованный в устройстве [А.с. СССР №1773780, МПК B 61 L 23/16. Устройство контроля освобождения перегона. Авторы: Полевой Ю.И., Азизов А.Р., Кравцова Н.А., БИ №24, 1994 г.], заключающийся в том, что на локомотиве отсчитывают импульсы от датчика пути (осевой датчик пути и скорости), при отправлении со станции отправления импульсы в счетчике суммируют, а при приеме на станции приема – вычитают. При обнулении счетчика выдается сигнал на путевые устройства о прибытии поезда в полном составе.
Недостатком этого способа, является то, что при неправильном счете при отправлении или приеме контроля проследования поезда в полном составе не происходит, кроме того, устройство используется для контроля всего перегона, т.е. соответствует полуавтоматической блокировке, и, наконец, требуется две пары проводов (одна в прототипе приведена, а другая – увязка между станциями – не показана).
Техническим результатом, на достижение которого направлено данное изобретение, является повышение достоверности контроля проследования перегона (блок-участка) поездом в полном составе.
Технический результат достигается тем, что в способе контроля проследования поезда в полном составе, согласно изобретению, на локомотиве по сигналам с напольных устройств начинают отсчет количества оборотов колесной пары, соответствующее длине поезда, изначальную информацию о длине поезда вводит машинист, а информацию между сигнальными точками для контроля проследования поезда передают по физической линейной цепи.
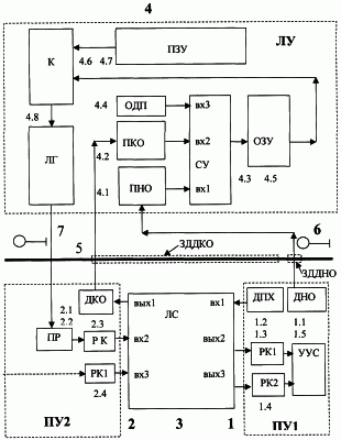
На чертеже приведена схема устройства, поясняющая действие предлагаемого способа.
На чертеже представлены путевые устройства первой сигнальной точки 1, путевые устройства второй сигнальной точки 2, линия связи 3 и локомотивные устройства 4, кроме того, изображен железнодорожный путь 5 и светофоры 6 и 7. Путевые устройства первой сигнальной точки имеют датчик начала отсчета длины поезда 1.1, датчик прохода хвоста 1.2, реле контроля свободности первого участка удаления 1.3, реле контроля свободности второго участка удаления 1.4 и устройство управления проходным светофором 1.5. Путевые устройства второй сигнальной точки содержат датчик отсчета конца длины поезда 2.1, приемник 2.2, реле контроля проследования поезда в полном составе 2.3 и реле контроля свободности первого участка удаления 2.4. Связь между сигнальными точками осуществляют по линии связи 3. Локомотивные устройства содержат приемник начала отсчета 4.1, приемник конца отсчета 4.2, счетное устройство 4.3, осевой датчик пути 4.4, оперативное запоминающее устройство 4.5 (ОЗУ), компаратор 4.6, постоянное запоминающее устройство 4.7 (ПЗУ) и локомотивный генератор 4.8.
Перечисленные устройства соединены следующим образом. Путевой датчик 1.1 индуктивно связан с локомотивным приемником 4.1, выход которого соединен с первым входом счетного устройства 4.3, второй и третий входы которого соединены соответственно с выходом датчика 4.2 и выходом осевого датчика пути 4.4, а выход счетчика соединен с входом ОЗУ 4.5, выход которого соединен с первым входом компаратора 4.6, второй вход которого соединен с выходом ПЗУ 4.7, а выход соединен с входом локомотивного генератора 4.8, выход которого индуктивно связан с путевым приемником 2.2, выход которого соединен с входом реле (обмотка) контроля проследования поезда в полном составе 2.3. Вход локомотивного приемника конца отсчета 4.2 индуктивно связан с выходом путевого датчика конца отсчета 2.1. С первым, вторым и третьим входами линии связи 3 соответственно соединены выход датчика прохода хвоста 1.2, выход реле (контакт) прохода поезда в полном составе 2.3 и выход реле контроля свободности первого удаления 2.4. С первым, вторым и третьим выходами линии связи 3 соответственно соединены вход датчика конца отсчета 2.1, вход реле контроля свободности первого удаления 1.3 и вход реле контроля свободности второго участка удаления 1.4, выходы реле 1.3 и 1.4 соединены со входами устройства управления проходным светофором 1.5.
Принцип действия способа рассмотрен на примере работы устройства, приведенного на чертеже. При проходе сигнальной точки 1 с датчика начала отсчета 1.1 на локомотив передается импульс, который воспринимается приемником начала отсчета 4.2. Этот приемник запускает на счет счетчик 4.3, который считает импульсы с осевого датчика пути 4.4 до получения воздействия с датчика 2.1 посредством приемника 4.2. Информация об отсчитанных импульсах, которая соответствует длине поезда, поступает с ОЗУ 4.5, компаратор 4.6 сравнивает полученную с ОЗУ информацию с той, которая записана в ПЗУ 4.7. Эта информация вводится машинистом перед началом движения. В случае совпадения информации, полученной из ПЗУ и ОЗУ, включается линейный генератор ЛГ 4.8 и воздействует на путевой приемник ПР 2.2, который возбуждает реле проследования поезда 2.3 в полном составе всего предыдущего участка (участок перед светофором 6). Информация с реле 2.3, а также с реле 2.4 о состоянии впередилежащего участка по линии связи (вх. 2 и 3, вых. 2 и 3) поступает на реле 1.3 и 1.4 соответственно предыдущей сигнальной точки 1, которая посредством устройства управления проходным светофором 1.5 управляет светофором 6. По линии связи 3 (вх.1 и вых.1) передают информацию о проследовании хвоста поезда датчиком прохода хвоста 1.1 и воспринимается датчиком конца отсчета 2.1, а затем на локомотив (приемник 4.2).
На чертеже показаны пунктирными линиями на железнодорожном пути зоны действия датчиков начала отсчета ЗДДНО и конца отсчета ЗДДКО.
Предложенный способ позволяет регулировать движение поездов при любом виде тяги поездов и практически при любом балласте.
Формула изобретения
Способ контроля проследования поезда в полном составе, заключающийся в том, что на локомотиве при проходе сигнальной точки по сигналам с напольных устройств начинают и заканчивают отсчет количества оборотов колесной пары, соответствующего длине поезда, которое сравнивают с информацией о ранее введенной длине поезда, отличающийся тем, что первоначальную информацию о длине поезда в запоминающее локомотивное устройство на станции формирования или смены локомотива вводят машинистом, при совпадении полученной на локомотиве информации о длине поезда с введенной машинистом включают генератор, от которого при проходе следующей контрольной точки за счет индуктивной связи передают напольным устройствам информацию о проследовании поезда в полном составе, далее эту информацию по линейным проводам передают на предыдущие сигнальные точки для управления проходными светофорами.
РИСУНКИ
MM4A – Досрочное прекращение действия патента СССР или патента Российской Федерации на изобретение из-за неуплаты в установленный срок пошлины за поддержание патента в силе
Дата прекращения действия патента: 10.08.2007
Извещение опубликовано: 10.03.2009 БИ: 07/2009
|
|