|
|
(21), (22) Заявка: 2004117666/11, 09.06.2004
(24) Дата начала отсчета срока действия патента:
09.06.2004
(43) Дата публикации заявки: 20.11.2005
(45) Опубликовано: 10.04.2006
(56) Список документов, цитированных в отчете о поиске:
RU 2025358 С1, 30.12.1994. SU 1799784 А1, 07.03.1993. RU 2185300 С2, 20.07.2002. КОТЛЯРЕНКО Н.Ф. Путевая блокировка и авторегулировка. – М.: Транспорт, 1983, с.145-159.
Адрес для переписки:
443066, г.Самара, 1-й Безымянный пер., 18, СамГАПС, патентный отдел
|
(72) Автор(ы):
Полевой Юрий Иосифович (RU), Полевая Людмила Владимировна (RU), Трошина Марина Васильевна (RU)
(73) Патентообладатель(и):
Самарская государственная академия путей сообщения (СамГАПС) (RU)
|
(54) СПОСОБ КОНТРОЛЯ СВОБОДНОСТИ РЕЛЬСОВОЙ ЛИНИИ
(57) Реферат:
Изобретение относится к железнодорожной технике, а именно к железнодорожной автоматике и телемеханике для интервального регулирования движения поездов. Способ контроля свободности рельсовой линии заключается в том, что в середину рельсовой линии подключен источник питания, а на концах контролируемые параметры сравнивают с порогом занятия и освобождения. В качестве первого контролируемого параметра принимают отношение напряжения на входе первого приемника к напряжению на входе второго, а в качестве второго контролируемого параметра – напряжение на входе второго приемника к напряжению на входе первого, предусматривают еще первый и второй дополнительные пороги. Занятие рельсовой линии фиксируют при понижении первого контролируемого параметра ниже порога занятия, а освобождение рельсовой линии фиксируют при поочередном выполнении следующих условий: понижении первого контролируемого параметра ниже первого дополнительного порога, понижении второго контролируемого параметра ниже второго дополнительного порога и превышении второго контролируемого параметра порога освобождения, причем порог занятия равен значению первого контролируемого параметра при наложении нормативного шунта на место подключения первого приемника при минимальном сопротивлении изоляции и максимальной продольной асимметрии. Изобретение повышает надежность контроля состояния рельсовых линий. 2 ил. 
Изобретение относится к железнодорожной технике, а именно к железнодорожной автоматике и телемеханике, и может быть использовано для регулирования движения поездов.
Известен способ контроля свободности рельсовой линии, заключающийся в том, что определяют количество свободных рельсовых линий на перегоне и сумму значений напряжений на этих же линиях, а затем находят среднее арифметическое значение напряжений. Текущее значение каждой из линий сравнивают со средним арифметическим значением. При существенном отличии текущего значения от среднего арифметического фиксируют занятость путевого участка, в противном случае – свободность [Патент РФ №2025358, МПК B 61 L 23/16. Способ контроля свободности путевых участков и устройство для его осуществления. Авторы: Полевой Ю.И., Стрельцов С.К., Мазалова И.В., Кравцова Н.А. БИ №24, 1994 г.].
Недостатком этого способа является то, что при наличии значительной продольной асимметрии возможен ложный контроль состояния рельсовой линии.
Известен способ контроля свободности рельсовой линии, заключающийся в том, что значение текущего напряжения на приемнике сравнивают с пороговыми значениями напряжений. Превышение текущего напряжения над пороговым значением фиксируют как свободность рельсовой линии, в противном случае – занятость [Котляренко Н.Ф. Путевая блокировка и авторегулировка. – М.: Транспорт, 1983, стр. 145-159].
Данное техническое решение выбрано в качестве прототипа.
Недостатком этого способа является то, что при пониженном сопротивлении изоляции возможен ложный контроль состояния рельсовой линии.
Техническим результатом, на достижение которого направлено данное изобретение, является повышение надежности контроля состояния рельсовых линий.
Технический результат достигается тем, что способ контроля свободности рельсовой линии, заключающийся в том, что в середину рельсовой линии подключен источник питания, а на концах контролируемые параметры сравнивают с порогом занятия и освобождения, причем в качестве первого контролируемого параметра принимают отношение напряжения на входе первого приемника к напряжению на входе второго, а в качестве второго контролируемого параметра – напряжение на входе второго приемника к напряжению на входе первого, кроме того, предусматривают еще первый и второй дополнительные пороги, занятие рельсовой линии фиксируют при понижении первого контролируемого параметра ниже порога занятия, а освобождение рельсовой линии фиксируют при поочередном выполнении следующих условий понижении первого контролируемого параметра ниже первого дополнительного порога, понижении второго контролируемого параметра ниже второго дополнительного порога и превышении второго контролируемого параметра порога освобождения, причем порог занятия равен значению первого контролируемого параметра при наложении нормативного шунта на место подключения первого приемника при минимальном сопротивлении изоляции и максимальной продольной асимметрии, первый дополнительный порог равен значению первого контролируемого параметра при наложении нормативного шунта на середину левой части рельсовой линии при минимальном сопротивлении изоляции максимальной продольной асимметрии, второй дополнительный порог равен значению второго контролируемого параметра при наложении нормативного шунта на середину правой части рельсовой линии при минимальном сопротивлении изоляции и максимальной продольной асимметрии, порог освобождения равен значению второго контролируемого параметра при наложении нормативного шунта на место подключения второго приемника при минимальном сопротивлении изоляции и максимальной продольной асимметрии.
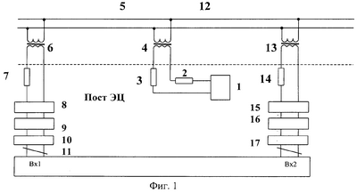
На фиг.1 приведена схема рельсовой линии. На фиг.2 представлены графики зависимостей напряжений по концам рельсовой линии и контролируемых параметров от координаты нормативного шунта.
На фиг.1 приведена схема рельсовой линии, содержащая путевой генератор 1, соединенный через резисторы 2 (ограничитель тока питающего конца) и 3 (эквивалент сопротивления кабеля) с первой обмоткой первого согласующего трансформатора 4, к второй обмотке которого подключена левая часть 5 рельсовой линии, к второму концу которой через второй согласующий трансформатор 6, резистор 7 (эквивалент сопротивления кабеля), полосовой фильтр 8 (защита от влияния сигнальных токов смежных рельсовых цепей), выпрямитель 9 (выпрямительный мост и сглаживающий конденсатор), аналого-цифровой преобразователь (АЦП) 10 подсоединен первый вход ЭВМ 11. Ко второй обмотке первого согласующего трансформатора 4 подсоединена также правая часть 12 рельсовой линии, к другому концу которой через третий согласующий трансформатор 13, резистор 14 (эквивалент сопротивления кабеля), полосовой фильтр 15, выпрямитель 16 и АЦП 17 подсоединен второй вход ЭВМ 11.
На фиг.2 изображены кривые представляющие зависимости напряжений по концам рельсовой линии (U1, U2) от координаты шунта (Хш). Кривая U1 (линия ABCVSW) отображает изменение напряжения на первом входе ЭВМ, а кривая U2 (линия TRPNGH) – на втором. Точки G, Р 1, Р2 обозначают соответственно места подключения к рельсовой линии генератора, первого (левого) и второго (правого) приемников. На основании этих линий рассчитывают линии двух контролируемых параметров. Первый контролируемый параметр U1/U2, второй – U2/U1. Линия ABCDEFGH представляет зависимость отношения напряжения на входе первого приемника к напряжению на входе второго приемника (U1/U2) от координаты шунта (Хш). Линия ABKLMNGH представляет зависимость отношения напряжения на входе второго приемника к напряжению на входе первого приемника (U2/U1) от координаты шунта (Хш). По вертикальной оси откладывают напряжения на входах приемников U1, U2 и отношения U1/U2, U1/U2.
Пунктирные части линий отражают то, что они проходят значительно выше и на листе не умещаются. Точки PZ, P1D, P2D и РО соответственно представляют порог занятия, первый дополнительный порог, второй дополнительный порог и порог освобождения.
Действие способа заключается в следующем. С генератора 1 (фиг.1) через резисторы 2 и 3, трансформатор 4 переменное напряжение подают на левую 5 и правую 12 части рельсовой линии. С приемного конца левой части 5 рельсовой линии через трансформатор 6, резистор 7, фильтр 8, выпрямитель 10 и АЦП 11 преобразованное напряжение (двоичный код, значение которого пропорционально напряжению левой части 5 рельсовой линии) поступает на первый вход ЭВМ. На второй вход ЭВМ 11 поступает информация о напряжении конца правой части рельсовой линии 12 через элементы 13, 14, 15, 16, 17 аналогично тому, как это осуществлялось с первым входом ЭВМ.
Контроль занятия фиксируют при условии, что отношение текущего напряжения на конце левой части 5 рельсовой линии к напряжению на конце правой части 12 рельсовой линии – первый контролируемый параметр – ниже порога занятия. На основании расчетов установлено, что для рельсовой линии 2 км (оба участка 5 и 12) при входных сопротивлениях по концам 0,4 Ом, частоте сигнального тока 420 Гц, сопротивлении изоляции 0,1 Ом·км и коэффициенте продольной асимметрии 0,5 (отношение удельного сопротивления изоляции первого участка 5 к одноименному сопротивлению второго участка 12, т.е. 0,1 Ом·км/0,2 Ом·км) порог занятия равен значению 0,25. Для тех же условий первый и второй дополнительные пороги одинаковы и равны значению 0,17, порог освобождения равен значению 0,25.
Контроль освобождения рельсовой цепи фиксируют при поочередном выполнении следующих условий: первый контролируемый параметр должен быть ниже первого дополнительного порога (0,17), второй контролируемый параметр должен быть ниже второго дополнительного порога (0,17), второй контролируемый параметр должен быть выше порога освобождения (0,25).
Способ контроля состояния рельсовой линии повышает безопасность движения за счет повышения надежности контроля.
Формула изобретения
Способ контроля свободности рельсовой линии, заключающийся в том, что в середину рельсовой линии подключен источник питания, а на концах контролируемые параметры сравнивают с порогом занятия и освобождения, отличающийся тем, что в качестве первого контролируемого параметра принимают отношение напряжения на входе первого приемника к напряжению на входе второго, а в качестве второго контролируемого параметра – напряжение на входе второго приемника к напряжению на входе первого, кроме того, предусматривают еще первый и второй дополнительные пороги, занятие рельсовой линии фиксируют при понижении первого контролируемого параметра ниже порога занятия, а освобождение рельсовой линии фиксируют при поочередном выполнении следующих условий: понижении первого контролируемого параметра ниже первого дополнительного порога, понижении второго контролируемого параметра ниже второго дополнительного порога и превышении второго контролируемого параметра порога освобождения, причем порог занятия равен значению первого контролируемого параметра при наложении нормативного шунта на место подключения первого приемника при минимальном сопротивлении изоляции и максимальной продольной асимметрии, первый дополнительный порог равен значению первого контролируемого параметра при наложении нормативного шунта на середину левой части рельсовой линии при минимальном сопротивлении изоляции и максимальной продольной асимметрии, второй дополнительный порог равен значению второго контролируемого параметра при наложении нормативного шунта на середину правой части рельсовой линии при минимальном сопротивлении изоляции и максимальной продольной асимметрии, порог освобождения равен значению второго контролируемого параметра при наложении нормативного шунта на место подключения второго приемника при минимальном сопротивлении изоляции и максимальной продольной асимметрии.
РИСУНКИ
MM4A – Досрочное прекращение действия патента СССР или патента Российской Федерации на изобретение из-за неуплаты в установленный срок пошлины за поддержание патента в силе
Дата прекращения действия патента: 10.06.2007
Извещение опубликовано: 27.01.2009 БИ: 03/2009
|
|