|
(21), (22) Заявка: 2000132170/15, 21.12.2000
(24) Дата начала отсчета срока действия патента:
21.12.2000
(45) Опубликовано: 27.03.2006
(56) Список документов, цитированных в отчете о поиске:
RU 2114171 C1, 27.06.1998. SU 1723140 A1, 30.03.1992. RU 2034022 C1, 30.04.1995. GB 148829 A, 10.10.1921. WO 9426868 A1, 24.11.1994.
Адрес для переписки:
350072, г.Краснодар, ул. 40 лет Победы, 35/2, кв.93, А.Г.Суле
|
(72) Автор(ы):
Сула Алексей Георгиевич (RU)
(73) Патентообладатель(и):
Сула Алексей Георгиевич (RU)
|
(54) СПОСОБ ПОЛУЧЕНИЯ ЭКСТРАКТА ДУБОВОГО КРИСТАЛЛИЧЕСКОГО
(57) Реферат:
Изобретение относится к производству таннидов. Способ получения экстракта дубового кристаллического включает экстрагирование из дубового сырья дубильных веществ – таннидов с использованием горячей воды и сушку получаемого вязкотекущего продукта при температуре не более 90°С до кристаллического состояния. Экстрагирование проводят при температуре 75-85°C с использованием пульсатора и мембранного фильтра-сгустителя. Изобретение позволяет получить экологически чистый способ экстрагирования таннидов при экономии энергоресурсов и отсутствии необходимости использования химических реагентов. 1 ил. 
Изобретение относится к усовершенствованному способу получения дубильных веществ (таннидов) путем экстракции из дубового сырья, например, щепа дуба, стружка, кора, опилки.
Танниды могут быть использованы в кожевенной промышленности, в ветеринарии, в виноделии, текстильной промышленности, в фотографии. Известен способ получения таннидов, где готовый продукт получают путем промывания горячей водой щепы дуба, книга В.И.Вахрушева “Производство дубильных экстрактов”, изданная в 1990 г.
Недостатком метода является использование гидросульфита аммония; длительность процесса (7-10 часов); конечно получение таннидов в глыбе, неудобное для использования (слипание, текучесть в хранении). Кроме того, ведение процесса при Т 110-115°С ведет к повышению энергозатрат, а гидросульфит вреден для экологии.
Наиболее близким к предлагаемому способу является аналог – авторское свидетельство 1051128, с.14, С 3/00 от 30.10.83, бюллетень №40, где процесс экстракции происходит в присутствии пиросульфита натрия при Т 105-120°С.
Недостатком метода является использование пиросульфита натрия, что вызывает коррозию оборудования, а также повышенные энергозатраты, т.к. процесс происходит при Т 105-120°С.
Технической задачей предлагаемого изобретения является совершенствование процесса экстракции дубильных веществ. Наряду со сходными признаками вышеуказанных способов в предлагаемом изобретении имеются принципиально новые признаки:
– экстрагирование дубильных веществ происходит при температуре горячей воды – Т 75-85°С;
– в технологической цепи используется пульсатор (3) и сгуститель (6).
Способ получения экстракта дубового кристаллического, включающий экстрагирование из дубового сырья дубильных веществ – таннидов с использованием горячей воды и сушку получаемого вязкотекущего продукта при температуре не более 90°С до кристаллического состояния, отличающийся тем, что экстрагирование проводят при температуре 75-85°С с использованием пульсатора и мембранного фильтра – сгустителя.
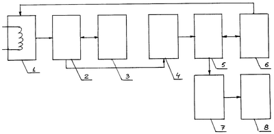
Горячая вода из нагревателя (1) поступает в диффузор (2), омывает сырье, извлекая из него дубильные вещества – танниды.
За счет возвратно-поступательного движения жидкости в пульсаторе (3), процесс экстракции интенсифицируется и, тем самым, сокращается время массообмена.
Постепенно вода насыщается таннидами, получается диффузорный сок. Это происходит за 3-3,5 часа, что в 2-3 раза быстрее, чем при простом настаивании с перекачкой жидкости. Во избежание попадания сырья в сгуститель (6), диффузионный сок пропускается через фильтр (4). Пройдя фильтр, очищенный сок направляется в емкость – сборник (5). Далее, сок из емкости – сборника (5) направляется в сгуститель (6), где сок разделяется на воду и танниды. Вода из сгустителя направляется в нагревательный блок (1), а сгущенные танниды в сушильную камеру (7).
Если за один проход соков через сгуститель не получается нужная концентрация, то операцию сгущения проводят несколько раз.
Перед тем, как сгущенные танниды отправят в сушильную камеру, их разливают в металлические формы с толщиной слоя 20-25 мм. Из сушильной камеры высушенный экстракт подается в бункер – накопитель (8) для его размельчения и фасовки в тару.
Контроль технологического процесса производится по ГОСТу 17-552-75 “Экстракты дубильные растительные”. Отбор проб и методы испытаний.
Производство препарата “Экстракт дубовый кристаллический” является экологически чистым, не требует очистных сооружений.
Все потоки возвращаются в технологию для повторного использования. Экономятся энергоресурсы, т.к. процесс идет не выше 90°С. Дополнительные химические реактивы не используются. Отработанное твердое сырье одубина используется для изготовления арболитных плит и стеновых блоков.
Формула изобретения
Способ получения экстракта дубового кристаллического, включающий экстрагирование из дубового сырья дубильных веществ – таннидов с использованием горячей воды и сушку получаемого вязкотекущего продукта при температуре не более 90°С до кристаллического состояния, отличающийся тем, что экстрагирование проводят при температуре 75-85°C с использованием пульсатора и мембранного фильтра-сгустителя.
РИСУНКИ
MM4A – Досрочное прекращение действия патента СССР или патента Российской Федерации на изобретение из-за неуплаты в установленный срок пошлины за поддержание патента в силе
Извещение опубликовано: 20.07.2007 БИ: 20/2007
|