|
|
(21), (22) Заявка: 2004112168/28, 20.04.2004
(24) Дата начала отсчета срока действия патента:
20.04.2004
(43) Дата публикации заявки: 20.10.2005
(45) Опубликовано: 20.03.2006
(56) Список документов, цитированных в отчете о поиске:
RU 2206147 С1, 10.06.2003. RU 23018 U1, 10.05.2002. RU 2133553 C1, 20.07.1999.
Адрес для переписки:
355042, г.Ставрополь, ул. 50 лет ВЛКСМ, 24/1, кв.97, Е.Э. Горохову-Мирошникову
|
(72) Автор(ы):
Горохов-Мирошников Евгений Эдуардович (RU)
(73) Патентообладатель(и):
Горохов-Мирошников Евгений Эдуардович (RU)
|
(54) ПОЛУПРОВОДНИКОВОЕ УСТРОЙСТВО
(57) Реферат:
Изобретение относится к электротехнике, а именно к полупроводниковым преобразователям электрической энергии с изоляционным барьером между выводами управления и выводами для подключения регулируемого напряжения, и может быть использовано в приборах промышленного электропривода и автоматики. Технический результат: повышение надежности и расширение функциональных возможностей полупроводникового устройства. Сущность: полупроводниковое устройство состоит из корпуса 1, внешних выводов управления 2, 3, 4, активного токового ограничителя на основе аналого-импульсного преобразователя 5, выводов 6, 7, элемента связи 8, выводов 9, 10, преобразователя формы сигнала управления 11, шин 12, 13, 14, полупроводникового ключа 15, выводов выхода для подключения регулируемого напряжения 16, 17. Активный токовый ограничитель на основе аналого-импульсного преобразователя 5 организует оптимальное преобразование входного напряжения со стороны выводов 2, 4 в модулированный импульсный сигнал для возбуждения элемента связи 8 и обеспечивает минимальное потребление тока со стороны выводов 2, 4. 1 з.п. ф-лы, 3 ил. 
Область техники, к которой относится изобретение.
Изобретение относится к электротехнике, а именно к полупроводниковым преобразователям электрической энергии с изоляционным барьером между выводами управления и выводами для подключения регулируемого напряжения, и может быть использовано в приборах промышленного электропривода и автоматики.
Уровень техники.
Известно устройство, в котором передача сигнала управления и энергии для формирования управляющего сигнала обеспечивается через единый элемент гальванической развязки – трансформатор связи. Устройство содержит преобразователь, трансформатор связи, выпрямитель, фильтр. Выход устройства подключается между управляющим электродом и катодом тиристора. При этом частота и длительность сформированного аналого-импульсным преобразователем сигнала, поступающего на вход трансформатора связи, определены задающим генератором. Устройство формирует управляющий сигнал большой мощности. (Каталог INTERNATIONAL RECTIFAIER, 2003 г., J.CATT, DT-94-14, статья “Изолированная схема управления затвором тиристора”).
Недостатки устройства: оно имеет значительные габариты, создает помехи, возможно обратное воздействие выхода устройства на его входные цепи.
Известно устройство на полевых транзисторах с трансформаторной развязкой, которое обеспечивает большие значения рабочего цикла трансформатора. Устройство содержит задающий генератор, привязанный к земле, формирующий импульсы тока с заданной частотой следования, и детектор на вспомогательном полевом транзисторе, который обеспечивает быстрое восстановление сердечника трансформатора за счет шунтирования выходной обмотки трансформатора по окончании рабочего цикла. (Каталог INTERNATIONAL RECTIFAIER, 2003 г., Р.WOOD, AN-950, статья “Драйвер на МОП-ПТ с трансформаторной развязкой обеспечивает большие значения скважности”).
Недостаток устройства: низкая помехоустойчивость, когда силовой ключ находится в выключенном состоянии и ограниченная сердечником трансформатора величина скважности сигнала управления.
Известен миниатюрный пьезоэлектрический трансформатор для терминалов мобильной связи. Он эффективно преобразует электрическую энергию и создает минимальные помехи и высокий уровень изоляции. (Каталог фирмы EPCOS, 2003 г.).
Недостаток трансформатора: выходная характеристика формируемого напряжения не позволяет его применить для управления полупроводниковым ключом.
Известны примеры построения различных ключевых устройств с формирователями сигналов управления как с раздельными каналами питания цепи управления ключа и информационного канала, так и с общим каналом.
Известны полупроводниковые приборы, управляемые с помощью оптронной развязки с использованием излучающих инфракрасных диодов и фотоприемника, вырабатывающего напряжение, например фотогальванические оптроны. Известны приборы, управляемые с помощью трансформаторной развязки с использованием трансформаторов связи (см. стр.180-222, П.А.Воронин. Силовые полупроводниковые ключи. М., Издательский дом “Додека-XXI” 2001, 380 стр.).
Наиболее близким по технической сущности и достигаемому положительному эффекту и принятое автором за прототип является полупроводниковое устройство, содержащее входное устройство на основе активного ограничителя тока, содержащего управляемый пороговым элементом аналого-импульсный преобразователь, формирующий импульсы тока через изолирующий входную и выходную секции элемент связи на основе оптронной или трансформаторной развязки. (Патент РФ на изобретение №2206147, 7 Н 01 L 31/16 от 10.06.2003 г.).
Устройство обеспечивает высокий уровень изоляции и помехозащищенности, позволяет реализовать компактные и надежные устройства, но оно имеет недостаток, связанный с зависимостью формы сигнала управления от характеристик элемента связи, что ограничивает применение устройства.
Раскрытие изобретения.
Технический результат, который может быть получен с помощью предлагаемого изобретения, сводится к повышению надежности и расширению функциональных возможностей полупроводникового устройства.
Технический результат достигается тем, что в полупроводниковое устройство, содержащее внешние выводы для подачи сигнала управления, относящиеся к входной секции, соединенные с входом, по крайней мере, одного активного токового ограничителя, содержащего аналого-импульсный преобразователь и, по крайней мере, один пороговый элемент, выходная цепь активного токового ограничителя подключена к входу элемента связи, образующего изоляционный барьер между входными и выходными секциями, цепь управления полупроводникового ключа, соединенного с внешними выводами для подключения регулируемого напряжения выходной секции, установлен как минимум один преобразователь формы сигнала управления. Преобразователь формы сигнала управления содержит, по крайней мере, один дополнительный пороговый элемент, дополнительный полупроводниковый ключ, и, по крайней мере, одну интегрирующую цепь. Входная цепь преобразователя формы сигнала управления подключена к выходу элемента связи, а выходная цепь преобразователя формы сигнала управления подключена к цепи управления полупроводникового ключа.
В преобразователь формы сигнала управления введен дополнительный управляющий вывод, соединенный с другим внешним выводом для подачи регулируемого напряжения выходной секции.
Активный токовый ограничитель, элемент связи, преобразователь формы сигнала управления или объединен с управляемым ими полупроводниковым ключом в одном корпусе, или узлы конструктивно оформлены в отдельных корпусах.
Осуществление изобретения.
Полупроводниковое устройство (см. фиг.1) состоит из корпуса 1, выходящих из корпуса 1 выводов управления 2, 4 с установленными одним или более дополнительными выводами для подачи логических сигналов управления 3, подключенными к активному токовому ограничителю 5, который, в свою очередь с помощью выводов 6, 7 подключен к элементу связи 8. Элемент связи 8 подключен посредством выводов 9, 10 к преобразователю формы сигнала управления 11. Выход преобразователя формы сигнала управления 11 через выводы 12, 13 и дополнительную шину 14 соединен с полупроводниковым ключом 15, а выводы выхода 16, 17 для подключения регулируемого напряжения выходят из корпуса 1.
Активный токовый ограничитель 5 содержит аналого-импульсный преобразователь, коммутирующий цепь элемента связи 8 на внешние выводы 2, 4 для подключения входного напряжения, пороговый элемент, включающий датчик тока через элемент связи 8 и управляющий работой аналого-импульсного преобразователя (на фиг.1 не показаны).
В качестве элемента связи 8 используют фотогальванический оптрон, электромагнитный или пьезоэлектрический трансформатор.
Пример схемного решения преобразователя формы сигнала управления 11 приведен на фиг.2.
Преобразователь формы сигнала управления содержит выводы входа 9 и 10 для подключения к выходу элемента связи 8 (на фиг.2 не показан), диод 18 (он же первый дополнительный пороговый элемент), подключенный одним выводом к выводу 9, конденсатор 19 (задающий постоянную времени интегрирующей цепи), подключенный одним выводом ко второму выводу диода 18, другим выводом к выводу 10. Параллельно конденсатору 19 подключены выводы входа амплитудного детектора 20 (содержит в своем составе второй дополнительный пороговый элемент). К точке соединения диода 18, конденсатора 19 и первого вывода входа амплитудного детектора 20 установлен первый вывод токоограничивающего каскада 21. Второй вывод токоограничивающего каскада 21 подключен к точке соединения цепи управления полупроводникового ключа 15 и первого коммутирующего вывода дополнительного полупроводникового ключа 22. Выход амплитудного детектора 20 подключен к управляющему входу дополнительного полупроводникового ключа 22. Второй коммутирующий вывод дополнительного полупроводникового ключа 22 подключен ко второму коммутирующему выводу полупроводникового ключа 15 и к точке соединения вывода 10, конденсатора 19 и ко второму выводу входа амплитудного детектора 20.
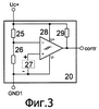
На фиг.1 и фиг.2 пунктирной линией показан вариант связей для дополнительного управления полупроводниковым ключом 15 со стороны вывода 16 с помощью второго дополнительного полупроводникового ключа 23, включенного параллельно первому дополнительному полупроводниковому ключу 22. Второй дополнительный полупроводниковый ключ 23 управляется через дополнительный токоограничивающий каскад 24, который соединяет управляющий вывод второго дополнительного ключа 23 с помощью шины 14 с выводом 16. На фиг.3 показан пример схемного решения амплитудного детектора 20. Амплитудный детектор 20 содержит вывод для подключения к входному напряжению, снимаемому с катода диода 18 (на фиг.3 не показан), к которому подключены верхний вывод делителя напряжения, образованного последовательно включенными резисторами 25 и 26. Нижний вывод делителя напряжения соединен с общим проводом, к которому подключен минус источника опорного напряжения 27 и вывод отрицательного входа напряжения питания компаратора 28. Выводы положительного напряжения питания компаратора 28 и резистора 29 также соединены с верхним выводом делителя напряжения 25, 26. Общая точка резисторов 25 и 26 подключена к инверсному входу компаратора 28, положительный вывод источника опорного напряжения 27 подключен к прямому входу компаратора 28. Точка соединения нижнего вывода резистора 29 и выхода компаратора 28 подключена к управляющему входу дополнительного полупроводникового ключа 22 (на фиг.3 не показан).
Полупроводниковое устройство работает следующим образом.
При подаче напряжения питания на выводы 2, 4 и сигнала логического управления на вывод 3 во входной цепи элемента связи на шинах 6, 7 формируются импульсы тока i1, амплитуда импульсов тока сравнивается с пороговым уровнем iогр. При этом с помощью активного токового ограничителя 5 реализуется безинерционный алгоритм, когда выключение тока через элемент связи 8 происходит при достижении контролируемого тока i1 предельного верхнего уровня. Задержка переключения обусловлена конечным временем срабатывания узла контроля пикового тока или других элементов активного токового ограничителя 5. Уровень тока iогр определяется характеристиками датчика тока и узла контроля пикового тока. Скважность импульсов тока через элемент связи 8 зависит от плавающей частоты переключений генератора аналого-импульсного преобразователя, входящего в состав активного токового ограничителя 5. Активный токовый ограничитель 5 обеспечивает упрощение конструкции элемента связи 8 и его работу с низким потреблением тока при широком диапазоне изменения напряжения на выводах 2 и 4 и изменении характеристик самого элемента связи 8. При этом на выходе элемента связи на выводах 9, 10 формируется напряжение с изменяющейся частотой, фазой и длительностью.
Дополнительный вывод логического управления 3 используют для управления в системах с удаленным доступом к управляющему блоку и для повышения быстродействия полупроводникового устройства. При прямом запуске при подаче напряжения на выводы 2, 4 требуется некоторое время на заряд внутренних конденсаторов активного токового ограничителя 5, так как электропитание активного токового ограничителя обеспечивается через те же выводы 2, 4. Для уменьшения времени включения полупроводникового ключа 15 со стороны выводов 2, 4 используют повышенное напряжение между ними. Выводы 2 и 4 нескольких полупроводниковых устройств соединяют параллельно. Для последовательного соединения входов их шунтируют стабилитронами, ограничивающими напряжение между выводами 2 и 4.
Элемент связи 8 работает на основе известных эффектов, обеспечивающих передачу электрической энергии через изоляционный барьер, например на основе фотогальванического, электромагнитного или пьезоэлектрического эффекта.
Преобразователь формы сигнала управления 11 (см. фиг.2 и фиг.3) обеспечивает выделение составляющей управляющего сигнала одного направления из снимаемого с выводов 9,10 напряжения, имеющего изменяющиеся характеристики частоты, длительности и формирование оптимальной формы сигнала управления полупроводникового ключа. При этом обеспечивается частотная и/или амплитудная фильтрация сигнала, формируемого в выходной секции. Например, при низком потенциале со стороны выводов 9, 10 или импульсной помехе, наведенной на выводах 12, 13, обеспечивается принудительное формирование потенциала, близкого к нулевому значению, на выводах 12, 13 посредством дополнительного полупроводникового ключа 22, управляемого блоком 20, что увеличивает помехоустойчивость полупроводникового устройства при отсутствии сигнала управления и улучшает динамические характеристики полупроводникового устройства. Интегрирующий узел преобразователя формы сигнала управления, выполненный на конденсаторе 19, обеспечивает выделение постоянной составляющей потенциала, снимаемого с выводов 9, 10, и подавляет короткие импульсы всплесков напряжения.
Преобразователь формы сигнала управления обеспечивает дополнительную возможность управления полупроводниковым устройством 1 с вывода 16 за счет дополнительной шины 14. При превышении на закрытом полупроводниковом ключе 15 предельного уровня напряжения на выводе 16 относительно вывода 17, определяемого дополнительным токоограничивающим каскадом 24 и дополнительным полупроводниковым ключом 23 (см. фиг.2), включается дополнительный полупроводниковый ключ 23 и исключает возможность управления полупроводниковым ключом 15. Таким образом, исключается возможность включения полупроводникового ключа 15 при превышении некоторого предельного значения напряжения между выводами 16 и 17.
Электропитание преобразователя формы сигнала управления 11 и управление его работой обеспечивается непосредственно с выходной секции элемента связи с выводов 9 и 10. Форма сигнала на выводах управления 12 и 13 задается параметрами преобразователя формы сигнала управления 11, например, емкостью 19, делителем напряжения 25, 26 и напряжением источника опорного напряжения 27. Управление полупроводниковым ключом 15 обеспечивают, независимо от типа элемента связи, как импульсными, так и непрерывными сигналами большой длительности, вплоть до непрерывного сигнала. Применение преобразователя формы сигнала управления 11 с независимым от напряжения на внешних выводах 16, 17 электропитанием позволяет получить высокий уровень помехозащищенности как при включенном, так и выключенном состоянии полупроводникового ключа 15. Расширены функциональные возможности полупроводникового устройства: резко снижена чувствительность параметров управления к воздействию температуры; снижена потребляемая мощность по цепи управления; улучшены показатели надежности.
Элементы полупроводникового устройства целесообразно изготавливать в виде однокристальных узлов.
Изготовлены различные варианты макетов полупроводникового устройства. Изготовлен электронный аналог оптотранзистора и исследованы его характеристики: входной ток не более 20 мА, входное напряжение от 5 до 30 В, при напряжении от 5 до 15 В, частота генератора активного токового ограничителя от 200 до 300 кГц. Время задержки включения при входном напряжении 12 В не более 1 мкс, время нарастания тока не более 0.5 мкс, проходная емкость менее 5 пФ, критическая скорость нарастания напряжения в закрытом состоянии выходных полупроводниковых ключей более 1000 В/мкс.
Предлагаемое изобретение по сравнению с прототипом и другими известными техническими решениями позволяет обеспечить построение различных полупроводниковых устройств с улучшенными показателями надежности по цепи управления, расширить функциональные возможности полупроводникового устройства, снизить требования к элементу связи.
Формула изобретения
1. Полупроводниковое устройство, содержащее внешние выводы для подачи сигнала управления, относящиеся к входной секции, соединенные с входом, по крайней мере, одного активного токового ограничителя, содержащего аналого-импульсный преобразователь и, по крайней мере, один пороговый элемент, выходная цепь активного токового ограничителя подключена к входу элемента связи, образующего изоляционный барьер между входными и выходными секциями, цепь управления полупроводникового ключа, соединенного с внешними выводами для подключения регулируемого напряжения выходной секции, отличающееся тем, что оно снабжено как минимум одним преобразователем формы сигнала управления, содержащим, по крайней мере, один дополнительный пороговый элемент, дополнительный полупроводниковый ключ и, по крайней мере, одну интегрирующую цепь, входная цепь преобразователя формы сигнала управления подключена к выходу элемента связи, а выходная цепь преобразователя формы сигнала управления подключена к цепи управления полупроводникового ключа.
2. Полупроводниковое устройство по п.1, отличающееся тем, что в преобразователь формы сигнала управления введен дополнительный вывод, соединенный с одним из внешних выводов для подключения регулируемого напряжения выходной секции.
РИСУНКИ
|
|