|
|
(21), (22) Заявка: 2004104418/09, 03.02.2004
(24) Дата начала отсчета срока действия патента:
03.02.2004
(43) Дата публикации заявки: 10.07.2005
(45) Опубликовано: 20.03.2006
(56) Список документов, цитированных в отчете о поиске:
RU 2010335 C1, 30.03.1994. RU 2018967 C1, 30.08.1994. US 4529970 A, 16.07.1985. RU 2209468 C2, 27.07.2003.
Адрес для переписки:
440060, г.Пенза, пр. Победы, 75, ОАО “ПКТБА”
|
(72) Автор(ы):
Харитонов Пётр Тихонович (RU)
(73) Патентообладатель(и):
Открытое акционерное общество “Пензенское конструкторско-технологическое бюро арматуростроения” (RU)
|
(54) УСТРОЙСТВО ДЛЯ ОХРАНЫ
(57) Реферат:
Изобретение относится к техническими средствам охраны и может быть использовано для тревожной сигнализации о проникновении нарушителя в контролируемую периметровую зону, ограниченную шлейфом из двух проводников малого сечения, и обеспечивает звуковую сигнализацию о нарушении и индикацию участка периметра, на котором произошло нарушение. Технический результат – обеспечение возможности определения места нарушения шлейфа с различением обрыва сигнального провода и короткого замыкания шлейфа. Для достижения цели шлейф поделен на п-участков обнаружения нарушения, в устройство введены стабилизатор тока, дополнительные резисторно-диодные двухполюсники по числу участков обнаружения нарушения, причем в каждом двухполюснике резистор включается последовательно в шлейф, а диодный элемент выполнен нелинейным (в виде стабилитрона) со значением напряжения стабилизации, ступенчато убывающим по мере удаления участка шлейфа от стабилизатора тока. 3 з.п. ф-лы, 2 ил., 1 табл. 
Предлагаемое изобретение относится к техническим средствам охраны, к электромеханическим устройствам для тревожной сигнализации. Устройство может быть использовано для тревожной сигнализации о проникновении нарушителя в контролируемую периметровую зону, ограниченную шлейфом из двух проводников малого сечения, и обеспечивает звуковую сигнализацию о нарушении и индикацию участка периметра, на которой произошло нарушение.
Известна система тревожной сигнализации [1], содержащая двухпроводную линию связи, обеспечивающая обнаружение проникновения в контролируемое пространство с индикацией номера участка, где произошло нарушение. Недостатками известного решения являются высокие сложность и стоимость системы, что ограничивает возможность ее применения особенно при необходимости оперативного развертывания и свертывания периметрового оборудования. Наиболее близким техническим решением является известное устройство для охраны [2], содержащее шлейф из двух сигнальных проводов, разрываемый при воздействии нарушителя, электрическая цепь которого контролируется с помощью источника питания. Прототип содержит также резистивный и емкостной элементы, ограничитель напряжения, пороговой блок, выходом подключенный к блоку сигнализации.
Обладая высокой помехоустойчивостью к кратковременным электромагнитным наводкам на сигнальном проводе, прототип не позволяет определить место нарушения шлейфа и различать обрыв и намеренное перемыкание шлейфа в месте нарушения.
Целью изобретения является определение места нарушения шлейфа с различением обрыва сигнального провода и короткого замыкания шлейфа.
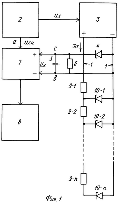
Для достижения цели шлейф из двух сигнальных проводов разделен на участки, в каждый участок шлейфа введен и включен параллельно сигнальным проводом нелинейный диодный элемент (стабилитрон) и последовательно включенный в сигнальный провод резистор (резисторы), также в устройство введен источник тока питания шлейфа. Структура устройства приведена на Фиг.1, вариант резистивного элемента и блока сигнализации для шлейфа, разделенного на 5 участков изображен на Фиг.2.
Устройство содержит сигнальный шлейф 1, источник опорного напряжения 2, стабилизатор тока 3, ограничитель напряжения 4, емкостный 5 и резистивный 6 элементы, пороговый блок 7 и блок индикации 8, а также дополнительные резисторы 9-1…9-п и диодные нелинейные элементы (стабилитроны) 10-1…10-п. Шлейф 1 подключен к выходу стабилизатора тока 3 параллельно с ограничителем 4 напряжения и емкостным 5 и резистивным 6 элементами и первым входом с порогового блока 7.
На второй вход блока 7 подается опорное напряжение с источника 2.
В дежурном режиме на выходе стабилизатора тока 3 поддерживается номинальное значение напряжения Uкн=Jст-R9+U10-п,
где Jст – выходной ток стабилизатора 3,
R9 – суммарное сопротивление сигнального шлейфа с учетом резисторов 9,
U10-п – напряжение пробоя (стабилизации) элемента 10-п.
Например, при числе участков шлейфа п=5, Jст=10-2 A, R9=200×5=1000 ом, U10-5=3,3 В
Имеем: Uкн=10-2 А·1000 Ом + 3,5 В=13,3 В,
В таблице 1 приведены значения напряжения Uк для различных вариантов нарушения по участкам шлейфа. Контролируя напряжение Uк на входе С с помощью порогового блока 7, устройство позволяет определить характер нарушения (обрыв или преднамеренное перемыкание шлейфа) и участок шлейфа, где произошло нарушение.
| Таблица 1 |
| Режим |
Напряжение Uк, В. |
| Участок |
12345 |
| Напряжение пробоя |
1 |
14 |
10 |
6.8 |
3,3 |
| стабил. В |
8 |
|
|
|
|
| Дежурный |
1 |
13,3 |
13,3 |
13,3 |
13, |
| |
3,3 |
|
|
|
3 |
| Обрыв |
2 |
20 |
18 |
16 |
14, |
| |
4 |
|
|
|
8 |
| Короткое |
0 |
2 |
4 |
6 |
8 |
| Пороговые напряжения И к перехода соответствующего разряда схемы сравнения в режиме формирования тревоги. |
| Обрыв |
2 |
19 |
17 |
15 |
14, |
| |
2 |
|
|
|
3 |
| Кор.замык. |
1 |
3 |
5 |
7 |
10 |
Резистивный элемент 6 (см. Фиг.2) может быть выполнен в виде цепочки резисторов R3…R13, а пороговый блок в виде 2п разрядного компаратора 12 аналоговых напряжений с опорным напряжением Uоп, поделенным введенным в пороговый блок делителем 11 из резисторов R1 и R2.
В этом случае блок индикации 8 состоит из 2п разрядной линейки элементов световой индикации 13, 2п разрядной схемы ИЛИ 14, генератора 15 звукового сигнала с излучателем 16.
В состав линейки 13 входят элементы индикации короткого замыкания сигнального шлейфа 17…21 и элементы 22…26 индикации обрыва сигнального шлейфа.
Коэффициенты деления по каждой ступени цепочки R3…R13 выбирают по условию:
где Uк – соответствующее напряжение из табл.1, а В приведенном примере при Uоп=5 В, Кр=10, имеем:
KD1=2; KD2=6; КD3=10; KD4=14; KD5=20; КD6=28,6; КD7=30; КD8=34; КD9=38; КD10=44.
Число участков в устройстве может быть выбрано от 2 до 32 и более.
Сравнение заявляемого технического решения с другими техническими решениями в данной области подтверждают его принципиальную новизну. Например, известная система тревожной сигнализации [1] позволяет определять номер участка поврежденной 2-проводной линии связи и характер повреждения (обрыв, перемыкание). Однако при наличии общих с предлагаемым устройством элементов (источник тока, схема сравнения, источник опорного напряжения, блок индикации) это решение обладает сложной аппаратной реализацией и, как следствие, более высокой стоимостью и меньшей надежностью. Предложенное устройство имеет иные связи между известными элементами, в него введены новые элементы, обеспечивающие достижение цели изобретения при максимальной простоте предложенного устройства.
Источники информации
1. Патент России №2018967, кл. G 08 В 25/08. Бюл №16, 1994 г. Система тревожной сигнализации.
2. Патент России №2010335, кл. G 08 В 13/12. Бюл. №6, 1994 г. Устройство для охраны.
Формула изобретения
1. Устройство для охраны, содержащее шлейф из двух сигнальных проводов, источник опорного напряжения, параллельно включенные резисторный и емкостный элементы, блок индикации, резистивно-диодный двухполюсник, отличающееся тем, что шлейф поделен на п-участков обнаружения нарушения, в устройство введены стабилизатор тока, дополнительные резисторно-диодные двухполюсники по числу участков обнаружения нарушения, причем в каждом двухполюснике резистор включен последовательно в шлейф, а диодный элемент выполнен нелинейным (в виде стабилитрона), включен параллельно сигнальным проводам и выбран со значением напряжения стабилизации, ступенчато убывающим по мере удаления участка шлейфа от стабилизатора тока, который выходом подключен ко входу шлейфа, к параллельно включенным резистивному и емкостному элементам и к первому входу порогового блока, второй вход которого подключен к выходу источника опорного напряжения, а выход – к блоку индикации.
2. Устройство по п.1, отличающееся тем, что пороговый блок выполнен в виде 2 п-разрядного компаратора, а блок индикации состоит из 2 п-разрядной линейки элементов световой индикации, 2 п-разрядной схемы ИЛИ и генератора звукового сигнала с излучателем, резисторный элемент выполнен в виде последовательной цепи резисторов, выводы которых подключены к первым входам 2 п-разрядного компаратора, ко второму входу 2 п-разрядного компаратора подключен через делитель напряжения выход источника опорного напряжения, к выходам упомянутого компаратора подключены входы упомянутой 2 п-разрядной схемы ИЛИ и входы 2 п-разрядной линейки элементов световой индикации, а к выходу упомянутой схемы ИЛИ подключен генератор звукового сигнала с излучателем.
3. Устройство по п.1, отличающееся тем, что коэффициент деления напряжения по каждому выходу резисторного элемента, выполненного в виде последовательной цепочки резисторов, выбирают по условию:

где Uk – контролируемое пороговое напряжение на входе шлейфа сигнальных проводов;
Коп – коэффициент деления опорного напряжения;
Еоп – значение опорного напряжения на втором входе 2 п-разрядного компаратора.
4. Устройство по п.1, отличающееся тем, что напряжение пробоя (стабилизации) нелинейного диодного элемента (стабилитрона) i-го двухполюсника выбирают по условию:
Uст.i=Uст(i+1)+(1,1÷2,4)Jст·R,
где Uст(i+1) – напряжение пробоя стабилитрона соседнего более удаленного двухполюсника;
Jст – выходной ток стабилизатора тока;
R – сопротивление резистора двухполюсника.
РИСУНКИ
MM4A – Досрочное прекращение действия патента СССР или патента Российской Федерации на изобретение из-за неуплаты в установленный срок пошлины за поддержание патента в силе
Дата прекращения действия патента: 04.02.2008
Извещение опубликовано: 20.11.2009 БИ: 32/2009
|
|