|
|
(21), (22) Заявка: 2004132090/28, 04.11.2004
(24) Дата начала отсчета срока действия патента:
04.11.2004
(45) Опубликовано: 20.03.2006
(56) Список документов, цитированных в отчете о поиске:
US 6407540 В1, 18.06.2002. RU 226741 С2, 10.04.2004. RU 2150120 С1, 09.11.1999.
Адрес для переписки:
109074, Москва, Китайгородский пр-д, 9/5, Военная академия Ракетных войск стратегического назначения им. Петра Великого
|
(72) Автор(ы):
Омельченко Борис Валентинович (RU), Николаев Алексей Владимирович (RU), Васильев Владимир Алексеевич (RU), Аксенов Станислав Сергеевич (RU)
(73) Патентообладатель(и):
Военная академия Ракетных войск стратегического назначения им. Петра Великого (RU)
|
(54) ИНДИКАТОР ПОЛЯ – ЧАСТОТОМЕР СВЧ ДИАПАЗОНА
(57) Реферат:
Устройство относится к области радиотехники и может быть использовано для обнаружения излучений маломощных радиопередающих устройств СВЧ диапазона. Устройство содержит отрезок коаксиальной линии, коммутирующее устройство, операционный усилитель, цепь отрицательной обратной связи, два диода Шотки, устройство управления, анализирующее устройство и индикатор. Коммутирующее устройство соединяет между собой вход и выход коаксиальной линии. Диоды Шотки включены последовательно друг с другом. Анод первого диода подключен к инвертирующему входу операционного усилителя. Катод второго диода заземлен. Выход коаксиальной линии подсоединен к общей точке соединения диодов. Работа устройства основана на определении величины затухания входного сигнала в коаксиальной линии, которое зависит от частоты сигнала. Таким образом, устройство позволяет определять частоту сигналов СВЧ диапазона. 1 ил. 
Изобретение относится к радиотехнике и может быть использовано для измерения обнаруженных излучений маломощных радиопередающих устройств СВЧ диапазона.
Известны измерители частоты – частотомеры, принцип действия которых основан на измерении реактивного сопротивления, меняющегося монотонно и однозначно с изменением частоты [4, 5]. Наиболее распространенными элементами с такой частотной зависимостью являются катушка индуктивности, электрический конденсатор и их композицию – последовательный или параллельный колебательный контур [2, 3].
Основными недостатками данных устройств являются их сложность и невозможность их работы в СВЧ диапазоне.
Наиболее близким по технической сущности и достигаемому положительному эффекту к заявляемому изобретению является преобразователь тока в напряжение, описанный в [1]. Преобразователь тока в напряжение содержит операционный усилитель, цепь отрицательной обратной связи и два диода Шотки.
При этом анод первого диода соединен с инвертирующим входом операционного усилителя, неинвертирующий вход которого через резистор подключен к земляной шине, к которой также подсоединен катод второго диода, а выход операционного усилителя через цепь отрицательной обратной связи соединен с его инвертирующим входом, причем точка соединения катода первого диода с анодом второго диода является входом данного устройства, а выход операционного усилителя – его выходом.
Недостатком указанного устройства является отсутствие возможности измерения частоты обнаруженного сигнала.
Требуемый технический результат изобретения заключается в создании частотомера, работающего в области сверхвысоких частот, обладающего простой конструкцией и широким диапазоном измеряемых частот.
Требуемый технический результат достигается тем, что в устройство, состоящее из операционного усилителя, цепи отрицательной обратной связи и двух диодов Шотки, причем анод первого диода соединен с инвертирующим входом операционного усилителя, неинвертирующий вход которого через резистор подключен к земляной шине, к которой также подсоединен катод второго диода, а выход операционного усилителя через цепь отрицательной обратной связи соединен с его инвертирующим входом, дополнительно введены отрезок коаксиальной линии, коммутирующее устройство, устройство управления, анализирующее устройство и индикатор, при этом вход коаксиальной линии соединен со входом коммутирующего устройства их выходы соединены между собой и с точкой соединения катода первого диода с анодом второго диода, выход операционного усилителя соединен со входом анализирующего устройства, выход которого соединен со входом индикатора, а выходы устройства управления соединены с управляющими входами коммутирующего и анализирующего устройств.
Заявляемое техническое решение отличается от прототипа наличием новых блоков: отрезка коаксиальной линии, коммутирующего устройства, устройства управления, анализирующего устройства и индикатора, и их связями с остальными элементами схемы. Эти отличия позволяют сделать вывод о соответствии заявляемого решения критерию “новизна”.
Требуемый результат достигается всей вновь введенной совокупностью существенных признаков, которые в известной патентной и научной литературе не обнаружены на дату подачи заявки. Следовательно, техническое решение соответствует “изобретательскому уровню”.
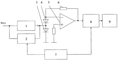
На чертеже представлена структурная схема индикатора поля – частотомера СВЧ диапазона.
Индикатор поля – частотомер СВЧ диапазона содержит отрезок коаксиальной линии 1, коммутирующее устройство 2, операционный усилитель 5, цепь отрицательной обратной связи 6, два диода Шотки 3 и 4, устройство управления 7, анализирующее устройство 8 и индикатор 9.
При этом вход коаксиальной линии 1 соединен со входом коммутирующего устройства 2, их выходы соединены между собой и с точкой соединения катода первого диода 4 с анодом второго диода 3, инвертирующий вход операционного усилителя 5 соединен с анодом первого диода 4 и через цепь обратной связи 6 со своим выходом, неинвертирующий вход операционного усилителя 5 через резистор подключен к земляной шине, к которой также подсоединен катод второго диода 3, выход операционного усилителя 5 соединен с входом анализирующего устройства 8, выход которого соединен со входом индикатора 9, а выходы устройства управления 7 соединены с управляющими входами коммутирующего 2 и анализирующего 8 устройств, причем точка соединения входа коаксиальной линии 1 с коммутирующим устройством 2 является входом всего устройства.
Индикатор поля – частотомер СВЧ диапазона работает следующим образом.
В исходном состоянии на выходах устройства управления 7 отсутствует сигнал управления, при этом коммутирующее устройство 2 соединяет между собой вход и выход коаксиальной линии 1, тем самым подсоединяя вход устройства к точке соединения катода первого диода 4 с анодом второго диода 3. При подаче на вход устройства сигнала высокой частоты через диоды 3 и 4 начнет протекать ток, величина которого будет определять напряжение на выходе операционного усилителя 5. Сила тока через диоды будет зависеть от амплитуды входного напряжения. По команде устройства управления 7 анализирующее устройство 8 запоминает значение напряжения на выходе операционного усилителя 5, а коммутирующее устройство 2 размыкает выводы коаксиальной линии 1, тем самым подсоединяя вход устройства к точке соединения катода первого диода 4 с анодом второго диода 3 через отрезок коаксиальной линии 1. Напряжение на выходе коаксиальной линии 1 будет отличаться от напряжения на входе на величину затухания в линии, зависящего от частоты сигнала. Анализирующее устройство 8 запоминает второе значение напряжения на выходе операционного усилителя 5. По известным зависимостям затухания сигнала в отрезке коаксиальной линии от частоты сигнала [2, 3] анализирующее устройство 8 рассчитывает значение частоты сигнала на входе устройства и высвечивает его на индикаторе 9.
Таким образом, предложенный индикатор поля – частотомер СВЧ диапазона в сравнении с прототипом позволяет измерять частоту сигналов СВЧ диапазона.
ИСТОЧНИКИ ИНФОРМАЦИИ
1. Николаев А.В., Омельченко Б.В., Асеев А.О. Преобразователь тока в напряжение. Патент на изобретение № 2226741.
2. Антенны и устройства СВЧ. Под редакцией профессора Д.И.Воскресенского. – М.: Советское радио, 1972. – С.33-35.
3. Гасанов Л.Г. и др. Твердотельные устройства СВЧ в технике связи. – М.: Радио и связь. 1988. – С.38, 39.
4. Хоровиц П., Хилл У. Искусство схемотехники. – М.: Мир, 1983. – С.165.
5. The Radio Amateur’s Handbook. Published by The American Radio Relay League. Newington, Conn., USA, 1968. – P.557-559.
Формула изобретения
Индикатор поля – частотомер СВЧ диапазона, состоящий из операционного усилителя, цепи отрицательной обратной связи и двух диодов Шотки, причем анод первого диода соединен с инвертирующим входом операционного усилителя, неинвертирующий вход которого через резистор подключен к земляной шине, к которой также подсоединен катод второго диода, а выход операционного усилителя через цепь отрицательной обратной связи соединен с его инвертирующим входом, отличающийся тем, что в него дополнительно введены отрезок коаксиальной линии, коммутирующее устройство, устройство управления, анализирующее устройство и индикатор, при этом вход коаксиальной линии соединен с входом коммутирующего устройства, их выходы соединены между собой и с точкой соединения катода первого диода с анодом второго диода, выход операционного усилителя соединен со входом анализирующего устройства, выход которого соединен со входом индикатора, а выходы устройства управления соединены с управляющими входами коммутирующего и анализирующего устройств.
РИСУНКИ
|
|