|
|
(21), (22) Заявка: 2004105351/11, 24.02.2004
(24) Дата начала отсчета срока действия патента:
24.02.2004
(43) Дата публикации заявки: 10.08.2005
(45) Опубликовано: 20.03.2006
(56) Список документов, цитированных в отчете о поиске:
КОТЛЯРЕНКО Н.Ф. Путевая блокировка и авторегулировка. М.: Транспорт, 1983, с.37-38. RU 2025358 C1, 30.12.1994. RU 2051055 C1, 27.12.1995. SU 1222591 А, 07.04.1986. SU 1491761 A1, 07.07.1989.
Адрес для переписки:
443066, г.Самара, 1-й Безымянный пер., 18, СамГАПС, патентный отдел
|
(72) Автор(ы):
Полевой Юрий Иосифович (RU), Полевая Людмила Владимировна (RU), Трошина Марина Васильевна (RU)
(73) Патентообладатель(и):
Самарская государственная академия путей сообщения (СамГАПС) (RU)
|
(54) СПОСОБ КОНТРОЛЯ СВОБОДНОСТИ ПУТЕВЫХ УЧАСТКОВ
(57) Реферат:
Изобретение относится к железнодорожной автоматике и телемеханике и предназначено для использования при осуществлении интервального регулирования движения поездов. Путевой генератор и приемник поочередно подключают к каждой рельсовой линии перегона и регистрируют напряжение приемного и ток питающего концов каждой рельсовой линии. Занятие путевого участка фиксируют при превышении тока источника питания, подключенного на входном конце, над пороговым значением, которое соответствует току источника питания при наложении на этот конец нормативного шунта при сухом балласте. Освобождение фиксируют, когда напряжение приемного конца и ток питающего конца достигают соответствующих друг другу пороговых значений освобождения. Эти пороговые значения для каждого из сопротивлений балласта (0,02; 0,03; 0,04;… 100 Ом·км) определяют путем наложения шунта на расстоянии защитного участка (10-50 м) и измерения значения тока источника питания, включенного на выходном конце рельсовой линии, и напряжения на входе приемника, включенного на другом конце. Изобретение позволяет повысить надежность контроля состояния путевых участков и, как следствие, безопасность движения поездов. 3 ил. 
Изобретение относится к железнодорожной технике, а именно к железнодорожной автоматике и телемеханике, и может быть использовано для регулирования движения поездов.
Известен способ контроля свободности путевых участков, заключающийся в том, что определяют количество свободных путевых участков на перегоне и сумму значений напряжений на этих же участках, а затем находят среднее арифметическое значение напряжений. Текущее значение каждого из участков сравнивают со средним арифметическим значением. При существенном отличии текущего значения от среднего арифметического фиксируют занятость путевого участка, в противном случае – свободность [Патент РФ №2025358, МПК B 61 L 23/16. Способ контроля свободности путевых участков и устройство для его осуществления. Авторы: Полевой Ю.И., Стрельцов С.К., Мазалова И.В., Кравцова Н.А., БИ №24, 1994 г.].
Недостатком этого способа является то, что при наличии значительной продольной асимметрии возможен ложный контроль состояния путевых участков.
Известен способ контроля свободности путевых участков, заключающийся в том, что значение текущего напряжения на приемнике сравнивают с пороговыми значениями напряжений. Превышение текущего напряжения над пороговым значением фиксируют как свободность путевого участка, в противном случае – занятость [Котляренко Н.Ф. Путевая блокировка и авторегулировка. – М.: Транспорт, 1983 г.].
Данное техническое решение выбрано в качестве прототипа.
Недостатком этого способа является то, что при пониженном сопротивлении изоляции возможен ложный контроль состояния путевых участков.
Техническим результатом, на достижение которого направлено данное изобретение, является повышение надежности контроля состояния путевых участков.
Контроль свободного состояния рельсовой линии, заключающийся в том, что в рельсовую линию на одном конце подают сигнал переменного тока, а на другом конце текущее значение сигнала сравнивают с пороговыми значениями занятия и освобождения, в случае превышения порогового значения занятия над текущим фиксируют занятие участка, а в случае превышения текущего значения над пороговым значением освобождения фиксируют освобождение участка, путевой генератор и приемник поочередно подключают к каждой рельсовой линии перегона и зарегистрируют напряжение приемного и ток питающего конца каждой рельсовой линии, причем занятие путевого участка фиксируют при превышении тока источника питания, подключенного на входном конце, над пороговым значением, которое соответствует току источника питания при наложении на этот конец нормативного шунта при сухом балласте, а освобождение – при условии, что пороговое напряжение освобождения соответствует пороговому току освобождения, которые для каждого из сопротивлений балласта (0,02; 0,03; 0,04;…100 Ом·км) определяют путем наложения шунт на расстоянии защитного участка (10-50 м) и измерения значения тока источника питания, включенного на выходном конце рельсовой линии, и напряжения на входе приемника, включенного на другом конце.
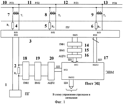
На фиг.1 приведена схема рельсовой цепи.
На фиг.2 приведены зависимости тока источника питания, включенного на входном конце путевого участка ПУ2 (левый на фиг.2), от координаты шунта при мокром (кривая 21) и сухом состоянии балласта (кривая 22).
На фиг.3 изображены зависимости тока источника питания включенного на выходном конце ПУ2 (правый) и напряжения на входе приемника, включенного на входном конце от координаты шунта, при мокром и сухом балласте. Кривые 23 и 24 представляют зависимости токов от координаты нормативного шунта соответственно при мокром и сухом балласте, а кривые 25 и 26 – зависимости напряжений также при мокром и сухом балласте.
Рельсовая цепь, реализующая предложенный способ, содержит путевой генератор ПГ 1, ограничивающий резистор 2, переключающее устройство 3, резисторы 4, 5 и 6, согласующие трансформаторы 7, 8 и 9, рельсовые линии 10, 11, 12 и 13, первый полосовой фильтр 14, первый выпрямительный мост 15, первый аналого-цифровой преобразователь (АЦП) 16, электронно-вычислительную машину (ЭВМ) 17, второй полосовой фильтр 18, второй выпрямительный мост 19 и второй АЦП 20.
Приборы рельсовой цепи (фиг.1) соединены следующим образом.
К выходу путевого генератора (ПГ) 1 через резистор (R0) 2 подсоединен первый вход (ВХ1) переключающего устройства 3, к линейным входам ВЛ1, ВЛ2 и ВЛЗ этого устройства через резисторы 4, 5 и 6 и трансформаторы 7, 8 и 9 подключены рельсовые линии 10, 11, 12 и 13. Ко второму входу переключающего устройство 3 подсоединен первый выход ЭВМ 17, а к выходу устройства 3 – через первый полосовой фильтр 14, первый выпрямительный мост 15 и первый АЦП 16 первый вход ЭВМ 17. Ко второму входу ЭВМ 17 подключены полюсы резистора 2 через второй полосовой фильтр 18, второй выпрямительный элемент 19 и второй АЦП 20. Ко второму выходу ЭВМ подключены приборы управления стрелками и сигналами на станции и перегоне.
Работа устройства происходит следующим образом.
Переключающее устройство 3 поочередно подключает к каждой рельсовой линии генератор 1 и ЭВМ 17. ЭВМ посредством первого выхода (ВЫХ1) регулирует процесс переключения рельсовых линий. Информация о напряжении приемного конца каждой рельсовой линии поступает через согласующие трансформаторы 7, 8, 9, резисторы 4, 5, 6, элементы 14, 15, 16 на первый вход ЭВМ (ВХ1). Информация о токе питающего конца поступает в виде значения падения напряжения на резисторе 2 через элементы 18, 19 и 20 на второй вход ЭВМ (ВХ2).
Алгоритм занятия путевого участка ПУЗ можно пояснить по фиг.2, Линии IM и IS соответствуют изменению тока источника питания, включенного на входном конце, при мокром и сухом балласте. На фиг.2 имеются следующие обозначения: Iml – кривая зависимости тока источника питания, включенного на левом (входном) конце (кривая 21), от координаты шунта при мокром балласте; Isl – кривая зависимости тока источника питания, включенного на левом (входном) конце (кривая 22), от координаты шунта при сухом балласте; CD – линия, указывающая на место подключения приборов рельсовой цепи (граница рельсовых линий); АВ -линия, указывающая границу дополнотельного шунтирования при мокром балласте, Dsz – протяженность зоны дополнительного шунтирования при мокром балласте; Isz – точка, соответствующая фиксациии занятия при сухом балласте; Imz – точка, соответствующая фиксациии занятия при мокром балласте. При перемещении нормативного шунта возрастает ток и достигает максимума. При сухом балласте ток достигает значения, обозначенного точкой Isz, где и фиксируется занятие участка. При мокром балласте занятие участка фиксируется на расстоянии Dsz от места подключения приборов рельсовой цепи (точка Imz).
Алгоритм освобождения участка ПУ2 поясняется на фиг.2, где Imp – кривая зависимости тока источника питания, включенного на выходном конце рельсовой цепи, от координаты нормативного шунта при мокром балласте (кривая 23), Isp – кривая зависимости тока источника питания, включенного на выходном конце рельсовой цепи, от координаты нормативного шунта при сухом балласте (кривая 24), Um – кривая зависимости напряжения на входе приемника, включенного на входном конце рельсовой цепи, от координаты нормативного шунта при мокром балласте (кривая 25), Us – кривая зависимости тока источника питания, включенного на выходном конце рельсовой цепи, от координаты нормативного шунта при сухом балласте (кривая 26). Линия EF указывает на место подключения приборов рельсовой цепи на выходном конце, линия MN указывает на конец защитной зоны, которая, в отличие от аналогичного термина, применяемого при пояснении работы автоблокировки, указывает на зону дополнительного шунтирования при уходе поезда. Защитная зона характеризует степень достоверности работы рельсовой цепи в условиях влияния помех и других возмущений (отрезок Dso). При перемещении шунта в точку путевого участка ПУЗ, которая соответствует линии MN, ток источника питания, включенного на выходном конце, должен соответствовать напряжению приемника, включенного на входном конце при каждом из состояний балласта (0,01; 0,02; 0,03;…100 Ом·км). Если такое соответствие выполняется (току Imo соответствует напряжение Umo, току Iso соответствует напряжение Uso), то фиксируют освобождение участка ПУЗ.
Предложенный способ позволяет существенно повысить надежность контроля свободности путевых участков, а значит, и безопасность движения поездов.
Формула изобретения
Способ контроля состояния путевых участков, заключающийся в том, что в рельсовую линию на одном конце подают сигнал переменного тока, а на другом конце его принимают, при этом зарегистрированные текущие значения сигналов сравнивают с пороговыми значениями занятия и освобождения, отличающийся тем, что путевой генератор и приемник поочередно подключают к каждой рельсовой линии перегона и регистрируют напряжение приемного и ток питающего концов каждой рельсовой линии, при этом занятие путевого участка фиксируют при превышении тока источника питания, подключенного на входном конце, над пороговым значением, которое соответствует току источника питания при наложении на этот конец нормативного шунта при сухом балласте, а освобождение фиксируют когда напряжение приемного конца и ток питающего конца достигают соответствующих друг другу пороговых значений освобождения, которые для каждого из сопротивлений балласта (0,02; 0,03; 0,04;… 100 Ом·км) определяют путем наложения шунта на расстоянии защитного участка (10-50 м) и измерения значения тока источника питания, включенного на выходном конце рельсовой линии, и напряжения на входе приемника, включенного на другом конце.
РИСУНКИ
MM4A – Досрочное прекращение действия патента СССР или патента Российской Федерации на изобретение из-за неуплаты в установленный срок пошлины за поддержание патента в силе
Дата прекращения действия патента: 25.02.2007
Извещение опубликовано: 20.06.2008 БИ: 17/2008
|
|