|
|
(21), (22) Заявка: 2004121382/11, 12.07.2004
(24) Дата начала отсчета срока действия патента:
12.07.2004
(45) Опубликовано: 20.03.2006
(56) Список документов, цитированных в отчете о поиске:
SU 1773780 A1, 07.11.1992. SU 1676897 A1, 15.09.1991. RU 2106993 C1, 20.03.1998. DE 3235733 A1, 29.03.1984.
Адрес для переписки:
443066, г.Самара, 1-й Безымянный пер., 18, СамГАПС, патентный отдел
|
(72) Автор(ы):
Полевой Юрий Иосифович (RU), Полевая Людмила Владимировна (RU), Хохлов Анатолий Филлипович (RU), Смышляев Валерий Анатольевич (RU), Трошина Марина Васильевна (RU), Суржикова Ирина Игоревна (RU)
(73) Патентообладатель(и):
Самарская государственная академия путей сообщения (СамГАПС) (RU)
|
(54) СПОСОБ КОНТРОЛЯ ПРОСЛЕДОВАНИЯ ПОЕЗДА В ПОЛНОМ СОСТАВЕ
(57) Реферат:
Изобретение относится к железнодорожной автоматике и телемеханике и предназначено для использования при осуществлении регулирования движения поездов. На станции отправления задают длину поезда, а при выходе локомотива с рельсовой цепи начинают на нем отсчитывать пройденный путь. При достижении равенства пройденного пути заданной длине поезда локомотивными устройствами формируют радиоимпульс. Сигнал о прибытии поезда в полном составе формируют напольными устройствами и передают на станцию отправления при совпадении по времени принятого радиоимпульса с моментом ухода хвоста поезда с рельсовой цепи. Изобретение позволяет повысить достоверность контроля проследования поезда в полном составе. 1 ил. 
Изобретение относится к железнодорожной технике, а именно к железнодорожной автоматике и телемеханике, и может быть использовано для регулирования движения поездов.
Известен способ контроля прибытия поезда в полном составе [Котляренко Н.Ф. Путевая блокировка и авторегулировка. – М.: Транспорт, 1983 г., стр.241-246], работа которого основана на том, что при прохождении контрольной точки пути индуктор, установленный на последнем вагоне состава, передает сигнал “Прибытие” приборам, установленным на пути.
Недостатком способа является то, что необходимо подвешивать на хвостовой вагон специальный прибор.
Известен способ контроля проследования перегона, реализованный в устройстве [А.с. СССР №1773780, МПК B 61 L 23/16. Устройство контроля освобождения перегона. Авторы: Полевой Ю.И., Азизов А.Р., Кравцова Н.А. БИ №24, 1994 г.], работа которого заключается в том, что отсчитывают импульсы от датчика пути (осевой датчик пути и скорости), при отправлении со станции отправления импульсы в счетчике суммируют, а при приеме на станции приема – вычитают, при обнулении счетчика выдается сигнал на путевые устройства о прибытии поезда в полном составе.
Недостатком этого способа является низкая достоверность за счет неправильного счета при отправлении или приеме контроля проследования поезда в полном составе.
Техническим результатом, на достижение которого направлено данное изобретение, является повышение достоверности контроля проследования перегона (блок-участка) поездом в полном составе.
Технический результат достигается тем, способ контроля проследования поезда в полном составе заключается в том, что на локомотиве по сигналу с рельсовой цепи начинают отсчитывать проходимый путь, а окончание отсчета пройденного пути завершают после равенства пройденного пути длине поезда, затем посылают радиоимпульс, который по времени должен совпасть с моментом освобождения рельсовой цепи.
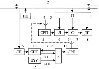
На чертеже приведена схема устройства, которая поясняет действие способа.
Она содержит напольные и локомотивные устройства. Напольные устройства состоят из источника питания 1, рельсовой цепи 2 (РЦ), приемника 3 (путевое реле), антенны 4, стационарного радиоприемника 5, локомотивного реле 6, реле соответствия 7, узла дачи прибытия 8.
Локомотивные устройства состоят из локомотивного приемника сигнала рельсовой цепи 9, счетчика пройденного пути 10, компаратора 11, постоянного запоминающего устройства 12 и локомотивного передатчика радиоимпульса 13 с антенной 14.
Работа напольных устройств осуществляется следующим образом. При вступлении локомотива на рельсовую цепь обесточивается путевое реле 3, которое обесточивает локомотивное реле 6. При этом одноименное состояние путевого 3 и локомотивного реле 6 (оба без тока) сохраняет цепь питания реле соответствия 7. Это реле находится под током только при одинаковом состоянии путевого 3 и локомотивного реле 6 (оба под током или оба без тока). При уходе хвоста поезда с РЦ 2 путевое реле 3 возбуждается и в этот же момент, если поезд следует в полном составе, стационарный радиоприемник 5 принимает с локомотива радиосигнал и возбуждает локомотивное реле 6. Одновременное переключение (переключение с разбросом, не превышающим 5 с) контактов реле 3 и 6 сохраняет цепь (цепь самоблокировки) реле 7. В момент возбуждения реле 3 при удержании якоря реле 6 в притянутом положении осуществляется воздействие на узел дачи прибытия 8, который передает сигнал на станцию отправления о прибытии поезда в полном составе. Если поезд следует не в полном составе, то возбуждение путевого реле 3 происходит раньше, чем будет принят радиоимпульс, обесточится реле 7 и сигнала прибытия не последует.
Работа локомотивных устройств происходит следующим образом. На станции формирования поезда машинист вводит в ПЗУ 12 информацию о длине поезда. При выходе локомотива с РЦ 2 локомотивный приемник 9 (соответствует системе АЛСН: приемные катушки, фильтр, локомотивный приемник с импульсным реле) прекращает прием сигнала с РЦ 2 (от источника питания 1) и включается счетчик пройденного пути (осевой датчик пути и счетчик). Выход СПП 10 (связь 10-11) воздействует на компаратор 11. На второй вход компаратора 11 (связь 12-11) воздействует ПЗУ 12, в котором записана информация о длине поезда на станции формирования. При совпадении входных сигналов компаратор воздействует на СПП 10, обнуляя его, и на ЛРП 13, который посредством локомотивной антенны 14 передает радиоимпульс на стационарный приемник 5 через антенну 4.
Предложенный способ позволяет достоверно контролировать прибытие поезда в полном составе без счетчика осей и хвостового вагонного датчика.
Формула изобретения
Способ контроля проследования поезда в полном составе, заключающийся в том, что на станции отправления задают длину поезда, а при выходе локомотива с рельсовой цепи начинают на нем отсчитывать пройденный путь, отличающийся тем, что при достижении равенства пройденного пути заданной длине поезда локомотивными устройствами формируют радиоимпульс, а сигнал о прибытии поезда в полном составе формируют напольными устройствами и передают на станцию отправления при совпадении по времени принятого радиоимпульса с моментом ухода хвоста поезда с рельсовой цепи.
РИСУНКИ
MM4A – Досрочное прекращение действия патента СССР или патента Российской Федерации на изобретение из-за неуплаты в установленный срок пошлины за поддержание патента в силе
Дата прекращения действия патента: 13.07.2007
Извещение опубликовано: 27.02.2009 БИ: 06/2009
|
|