|
|
(21), (22) Заявка: 2004117898/11, 11.06.2004
(24) Дата начала отсчета срока действия патента:
11.06.2004
(43) Дата публикации заявки: 20.11.2005
(45) Опубликовано: 20.03.2006
(56) Список документов, цитированных в отчете о поиске:
US 5445412 А, 29.08.1995. WO 93/09978 A1, 27.05.1993. DE 4240399 A1, 09.06.1994. EP 0305655 A1, 08.03.1989.
Адрес для переписки:
607188, Нижегородская обл., г. Саров, пр. Мира, 37, ФГУП “РФЯЦ-ВНИИЭФ”, начальнику ОПИНТИ
|
(72) Автор(ы):
Баженов Александр Анатольевич (RU), Яровиков Валерий Иванович (RU)
(73) Патентообладатель(и):
Федеральное государственное унитарное предприятие “Российский федеральный ядерный центр – Всероссийский научно-исследовательский институт экспериментальной физики (ФГУП “РФЯЦ – ВНИИЭФ”) (RU)
|
(54) УСТРОЙСТВО ДЛЯ ЗАДЕЙСТВОВАНИЯ СРЕДСТВА ПАССИВНОЙ БЕЗОПАСНОСТИ ПРИ БОКОВЫХ СТОЛКНОВЕНИЯХ АВТОМОБИЛЯ
(57) Реферат:
Изобретение относится к средствам защиты водителя и пассажиров автомобильного транспорта при авариях, а именно к пороговым устройствам системы пассивной безопасности при боковых столкновениях автомобиля для задействования средства пассивной безопасности. Устройство для задействования средства пассивной безопасности при боковых столкновениях автомобиля содержит пьезоэлектрический преобразователь, выполненный в виде по крайней мере одного плоского пьезоэлемента. Пьезопреобразователь размещен в боковой дверце автомобиля и электрически соединен с системой запуска средства пассивной безопасности, включающей последовательно соединенные накопительный конденсатор, ключевой пороговый элемент и электровоспламенитель, предназначенный для задействования при аварийной ситуации пирогазогенератора для надува удерживающей подушки. Накопительный конденсатор параллельно соединен с пьезоэлектрическим преобразователем. Пьезопреобразователь установлен на жесткой опоре выше уровня сидения с зазором относительно силопередающего элемента, роль которого исполняет наружная панель дверцы. Площадь воспринимающей поверхности пьезоэлектрического преобразователя S и электрическая емкость накопительного конденсатора Сс выбраны из соотношений: и , где – эмпирический коэффициент, =2…3; Wn – минимальная электрическая энергия срабатывания электровоспламенителя; Rn – электрическое сопротивление электровоспламенителя; Rk – электрическое сопротивление ключевого порогового элемента; z – удельное волновое сопротивление материала пьезоэлемента; d – пьезомодуль материала пьезоэлемента; V – заданная минимальная скорость столкновения автомобиля с преградой; – эмпирический коэффициент, =0,5…1,5, n – минимальное время действия импульса тока, необходимое для срабатывания электровоспламенитенителя. Техническим результатом настоящего изобретения является упрощение конструкции устройства. 8 з.п. ф-лы, 2 ил. 
Изобретение относится к средствам защиты водителя и пассажиров автомобильного транспорта при авариях, а именно к пороговым устройствам системы пассивной безопасности при боковых столкновениях автомобиля для задействования средства пассивной безопасности, включающего пирогазогенератор, с помощью которого наполняются удерживающие (амортизирующие) устройства: надувные подушки, гибкие оградительные оболочки, защитные экраны, самозатягивающиеся ремни безопасности и др.
Известные системы пассивной безопасности (СПБ) включают электронный блок идентификации аварийной ситуации, обрабатывающий сигналы, поступающие от датчиков столкновения (инерционных замыкателей, акселерометров, датчиков давления и других преобразователей механической энергии удара в электрический сигнал), и выдающий сигнал для задействования средства пассивной безопасности, и автономный блок питания для генерирования необходимого импульса тока на исполнительные цепи средства пассивной безопасности, содержащие, как минимум, электровоспламенитель или электродетонатор. В большинстве случаев в качестве электронного блока идентификации аварийной ситуации применяют микропроцессор, являющийся программно-управляемым устройством обработки сигналов преобразователей механической энергии в электрический сигнал. Срабатывание СПБ осуществляется по сигналу от одного или нескольких механоэлектрических преобразователей, в большинстве случаев преобразователей инерционного принципа действия, установленных на шасси автомобиля. При этом порог срабатывания СПБ выбирается равным части ударного ускорения или другой физической величины, регистрируемой в месте установки преобразователя при аварийном наезде автомобиля на препятствие. Однако при боковых столкновениях автомобиля преобразователи инерционного принципа действия могут сработать слишком поздно после начала удара (через 30-40 мс), когда силовые воздействия на водителя и пассажиров уже превысили предельно допустимые значения. Проблема боковых столкновений автомобиля состоит в том, что водителя или пассажира от препятствия (преграды) отделяет только боковая дверца, поэтому срабатывание СПБ должно осуществляться до момента времени достижения критических нагрузок (в течение нескольких мс после начала бокового удара). Вместе с тем, СПБ должна быть устойчива к механическим воздействиям неаварийного характера, например к камням, вылетающим из-под колес проезжающих мимо автомобилей. Таким образом, СПБ должна определить степень опасности бокового столкновения автомобиля с препятствием на начальной стадии удара, чтобы своевременно задействовать средство пассивной безопасности.
Однако данный детектор является весьма сложным устройством, для реализации которого необходимы не только исходные данные по критическим деформациям и ускорениям соответствующих элементов двери, крыла или кузова автомобиля для оценки степени опасности бокового столкновения, но и “быстродействующий” алгоритм обработки достаточно большого объема показаний преобразователя совместно с данными памяти, чтобы своевременно задействовать средство пассивной безопасности. Кроме того, для срабатывания СПБ необходим также автономный источник электрической энергии для питания микропроцессора и формирования мощного сигнала на исполнительные цепи для срабатывания электровоспламенителя или электродетонатора.
Задача, решаемая изобретением, направлена на создание устройства для задействования средства пассивной безопасности при боковых столкновениях для автомобилей малого класса, непосредственно инициирующего пирогазогенератор без микропроцессора и автономного источника питания.
Техническим результатом настоящего изобретения является упрощение конструкции устройства. Дополнительными техническими результатами являются повышение надежности срабатывания при аварийной ситуации, повышение технологичности конструкции, повышение устойчивости к неаварийным ударам, а также снижение вероятности ложного срабатывания.
Технический результат достигается тем, что в известном устройстве для задействования средства пассивной безопасности при боковых столкновениях автомобиля, содержащем пьезоэлектрический преобразователь, выполненный в виде, по крайней мере, одного плоского пьезоэлемента, размещенный в боковой дверце автомобиля и электрически соединенный с системой запуска средства пассивной безопасности, включающей последовательно соединенные ключевой пороговый элемент и электровоспламенитель, новым является то, что пьезоэлектрический преобразователь установлен на жесткой опоре с зазором относительно элемента, передающего усилие, возникающее при боковом столкновении, опора размещена выше уровня сидения, а в систему запуска дополнительно введен накопительный конденсатор, параллельно соединенный с пьезоэлектрическим преобразователем, при этом площадь воспринимающей поверхности пьезоэлектрического преобразователя S и электрическая емкость накопительного конденсатора Сс выбраны из соотношений:

где – эмпирический коэффициент, =2…3;
Wn – минимальная электрическая энергия срабатывания электровоспламенителя;
Rn – электрическое сопротивление электровоспламенителя;
Rk – электрическое сопротивление ключевого порогового элемента;
z – удельное волновое сопротивление материала пьезоэлемента;
d – пьезомодуль материала пьезоэлемента;
V – заданная минимальная скорость столкновения автомобиля с преградой;
– эмпирический коэффициент, =0,5…1,5;
n – минимальное время действия импульса тока, необходимое для срабатывания электровоспламенителя.
Для повышения надежности срабатывания пьезоэлектрический преобразователь выполнен в виде двух и более пьезоэлементов, расположенных вдоль дверцы с шагом, соизмеримым с заданными размерами минимальной преграды.
Для повышения надежности срабатывания пьезоэлементы ориентированы большим размером вдоль дверцы.
Для повышения надежности срабатывания в качестве материала пьезоэлемента выбрана сегнетомягкая пьезокерамика, преимущественно, с наибольшим произведением пьезомодуля d33 на диэлектрическую проницаемость .
Для повышения технологичности и упрощения конструкции опора выполнена в виде кронштейна на внутренней панели дверцы.
Для повышения надежности срабатывания опора выполнена из электроизоляционного материала, преимущественно, с удельным волновым сопротивлением zb z.
Для повышения устойчивости к неаварийным ударам, снижения вероятности ложного срабатывания наружный электрод каждого пьезоэлемента разомкнут с выходом пьезоэлектрического преобразователя, а силопередающий элемент выполнен из электропроводного материала.
Для повышения надежности срабатывания опора выполнена в виде балки, жестко соединенной со шпангоутом дверцы.
Для повышения надежности срабатывания в систему запуска дополнительно введен элемент с односторонней электрической проводимостью, последовательно соединенный с выходом пьезоэлектрического преобразователя и накопительным конденсатором.
Упрощение конструкции устройства для задействования средства пассивной безопасности при боковых столкновениях автомобиля достигается тем, что инициирование пирогазогенератора осуществляется без программно-управляемого устройства обработки сигналов преобразователей механических величин (без микропроцессора) и без автономного источника питания электрической или механической энергии. При этом необходимая для воспламенения электровоспламенителя электрическая энергия вырабатывается при аварийном столкновении автомобиля непосредственно пьезоэлектрическим преобразователем. Выработанная электрическая энергия накапливается в параллельно соединенном с пьезоэлектрическим преобразователем конденсаторе до момента достижения определенной разности потенциалов между обкладками, уровень которой устанавливается напряжением включения ключевого порогового элемента. При этом в качестве ключевого порогового элемента могут быть использованы электронные приборы, обладающие свойствами управляемого электрического вентиля: полупроводниковые (тиристоры), газоразрядные (тиратроны или искровые разрядники) или вакуумные (тригатроны) “ключи”, рассчитанные на коммутацию соответствующего тока в цепи электровоспламенителя. После включения порогового ключевого элемента накопительный конденсатор электрически соединяется с электровоспламенителем и разряжается через сопротивления открытого “ключа” (Rk) и электровоспламенителя (Rn), причем большая часть накопленной электрической энергии (пропорциональная отношению ) выделяется на электровоспламенителе, который инициирует средство пассивной безопасности. Таким образом, заявляемое устройство вводит в действие средство пассивной безопасности без программно-управляемого электронного прибора идентификации аварийной ситуации и без автономного источника электрической или механической энергии. При этом ввод в действие средства пассивной безопасности осуществляется только при выработке достаточной для срабатывания системы запуска электрической энергии и, соответственно, при выделении эквивалентной механической энергии на воспринимающей поверхности пьезоэлектрического преобразователя. Причем данный уровень механической энергии является границей, разделяющей неаварийные удары и аварийную ситуацию при боковых столкновениях автомобиля. При подведении к пьезопреобразователю механической энергии с меньшим уровнем система запуска не срабатывает, а при выделении большей механической энергии пьезопреобразователем вырабатывается достаточная для воспламенения электровоспламенителя электрическая энергия и устройство задействует средство пассивной безопасности.
Соотношение определяет минимальную площадь воспринимающей поверхности пьезоэлектрического преобразователя, достаточную для вырабатывания электрической энергии воспламенения электровоспламенителя Wn при минимальной скорости бокового столкновения автомобиля с преградой V, а соотношение – минимальную емкость накопительного конденсатора, при которой в течение времени n электрический ток его разряда после включения ключевого порогового элемента будет превышать минимальный уровень тока срабатывания выбранного электровоспламенителя. Следует отметить, что сопротивление Rn электровоспламенителей с энергией срабатывания Wn=0,2-2 мДж составляет доли – единицы Ом, а минимальное время действия импульса тока n не превышает десятков микросекунд. Тогда с учетом типичных значений сопротивлений электронных “ключей” в открытом состоянии (доли – единицы Ом) емкость накопительного конденсатора Cс оказывается не меньше нескольких микрофарад. При заданной минимальной скорости столкновения автомобиля с преградой V порядка единиц метров в секунду площадь воспринимающей поверхности пьезоэлектрического преобразователя S должна быть не меньше 100 квадратных сантиметров, что существенно меньше площади поверхности наружной панели дверцы. Это позволяет без ограничений по габаритам выбрать удобные в отношении простоты конструкции и технологичности места установки пьезоэлементов внутри дверцы, подходящие по уровню действующих сил и времени задержки местного деформирования от начала столкновения.
Соотношение по выбору минимальной площади воспринимающей поверхности пьезоэлектрического преобразователя было получено исходя из силы давления преграды на пьезопреобразователь при заданной минимальной скорости столкновения V с учетом электрических параметров системы запуска. При этом пределы эмпирического коэффициента обусловлены импульсным режимом работы электровоспламенителя, когда необходимо увеличить подводимую к электровоспламенителю электрическую энергию по сравнению с квазистатическим режимом, при котором нормируется показатель Wn. Верхний предел эмпирического коэффициента (3) присущ для менее мощных электровоспламенителей (Wn0,2 мДж), а нижний предел (2) – для более мощных электровоспламенителей (Wn2 мДж).
Соотношение по выбору минимальной емкости накопительного конденсатора было получено исходя из времени разряда накопительного конденсатора с учетом того, что в это время пьезопреобразователь может служить дополнительным источником электрической энергии, усиливающим ток через электровоспламенитель. При этом пределы эмпирического коэффициента обусловлены соотношением емкости накопительного конденсатора Cс и собственной емкости пьезопреобразователя Ср. Верхний предел эмпирического коэффициента (1,5) характерен для соотношений Cc/Cp>1, а нижний предел (0,5) – для соизмеримых емкостей накопительного конденсатора Cс и пьезопреобразователя Ср. В случае Cc/Ср>1 электрической энергией, накопленной в пьезопреобразователе, можно пренебречь, а накопительный конденсатор будет единственным источником электрической энергии. Причем на данном конденсаторе (при условии соответствия его емкости приведенному соотношению с коэффициентом =1,5) в момент срабатывания электровоспламенителя n сохранится больше 50% своего начального заряда, что отражает эффективность устройства относительно затрат на реализацию рабочего режима электровоспламенителя (при большем уровне разряда накопительного конденсатора к моменту срабатывания электровоспламенителя потребовалась бы и большая электрическая энергия). А при соизмеримых емкостях Cс и Ср пьезопреобразователь служит дополнительным источником электрической энергии. Ток электровоспламенителя, образующийся из суммы токов разряда пьезопреобразователя и накопительного конденсатора, получается выше, чем в случае Сc/Сp>1, что и позволяет использовать в заявляемом устройстве накопительный конденсатор меньшей емкости.
Установка пьезоэлектрического преобразователя с зазором относительно силопередающего элемента обеспечивает устойчивость устройства к неаварийным ударам по боковой дверце, когда при относительно небольшом деформировании наружной панели дверцы, вызванном, например, ударом камня, пьезоэлектрический преобразователь остается незадействованным и сигнала в системе запуска средства пассивной безопасности нет. При этом роль силопередающего элемента может выполнять как наружная панель дверцы, так и отдельно выполненная, находящаяся внутри дверцы деталь, воспринимающая усилие, вызванное давлением преграды на дверцу при боковом столкновении. На практике зазор между пьезоэлементами и силопередающим элементом может быть установлен в пределах 5-50 мм. При этом нижний предел зазора (5 мм) обусловлен податливостью наружной панели дверцы при приложении относительно небольших сил, не характерных для аварийной ситуации, например удара камня, а верхний предел ограничен максимальным временем задержки срабатывания СПБ от начала ударного процесса (несколько мс), пока силопередающий элемент не задействует пьезопреобразователь и, соответственно, систему запуска средства пассивной безопасности. При минимальной скорости столкновения, равной, например, V=8 м/с, и максимальном зазоре =50 мм эта задержка составит не менее 6,25 мс.
Крепление пьезоэлектрического преобразователя на жесткой опоре обеспечивает оптимальный режим деформаций пьезоэлементов по толщине, при котором реализуются наибольшая амплитуда выходного сигнала пьезопреобразователя и наименьшее быстродействие. При этом амплитуда сигнала пьезопреобразователя пропорциональна силе взаимодействия между преградой и преобразователем, которая, в свою очередь, обратно пропорциональна податливости системы “преграда – силопередающий элемент – пьезопреобразователь – опора” и, соответственно, обратно пропорциональна податливости и пропорциональна жесткости каждого элемента данной системы. Таким образом, чем меньше податливость опоры (больше ее жесткость), тем выше амплитуда выходного сигнала пьезопреобразователя. Вместе с тем, чем больше жесткость опоры, тем круче фронт нарастания силы взаимодействия и, при прочих равных условиях, меньше время от начала удара до момента срабатывания устройства, т.е. лучше быстродействие. Наилучшие условия для выдачи максимального по амплитуде сигнала с минимальной длительностью переднего фронта реализуются в случае существенно большей жесткости опоры по сравнению с жесткостью пьезопреобразователя, когда деформации сжатия пьезоэлементов превышают их изгибные деформации. Тем не менее, при практической реализации устройства (предпочтительный вариант в отношении затрат на создание опоры) достаточно, чтобы жесткость опоры была не меньше жесткости пьезопреобразователя. Тогда, даже в случае изгиба системы “пьезопреобразователь – опора”, под действием силы давления преграды, когда прогиб пьезоэлементов превышает их деформации сжатия, на выходе пьезопреобразователя формируется сигнал, сопоставимый с сигналом, полученным в наилучших условиях. В противном случае, когда жесткость опоры меньше жесткости пьезопреобразователя, пьезоэлементы по толщине испытывают разнонаправленные деформации и сигнал пьезопреобразователя оказывается существенно меньшим по сравнению с наилучшим вариантом.
Размещение опоры выше уровня сидения обеспечивает расположение пьезопреобразователя в зоне наибольших деформаций наружной панели дверцы, возникающих при очень опасном боковом столкновении автомобиля с большегрузным транспортным средством. Причем данная зона является критической для водителя и пассажиров, так как вектор сил, действующих при боковом ударе, направлен на жизненно важные органы человека. А зона дверцы ниже уровня сидения достаточно чувствительна к невысоким преградам типа “бордюр”, боковое столкновение автомобиля с которыми в большинстве случаев не опасно для водителя и пассажиров. Таким образом, размещение опоры выше уровня сидения позволяет повысить чувствительность к ударам в критическом направлении при сохранении размеров воспринимающей поверхности пьезопреобразователя, что способствует как упрощению конструкции устройства, так и повышению надежности его срабатывания при аварийной ситуации.
Повышение надежности срабатывания при выполнении пьезоэлектрического преобразователя в виде двух и более пьезоэлементов, расположенных вдоль дверцы с шагом, соизмеримым с заданными размерами минимальной преграды, достигается путем увеличения ширины зоны восприятия, где заявляемое устройство сохраняет требуемые чувствительность и быстродействие без увеличения площади воспринимающей поверхности S. При этом минимальной преградой считается вертикально укрепленный бетонный столб, который часто является причиной деформирования и вмятин боковой дверцы и может представлять опасность для водителя и пассажиров. Необходимо отметить, что во внимание следует принимать минимальный размер этой преграды: диаметр столба (или ограждающего столбика) выше уровня сидения (в среднем 20-30 см). Соизмеримость размеров преграды с шагом пьезоэлементов позволяет также перекрыть удары по боковым краям дверцы. Кроме того, выполнение пьезоэлектрического преобразователя в виде двух и более пьезоэлементов при сохранении общей площади воспринимающей поверхности S позволяет значительно уменьшить один из размеров пьезоэлементов по сравнению со случаем выполнения пьезопреобразователя в виде одного пьезоэлемента, что способствует повышению технологичности изготовления. Так, при минимальной площади воспринимающей поверхности S=100 см2 длина пьезопреобразователя в виде одного пьезоэлемента должна быть сопоставима с поперечным размером дверцы, чтобы боковые края дверцы оказались в зоне чувствительности устройства. Но выполнение столь длинных пьезоэлементов, например размерами воспринимающей поверхности 50×2,4 см, безусловно, нетехнологично. Более предпочтительным, технологичным, вариантом является, в частности, выполнение пьезопреобразователя в виде трех пьезоэлементов с размерами воспринимающей поверхности 10×4 см, размещенных вдоль дверцы с шагом 20 см, соизмеримым с минимальным размером ограждающего бетонного столбика.
Повышение надежности срабатывания при ориентации пьезоэлементов большим размером вдоль дверцы реализуется за счет их размещения по наиболее критичному в отношении опасности столкновения с большегрузным транспортом направлению. Это позволяет увеличить ширину зоны восприятия, где заявляемое устройство сохраняет требуемые чувствительность и быстродействие без увеличения площади воспринимающей поверхности S, а также перекрыть удары по боковым краям дверцы.
Повышение надежности срабатывания при выборе сегнетомягкой пьезокерамики с наибольшим произведением пьезомодуля d33 на диэлектрическую проницаемость в качестве материала пьезоэлемента обеспечивается увеличением амплитуды тока в цепи запуска средства пассивной безопасности, что позволяет, при прочих равных условиях, использовать в заявляемом устройстве более мощный, но более надежный электровоспламенитель. В качестве материала пьезоэлементов могут быть использованы, например, следующие пьезокерамики: ПКР-73 (производитель НИИ физики Ростовского государственного университета, г. Ростов-на-Дону, Россия, d33=860 пКл/Н, Кл/Н), PZT-5H (производитель фирма “Vernitron”, США, d33=593 пКл/Н, Кл/Н) или PZ-29 (производитель фирма “Verroperm”, Дания, d33=575 пКл/Н, Кл/Н). Данные пьезокерамики характеризуются относительно высоким значением произведения (d33· ) среди высокоэффективных сегнетомягких материалов, имеющих коэффициент электромеханической связи k33>0,7.
Повышение технологичности и упрощение конструкции при выполнении опоры в виде кронштейна на внутренней панели дверцы достигается объединением двух функционально различающихся элементов (опоры и внутренней панели дверцы) в одну деталь, изготавливаемую методами и способами массовой технологии, например путем формирования выступа для крепления пьезопреобразователя на внутренней панели дверцы методом листовой штамповки. Предпочтительной формой выполнения кронштейна с позиции жесткости опоры является прилив (бобышка) на внутренней панели дверцы, изготавливаемой методом литья.
Повышение надежности срабатывания при выполнении опоры из электроизоляционного материала с удельным волновым сопротивлением zb, равным или большим по сравнению с удельным волновым сопротивлением материала пьезоэлемента z, достигается посредством электрической развязки внутренних (нижних) электродов пьезоэлементов от электропроводных элементов дверцы и оптимального режима деформаций пьезоэлементов по толщине, при котором реализуются наибольшие сила взаимодействия между преградой и пьезопреобразователем и амплитуда его выходного сигнала. Данная сила взаимодействия пропорциональна жесткости системы “преграда – силопередающий элемент – пьезопреобразователь – опора” и, соответственно, пропорциональна жесткости (коэффициенту упругости) каждого элемента данной системы, а удельное волновое сопротивление материала опоры пропорционально ее коэффициенту упругости. А так как при последовательной связи элементов податливость системы будет определяться самым “слабым” элементом, то для обеспечения максимальной силы давления преграды на пьезоэлементы жесткость опоры должна быть не меньше, чем у пьезопреобразователя. Таким образом, удельное волновое сопротивление опоры zb должно быть равным или большим по сравнению с удельным волновым сопротивлением материала пьезоэлемента z. В качестве материала опоры могут быть использованы керамические материалы, например окись алюминия, имеющая удельное волновое сопротивление zb=37-39 МПа·с/м, что существенно больше, чем у известных пьезокерамик, характеризующихся z=21-28 МПа·с/м.
Повышение устойчивости к неаварийным ударам и снижение вероятности ложного срабатывания при размыкании наружного электрода каждого пьезоэлемента с выходом пьезоэлектрического преобразователя и при выполнении силопередающего элемента из электропроводного материала обеспечивается отсутствием электрического сигнала на входе системы запуска средства пассивной безопасности на начальном этапе удара, когда неизвестна степень опасности бокового столкновения. Границей данного начального этапа является установленный зазор между пьезоэлементами и силопередающим элементом. Причем, пока под действием усилия, возникающего при боковом столкновении, силопередающий элемент не преодолеет зазор , пьезоэлектрический преобразователь не задействован. После перемещения на глубину зазора силопередающий элемент электрически замкнет наружные (верхние) электроды пьезоэлементов с одним из входов системы запуска, связанным с корпусом автомобиля, начнется деформация пьезоэлементов и на накопительном конденсаторе появится электрический заряд, обусловленный силой давления препятствия.
Повышение надежности срабатывания при выполнении опоры в виде балки, жестко соединенной со шпангоутом дверцы, достигается повышением амплитуды сигнала пьезопреобразователя за счет увеличения жесткости его опоры, жестко связанной, в свою очередь, с дверцей автомобиля посредством опорной балки. Дополнительно данная балка способствует повышению безопасности водителя и пассажиров, препятствуя деформированию дверцы при боковом столкновения автомобиля с преградой.
Повышение надежности срабатывания при введении в систему запуска дополнительного элемента с односторонней электрической проводимостью, последовательно соединенного с выходом пьезоэлектрического преобразователя и накопительным конденсатором, обеспечивается сглаживанием процесса накопления электрического заряда на накопительном конденсаторе во время удара, на плавно нарастающую форму которого наложены интенсивные высокочастотные колебания, обусловленные ударно-волновыми процессами в системе “преграда – силопередающий элемент – пьезопреобразователь – опора”. При возникновении таких высокочастотных колебаний элемент с односторонней электрической проводимостью будет запирать импульсы обратной полярности, выравнивая процесс заряда накопительного конденсатора. В качестве элемента с односторонней электрической проводимостью может быть использован полупроводниковый диод, рассчитанный на максимальный ток заряда накопительного конденсатора, возникающий при столкновении автомобиля с препятствием с предельно допустимой скоростью, когда интенсивность ударного нагружения пьезопреобразователя достигает наибольшей величины.
Суть заявляемого изобретения будет ясна из прилагаемых рисунков.
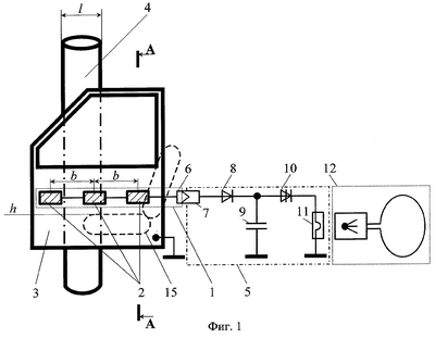
На фигуре 1 изображена принципиальная схема предпочтительного варианта устройства для задействования средства пассивной безопасности при боковых столкновениях автомобиля, а на фигуре 2 – разрез боковой дверцы А-А.
На фиг.1-2 показано: 1 – пьезоэлектрический преобразователь; 2 – пьезоэлемент; 3 – боковая дверца автомобиля; 4 – преграда; 5 – система запуска средства пассивной безопасности; 6 – выходной соединитель пьезопреобразователя; 7 – входной соединитель системы запуска; 8 – элемент с односторонней электрической проводимостью; 9 – накопительный конденсатор; 10 – ключевой пороговый элемент; 11 – электровоспламенитель; 12 – средство пассивной безопасности (пирогазогенератор с надувной подушкой); 13 – опора пьезопреобразователя; 14 – силопередающий элемент; 15 – сидение; 16 – внутренняя панель дверцы; b – шаг установки пьезоэлементов; – зазор между пьезопреобразователем и силопередающим элементом; h – уровень сидения, l – минимальный размер преграды.
Устройство для задействования средства пассивной безопасности при боковых столкновениях автомобиля содержит пьезоэлектрический преобразователь 1, выполненный в виде трех плоских пьезоэлементов 2 из сегнетомягкой пьезокерамики ПКР-73 с наибольшим произведением пьезомодуля d33 на диэлектрическую проницаемость . Пьезоэлементы 2 размещены в боковой дверце автомобиля 3 и установлены вдоль дверцы 3 большим размером с шагом b, соизмеримым с минимальным размером преграды l. Пьезоэлектрический преобразователь 1 электрически соединен с системой запуска средства пассивной безопасности 5 посредством выходного соединителя пьезопреобразователя 6, состыкованного с входным соединителем системы запуска 7. Система запуска 5 включает элемент с односторонней электрической проводимостью 8, накопительный конденсатор 9, ключевой пороговый элемент 10 и электровоспламенитель 11, предназначенный для задействования при аварийной ситуации пирогазогенератора 12 для надува подушки, ограждающей водителя и пассажиров от ударов (см. фиг.1). Элемент с односторонней электрической проводимостью 8, ключевой пороговый элемент 10 и электровоспламенитель 11 последовательно соединены с пьезопреобразователем 1, параллельно к которому подключен накопительный конденсатор 9 между выходом элемента 8 и входом элемента 10. Площадь воспринимающей поверхности пьезоэлектрического преобразователя S и электрическая емкость накопительного конденсатора Cc выбраны из соотношений: и составляют 120 см2 и 10 мкФ. соответственно. Пьезоэлектрический преобразователь 1 установлен на жесткой опоре 13 с зазором относительно силопередающего элемента 14 (см. фиг.2). Роль силопередающего элемента 14 исполняет наружная панель дверцы 3, выполненная из листового металла. Опора 13 размещена выше уровня h сидения 15 и выполнена в виде кронштейна на внутренней панели дверцы 16 из керамического материала на основе окиси алюминия, обладающего электроизоляционными свойствами и удельным волновым сопротивлением zb, существенно большим по сравнению с удельным волновым сопротивлением материала пьезоэлемента z. При этом наружные электроды пьезоэлементов 2 разомкнуты с выходным соединителем 6 пьезоэлектрического преобразователя 1.
Одним из возможных вариантов опоры 13 является ее выполнение в виде балки, жестко соединенной со шпангоутом дверцы 3 (на фиг. не показаны).
Заявляемое устройство работает следующим образом.
При боковом неаварийном столкновении автомобиля, когда деформации наружной панели дверцы 3 не превышают установленный зазор между силопередающим элементом 14 и пьезопреобразователем 1, пьезоэлементы 2 не задействованы (не нагружены силой давления преграды 4) и в системе запуска средства пассивной безопасности 5 сигнала нет.
При боковом столкновении автомобиля, когда смещение силопередающего элемента 14 превышает установленный зазор , пьезоэлементы 2 под действием силы давления преграды 4 через силопередающий элемент 14 испытывают деформации сжатия и на входе 7 системы запуска 5 появляется сигнал, пропорциональный действующей силе. В цепи “соединитель 7 – элемент с односторонней электрической проводимостью 8 – накопительный конденсатор 9” во время действия силы давления преграды 4 возникает электрический ток положительной полярности, заряжающий конденсатор 9. С учетом конечного сопротивления элемента с односторонней электрической проводимостью току положительной полярности (для полупроводникового диода доли – единицы Ом) и величины емкости накопительного конденсатора 9 (Cc) постоянная времени его заряда получается достаточно малой (10 микросекунд), т.е. по отношению к длительности ударных процессов при боковом столкновении автомобиля процесс заряда накопительного конденсатора 9 является мгновенным.
Во время накопления электрической энергии на накопительном конденсаторе 9 незначительная часть заряда стекает через сопротивление ключевого порогового элемента 10 в закрытом состоянии. При этом, если сопротивление закрытого ключевого порогового элемента 10 (например, тиристора) составляет десятки кОм, а элемента с односторонней электрической проводимостью – максимально несколько Ом, то разрядом конденсатора 9 во время накопления электрической энергии можно пренебречь. С другой стороны, разряд конденсатора 9 через сопротивление закрытого ключевого порогового элемента 10 позволяет устранить влияние “медленных” физических факторов, таких как температура и электростатические наводки, сопровождающих эксплуатацию автомобиля и порождающих электростатические помехи, уровень которых сравним с полезным сигналом. Элемент с односторонней электрической проводимостью 8 сглаживает процесс накопления электрического заряда на конденсаторе 9, запирая импульсы обратной полярности, обусловленные ударно-волновыми процессами в системе “преграда 4 – силопередающий элемент 14 – пьезопреобразователь 1 – опора 13”. Если разность потенциалов между обкладками накопительного конденсатора 9 не превышает напряжение включения ключевого порогового элемента 10, то его вход остается закрытым и в цепи электровоспламенителя 11 нет тока. В аварийном случае, когда разность потенциалов между обкладками накопительного конденсатора 9 превышает напряжение включения ключевого порогового элемента 10, на электровоспламенитель 11 подается напряжение “воспламенения” и устройство задействует средство пассивной безопасности 12. Следует отметить, что после срабатывания ключевого порогового элемента 10 конденсатор 9 разряжается через цепь, включающую сопротивление ключевого порогового элемента 10 в открытом состоянии (доли – единицы Ом) и сопротивление электровоспламенителя 11. При этом большая часть электрической энергии выделяется на электровоспламенителе 11. Процесс разрядки конденсатора 9 по отношению к ударному нагружению при столкновении автомобиля и, соответственно, процесс нарастания тока через электровоспламенитель 11 до величины, определяемой параметрами системы запуска 5, являются мгновенными, поскольку постоянная времени разрядки достаточно мала (как и при зарядке – 10 микросекунд). Таким образом, в момент включения ключевого порогового элемента 10 ток, протекающий через электровоспламенитель 11, достигает наибольшей величины и далее, по мере разрядки конденсатора 9 экспоненциально уменьшается до момента срабатывания (воспламенения). Тем не менее, для воспламенения электровоспламенителя достаточно, чтобы только в течение времени n данный ток превышал ток срабатывания, свойственный выбранному типу электровоспламенителя. А заявленные соотношения площади воспринимающей поверхности S пьезоэлектрического преобразователя 1 и электрической емкости Cc накопительного конденсатора 9 именно и обеспечивают необходимое для срабатывания условие по току через электровоспламенитель 11 при минимальной скорости V бокового столкновения автомобиля с преградой 4.
Формула изобретения
1. Устройство для задействования средства пассивной безопасности при боковых столкновениях автомобиля, содержащее пьезоэлектрический преобразователь, выполненный в виде по крайней мере одного плоского пьезоэлемента, размещенный в боковой дверце автомобиля и электрически соединенный с системой запуска средства пассивной безопасности, включающей последовательно соединенные ключевой пороговый элемент и электровоспламенитель, отличающееся тем, что пьезоэлектрический преобразователь установлен на жесткой опоре с зазором относительно элемента, передающего усилие, возникающее при боковом столкновении, опора размещена выше уровня сидения, а в систему запуска дополнительно введен накопительный конденсатор, параллельно соединенный с пьезоэлектрическим преобразователем, при этом площадь воспринимающей поверхности пьезоэлектрического преобразователя S и электрическая емкость накопительного конденсатора Сс выбраны из соотношений
и ,
где – эмпирический коэффициент, =2…3;
Wn – минимальная электрическая энергия срабатывания электровоспламенителя;
Rn – электрическое сопротивление электровоспламенителя;
Rk – электрическое сопротивление ключевого порогового элемента;
z – удельное волновое сопротивление материала пьезоэлемента;
d – пьезомодуль материала пьезоэлемента;
V – заданная минимальная скорость столкновения автомобиля с преградой;
– эмпирический коэффициент, =0,5…1,5;
n – минимальное время действия импульса тока, необходимое для срабатывания электровоспламенителя.
2. Устройство по п.1, отличающееся тем, что пьезоэлектрический преобразователь выполнен в виде двух и более пьезоэлементов, расположенных вдоль дверцы с шагом, соизмеримым с заданными размерами минимальной преграды.
3. Устройство по п.1 или 2, отличающееся тем, что пьезоэлементы ориентированы большим размером вдоль дверцы.
4. Устройство по п.1, отличающееся тем, что в качестве материала пьезоэлемента выбрана сегнетомягкая пьезокерамика, преимущественно с наибольшим произведением пьезомодуля d33 на диэлектрическую проницаемость .
5. Устройство по п.1, отличающееся тем, что опора выполнена в виде кронштейна на внутренней панели дверцы.
6. Устройство по п.1, отличающееся тем, что опора выполнена из электроизоляционного материала, преимущественно с удельным волновым сопротивлением zb z.
7. Устройство по п.6, отличающееся тем, что наружный электрод каждого пьезоэлемента разомкнут с выходом пьезоэлектрического преобразователя, при этом силопередающий элемент выполнен из электропроводного материала.
8. Устройство по п.1 или 6, отличающееся тем, что опора выполнена в виде балки, жестко соединенной со шпангоутом дверцы.
9. Устройство по п.1, отличающееся тем, что в систему запуска дополнительно введен элемент с односторонней электрической проводимостью, последовательно соединенный с выходом пьезоэлектрического преобразователя и накопительным конденсатором.
РИСУНКИ
MM4A – Досрочное прекращение действия патента СССР или патента Российской Федерации на изобретение из-за неуплаты в установленный срок пошлины за поддержание патента в силе
Дата прекращения действия патента: 12.06.2008
Извещение опубликовано: 10.07.2010 БИ: 19/2010
|
|