|
(21), (22) Заявка: 2004101720/02, 23.01.2004
(24) Дата начала отсчета срока действия патента:
23.01.2004
(43) Дата публикации заявки: 10.07.2005
(45) Опубликовано: 20.03.2006
(56) Список документов, цитированных в отчете о поиске:
RU 2089357 С1, 10.09.1997. SU 1491630 А1, 07.07.1989. SU 680825 А, 30.08.1979. US 3546975 А, 15.12.1970. DE 3403668 А1, 09.08.1984.
Адрес для переписки:
142214, Московская обл., г.Серпухов, ул.Советская, 99, кв.8, Ю.А.Холодкову
|
(72) Автор(ы):
Холодков Юрий Андреевич (RU), Рубан Игорь Викторович (RU), Протасьев Виктор Борисович (RU), Спиридонов Эдуард Сергеевич (RU)
(73) Патентообладатель(и):
Холодков Юрий Андреевич (RU), Рубан Игорь Викторович (RU), Протасьев Виктор Борисович (RU), Спиридонов Эдуард Сергеевич (RU)
|
(54) СПОСОБ ИЗГОТОВЛЕНИЯ ЗУБЬЕВ НОЖОВОЧНЫХ ПОЛОТЕН
(57) Реферат:
Изобретение относится к машиностроению и может быть использовано, например, в инструментальном производстве при обработке режущих зубьев ножовочных полотен. Заготовки ножовочных полотен предварительно собирают в пакет с расположением между ними разделительных пластин. Полученный пакет устанавливают на рабочем столе станка с помощью обоймы и производят формирование зубьев при перемещении рабочего стола. Зубья формируют зубилом, которому сообщают вертикальное возвратно-поступательное движение от вращающегося кулачкового вала. Лезвием зубила разрезают металл заготовки и одновременно гранью зубила его пластически деформируют. При этом производят равномерное продольное перемещение рабочего стола, которое задают в зависимости от частоты вращения кулачкового вала, и неравномерное возвратно-поступательное движение зубила. Скорость неравномерного движения определяют в зависимости от требуемого профиля зубьев в продольном сечении. В результате обеспечивается повышение производительности, качества и расширение ассортимента изготавливаемых изделий. 2 з.п. ф-лы, 3 ил. 
Изобретение относится к машиностроению и может быть использовано, например, в инструментальном производстве при обработке режущих зубьев ножовочных полотен.
Известен способ [1] изготовления зубьев на ленточных инструментах, в котором заготовки полотен набирают в пакет, закрепляют в станочном приспособлении и специальной фрезой фрезеруют зубья на полную глубину, равную высоте зубьев полотна, см. Ушаков М.В., Симакин Ф.А. Определение оптимальных режимов обработки мелких периодических профилей фрезами с винтовым затылованием зубьев. Известия Тульского Государственного Университета, серия “Машиностроение”, выпуск 3, часть 1, Тула: ТулГУ, 1997 г., стр.171.
Недостатками известного способа изготовления зубьев на ленточных инструментах являются: сложность конструкции применяемого инструмента, значительные усилия резания (6000 Н), обусловленные, в основном, шириной обрабатываемой поверхности (от 300 до 310 мм).
Ближайшим техническим решением является способ [2] получения зубьев ножовочных полотен способом шлифования, в котором заготовки ножовочных полотен предварительно набирают в пакет, располагают между ними разделительные пластины, устанавливают на рабочий стол станка и формируют зубья при перемещении рабочего стола (RU 2089357 С1, 10.09.1997, B 21 D 63/12).
Недостатками ближайшего способа являются: низкая производительность и качество, а также узкий ассортимент изготавливаемых изделий.
Техническим результатом изобретения является повышение производительности, качества и расширение ассортимента изготавливаемых изделий с заданным профилем зубьев на заготовках в виде ленты (пластины) или другой какой-либо формы.
Расширение функциональных возможностей способа насекания при получении зубьев ножовочных полотен заданной геометрии достигается:
1. Предварительной сборкой заготовок ножовочных полотен в пакет с расположением между ними разделительных пластин, установкой с помощью обоймы полученного пакета на рабочем столе станка и формированием зубьев при перемещении рабочего стола и зубила. Зубилу сообщают вертикальное возвратно-поступательное движение от вращающегося кулачкового вала из условия обеспечения разрезания металла заготовки лезвием зубила и одновременного пластического деформирования металла заготовки его гранью при равномерном продольном перемещении рабочего стола, которое задают в зависимости от частоты вращения кулачкового вала.
2. Формированием зубьев с заданными величинами переднего и заднего углов режущего клина зуба полотна.
3. Выбором скорости возвратно-поступательного движения зубила в зависимости от требуемого профиля спинки и передней поверхности зубьев.
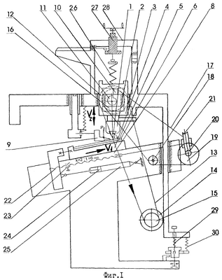
Изобретение поясняется чертежами, где на фиг.1 показана кинематическая схема насекального станка, на фиг.2 – крепление заготовок полотен при насекании, на фиг.3 – схема формирования зубилом профиля на участке – (задней поверхности), а на участке – (передней поверхности) в продольном сечении зубьев полотна.
Устройство для изготовления зубьев ножовочных полотен способом насекания (фиг.1) содержит зубило 1, закрепленное в патроне 2 ударного механизма 3. Зубило 1 установлено под углом к поверхности рабочего стола 4, на котором закреплена обойма 5 с заготовками 6, например, в виде полотен.
В обойме 5 заготовки 6 расположены, чередуясь с разделительными пластинами 7, образуя пакет (фиг.2). Рабочий стол 4 имеет возможность продольного перемещения относительно неподвижного стола 8 насекального станка. Пакет заготовок прижат прессовой лапкой 9 к обойме 5 с заготовками силой Рл. Боек 10 (фиг.1) установлен в контакте с выступом кулачкового вала 11, который через ведомый шкив 12 и ременную передачу 13 соединен с электродвигателем 14, а через ременную передачу 17 с натяжным роликом 18 соединен с ведомым шкивом 19. Шкив 19 закреплен на червячном валу 20, который зацеплен с червячным колесом 21. Червячное колесо закреплено на ходовом винте 22.
Ходовая втулка 23 соединена с корпусом рабочего стола 4, с которым также связан шток 24 пневмоцилиндра 25.
Рабочая пружина 26 имеет постоянный контакт с натяжным механизмом 27, который закреплен на колонке 28. Пружина разгрузки 29 и пружина догрузки 30 связаны с колонкой 28 и столом 8.
Способ изготовления зубьев ножовочных полотен осуществляют следующим образом. Предварительно собирают обойму 5 из заготовок ножовочных полотен 6, между которыми устанавливают разделительные пластины 7 (фиг.2).
Обойму закрепляют в рабочем столе 4, который установлен на столе 8 насекального станка. Затем прижимают вертикально заготовки ножовочных полотен прессовой лапкой 9, а боковую поверхность обоймы клином 31 при помощи болта 32 (фиг.2).
В процессе изготовления зубьев ножовочных полотен за счет направленной деформации металла заготовок 6 формируют геометрию зубьев полотна.
Боек 10 (фиг.1) периодически входит в контакт с выступом кулачкового вала 11, который получает вращение от электродвигателя 14 через клиноременную передачу 13. Вращение кулачкового вала 11 кинематически связывают через плоскоременную передачу 17 и червячную пару 20-21 с ходовым винтом 22 и ходовой втулкой 23.
При подъеме ударного механизма 3 выступом кулачкового вала 11 ударный механизм сжимает рабочую пружину 26, которая после выхода кулачкового вала из-под бойка отдает свою энергию ударному механизму с зубилом 1.
Формирование поверхности профиля зубьев (фиг.3) осуществляют в следующей последовательности. Зубило 1 перемещают по линии I-II. От точки I до точки II режут металл заготовки лезвием зубила (точка “а”). По линии I-II формируют спинку (заднюю поверхность) профиля зубьев. Одновременно поверхностью Е зубила 1 пластически деформируют металл заготовки 6. Металл вытесняется вверх и на боковые грани заготовки. Заканчивают деформацию в нижней части основания зуба и формируют переднюю поверхность зуба по линии II-III. В результате пластической деформации вершины зубьев в точке III превышают поверхность заготовки 6, а на боковых гранях заготовки образуются утолщения (положения B1; C; Д3).
Равномерное продольное перемещение заготовки со скоростью V1, которое задают в зависимости от частоты вращения кулачкового вала, зависит от величины шага зубьев полотна. Неравномерное возвратно-поступательное движение зубила со скоростью V2 определяют в зависимости от требуемого профиля зубьев в продольном сечении и задают профилем кулачкового вала.
Глубина проникновения зубила зависит от профиля зубьев полотна между точками I и II, которую задают профилем кулачкового вала 11, следовательно, скорость V2 неравномерная. Например, при выборе части участка между точками I и II, в виде дуги описанной окружности радиуса R и проходящей через точки I и II, определяют координаты Х и Y положений точки “а” в заданных пределах на участке участке I-II. Задают координату Х точки “а” в интервале X1<Х<Х2, определяют координату Y точки “а”, где , а перемещение зубила 1 при проникновении в тело заготовки 6 задают в виде изменения (перепада) величины радиуса-вектора r кулачкового вала для каждой координаты Y, где
r=Y/cos ,
где r – радиус-вектор профиля кулачкового вала,
Y – координата точки “а”,
– угол наклона оси зубила к плоскости стола.
Кинематическую настройку станка осуществляют, соблюдая зависимость: продольная скорость V1 должна составлять величину, равную шагу зубьев при кулачковом вале 1 с одним выступом и двум шагам при кулачковом вале с двумя выступами за один его оборот. Переднею поверхность полотна по линии II-III формируют при подъеме зубила 1 вверх. Далее цикл повторяют.
Способ позволяет изготовить ножовочное полотно. Берут полотно ножовочное 2800-0005 по ГОСТ 6645-86, профиль зубьев – прямоугольный треугольник, шаг t – 1 мм, угол наклона спинки (участок I и II) зубьев =40°, насекальный станок ЗиР-6, кулачковый вал с одним выступом, угол поворота кулачкового вала от 0 до 180° через каждые 30°, R=2 мм.
Расчет для получения заданных зубьев.
Длина отрезка между точками I и II фиг.3
t/cos =1/cos40°=1/0,766=1/3 мм.
Центр описанной окружности (точка О) радиуса R=2 лежит на перпендикуляре к центру отрезка между точками I и II.
Угол определяют: cos =t/2Rcos =1/2·2cos40°=0,325; =71°.
Угол определяют: =180- – =69°.
Определяют координаты точки I относительно центра О описанной окружности радиуса R, Х1=const=R·cos69°=0,717 мм, Y1=const=R·sin69°=1,867 мм, здесь и далее числовые значения величин округлены до тысячных долей мм
Определяют скорость V1: V1=Sx·b=IPx·b/360=0,00278, где
Рx=Sx·b – перемещение ползуна от ходового винта, мм,
I=0,1662 – передаточное отношение насекального станка ЗиР-6 при шаге зубьев до 1 мм,
Рx·b=6 – шаг ходового винта, мм.
Определяют перемещение S·b при повороте кулачкового вала на угол =30°, Sx·b=0,083 мм.
Определят координаты Х точки “а” в диапазоне X1<Х2, где X1=const=0,717 мм, Х2=const=1,217 мм.
Определяют координату Х при повороте кулачкового вала от к=0° до к=30° Х30°=0,80 мм.
Определяют координату Y при повороте кулачкового вала от к=0° до к=30°, .
Определяют изменение радиуса-вектора r= Y/cos , где
Y=Y0°-Y30°=0,034 мм; r=0,0356 мм.
Аналогичным образом выполняют расчеты для углов поворота кулачкового вала в 60°, 90°, 120°,150°, 180°.
Анализ данных расчета показывает, что скорость V1 равномерная, а V2 неравномерная.
Изобретение позволяет повысить производительность, качество и расширить ассортимент изготавливаемых изделий с заданным профилем зубьев ножовочных полотен в виде ленты, пластины или другой какой-либо формы, что позволяет расширить функциональные возможности способа получения зубьев ножовочных полотен заданной геометрии с различными углами заточки зубила.
Формула изобретения
1. Способ изготовления зубьев ножовочных полотен, включающий предварительную сборку заготовок ножовочных полотен в пакет с расположением между ними разделительных пластин, установку полученного пакета на рабочем столе станка и формирование зубьев при перемещении рабочего стола, отличающийся тем, что установку пакета заготовок ножовочных полотен на рабочем столе производят с помощью обоймы, при этом пакет заготовок прижимают к обойме, формирование зубьев ножовочных полотен осуществляют зубилом, которому сообщают вертикальное возвратно-поступательное движение от вращающегося кулачкового вала из условия обеспечения разрезания металла заготовки лезвием зубила и одновременного пластического деформирования металла заготовки его гранью, при этом производят равномерное продольное перемещение рабочего стола, которое задают в зависимости от частоты вращения кулачкового вала, и неравномерное возвратно-поступательное движение зубила, скорость которого определяют в зависимости от требуемого профиля зубьев в продольном сечении.
2. Способ по п.1, отличающийся тем, что формируют зубья с заданными величинами переднего и заднего углов режущего клина.
3. Способ по п.1 или 2, отличающийся тем, что скорость возвратно-поступательного движения зубила определяют в зависимости от требуемого профиля спинки и передней поверхности зубьев.
РИСУНКИ
MM4A – Досрочное прекращение действия патента СССР или патента Российской Федерации на изобретение из-за неуплаты в установленный срок пошлины за поддержание патента в силе
Дата прекращения действия патента: 24.01.2007
Извещение опубликовано: 20.06.2008 БИ: 17/2008
|