|
|
(21), (22) Заявка: 2003106520/12, 07.03.2003
(24) Дата начала отсчета срока действия патента:
07.03.2003
(43) Дата публикации заявки: 20.12.2004
(45) Опубликовано: 20.03.2006
(56) Список документов, цитированных в отчете о поиске:
SU 986357, 07.01.1983. SU 1547785 A1, 07.03.1990. RU 2091013 C1, 27.09.1997. RU 2123782 C1, 27.12.1998.
Адрес для переписки:
423808, Республика Татарстан, г. Набережные Челны, пос. ГЭС, п/о 8, до востребования
|
(72) Автор(ы):
Гайфутдинов Марс Фасхутдинович (RU)
(73) Патентообладатель(и):
Гайфутдинов Марс Фасхутдинович (RU)
|
(54) ДОИЛЬНЫЙ АППАРАТ
(57) Реферат:
Изобретение относится к сельскому хозяйству и предназначено для доения коров, в т.ч. в частном секторе при наличии всего одной коровы. Доильный аппарат содержит пульсатор, коллектор и доильные стаканы, стенки сосковой резины которых утолщаются сверху вниз. Доильный аппарат выполнен автономным и содержит силовое устройство и баллон для сжатого воздуха, оснащенный ручным поршневым насосом. Внутри пульсатора смонтированы перегородка, цилиндр с клапаном и поршнем, обеспечивающие подачу и сброс сжатого воздуха в межстенной камере доильных стаканов. Цилиндр оснащен трубками. Клапан изготовлен заодно со штоком и посредством штифта смонтирован с возможностью осевого перемещения внутри подпружиненного поршня. На верхней крышке пульсатора имеются сквозные отверстия. Аппарат достаточно компактный и автономный. 6 ил. 
Изобретение относится к сельскому хозяйству и предназначено для доения коров, в т.ч. в частном секторе при наличии всего одной коровы.
В качестве прототипа взят доильный аппарат, содержащий доильные стаканы, толщина сосковой резины которых утолщается сверху вниз, обеспечивая волнообразное сдавливание сосков и выжимание из них молока при подаче воздуха в межстенную камеру доильных стаканов. Такт сдавливания сосков чередуется с тактом отсоса молока за счет вакуума.
Авт. свид. СССР №986357, 1981 г.
Его недостаток: для обеспечения такта сдавливания сосков необходим источник избыточного давления, для такта отсоса молока – источник высокого вакуума, для молока – специальное ведро с герметичной крышкой, в котором через трубопровод поддерживается разрежение. Аппарат недостаточно автономен, для его работы необходимо электричество или двигатель внутреннего сгорания.
Целью изобретения является устранение недостатка, присущего прототипу.
Указанная цель достигается следующим конструктивным решением.
Доильный аппарат выполнен автономным и содержит баллон для сжатого воздуха, оснащенный ручным поршневым насосом, силовое устройство. Внутри пульсатора смонтированы перегородка, цилиндр с клапаном и поршнем, обеспечивающие подачу и сброс сжатого воздуха в межстенной камере доильных стаканов. Цилиндр оснащен трубками, клапан изготовлен заодно со штоком и посредством штифта смонтирован с возможностью осевого перемещения внутри подпружиненного поршня. На верхней крышке пульсатора имеются отверстия.
Для работы аппарата не обязательно наличие источника электропитания или двигателя внутреннего сгорания. При наличии электричества баллон может наполняться с помощью силового устройства, состоящего из электромотора и насоса. И такт сдавливания сосков, и такт отсоса молока обеспечиваются наличием только источника сжатого воздуха. При этом такт отсоса молока происходит при возврате поршня после перемещения его сжатым воздухом вниз в исходное положение, вверх, пружиной. Молоко из пульсатора стекает в обычное ведро.
Изобретение иллюстрируется чертежом.
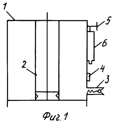
На фиг.1 схематически изображен баллон для сжатого воздуха; на фиг.2 – пульсатор; на фиг.3, 4, 5, 6 схематически показана работа клапана и поршня, в масштабе 1:2.
Баллон 1 (фиг.1) для сжатого воздуха выполнен с ручным поршневым насосом 2, патрубком 3 с подпружиненным обратным клапаном, предохранительным клапаном-свистком 4, вентилем 5 и пульсатором 6, сообщающимся через вентиль с полостью баллона.
Доильный аппарат укомплектован силовым устройством (не показано), состоящим из электромотора и насоса, предназначенным для нагнетания воздуха в баллон при наличии источника электропитания.
Пульсатор 6 (фиг.2) изготовлен с перегородкой 7 с резиновыми амортизаторами 8, цилиндром 9, оснащенным трубкой 10, сообщающейся через шланг (здесь и далее шланги не показаны) с баллоном для сжатого воздуха, и трубкой 11 для подачи сжатого воздуха через коллектор к доильным стаканам (не показаны). Клапан 12 выполнен заодно со штоком 13, изготовленным с продольной прорезью 14. Поршень 15 выполнен с отверстием для штока 13, в котором шток установлен с возможностью осевого перемещения. Закрепленный на поршне 15 штифт 16 размещен в прорези 14 штока 13. Поршень 15 подпружинен работающей на сжатие конической винтовой пружиной 17.
На верхней крышке пульсатора имеются отверстия 19 для сброса сжатого воздуха из межстенной камеры доильных стаканов. Патрубок 20 с подпружиненным обратным клапаном через коллектор сообщается с подсосковой камерой доильных стаканов. По патрубку 21 с подпружиненным обратным клапаном и шлангу 22 молоко из цилиндра пульсатора стекает в обычное ведро.
Доильный аппарат работает следующим образом.
В баллон 1 (фиг.1) с помощью ручного поршневого насоса 2 или силового устройства (не показано) через патрубок 3 с подпружиненным обратным клапаном нагнетают воздух. При достижении давления, способного обеспечить не менее пяти минут непрерывной работы доильного аппарата (устанавливается экспериментальным путем), срабатывает предохранительный клапан-свисток 4. Пять минут – средняя продолжительность молокоотдачи у коров. Открывают вентиль 5 до предела, сжатый воздух из баллона поступает в пульсатор 6.
Надевают доильные стаканы (не показаны) на соски.
По трубкам 10, 11 (фиг.2) сжатый воздух через коллектор поступает в межстенную камеру доильных стаканов (не показаны). Сосковая резина доильных стаканов волнообразно, сверху вниз, сжимает соски и молоко из них стекает в подсосковую камеру доильных стаканов – такт сдавливания сосков. Когда давление в межстенной камере доильных стаканов достигнет уровня, присущего взятому в качестве прототипа аппарату, поступающий в цилиндр 9 по трубке 10 сжатый воздух начинает перемещать поршень 15 вниз, сжимая пружину 17. Жесткость пружины подобрана таким образом, что пружина начинает сжиматься при максимальном сдавливании сосков.
Поршень 15 (фиг.3) продолжает перемещаться вниз под действием сжатого воздуха, при этом клапан 12 остается неподвижным.
Верхний край прорези 14 (фиг.4) штока 13 клапана 12 упирается в штифт 16 поршня 15 и клапан 12 одновременно с поршнем движется вниз.
Клапан 12 (фиг.5) перекрывает трубку 11, перекрывая поступление сжатого воздуха из баллона к доильным стаканам. Давление воздуха на поршень 15 и через него на пружину (не показано) нарастает.
Клапан 12 (фиг.6) минует трубку 11 и перекрывает трубку 10. Воздух из межстенной камеры доильных стаканов через трубку 11и отверстия 19 на крышке пульсатора выходит наружу.
Давление воздуха на соски и поршень прекращается. Поршень под воздействием пружины движется вверх, в цилиндре пульсатора образуется разрежение, под его действием клапан патрубка 20 (фиг.1) открывается и в цилиндр через коллектор из подсосковой камеры доильных стаканов молоко, выжатое из сосков при такте их сдавливания, затем из сосков, отсасывается молоко. Клапан 12 остается неподвижным, пока нижний край прорези 14 штока 13 клапана не упрется в штифт 16 поршня 15. Поршень 15 и клапан 12 движутся, клапан минует трубки 10, 11. Сжатый воздух поступает через трубки к доильным стаканам. Амортизаторы 8 смягчают удар поршня 15 о перегородку 7.
Далее цикл повторяется, такты сдавливания сосков чередуются с тактом отсоса молока.
Поршень, перемещаясь вниз под давлением сжатого воздуха при такте сдавливания сосков, вытесняет молоко из пульсатора через патрубок 21 и шланг 22 в обычное ведро.
Формула изобретения
Доильный аппарат, включающий источник сжатого воздуха, пульсатор, коллектор и доильные стаканы, стенки сосковой резины которых утолщаются сверху вниз, отличающийся тем, что доильный аппарат выполнен автономным и содержит баллон для сжатого воздуха, оснащенный ручным поршневым насосом, силовое устройство, внутри пульсатора смонтированы перегородка, цилиндр с клапаном и поршнем, обеспечивающие подачу и сброс сжатого воздуха в межстенной камере доильных стаканов, при этом цилиндр оснащен трубками, клапан изготовлен заодно со штоком и посредством штифта смонтирован с возможностью осевого перемещения внутри подпружиненного поршня, причем на верхней крышке пульсатора имеются сквозные отверстия.
РИСУНКИ
|
|